Danfoss DGS Functional Tests and Calibration Procedure

Introduction
The DGS sensor is calibrated at the factory. A calibration certificate is delivered with the sensor. After installation the zero calibration and recalibration (gain calibration) should be executed only in case the sensor has been operating longer than the calibration interval or has been in stock longer than the storage time exposed in the below table:
| Product | Calibration interval | Storage time |
| Spare sensor DGS-IR CO2 | 60 months | approx. 6 months |
| Spare sensor DGS-SC | 12 months | approx. 12 months |
| Spare sensor DGS-PE Propane | 6 months | approx. 6 months |
Caution:
- Check local regulations on calibration or testing requirements.
- The DGS contains sensitive electronic components that can be easily damaged. Do not touch nor disturb any of these components while lid is removed and when replacing it.
Important:
- If the DGS is exposed to a large leak it should be tested to ensure correct functionality by resetting the zero setting and carrying out a bump test. See procedures below.
- To comply with the requirements of EN378 and the European F-GAS regulation, sensors must be tested at least annually.
Anyway, the frequency and nature of testing or calibration may be determined by local regulation or standards. - Failure to test or calibrate the unit in accordance with applicable instructions and with industry guidelines may result in serious injury or death. The manufacturer is not liable for any loss, injury, or damage arising from improper testing, incorrect calibration, or inappropriate use of the unit.
- Before testing the sensors onsite, the DGS must have been powered up and allowed to stabilize.
- The testing and/or calibration of the unit must be carried out by a suitably qualified technician, and must be done:
- in accordance with this guide.
- in compliance with locally applicable guidelines and regulations.
Recalibration and part replacement in the field may be implemented by a qualified technician with the appropriate tools. Alternatively, the easily removable sensor element may be replaced.
There are two concepts that need to be differentiated:
- bump test or functional test
- calibration or re-calibration (gain calibration)
Bump test:
- Exposing the sensor to a gas and observing its response to the gas.
- The objective is to establish if the sensor is reacting to the gas and if all the sensor outputs are working correctly.
- There are two types of bump test
- Quantified: using a known concentration of gas
- Non-quantified: using an unknown concentration of gas
Calibration:
Exposing the sensor to a calibration gas, setting the “zero” or standby voltage to the span/range, and checking/adjusting all the outputs, to ensure that they are activated at the specified gas concentration.
Caution (before you carry out the test or calibration)
- Advise occupants, plant operators, and supervisors.
- Check if the DGS is connected to external systems such as sprinkler systems, plant shutdown, external sirens and beacons, ventilation, etc., and disconnect as instructed by the customer.
Bump testing
- For bump, testing exposes the sensors to test gas (R134A, CO2, etc.). The gas should put the system into alarm.
- The purpose of this check is to confirm that gas can get to the sensor(s) and that all the alarms present are functional.
- For bumps, tests can be used Gas Cylinders or Gas Ampoules (see Fig. 1 and 2).
Fig. 1: Gas cylinder and test hardware
Fig. 2: Gas ampoules for bump testing
Important: After a semiconductor sensor is exposed to a substantial gas leak, the sensor should be zero calibrated and bump tested and replaced if necessary.
Note: Because the transportation of gas ampoules and cylinders gas is regulated by many governments throughout the world, is suggested to source them from local dealers.
Steps for bump testing using calibration gas cylinders
- Remove the enclosure lid of the gas detector (not in an exhaust area).
- Connect the handheld service tool and monitor response.
- Expose the sensor to gas from the cylinder. Use a plastic hose/hood to direct gas to the sensor head. If the sensor shows readings in response to the gas and the detector goes into alarm, then that instrument is good to go.
Note: Gas ampoules are not valid for calibration or accuracy checks of the sensor. These require actual gas calibration, not bump testing with ampoules.
Calibration
Required tools for calibration
- Hand-held Service-Tool 080Z2820
- Calibration is composed by 2 operations: zero and gain calibration
- Zero calibration: Test gas bottle with synthetic air (21% O2. 79% N) or clean ambient air
- Zero calibration for carbon dioxide / oxygen: Test gas cylinder with pure nitrogen 5.0
- Gain calibration: Test gas bottle with test gas in the range 30 – 90 % of the measuring range. The rest is synthetic air.
- Gain calibration for semiconductor sensors: The concentration of the test gas must be 50 % of the measuring range. The rest is synthetic air.
- Extraction set consisting of gas pressure regulator and flow controller
- Calibration adapter with tube: code 148H6232.
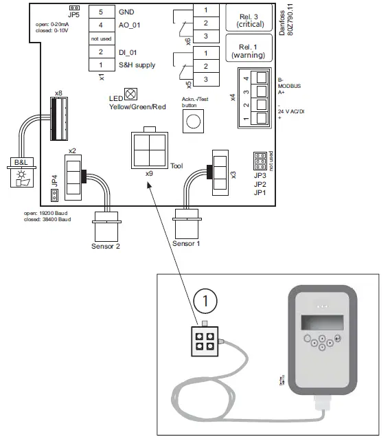
Note about test gas bottle for calibration (see Fig. 1): because the transportation of gas ampoules and cylinders gas is regulated by many governments throughout the world, is suggested to source them from local dealers. Before to perform the calibration, connect the Handheld Service Tool 080Z2820 to the DGS device.
Prior to calibration, the sensors must be supplied with power voltage without interruption for run-in and stabilization.
The run-in time depends on the sensor element and is shown in the following tables, as well as the other relevant information:
| Sensor Element | Gas | Run-in time calibration (h) | Warm-up time (s) | Flow rate (ml/min) | Gas application time (s) |
| Infrared | Carbon dioxine | 1 | 30 | 150 | 180 |
| Semiconductor | HFC | 24 | 300 | 150 | 180 |
| Pellistore | Combustible | 24 | 300 | 150 | 120 |
Calibration steps
First enter in Service Mode
- Press Enter to enter in the menu and press down arrow until the Installation & Calibration menu
- Press Enter and Service Mode OFF is shown
- Press Enter, enter the password ****, press Enter and down arrow to change the status from OFF to ON and then press Enter again.
When the unit is in Service Mode the display yellow LED is blinking.
From the Installation & Service menu, by using the down arrow scroll until the Calibration menu and press Enter.
The type of gas sensor is displayed. By using the Enter and up/down arrow keys set the calibration gas concentration in ppm:
- for CO2 sensor, select 10000 ppm which corresponds to 50% of the sensor measuring range
- for HFC sensor, select 1000 ppm which corresponds to 50% of the sensor measuring range
- for PE sensor, select 250 ppm which corresponds to 50% of the sensor measuring range
Zero calibration
- Select the Zero calibration menu.
- In case of CO2 sensor, the Zero Calibration has to be executed by exposing the sensor to pure Nitrogen, the same gas flow.
- Before executing the zero calibration the specified warm-up times must be strictly observed before starting the process.
- Connect the calibration gas cylinder to the sensor head by using the calibration adapter 148H6232. Fig. 3

Open the calibration gas cylinder flow regulator. During calculation an underscore in line two, runs from left to right and the current value drops to zero. When the current value is stable press Enter for saving the calculation of the new value. “SAVE“ is displayed, as long as the function is executed. After the value has been successfully stored, a square appears on the right for a short time = zero point calibration is finished and new zero offset has been stored with success. The display automatically goes to the display of the current value.
During the calculation phase, the following messages may occur:
| Message | Description |
| Current value too high | Wrong gas for zero point calibration or sensor element defective. Replace sensor head. |
| Current value too small | Wrong gas for zero point calibration or sensor element defective. Replace sensor head |
| Current value unstable | Appears when the sensor signal does not reach the zero point within the target time. Disappears automatically when the sensor signal is stable. |
|
Time too short | The message “value unstable” starts an internal timer. Once the timer has run out and the current value is still unstable, the text is displayed. The process starts over again. If the value is stable, the current value is displayed and the calibration procedure is continued. If the cycle is repeated several times, an internal error has occurred. Stop the calibration process and replace the sensor head. |
| Internal error | Calibration is not possible ® check if burning clean process is completed or interrupt it manually or check/replace sensor head. |
If aborting the zero offset calibration, the offset value will not be updated. The sensor head continues to use the “old” zero offset. A full calibration routine must be conducted to save any calibration change.
Gain Calibration
- By using the arrow key, select the Gain menu.
- Connect the calibration gas cylinder to the sensor head by using the calibration adapter (Fig. 1).
- Open the cylinder flow regulator to start allowing the flow which is recommended to be minimum 150 ml/min.
- Press Enter to show the value read currently, after some minutes, once the ppm value has stabilized, press Enter again to start the calibration.
- In line 2, during calculation, an underscore runs from left to right and the current value converges to the set test gas that has been flow.
- When the current value is stable and near to the reference value of the set calibration gas concentration, press Enter for finishing the calculation of the new value.
- After the value has been successfully stored, a square appears on the right for a short time = Gain calibration is finished a new gain offset has been stored with success.
- The display automatically goes to the display of the current ppm value.
During the calculation phase, the following messages may occur:
| Message | Description |
| Current value too high | Test gas concentration > than set value Internal error ® replace sensor head |
| Current value too low | No test gas or wrong test gas applied to the sensor. |
| Test gas too high Test gas too low | The set test gas concentration must be between 30% and 90% of the measuring range. |
| Current value unstable | Appears when the sensor signal does not reach the calibration point within the target time. Disappears automatically when the sensor signal is stable. |
| Time too short | The message “value unstable” starts an internal timer. Once the timer has run out and the current value is still unstable, the text is displayed. The process starts over again. If the value is stable, the current value is displayed and the calibration procedure is continued. If the cycle is repeated several times, an internal error has occurred. Stop the calibration process and replace the sensor head. |
| Sensitivity < | Sensitivity of the sensor head < 30%, calibration no longer possible ® replace sensor head. |
| Internal error | Calibration is not possible ® check if burning clean process is completed or interrupt it manually or check/replace sensor head. |
At the end of the calibration procedure exit from the Service Mode.
- Press ESC
- Press up arrow until the Service Mode menu
- Press Enter and Service Mode ON is shown
- Press Enter and down arrow to change the status from ON to OFF and then press Enter again. The unit is in Operation Mode and the display green LED is solid.

Danfoss A/S
Climate Solutions danfoss.com +45 7488 2222 Any information, including, but not limited to information on selection of product, its application or use, product design, weight, dimensions, capacity or any other technical data in product manuals, catalogues descriptions, advertisements, etc. and whether made available in writing, orally, electronically, online or via download, shall be considered informative, and is only binding if and to the extent, explicit reference is made in a quotation or order confrmation. Danfoss cannot accept any responsibility for possible errors in catalogues, brochures, videos and other material. Danfoss reserves the right to alter its products without notice. This also applies to products ordered but not delivered provided that such alterations can be made without changes to form, fit or Tunction of the product. All trademarks in this material are property of Danfoss A/S or Danfoss group companies. Danfoss and the Danfoss logo are trademarks of Danfoss A/S. All rights reserved.




















