PMK KHT 6000 Series Voltage Probe Calibration Generators Instruction Manual
Manufacturer
PMK Mess- und Kommunikationstechnik GmbH
Koenigsteinerstrasse 98
65812 Bad Soden am Taunus, Germany
Phone: +49 (0) 6196 5927 – 930
Fax: +49 (0) 6196 5927 – 939
Internet: www.pmk.de
E-Mail: [email protected]
Warranty
PMK warrants this product for normal use and operation within specifications for a period of two years from date of shipment and will repair or replace any defective product which was not damaged by negligence, misuse, improper installation, accident or unauthorized repair or modification by the buyer. This warranty is applicable only to defects due to material or workmanship. PMK disclaim any other implied warranties of merchantability or fitness for a particular purpose. PMK will not be liable for any indirect, special, incidental, or consequential damages (including damages for loss of profits, loss of business, loss of use or data, interruption of business and the like), even if PMK has been advised of the possibility of such damages arising from any defect or error in this manual or product.
Declaration of Conformity
PMK declares the conformity of this product with the actual required safety standards in accordance with the Low Voltage Directive (LVD) 2014/35/EU:
CEI/IEC 61010-1:2010
- Safety requirements for electrical equipment for measurement, control and laboratory use
- Part 1: General requirements
WEEE/ RoHS Directives
This electronic product is classified within the WEEE/ RoHS category list as monitoring and control equipment (category 9) and is compliant to the following EC Directives.
EC Directives:
WEEE Directive 2012/19/EU
- Waste Electrical and Electronic Equipment
RoHS Directive 2011/65/EU
- Restriction of the use of certain Hazardous Substances in Electrical and Electronic Equipment
Your help and efforts are required to protect and keep clean our environment. Therefore return this electronic product at the end of its life either to our Service Department or take care of separate WEEE collection and professional WEEE treatment yourself. Do not dispose as unsorted municipal waste.
Safety Information
During operation of the calibrators, voltages up to 6kV occur. These voltages at the output sockets (4mm sockets in the red probe receptacles) are referenced to the ground sockets (4mm sockets). The device may only be operated by instructed personnel. The probes have to be contacted in such a way that hazardous live parts are covered in a touch-proof way. For probes with clamp connections, use appropriately insulated ones. Cables for the Remote Control Unit, USB-/GPIB-connection and Interlock-Connector may only be contacted and deconnected when the device is switched of
Prevent personal injury, fire and product damage.
To avoid personal injury and to prevent fire or damage to this product or products connected to it, review and comply with the following safety precautions. Be aware that if you use this product in a manner not specified the protection this product provides may be impaired. Only qualified personnel should use this calibrator.
Warning:
Dangerous voltages capable of causing death are present when using this instrument.
Be careful while handling, testing and adjusting.
Use only grounded instruments.
Do not connect the ground lead of the product to be calibrated to a potential other than earth ground. Always make sure the calibrator and the measurement instrument are grounded properly.
Connect and disconnect properly.
Connect and disconnect only when the generator is switched OFF. Connect a probe output to the measuring instrument before connecting the probe to the generator.
Remove the probe from the generator first before disconnecting the probe from the measuring instrument.
Keep away from hazardous live circuits.
Avoid open circuitry. Do not touch connections or components when power is present.
Do not operate with suspected failures.
Refer to qualified service personnel.
Indoor use only.
- Do not operate in wet or damp environment. Keep the product dry and clean.
- Do not operate the product in an explosive atmosphere.
- Do not modify the instrument.
About the KHT 6000 Probe Series
The calibration generators KHT6000D are used for HF and DC adjustment of high voltage probes and dividers. The KHT6000C models are for HF adjustment.
In addition to manual operation via control elements on the instrument front end, the KHT6000s can also be operated:
- via PC using the integrated USB interface
- via PC using the integrated GPIB interface – (optional)
- via the Remote Control Unit – (optional)
When operated via USB / GPIB interface, the squarewave voltage, pulse width, repetition frequency (single pulses possible) and DC output voltage can be adjusted.
Calibration
Before delivery, the KHT6000 output values (HV-DC, risetime, square wave signal) are compared with devices whose calibration is traceable to DAkkS standards. Each calibrator is factory calibrated and supplied with factory calibration certificate.
PMK recommends annual calibration of the KHT6000 models. Factory calibration can be performed at any time upon request.
Functionality
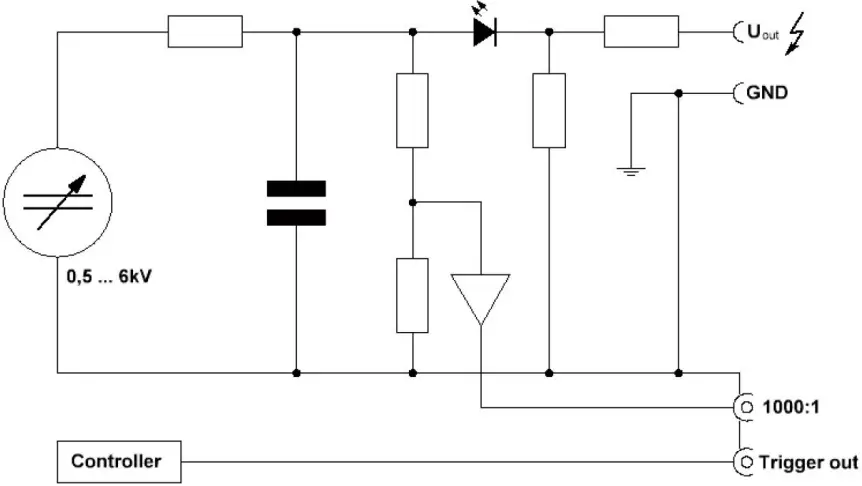
The function of the device is shown in the schematic diagram.
The KHT6000 calibrator series generates square pulses with a voltage of 500V to 6000V at the output, and a DC voltage (KHT6000D only). The pulses have a steep rising edge with a rise time <45ns (10% to 90%), the duration of the pulses is per default 1ms. The accuracy of the DC voltage is 0.2%. Pulse voltage, and DC voltage (KHT6000D only), are output separately via 4mm sockets inside the red probe receptacles. The value of the output voltages, which are adjustable in 1V steps, is displayed digitally. The output voltages can be fully configurable and thus meet the requirements of ISO 9000 ff for complete test equipment monitoring.
Internally a resistor of 200Ω is built into the outputs. It serves as short-circuit protection and is normally destroyed in case of a short circuit of the device. It must be replaced afterwards.
The ground connection of a probe or divider must be connected to the ground socket.
The charging voltage can be measured at the BNC socket with an digital voltmeter. The division ratio at the BNC socket is 1000:1. The output is buffered by an operational amplifier. The output current is maximum 10mA.
Schematic Diagram of the Probe Calibration Generator KHT6000D

Schematic Diagram of the Probe Calibration Generator KHT6000C

Specifications
| KHT 6000C | KHT 6000D | |
| Electrical Specifications | ||
| Voltage Range ¹ | 500 V – 6000 V (in 1 V-steps adjustable) | |
| Accuracy | ± 0.2 % (nom. Voltage value) ± 0.2 % (6 kV) | |
| Separate DC Output | No | Yes |
| Voltage Display Resolution | 1 V | |
| Voltage Display Accuracy | ± (0.1 % + 1 Digit) | |
| Rise Time | < 45 ns | |
| Overshoot | < 2 % | |
| Repetition Time ² | 0 ms – 10 s ¹ | |
| Pulse Width ² | 0.5 ms – 5 ms ¹ | |
| Maximum Load | 100 pF | |
| Trigger Output | 5 V (50 Ω) / 10 V (MΩ) | |
| Trigger Internal Resistance | 50 Ω | |
| Trigger Pulse Width | 10 µs | |
| Mechanical Specifications | ||
| Mains Voltage | 90 V – 250 V AC / 50 Hz – 60 Hz | |
| Dimensions (W x H x D) | ca.: 250 mm x 140 mm x 395 mm | ca.: 358 mm x 140 mm x 395 mm |
| Weight | 3200 g | 4000 g |
| Environmental Specifications | ||
| Altitude | operating | up to 2000 m |
| non-operating | up to 15000 m | |
| Temperature Range | operating | +5 °C bis +55 °C |
| non-operating | -40 °C to +71 °C | |
| Maximum Relative Humidity | operating | 80 % relative humidity for temperatures up to +31 °C, decreasing linearly to 40 % at +45 °C |
| non-operating | 95 % relative humidity for temperatures up to +40 °C | |
Scope of Delivery
The following items are included in the scope of delivery.
| Item | Qty | Item | Qty |
| Calibration Generator KHT 6000 with USB interface | 1 | Instruction Manual | 1 |
| Power Cord | 1 | Calibration Certificate | 1 |
Ordering Information
| Model | Order No. |
| KHT 6000C | 894-600-000 |
| KHT 6000D | 894-600-010 |
Options for KHT 6000 Series
| Options | Order No. |
| GPIB (IEEE-488.2) Interface | GPIB-KHT6000 |
| Additional interface for integration of the calibrator into a measurement software or for controlling the calibrator via PC. | — |
| Remote Control Unit | RCU-KHT6000 |
| Manual control unit for external control of the device; connection to the device via control line and LEMO-Push-Pull connec- tor. | ![]() |
| Interlock | INTERL-KHT6K |
| Control cable (2 m) for connection to a closing contact (protective cover). Connec- tion to the device via LEMO-Push-Pull connector on the back of the device. | ![]() |
User Interface
For the KHT 6000C, number 5 and 6 are not appliable.
Frontside

Backside:

Remote Control Unit: Overview (optional)

Operation
The calibration generator KHT6000 can be operated via the operating elements on the front end as well via in-terfaces. Please refer to the following overview for the various options:
- Frontend operation via the front panel controls (standard)
The description of the frontend controls can be found in the manual.
Operation via the device front end is described in the following sections. - Remote operation via PC and the standard USB interface
When operating via USB / GPIB interfaces in addition to the manually adjustable settings, pulse width, repetition frequency (single pulses possible) and square wave voltage can be infinitely ad- justed. The remote function of the KHT6000 is designed to integrate the device into a system de- sign software environment such as “NI LABVIEW”. Please refer to the description of your system design software for further information. - Operation via PC and the optionally available GPIB interface
See point 2. - Operation via the optionally available Remote Control Unit
The operating elements of the Remote Control Unit are described in the manual. Operation via the Remote Control Unit corresponds to operation via the device front end (see following sections).
When using the Remote Control Unit, it is essential to observe this: Contact and decontact the Remote Control Unit only if the KHT6000 calibration generator is switched off via the mains switch.
If the Remote Control Unit is nevertheless contacted during operation, the KHT6000 does not recognize the Remote Control Unit. The Output Voltage Display (30) of the Remote Control Unit shows no voltage value but only the decimal points. Turn off the calibrator using the power switch on the rear panel, leave it off for 5 seconds and turn it on again. The Remote Control Unit will then be recognized by the KHT6000. If the Remote Control Unit is disconnected during operation, “ERR 3” will appear in the Output Voltage Display (1) of the KHT6000. Press the “Off” (9) switch, then the calibrator (without Remote Control Unit) is ready for operation again.
When the KHT6000 calibration generator is controlled from the Remote Control Unit, the front end of the calibrator shows the operating states displayed on the Remote Control Unit. The input elements (rotary knobs, buttons) of the calibrator front end are disabled.
Ready for operation, connect the probe
- If you are using a Remote Control Unit, connect it via the Remote Control Unit connector on the rear panel (25).
- Connect the unit to the mains (100V AC – 240V AC) via a power cable to mains plug unit (20).
- Connect the probe or divider to your oscilloscope and set the probe/divider ratio.
Only connect and disconnect the probe when the generator is in OFF Mode. Connect the HV probe or divider for pulse amplitude adjustment to output socket (14) and ground socket (15). For DC adjustment (KHT6000D only) use output socket (16) and ground socket (17). - A trigger pulse of 10V at 1MΩ or 5V at 50Ω can be taken from the trigger socket (13).
- Switch on the unit using the switch on the mains plug unit (20) on the rear of the unit. The decimal points in the Output Voltage Display (1) light up briefly, then the Output Voltage Display (1) shows the voltage value “0V”. The device is in “HV Off” mode (control LED (10) and HV OFF indication lamp (12) are lit), there is no voltage at the output terminals (14 and 16).
Operation of the KHT6000
Switching on the instrument
Switch on the KHT6000 calibration generator using the switch on the power plug unit (20) on the rear of the calibration generator.
Setting the output voltage
The voltage value for the test is selected by the rotary knob (2) and set by pressing the rotary knob. When the rotary knob (2) is turned, the decimal point to the left of the voltage value in the output voltage display (1) indicates that the instrument is in the setting mode. To set the selected
voltage value, briefly press the rotary knob (2) once within 3 seconds of setting. After setting, the voltage display returns to 0 V. During the setting process, the device is in “HV Off” mode (control LED (10) and HV OFF indicator LED (12) light up continuously).
The high voltage can additionally be measured as a DC value at the BNC socket “1000:1” (18) with this division factor.
Activating pulses
Activate a pulse at the output by pressing the “Pulse” key (3). The set output voltage is present as a pulse at the output socket (14) in the selected pulse pattern.
The HV ON indicator LED (11) and the control LED (4) light up and the HV OFF indicator LED (12) and the control LED (10) go out. The output voltage display (1) shows the previously set voltage value, the unit is in “Pulse” mode as long as the “Pulse” key (3) is pressed. After releasing the
“Pulse” key (3), the HV ON indicator LED (11) and the control LED (4) go out. The HV OFF indicator LED (12) and the control LED (10) then light up again.
Activating pulse sequences
In addition to the method described under 2), the unit can be switched to pulse mode (automatic sequence of pulses). This is done by simultaneously pressing the “Pulse” (3) and “Lock” (7) keys. In pulse mode, the control LEDs (4) and (8) light up together with the HV ON indicator LED (11),
and the output voltage display (1) shows the set voltage value. Pulsed operation is terminated by pressing the “Off” key (9). Alternatively, it can be terminated by pressing the “Lock” key (7) again, in which case the HV ON indicator LED (11) and the control LEDs (4 and 8) go out and then the HV OFF indicator LED (12) and the control LED (10) light up.
Enabling DC voltages (KHT6000 D only)
Activate the output of DC voltages by pressing and holding the “DC” key (5). The set output voltage is applied to the output socket (16).
HV ON indicator LED (11) and control LED (6) light up and HV OFF indicator LED (12) and control LED (10) go out. The output voltage display (1) shows the previously set voltage value, the device is in “DC” mode as long as the “DC” key (5) is pressed. After releasing the “DC” key (5), the HV ON indicator LED (11) and the control LED (6) go out. The HV OFF indicator LED (12) and the control LED (10) light up.
Activating continuous DC voltage (KHT6000 D only)
In addition to the method described in 4), the instrument can be switched to continuous DC mode.
This is done by pressing the “DC” (5) and “Lock” (7) keys simultaneously. In continuous DC mode, the control LEDs (6 and 8) light up next to the HV ON indicator LED (11) and the output voltage display (1) shows the set voltage value.
The continuous DC mode is terminated by pressing the “Off” key (9). Alternatively, it can be terminated by pressing the “Lock” key (7) again, in which case the HV ON indicator LED (11) and the control LEDs (6 and 8) go out and then the HV OFF indicator LED (12) and the control LED (10) light up.
Changing the output voltage during operation
The value of the output voltage can be changed during operation. To do this, a new voltage value is selected via the rotary knob (2) (see point 1) and set by pressing the knob (2).
The voltage display in the output voltage display (1) changes to the newly set value. The output voltage is permanently present during the process, the HV ON indicator LED (11) lights up continuously.
Switching off the instrument
At the end of your work session, switch off the KHT6000 calibration generator using the switch on the power plug unit (20) on the back of the instrument.
Error-Codes
| Code | Description | Solution |
| Err1 | Detected Overvoltage | Turn the unit off, and on again. If the error still occurs, please contact the vendor. |
| Err2 | Overload If the device detects an overload fault, both the internal voltage and the output voltage are swit- ched off. | Disconnect all connected devices. Press the “Off” button (9) to reset the KHT6000. The device is ready for operation. |
| Err3 | Remote Contol Unit was discon- nected during operation. | Press the “Off” button (9) to return the KHT6000 to the operating mode (see also “4”). For Operation via the optional Remote Control Unit” see page 29. |
Interfaces
Via the integrated USB interface (optional GPIB) continously adjust pulse width, repetition frequency (single pulses possible) as well as the square wave / DC voltage. Connect the USB Socket 21 with a standard USB cable (type A/B). If your system does not recognize the driver automatically, you can download it at www.ftdichip.com/Drivers/VCP.htm.
Interface Description KHT 6000 Series
The remote control commands for transfer via USB or optional GPIB are based on the RS-232 interface.
Configuration RS-232
| Baudrate: 19200 | Data bits: 8 | Parity: none | Stop bits: 1 |
Protocol
A binary protocol is used. The following commands are defined:
| Write register | Command: ‘ R ‘ <nn><lo><hi><cs> Answer: <ans> nn: Register number (8 bit) lo,hi: Value (16 bit), low and high byte cs: 8 bit check sum ans: Answer code 6 = OK 7 = Error |
| Read register | Command: ‘ r ‘ <nn> Answer: <ans><lo><hi><cs> ans: Answer code 6 = OK 7 = Error nn: Register number (8 bit) lo,hi: Value (16 bit), low and high byte cs: 8 bit check sum |
| Device info | Command: ‘ I ‘ <nn> Answer: <ans><lo><hi><cs> ans: Answer code 6 = OK 7 = Error nn: Info type lo,hi: Value (16 bit), low and high byte cs: 8 bit check sum |
Timeout
A timeout of 1 second applies to all commands. This means that a maximum pause of 1 second is allowed between two consecutive bytes. If the pause takes longer, the command is aborted with an error message. The device is ready to receive a new command.
Calculation of Checksum
The checksum is calculated so that the sum of all transmitted bytes including the checksum is 0.
The sum is calculated as an 8 bit number. Any overflow is ignored.
To check whether a command was transmitted without errors, all transmitted bytes in the receiver except the response code are summed up as an 8 bit number. Any overflow is ignored. For a transmission, free of errors the sum must be 0.
Examples
Write access to register 4,
Value is 2000:
| Command: | ‘R’ (0x52) |
| nn | 0x04 |
| lo | 0xD0 |
| hi | 0x07 |
| cs | 0xD3 |
Read access to register 7,
Value is 5000:
| Command: | ‘r’ (0x72) |
| nn | 0x07 |
| lo | 0x88 |
| hi | 0x13 |
| cs | 0xEC |
Register Numbers
| Reg. | Function | Unit / Scaling | Read / Write |
| 0 | Firmware version Bit 0..7 : Sub version Bit 15..8 : Main version | read only | |
| 1 | Status register Bit 0 : High voltage on … Bit 14 : Internal use Bit 15 : Error (must be acknowledged) | read only | |
| 2 | Control word Bit 0 : Remote access on / off Bit 1 : Voltage control on/off Bit 2 : Activate discharge relay Bit 3 : Switch pulse on/ off | read / write | |
| 3 | Command register Bit 0 : Turn off output Bit 15 : Reset error | write only | |
| 4 | Target value output voltage Range: +500 V .. + 6000 V | 1 LSB = 0.25 V | read / write |
| 5 | Pulse width | 1 LSB = 1 μs | read / write |
| 6 | Puls period Range 0 ms .. 10 s With a period of 0 ms, only a single pulse is out put, if bit 2 in the control word is set or when the pulse key is pressed. | 1 LSB = 1 ms | read / write |
| 7 | Actual voltage value | 1 LSB = 0.25 V | read only |
| 8..14 | Internal data | read only | |
| 15 | Error register The following error codes are defined: 0 – No error
| read only | |
| 16..18 | Calibration data | read / write | |
| 19 | Reserved | – | |
| 20 | GPIB address (0 .. 15) | read / write |
Device Information
| Info- Type | Function |
| 0 | Protocol version Bit 15..0 : Version This document corresponds to protocol version 1. |
| 1 | Device-Type Bit 15..0 : Type The device type is the hardware version of the device. KHT 6000 has the identifier 0x0400. For future extensions the range 0x0400 – 0x04FF is reserved for KHT 6000 devices. |
| 2 | Parameter version Bit 0..7 : Sub version The parameter description in this document corresponds to version 1.0. This version identifier is managed separately for each device type. Different devices can use the same parameter version number, even if the parameters of these devices are different. |
| 3 | Version number of motherboard Bit 0..7 : Sub version Bit 15..8 : Main version |
| 4 | Assembly variant of motherboard 0 : Standard mounting |
| 5 | Serial number of motherboard, low word |
| 6 | Serial number of motherboard, high word |
| 7 | Device serial number |
GPIB Interface
The optional GPIB interface uses an instruction set based on the SCPI standard. However, not all standardized SCPI commands are supported.
The commands are hierarchically structured. The following rules apply to the syntax.
- To execute commands, the complete path must always be specified.
- A colon at the beginning of a command means that this command code is a command of the top level.
- A colon between two command codes switches to the next lower level.
- Parameters must be separated from commands by a space.
- Several commands within a line are separated by semicolon. By the semicolon point, the com- and level is not changed.
- At the beginning of a line the colon can be omitted.
Summary of the commands
Configuration Commands:
- CONFigure:VOLTage<Output voltage>
- CONFigure:WIDt<(Pulse width>
- CONFigure:PERiod<Period duration>
- CONFigure?
Control Commands:
- SYSTem:REMote
- SYSTem:LOCal
- OUTput:OFF
- OUTput:PULSe
- OUTput:CONTinuous
Voltage measurement:
- MEASure?
Using the command CONFigure
With this command the following can be set: output voltage, pulse width and pulse period duration.
For the configuration commands, one parameter must be transferred as a numerical value in each case. The numerical value can contain the numbers 0 – 9, ‘+’ and ‘-‘ for the sign and ‘.’ as decimal point. Other characters are not permitted.
Output Voltage
To change the output voltage, command CONFigure:VOLTage is used. The parameter is passed as voltage in volts. The allowed range for the output voltage is 500V to 6000V with a step size of 0.25V.
Pulse Width
Command CONFigure:WIDth is used to set the pulse width. The time is specified in seconds. The allowed range is 0.5 ms to 5.0 ms.
Period duration
Command CONFigure:PERiod is used to set the period duration. The time is given in seconds, the allowed range is 0 s to 10 s. If the period duration is set to 0, only single pulses are output.
With command CONFigure? the current setting can be read out.
Examples:
This command sets the output voltage to +2000V:
CONFigure:VOLTage 2000.0
This command sets a pulse width of 10 ms and a period of 100 ms:
CONFigure:WIDth 0.01; PERiod 0.1
Using the SYSTem command
This command is used to switch between remote and normal operation.
Switching to remote operation:
- SYSTem:REMote
The output voltage, pulse width and pulse frequency can be changed via the interface and the pulses can be switched on and off.
Switching to operation with front panel control:
- SYSTem:LOCal
The device is operated via the operating elements on the front of the device. Alternatively, it is possible to switch from remote operation to normal operation by holding down the off key for approx. 1 second
Using the command OUTput
The OUTput:PULSe command outputs pulses with previously defined width and period duration.
Pulses are output until they are switched off again with the command OUTput:OFF. If the period duration is 0, only a single pulse is output, after which the output automatically goes to the off.
Measurement of the DC voltage
With the MEASure? command the actual DC voltage can be measured. The voltage at the output socket is not measured directly, but at the DC source. So the voltage measurement works even if the pulses are switched off. The return value is the measured voltage in V.


















