
S-100X / S-200X
Snow Machine User Manual

© 2018 Antari Lighting and Effects Ltd.
S-100X, S-200X Machine
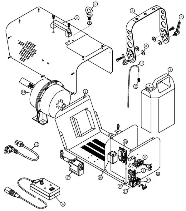
| 1. Body 2. Hanging Bracket 3. Handle 4, Tank 5, Safety Ring (M8 Screw) 6. Washer 7. Tightening Screw 8. Contro Inlet Socket (3 Pin XLR for DMX) 9. Contro Inlet Socket (4 Pin XLR for remote) | 10. Air Volume Switch 11. Rocker Switch / Power 12. Power Inlet Socket 13. Power Cord and Plug 14. Remote Control 15. Main P.C Board 16. EMI-Filter(Only for 230V) 17. Pump 18. Air Blower 19. PU Tube 20. Filter |
User Manual
Antari S-100X & S-200X Snow Machine
Introduction
Thank you for choosing an ANTARI Special Effects Machine. You now own a rugged and powerful state-of-the-art machine. Prior to use, we suggest that you carefully read all of the instructions. By following the suggestions found in this user manual, you can look forward to the reliable and satisfactory performance of your ANTARI S-100X & S-200X Silent Snow Machine.
CAUTION
DANGER OF ELECTRIC SHOCK!
Keep this device away from rain and moisture!
Never open the housing!
- Keep this device dry.
- For indoor use only. Not designed for outside use.
- Use a grounded electrical outlet only. Prior to use make sure to determine that the unit is installed at the rated voltage.
- Always unplug your ANTARI Snow Machine before filling its tank.
- Turn off or unplug when not in use.
- This machine is not water or splash proof. If moisture, water, or snow liquid gets inside the housing, immediately unplug the unit and contact a recommended service technician or your ANTARI dealer before using it again.
- There are no user-serviceable parts inside. Refer to your ANTARI dealer or other qualified service personnel.
- For adult use only. This machine must be installed out of the reach of children. Never leave the unit running unattended.
- Never aim the output nozzle directly at people or animals.
- Locate the machine in a well-ventilated area.
DANGER OF BURNING!
Never touch the device during the operation!
- Never add flammable liquids of any kind (oil, gas, perfume) to the snow liquid.
- Pay attention to all warning labels and instructions printed on the exterior of your ANTARI S-100X & S-200X Snow Machine.
- Use only the high-quality snow liquid that your dealer recommends.
- Always make sure there is sufficient liquid in the machine’s liquid tank.
- If your ANTARI machine fails to work properly, discontinue use immediately. Drain all liquid from the tank, pack the unit securely (preferably in the original packing material), and return it to your ANTARI dealer for service.
Unpacking & Inspection
Open the shipping carton and verify that all equipment necessary to operate the system has arrived intact.
If any equipment is missing contact your ANTARI dealer immediately.
The shipping carton should contain the following Items:
- Snow machine with power cable
- SC-2 volume remote controller
- Fluid tank
- Hanging bracket
- Screw set and user manual
Before beginning your initial setup of the ANTARI S-100X & S-200X Snow Machine, make sure that there is no evident damage caused by transportation. In the event that the unit’s housing or cable is damaged, do not plug it in and do not attempt to use it until after contacting your ANTARI dealer for assistance.
Setup
- Remove all packing materials from shipping box. Check that all foam and plastic padding is removed.
- Place the machine on a flat surface and follow the steps below.

- Assemble the hanging bracket on the machine, use the M8 screws to position the hanging bracket with the machine, the tightening screws are for adjusting the machine’s angle when in the air.

- Fill with ANTARI SL-5 Snow Liquid, ANTARI SL-5A Premium Snow Liquid or other high-quality, water-based snow liquid recommended by your dealer. Any other types of fluid can damage the unit. When filled, place cap back on liquid tank.
- Firmly attach the 4-pin connector on the remote control cable to the proper input on the rear of the machine.
Installation Note
- The snow machine may be installed at ground level or suspended overhead. It is best suggested to mount the machine up high. When mounting the unit overhead, please make sure that it is secured with a safety bond looped through the safety ring. Whatever installation method you choose, do not allow the unit to have more than a 15 degree angle of inclination.
- It is important that the snow does not shoot directly at anyone’s face.
- Always monitor tank fluid level during operation. Running a snow machine without fluid can permanently damage the unit. If you experience low output, mechanical noise, or no output at all, unplug immediately. Check fluid level, the external fuse, remote connection, and power from the wall. If all of the above appears to be fine, plug the unit in again. If snow does not come out after holding the remote ON/OFF button down, check the hose attached to the tank to make sure there is fluid going through the hose. If you are unable to determine the cause of the problem, do not simply continue pushing the remote button, as this may damage the unit. Return the machine to your Antari dealer.
Operation
- Plug the power cable into a grounded electrical outlet.
- Turn on the machine by pressing the red power switch on the rear of the unit and make sure the red indicator that is located above the Power switch is lit. The units can be controlled by either DMX or the SC-2 volume remote control. See the respective topics below:
- Connect the remote control’s male 4-pin plug to the machines’ INPUT socket and make sure the red “POWER” indicator is lit.

- Press ON/OFF button, the IN USE indicator lights up green and the machine is ready to operate (during this procedure, the machine’s fan and motors are operating).
- Use the adjustable knob “OUTPUT VOLUME” on the SC-2 Volume Remote controller to set an output value between 10% and 100%.
DMX Connector Pin Assignment
The machine provides a 3-pin XLR connector for DMX connection. The diagram below indicates pin assignment information.

| Pin | Function |
| 1 | Ground |
| 2 | Data- |
| 3 | Data+ |
DMX Control
a) Connect the DMX cord to the DMX IN socket on the rear of the machine.
b) Test the system by activating the snow system’s selected DMX channel. When the channel value is increased the snow machine should produce snow at a steadily increasing rate. The unit is OFF when a value between 0-5 is selected. It will reach 100% output once the channel is set to 255.
| DMX VALUE | |
| 0-5 | OFF |
| 6-255 | ON |
c) Addressing:
Each device occupies 1 channel. To ensure that the control signals are properly directed to each device, they require addressing. This is to be adjusted for every single device by changing the DIP switches as set out in the table below.
The starting address is defined as the first channel from which the device will respond to the controller. Please make sure that you do not have any overlapping channels in order to control each device correctly and independently from any other fixture on the DMX data link. If two, three or more devices are addressed similarly, they will work similarly.
DMX Address Setting

Dip Switch Corresponding Chart
| Channel No. | 1 | 2 | 4 | 8 | 16 | 32 | 64 | 128 | 256 |
| Dip Switch | 1 | 2 | 3 | 4 | 5 | 6 | 7 | 8 | 9 |
Example 1: Set DMX starting address to 69
Dip switch # 7 = 64 channel
Dip switch # 3 = 4 channel
Dip switch # 1 = 1 channel
Total = 64 + 4 + 1 = 69 channel

Maintenance
- Do not allow the snow liquid to become contaminated. Always place the caps back on the liquid container and the snow machine liquid tank immediately after filling.
- Before storing away after each operation, rinse the system with distilled water and let it pump for at least 1or 2 minutes. This step helps to ensure a longer life span of the motor and the nozzle.
- It is strongly recommended to regularly clean the dust/residue around the machines’ vent holes (on both sides of the machine). Simply use a small brush, a toothbrush for example, and gently brush in the direction from top to bottom. This step helps to ensure that minimal debris will get into the machine and causes clogging.
Snow Liquid
Depending on the desired effect, use either ANTARI SL-5 Snow/Foam Liquid for normal snow
or ANTARI SL-5A Snow Liquid for fast-dissipating snow.
Technical Specifications
| MODEL | S-100X | S-200X |
| – Input voltage | US model : | US model : |
| AC 100-120V, 50 / 60Hz 7.5A | AC 100-120V, 50 / 60Hz 7.5A | |
| EU model : | EU model : | |
| AC 220-240V, 50 / 60Hz 3.8A | AC 220-240V, 50 / 60Hz 3.8A |
| – Rated power – Fluid consumption – Fluid tank capacity – Compatible fluid – Operating time – Ambient temp. range – Control – DMX channels – Connection – Dimension- Weight | 880W 160 ml/min 5l (1.32gal) Antari SL Snow Foam Fluid 30 mins at max. output 5 °C – 40 °C (41 °F-104 °F) DMX512, Manual 1 channel IEC (Power) XLR 3-pin (DMX) L505 W276 H310 mm (L19.88 W10.87 H12.20 inch) 11 kg (24.25 lbs) | 880W 140 ml/min 5l (1.32gal) Antari SL Snow Foam Fluid 35 mins at max. output 5 °C – 40 °C (41 °F-104 °F) DMX512, Manual 1 channel IEC (Power) XLR 3-pin (DMX) L505 W276 H310 mm (L19.88 W10.87 H12.20 inch) 11.5 kg (25.35 lbs) |
Save these instructions.
For current product information visit Antari at:www.antari.com
For information requests please contact us at:[email protected]



















