
USER MANUAL
ER105 SPEED CONTROLLER
Order No.: ER105
Conrad No. 248760
www.1zu87modellbau.de
CONTROLLER FORWARD / REVERSE
| Technical data | RE 105 |
| Operating current in V | 2,7 – 5,5 |
| Motor current continuous in mA | 1800 * |
| Motor current impulse in A | 8* |
| Weight excluding cable in g | 0,32 |
| Dimensions in mm (l x b x h) | 12,8 x 9 x 2,5 |
| Automatic zero-point recognition | yes |
(*) The output stage should be cooled in an appropriate manner that corresponds to the loading of the controller!

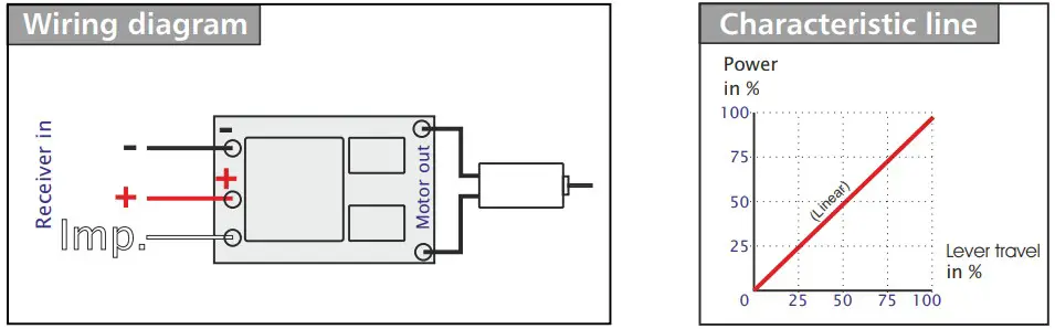
Wiring diagram

ER105 Functions and instructionsThis speed controller stands out on account of its state-of-the-art functionality in the smallest possible space. Switching on the transmitter and receiver unit. |
Safety instructions to ensure long service from the ER105
Before first using the ER105, the following checks should be made to prevent any damage being caused to the controller:
– check on the polarity of the operating current ![]()
– check that there is no short-circuit at the motor outputs. ![]()
In case of faults or malfunction of the ER105, please read our suggested hints for suggested solutions under www.1zu87modellbau.de here you will also find tips for correcting faults.
– Subject to modification / E&OE / As of June 2009 / Christian Reply © –
CEO: Christian Reply
SOL-EXPERT group
Dept. 1zu87modellbau.de
Mehlisstrasse 19
D- 88255 Brandt
[email protected]
Phone: +49.7502.94115.0
Fax: +49.7502.94115.99
www.1zu87modellbau.de



















