BWM LSE30 30Ton Log Splitter
User Manual
BWM LSE30 Essential Series
Please read through this owner’s manual carefully before using the product, to ensure the safety of yourself and others.
*Due to continuing improvements, actual product may differ slightly from the product described herein.
GENERAL WARNINGS 
READ and UNDERSTAND this manual completely before using 30 Ton Log Splitter.
Operator must read and understand all safety and warning information, operating instructions, maintenance and storage instructions before operating this equipment. Failure to properly operate and maintain the log splitter could result in serious injury to the operator or bystanders.
Operation Warnings
- Do not at any time carry passengers, sit or stand on the log splitter.
- Do not allow children to play on, stand upon or climb on the log splitter.
- Always inspect the log splitter before using to assure it is in good working condition.
- Replace or repair damaged or worn parts immediately.
- Always check and tighten hardware and assembled parts before operation.
- Do not exceed equipment maximum load capacity of 30 tons.
- Avoid large holes and ditches when towing the equipment.
- Always operate the log splitter on clear and level ground.
- Do not operate the log splitter at night, only during daylight hours.
- Always tow at reduce speed in rough terrain, along creeks, ditches and on hillsides.
- To avoid personal injury and/or equipment damage DO NOT EXCEED 72 KM/H.
- Always refer to the vehicle owner’s manual for proper towing.
- Always secure and lock the log splitter to the vehicle hitch before towing.
Crush and Cut Hazards
- Always keep hands and feet clear from moving parts while operating the equipment.
- Always clear and keep work area clean and free of debris when operating.
- Always wear safety gear, eye protection, gloves and work boots when operating the log splitter.
WARNING
The warnings, cautions, and instructions outlined in this instruction manual cannot cover all possible conditions or situations that may occur. It must be understood by the operator that common sense and caution are factors which cannot be built into this product and must be supplied by the operator.
Assembly Is Required
This product requires assembly before use. See “Assembly” section for instructions. Because of the weight and/or size of the log splitter, it is recommended that another adult be present to assist with the assembly. INSPECT ALL COMPONENTS closely upon receipt to make sure no components are missing or damaged.
Hazard Signal Word Definitions
![]() | This is the safety alert symbol. It is used to alert you to potential personal injury hazards. Obey all safety messages that follow this symbol to avoid possible injury or death. |
| DANGER indicates an imminently hazardous situation which, if not avoided, will result in death or serious injury. | |
| WARNING indicates a potentially hazardous situation which, if not avoided, could result in death or serious injury. | |
| CAUTION indicates a potentially hazardous situation which, if not avoided, may result in minor or moderate injury. | |
| CAUTION used without the safety alert symbol indicates a potentially hazardous situation which, if not avoided, may result in property damage. |
ABOUT YOUR 30 TON LOG SPLITTER
This hydraulic log splitter has a heavy-duty steel construction and 30 tons of ram force. When there’s work to be done, you need outdoor power equipment you can rely on, this log splitter will get the job done fast. It is designed to work in both the horizontal and vertical position. It is easy to tow, easy to use and maintain. Never exceed the rated capacity of 30 tons when operating the log splitter.
Technical specifications on the log splitter are provided in the “Specifications” section of this manual.
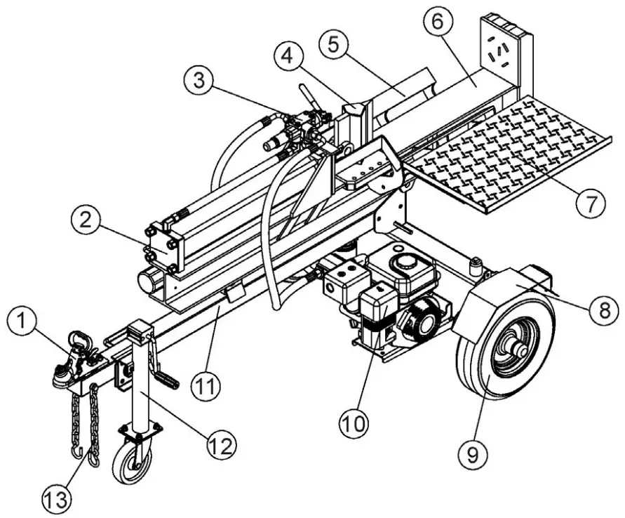
Controls and Features Identification
Read this owner’s manual before operating the equipment. Familiarize yourself with the location and function of the controls and features. Save this manual for future reference.

- 2” 50mm Coupler. Attaches the log splitter to your vehicle. Fits only 50mm hitch balls.
- Hydraulic Cylinder. The hydraulic cylinder has a 4½” (115mm) bore and a 23” (575mm) stroke.
- Control Valve. Use the control valve handle to move the wedge slide forward and backward.
- Wedge. The wedge features wedge wings and a taper that makes splitting easier.
- Log Cradle. Keeps the log on the beam without operator assistance.
- Beam. The beam is made of 6” wide flange beam (also called I-Beam).
- Log Table. Maximum loading 20kg.
- Fenders
- Tires. Maximum rated speed is 45 miles per hour (72KPH)
- Engine. The air cooled engine powers the hydraulic pump.
- Tow Bar. Towing the log splitter but the maximum speed is 72KPH. 12.) Jockey Wheel – 6”
- Safety Chains. A safety feature to prevent loss of log splitter while towing
WARNING
Read and follow all instructions for assembly and operation. Failure to properly assemble this equipment could result in serious injury to the user or bystanders, or cause equipment damage.
| Engine Shipped Without Oil. Before starting engine, fill with 600ml of Briggs & Stratton SAE30 engine oil or Honda 10W30 engine oil, depending on your model. See engine manual for engine oil capacity. Hydraulic Oil Tank is Shipped Without Oil. Add 12L of AW32/AW46 hydraulic oil before the first use. When topping up oil verify the oil level using the Oil filter/Dip Stick on the top of hydraulic oil tank. . Inspect all Log Splitter Components. If you have damaged components: Contact the freight company that delivered the log splitter and file a claim. |
Assembly Instructions
30 TON LOG SPLITTER ASSEMBLY
Set the shipping crate on a solid flat surface and carefully remove the lid. Use two people and take all parts out of the shipping crate and inspect the components to ensure there are no missing pieces before starting to assemble the log splitter follow steps 1 through 9.
TOOLS REQUIRED
- Rubber or Wooden Hammer
- 13mm, 16mm, 17mm, 18mm, 19mm, 24mm, 27mm Wrenches
- Large Adjustable Wrench
- Phillips or Standard Screwdriver
- Pliers
STEP 1: Wheel Assembly
- Fix the wheel (#54) to the oil tank axle by a flat washer Ø20 (#53), slotted nut M20x1.5 (#52), cotter pin Ø4×36 (#51) and attach the axle cap (#50).
NOTE: Use a black plastic bushing to fix the axle cap like below picture. Please cover the black bushing onto the axle cap, and use rubber/wooden hammer knocking the end of the plastic bushing and make the axle cap fixed on wheel.
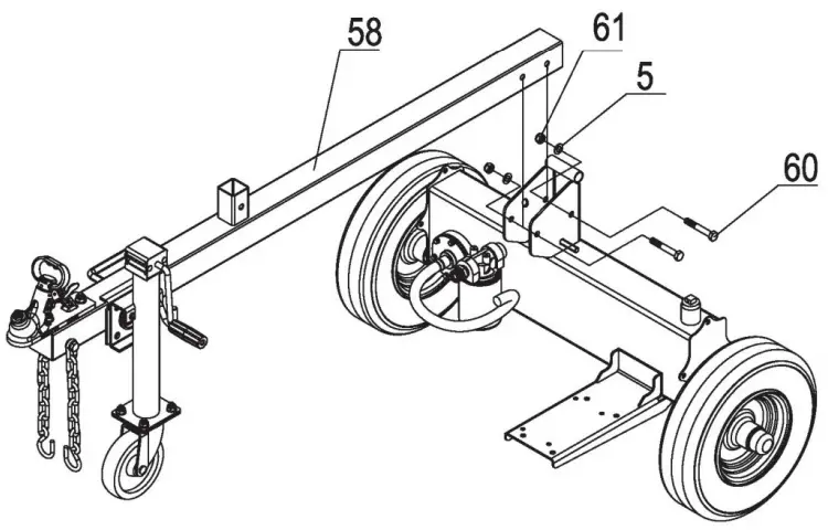
STEP 2: Attach Tow Bar to the Oil Tank
- Fix the tow bar (#58) to the oil tank by using 2 sets of hex bolt M12x100 (#60), flat washer Ø12 (#5) and nylon lock nut M12 (#61).

STEP 3: Assemble Beam and Tow Bar and Hydraulic Hose
- Assemble the Beam to the tow bar, secure with hitch pin (#8) and R pin (#38).
Attach hydraulic hose (#27) to the connector of outer oil filter, put in O ring Ø14×2.5 (#26). After the assembling finished, please keep the elbow from the reversing pipe in vertical position.
Note: Tighten hydraulic hose connector between torque of 80-90Nm
STEP 4: Attach Engine and Hydraulic Hose
- Assemble the engine (#90) to the engine mounting plate by using hex bolt M8x65 (#86), flat washer Ø8 (#47), lock washer Ø8 (#89) and nylon lock nut M8 (#48). Place 4 polyurethane blocks (#87) and large flat washer Ø10 (#88) between the engine and mounting plate.
Attach the oil pipe (#71) to the bottom of the gear pump with the clamp (#72).
Place an O ring 11×2.5 (#20) onto the angle connector. Then tighten with hydraulic hose (#29).
Note: Tighten hydraulic hose connector between torque of 80-90N·m
STEP 5: Attach Log Table
- Attach the log table (#45) to the table stand (#43) by using screw M8x35 (#46), flat washer Ø8 (#47) and nylon lock nut M8 (#48). Attach square tube (#42 & #44) to the beam by using hex bolt M10x50 (#41), flat washer Ø10 (#40) and nylon lock nut M10 (#39). Insert log table assembly to the square tube tighten with hex bolt M8x20 (#11).

STEP 6: Attach Wheel Fenders
- Attach the left & right fenders (#49 & 85) to the oil tank by using hex bolt M10x30 (#82), flat washer Ø10 (#40), lock washer Ø10 (#84) and nylon lock nut M10 (#39). Place rubber washer (#83) between the fenders and oil tank.

STEP 7: Add Engine Oil
- Make sure the log splitter is on a level surface.
- Unscrew the oil fill cap/dipstick to add oil.
- Add 600ml of engine oil (SAE30 or 10W30, depending on your model). Refer to owner’s engine manual for more details. Replace the oil fill cap/dipstick.
- Check engine oil level each use and add as needed.
NOTE: During the break-in period check the engine oil level more often.
CAUTION
DO NOT attempt to crank or start the engine before it has been properly filled with the recommended type and amount of oil. Damage to the log splitter as a result of failure to follow these instructions will void your warranty.
STEP 8: Add Fuel to the Engine
- Use only clean, fresh, regular unleaded 91 fuel.
- DO NOT mix oil with fuel.
- Remove the fuel cap and slowly add fuel to the tank. DO NOT overfill, allow approximately ¼ inch of space for fuel expansion.
- Screw on the fuel cap and wipe away any spilled fuel.
DANGER
Log splitter engine exhaust contains carbon monoxide, a colourless, odourless, poison gas. Breathing carbon monoxide will cause nausea, dizziness, fainting or death. If you start to feel dizzy or weak, get to fresh air immediately.
Operate log splitter outdoors only in a well ventilated area.
DO NOT operate the log splitter inside any building, enclosure or compartment.
DO NOT allow exhaust fumes to enter a confined area through windows, doors, vents or other openings.
DANGER: CARBON MONOXIDE, using a log splitter indoors CAN KILL YOU IN MINUTES.
CAUTION
Fuel and fuel vapors are highly flammable and extremely explosive.
Fire or explosion can cause severe burns or death.
Unintentional startup can result in entanglement, traumatic amputation or laceration.
Only use regular unleaded 91 fuel.
DO NOT mix oil and petrol together.
Fill tank approximately ¼” below the top of the tank to allow for fuel expansion.
DO NOT fill fuel tank indoors or when the engine is running or hot.
DO NOT light cigarettes or smoke when filling the fuel tank.
STEP 9: Add Hydraulic Oil
- The log splitter needs to be on a flat, level surface before adding the hydraulic oil.
- Remove the oil cap from the hydraulic oil tank.
- Add 12 liters of AW32/AW46 hydraulic oil.
- Check the hydraulic oil level.
- Start engine and use the control lever to extend and retract wedge several times to remove air from the lines.
- With the wedge retracted, check hydraulic oil level again and fill if necessary.
WARNING
DO NOT remove the hydraulic oil fill cap when the engine is running or hot. Hot oil can escape causing severe burns. Always allow the log splitter to cool completely before removing the hydraulic oil cap.
High fluid pressure and temperatures are created in the hydraulic log splitters. Hydraulic fluid will escape through a pin-size hole opening and can puncture skin and cause severe blood poisoning. Inspect hydraulic system regularly for possible leaks. Never check for leaks with your hand while the system is pressurized. Seek medical attention immediately if injured by escaping fluid. Make sure all fittings are tight and secure before applying pressure. Relieve system pressure before servicing.
Make sure the hydraulic hoses do not touch any hot surfaces or cutting areas.
Hoses need to be positioned where they are clear from the engine and cutting wedge. To avoid serious bodily injury always inspect the hoses before operating the log splitter.
Operating Instructions
WARNING
Before operating or using the log splitter, review the instructions below and all safety information. Failure to follow these instructions may result in property damage or injury to the operator or bystanders
WARNING
ALWAYS use the log splitter for its intended use.
ONLY use the log splitter to split wood logs, length wise with the grain.
NEVER modify, alter or change the log splitter in anyway, modifications will void the warranty.
NEVER attach a rope, cable or other device to the control lever on the log splitter.
ONLY operate the log splitter in daylight.
NEVER leave the log splitter unattended while the engine is running.
DO NOT change the splitting position with the engine running. Contact with the muffler can cause serious burns.
ALWAYS make sure the beam is in the locked position.
DO NOT let the beam drop as it could crush fingers or cause damage to the log splitter.
NEVER operate or let anyone else operate, the log splitter while under the influence of alcohol, drugs, or medication.
USING YOUR LOG SPLITTER
- DO NOT at any time carry passengers, sit or stand on the log splitter.
- Check the hydraulic oil level and visually inspect all hoses and attachments for problems.
- Inspect the engine and make sure the engine oil level is correct.
- Before towing the log splitter the tyres need to be fully inflated.
TYRE WARNING
DO NOT over inflate tyres. Serious injury can result if tyres explode.
DO NOT tow the log splitter if the tyres are worn or will not hold air.
DO NOT exceed the maximum 72 KM/H towing speed. - Refer to the vehicle owner’s manual for proper safety and towing instructions.
TOWING WARNING
Serious injury or death can occur if towing safety rules are not followed.
Always use safety chains, secure and lock the log splitter to the vehicle hitch before moving.
Drive safely. Be aware of the added length of the log splitter.
Never exceed the maximum travel speed of 72 KM/H.
Never ride or transport cargo on the log splitter.
Turn off the vehicle before leaving the log splitter unattended.
Block the log splitter wheels to prevent unintended movement. - The log splitter must have at least 2 meters of clearance from combustible material. It needs to be on a dry and level surface with good footing. Do not work on mud, ice, brush or snow.
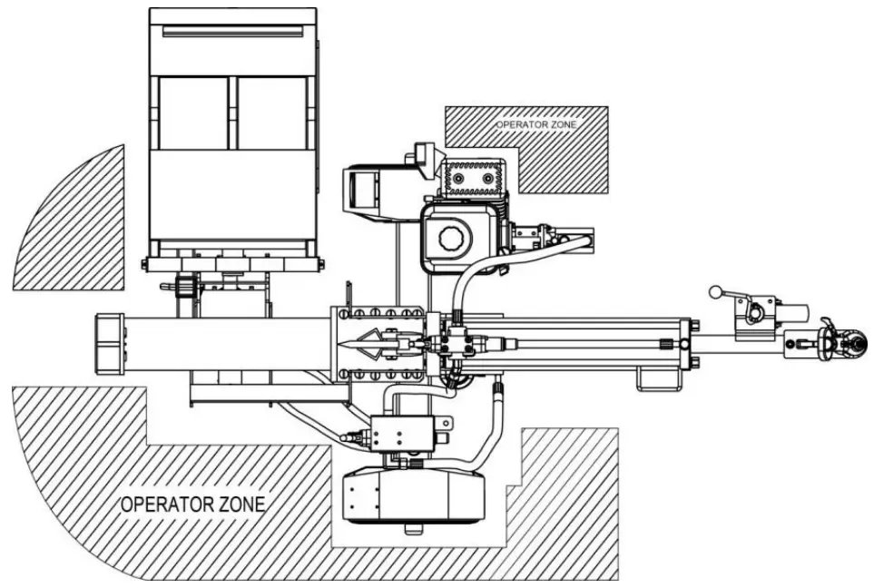
When using the log splitter the work zone must be maintained at all times.
NOTE: Serious accidents can happen when other people are allowed inside the work zone. Keep everyone else outside the work zone while operating the control lever. - Always wear safety gear, eye protection, gloves and work boots when operating the log splitter.
- Start the engine and make sure the log splitter is on level ground before operating.
NOTE: The hydraulic oil needs to be above -12C° before starting the engine. Cold hydraulic oil can damage the hydraulic pump. If outdoor air temperature is below 0C° allow the log splitter to warm up by extending and returning the wedge several times before splitting wood. - Put the support leg or jockey wheel in the down position to prevent the log splitter from moving during operation and block both tyres.
- Set the log splitter in either the horizontal or vertical position.
NOTE: HORIZONTAL position is used for lighter logs that can easily be loaded onto the beam. The VERTICAL position is used for either light logs or heavy logs that are difficult to load onto the beam. Back injury can result from lifting logs onto the log splitter if proper lifting techniques are not used. - Load a log onto the beam against the endplate (Max Log Length-24”).

- Make sure hands are clear from the wedge and crush hazard areas.
CRUSH WARNING
Wedge can cut through skin and break bones. Keep both hands away from wedge and beam slide. Serious accidents can happen when other people are allowed inside the work zone. Keep everyone else out of the work zone while operating control lever.
DO NOT wear loose clothing. It can get tangled in moving parts of log splitter.
Only use the log splitter in daylight so you can see what you are doing. - Push control lever FORWARD by one hand to split the log.
- Push control lever BACKWARD by one hand to return wedge to its original position.
CAUTION
If a log gets stuck, embedded or will not split completely, push the control lever in the reverse direction and allow the splitter to strip the log from the wedge.
If the log still remains stuck, embedded or will not split, turn the machine off and use a sledge hammer and crow bar to remove the log.
ALWAYS keep hands clear of the log and wedge while it is retracting. - Always keep work zone clean and free of split wood and debris.
For Horizontal Using

For Vertical Using
- Pulling beam lock pin
- Lift the beam at the end side, and Rotate it down slowly

For Vertical Towing

Maintenance and Storage
CAUTION
Improper maintenance and storage of the log splitter may void your warranty.
MAINTENANCE
- Before performing any maintenance, the log splitter must be placed in maintenance mode. Turn off the engine and move the control lever forward and backwards to relieve the hydraulic pressure.
- After performing any maintenance, make sure all guards, shields and safety features are put back in place before operating the log splitter.
- Before operating make sure the tyres have the RECOMMENDED TYRE PRESSURE.
- Regularly grease axle and wheel bearing area or when needed.
- Periodically check all fasteners and hoses for tightness and leaks.
- Annually clean and lightly lubricate all moving parts or when needed.
- Use a glossy enamel spray paint to touch up scratched or worn painted metal surfaces.
- Never exceed load capacity rating of 30 tons it will damage the log splitter.
| What | When | How |
| Hoses | Each Use | Inspect hoses for exposed wire mesh and leaks. Replace all worn or damaged hoses before starting the engine. |
| Hydraulic Fittings | Each Use | Inspect fittings for cracks and leaks. Replace all damaged fittings before starting the engine. |
| Nuts and Bolts | Each Use | Check for loose bolts, tighten before operating. |
| Beam | Each Use | Apply grease to beam surface. |
| Moving Parts | Each Use | Clear debris from log splitter. |
Refer to the Engine Owner’s Manual for engine maintenance.
IMPORTANT:
If a part needs replacement, only use parts that meet the manufacturer’s specifications. Replacement parts that do not meet specifications may result in a safety hazard or poor operations.
STORAGE
- Before storing make sure the log splitter is clean and dry for years of trouble-free service.
- Lightly lubricate all log splitter surfaces and moving parts to prevent rust.
- Store indoors or protected area during severe weather and winter months
Troubleshooting
| Problem | |
| Cylinder rod will not move | SOLUTION: A,D,E,H,J |
| Slow cylinder rod speed when extending or retracting | SOLUTION: A,B,C,H,I,K,L |
| Wood will not split or splits extremely slowly | SOLUTION: A,B,C,F,I,K |
| Engine bogs down during splitting | SOLUTION: G,L |
| Engine stalls under low load condition | SOLUTION: D,E,L,M |
| Engine starts problem | SOLUTION: N |
| Cause | Solution |
| A-Insufficient oil to pump | Check oil level in reservoir |
| B-Air in oil | Check oil level in reservoir |
| C-Excessive pump inlet vacuum | Check pump inlet hose for blockage or kinks |
| D-Blocked hydraulic lines | Flush and clean the splitter hydraulic system |
| E-Blocked control valve | Flush and clean the splitter hydraulic system |
| F-Low control valve setting | Adjust control valve with a pressure gauge |
| G-High control valve setting | Adjust control valve with a pressure gauge |
| H-Damaged control valve | Return control valve for authorized repair |
| I-Internal control valve leak | Return control valve for authorized repair |
| J-Internal cylinder leak | Return cylinder for authorized repair |
| K-Internally damaged cylinder | Return cylinder for authorized repair |
| L-Engine Control out of adjustment | Adjust idle control nuts |
| M-Engine is loaded during idle down mode | Use shorter log length (26″ or less) to allow engine to speed up before contact. |
| N-Engine operation | Refer to the Engine Owner’s Manual |
Specifications
| Ram Force | 30 Ton |
| Cycle Time | 16 Sec |
| Wedge Size | 8” Hardened Steel |
| Hydraulic Tank Capacity | 12L |
| Max. Log Length | 24” (610mm) |
| Gear Pump | 2-Stage |
| Hydraulic Oil | AW32/AW46 Hydraulic Oil |
| Hydraulic Cylinder | 4 1/2” x 23”(115mm x 575mm) |
| Max. Pressure | 3200 PSI |
| Max. Flow | 11 GPM |
| Wheel Size | 16” / 4.80 x 8 |
| Hitch Type | 2” Ball Coupler |
| Max. Towing Speed | 72 KM/H |
| Engine | HONDA GX200, HONDA GP200 or Briggs & Stratton 6.5HP |
NOTE: For Engine Details Refer to the Engine Owner’s Manual.
Warranty
Limited Warranty
The warranty period for the log splitter is 2 years (Domestic use) and 1 year (commercial use) from the purchase date. The engine has a 3 year warranty. The warranty will not apply to any unit which was not assembled correctly, misused, overloaded or which has been used or operated contrary to our instructions, or which has been repaired or altered by anyone other than an authorized representative.
Warranty Exclusions
Warranty will not cover:
- Pieces worn out due to normal wear and tear.
- Misuse, negligence of care, and lack of maintenance.
- Failures due to using non genuine replacement parts.
Warranty will be voided if the machine has been modified in any way.
Parts Illustration List

| Ref # | Part No. | Description | Qty |
| 1 | BWMLSE300001 | Beam Weldment | 1 |
| 2 | BWMLSE300002 | Wedge | 1 |
| 3 | BWMLSE300003 | Keeper Spacer | 2 |
| 4 | BWMLSE300004 | Screw M12x55 | 10 |
| 5 | BWMLSE300005 | Flat Washer Ø12 | 18 |
| 6 | BWMLSE300006 | Lock Washer Ø12 | 10 |
| 7 | BWMLSE300007 | Hex Thick Nut M12 | 10 |
| 8 | BWMLSE300008 | Hitch Pin | 1 |
| 9 | BWMLSE300009 | Piston Head Joint | 1 |
| 10 | BWMLSE300010 | Hex Nut M8 | 1 |
| 11 | BWMLSE300011 | Hex Bolt M8x20 | 3 |
| 12 | BWMLSE300012 | Wedge Pin | 1 |
| 13 | BWMLSE300013 | Cotter Pin Ø4×40 | 2 |
| 14 | BWMLSE300014 | Adjusting Washer C | / |
| 15 | BWMLSE300015 | Flat Washer Ø18 | 4 |
| 16 | BWMLSE300016 | Lock Washer Ø18 | 4 |
| 17 | BWMLSE300017 | Hex Nut M18 | 4 |
| 18 | BWMLSE300018 | Cylinder | 1 |
| 19 | BWMLSE300019 | Hydraulic Hose (Valve-Cylinder) | 1 |
| 20 | BWMLSE300020 | O Ring Ø11×2.5 | 4 |
| 21 | BWMLSE300021 | Angle Connector | 2 |
| 22 | BWMLSE300022 | Control Valve | 1 |
| 23 | BWMLSE300023 | Plate | 1 |
| 24 | BWMLSE300024 | Screw M8x10 | 4 |
| 25 | BWMLSE300025 | Oil Return Connector | 2 |
| 26 | BWMLSE300026 | O Ring Ø14×2.5 | 2 |
| 27 | BWMLSE300027 | Hydraulic Hose (Valve-Oil Return Filter) | 1 |
| 28 | BWMLSE300028 | Connector | 1 |
| 29 | BWMLSE300029 | Hydraulic Hose (Valve-Pump) | 1 |
| 30 | BWMLSE300030 | Nut | 1 |
| 31 | BWMLSE300031 | Valve B Connector | 1 |
| 32 | BWMLSE300032 | O Ring Ø16×2.5 | 1 |
| 33 | BWMLSE300033 | Cylinder Head Connector | 1 |
| 34 | BWMLSE300034 | Manual Canister | 1 |
| 35 | BWMLSE300035 | Hex Bolt M6x20 | 9 |
| 36 | BWMLSE300036 | Flat Washer Ø6 | 9 |
| 37 | BWMLSE300037 | Nylon Lock Nut M6 | 3 |
| 38 | BWMLSE300038 | R Pin | 1 |
| 39 | BWMLSE300039 | Nylon Lock Nut M10 | 12 |
| 40 | BWMLSE300040 | Flat Washer Ø10 | 12 |
| 41 | BWMLSE300041 | Hex Bolt M10x50 | 2 |
| 42 | BWMLSE300042 | Square Tube (Left) | 1 |
| 43 | BWMLSE300043 | Table Stand | 2 |
| 44 | BWMLSE300044 | Square Tube (Right) | 1 |
| 45 | BWMLSE300045 | Log Table | 1 |
| 46 | BWMLSE300046 | Screw M8x35 | 4 |
| 47 | BWMLSE300047 | Flat Washer Ø8 | 12 |
| 48 | BWMLSE300048 | Nylon Lock Nut M8 | 12 |
| 49 | BWMLSE300049 | Left Fender | 1 |
| 50 | BWMLSE300050 | Axle Cap | 2 |
| 51 | BWMLSE300051 | Cotter Pin Ø4×36 | 2 |
| 52 | BWMLSE300052 | Hex Slotted Nut M20 | 2 |
| 53 | BWMLSE300053 | Flat Washer Ø20 | 2 |
| 54 | BWMLSE300054 | Wheel | 2 |
| 55 | BWMLSE300055 | Safety Pin | 1 |
| 56 | BWMLSE300056 | Cotter Pin Ø3×30 | 2 |
| 57 | BWMLSE300057 | Spring | 1 |
| 58 | BWMLSE300058 | Tow Bar | 1 |
| 59 | BWMLSE300059 | Coupling | 1 |
| 60 | BWMLSE300060 | Hex Bolt M12x100 | 4 |
| 61 | BWMLSE300061 | Nylon Lock Nut M12 | 5 |
| 62 | BWMLSE300062 | Hex Bolt M12x110 | 1 |
| 63 | BWMLSE300063 | Chain with Hook | 2 |
| 64 | BWMLSE300064 | Thick Flat Washer Ø12 | 2 |
| 65 | BWMLSE300065 | Circlips for Shaft Ø62 | 1 |
| 66 | BWMLSE300066 | Front Support Leg | 1 |
| 67 | BWMLSE300067 | Hex Bolt M10x25 | 4 |
| 68 | BWMLSE300068 | 6” Jockey Wheel | 1 |
| 69 | BWMLSE300069 | Aluminum Base | 1 |
| 70 | BWMLSE300070 | Filter | 1 |
| 71 | BWMLSE300071 | Oil Pipe | 1 |
| 72 | BWMLSE300072 | Clamp | 2 |
| 73 | BWMLSE300073 | Lock Washer Ø6 | 6 |
| 74 | BWMLSE300074 | Filter Mounting Plate | 1 |
| 75 | BWMLSE300075 | Rubber Washer | 1 |
| 76 | BWMLSE300076 | Oil Filter | 1 |
| 77 | BWMLSE300077 | Safety Pin | 1 |
| 78 | BWMLSE300078 | Spring | 1 |
| 79 | BWMLSE300079 | Oil Bolt | 1 |
| 80 | BWMLSE300080 | Oil Tank | 1 |
| 81 | BWMLSE300081 | Oil Plug | 1 |
| 82 | BWMLSE300082 | Hex Bolt M10x30 | 6 |
| 83 | BWMLSE300083 | Rubber 2 | 6 |
| 84 | BWMLSE300084 | Lock Washer Ø10 | 6 |
| 85 | BWMLSE300085 | Right Fender | 1 |
| 86 | BWMLSE300086 | Hex Bolt M8x65 | 4 |
| 87 | BWMLSE300087 | Polyurethane Block | 4 |
| 88 | BWMLSE300088 | Large Flat Washer Ø10 | 4 |
| 89 | BWMLSE300089 | Lock Washer Ø8 | 12 |
| 90 | BWMLSE300090 | Engine | 1 |
| 91 | BWMLSE300091 | Hex Bolt M5x10 | 4 |
| 92 | BWMLSE300092 | Coupling Guard | 1 |
| 93 | BWMLSE300093 | Gear Pump Stand | 1 |
| 94 | BWMLSE300094 | Hex Bolt M8x25 | 4 |
| 95 | BWMLSE300095 | Engine Bushing | 1 |
| 96 | BWMLSE300096 | 5×25 Flat Key | 1 |
| 97 | BWMLSE300097 | Engine Coupling | 1 |
| 98 | BWMLSE300098 | Gear Pump Coupling | 1 |
| 99 | BWMLSE300099 | Flat Key | 1 |
| 100 | BWMLSE300100 | Screw M6x10 | 1 |
| 101 | BWMLSE300101 | Steel Wire Snap Ring for Shaft | 1 |
| 102 | BWMLSE300102 | Gear Pump13/1.8 | 1 |
| 103 | BWMLSE300103 | Hex Bolt M8x30 | 4 |
| 104 | BWMLSE300104 | Connector | 1 |
Customer Service:
303 Warrigal Road, Cheltenham, Victoria 3192, Australia
Telephone: 13000 454 585
Website: www.BWMachinery.com.au
Email: [email protected]
Spare parts are available from our dealers and our official website
Version 202301







NOTE: Serious accidents can happen when other people are allowed inside the work zone. Keep everyone else outside the work zone while operating the control lever.



















