
swisherinc.com
OWNER’S
MANUAL
MODEL NO.
STARTING SERIAL #:
L122-244001
LS22E

COMMERCIAL PRO
ELECTRIC
LOG SPLITTER
Safety
Assembly
Operation
Service and Adjustment
Repair Parts
LS22E Commercial Pro Electric Log Splitter
IMPORTANT
Read and follow all Safety Precautions and Instructions before operating this equipment.
REV 22-244
SWISHER ACQUISITION INC.
1602 CORPORATE DRIVE, WARRENSBURG, MISSOURI 64093
PHONE 800-222-8183 FAX 660-747-8650
EMAIL [email protected]
Made In The
USA
of US and Global Parts
Manufacturing quality lawn care equipment since 1945
20034
LIMITED WARRANTY
The manufacturer’s warranty to the original consumer purchaser is: This product is free from defects in materials and workmanship for the period’s shown below beginning from the date of purchase by the original consumer purchaser. We will repair or replace, at our discretion, parts found to be defective due to materials or workmanship. This warranty is subject to the following limitations and exclusions:
| Hydraulic System | 1 Year |
| Materials and Workmanship | 3 Years |
| Limitation | This warranty applies only to products which have been properly assembled, adjusted, and operated in accordance with the instructions contained within this manual. This warranty does not apply to any product of Swisher that has been subject to alteration, misuse, abuse, improper assembly or installation, shipping damage or to normal wear of product. |
| Exclusions | Excluded from this warranty are normal wear items, normal or routine adjustments, and normal or routine maintenance. |
In the event you have a claim under this warranty, you must return the product to an authorized service dealer. All transportation charges, damage, or loss incurred during transportation of parts submitted for replacement or repair under this warranty shall be borne by the purchaser. Should you have any questions concerning this warranty, please contact us toll-free at 1-800-222-8183. The model number, serial number, date of purchase, and the name of the authorized Swisher dealer from whom you purchased the splitter will be needed before any warranty claim can be processed.
THIS WARRANTY DOES NOT APPLY TO ANY INCIDENTAL OR CONSEQUENTIAL DAMAGES AND ANY IMPLIED WARRANTIES ARE LIMITED TO THE SAME TIME PERIODS STATED HEREIN FOR ALL EXPRESSED WARRANTIES. Some states do not allow the limitation of consequential damages or limitations on how long an implied warranty may last, so the above limitations or exclusions may not apply to you. This warranty gives you specific legal rights and you may have other rights, which vary from state-to-state. This is a limited warranty as defined by the Magnuson-Moss Act of 1975.
SAFETY PRECAUTIONS
This Safety Alert Symbol indicates important messages in this manual.
When you see this symbol, carefully read the message that follows and be alert to the possibility of personal injury.
Read this manual completely. This machine can amputate hands, feet, and throw objects.
Failure to observe the following safety instructions could result in serious injury or death.
WARNING: This unit is powered by ELECTRICTY, USE CAUTION AT ALL TIMES.
- Use this Log Splitter only as described in this manual. Failure to follow manufactures instructions could lead to fire, electric shock, injury to persons, or equipment damage not covered under warranty.
- Do not use extension cords. The use of extension cords may cause damage to electric motor or fire.
- NEVER open the switch box or motor cover. Never attempt any electrical repairs yourself. If in doubt, consult a qualified electrician or customer service at 1-800-222-8183.
- NEVER operate the log splitter in wet conditions.
- NEVER operate the log splitter 1f there 1s an electrical hazard present.
- ALWAYS firmly grasp the power cord plug when plugging or unplugging the cord from the power source not the cord itself.
- NEVER operate the log splitter unless the power supply 1s properly grounded, supplies 100-120V power, 1s protected with a minimum 20 AMP circuit breaker, and GFCI protection is present.
- NEVER pull on the cord to move the log splitter.
- NEVER operate the log splitter with a damaged power cord.
- ALWAYS replace damaged power cord immediately.
- ALWAYS keep the power cord away from excessive heat, oil, WATER, and sharp objects.
- NEVER operate log splitter m wet or rainy conditions and DO NOT allow the unit to be exposed to water m any way.
DANGER: Your log splitter was built to be operated according to the rules for safe operation in this manual.
As with any type of power equipment, carelessness or error on the part of the operator can result 1n serious injury. If you violate any of these rules, you may cause serious injury to yourself or others.
- Read and understand the manual. Learn to operate this equipment in a safe manner. Familiarize yourself with all of the controls in a safe environment before starting to work with this machine.
- DONOT under any circumstances alter this log splitter. This equipment was designed and engineered in accordance with operating instructions. Altering this equipment, or using this equipment in such a way as to circumvent its design capabilities and capacities, could result in serious injury or fatality and WILL VOID THE WARRANTY.
- Allow ONLY responsible adults who have read this manual to operate this machine. NEVER allow children to operate this machine.
- NEVER operate your splitter on wet, muddy, or icy surfaces. KEEP work area clean of split wood. Safe footing 1s essential i preventing accidents.
- ONLY operate splitter on level ground with wheels blocked, not on the side of a hill. It could tip, or rolling logs, poor footing, etc. could cause an accident.
- NEVER operate your splitter near a flame or spark. Hydraulic o11 1s flammable.
- NEVER leave your splitter unattended with the engine running. Shut off the engine 1f you are leaving your splitter, even for a short period of time. Someone could accidentally activate the ram and be injured.
- NEVER operate or allow someone to operate this equipment while under the influence of alcohol, drugs or medication. Being coherent is essential for safety.
- NEVER use splitter for any other purpose than splitting wood. Any other use can result in injury. Your splitter is a precision piece of power equipment, not a toy. Therefore, exercise extreme caution at all times.
- ONLY a single operator is to load and operate the log splitter. KEEP all others, including pets and children, a minimum of 20 feet away from your work area. More accidents occur when more than one person operates the log splitter than any other time.
- ALWAYS wear protective gear such as safety goggles, protective hearing device, steel-toed shoes, and tight-fitting gloves without drawstrings or loose cuffs.
- NEVER wear loose clothing or jewelry that can be caught by moving parts of the splitter and pull you into it. Keep hair away from moving parts.
- ONLY use your hands to operate the control lever. NEVER use foot, knee, rope or any extension device.
- Split ONLY one log at a time. NEVER attempt to split two logs on top of each other.
- NEVER place hands or feet between log and splitting wedge or between log and ram during forward or reverse stroke. ALWAYS keep fingers clear of splits that open in log during splitting operation.
- DO NOT straddle or reach across the splitting area while operating the splitter.
- DO NOT step over splitter. You may trip or accidentally activate the splitting wedge. Walk around to get to the other side.
- NEVER attempt to load splitter while splitting wedge is in motion. When loading log splitter, place hands on the sides of the log, not the ends.
- NEVER attempt to split wood across the grain. Wood may burst or fly out of your splitter and result in serious injury.
- Both ends of the log should be cut as squarely as possible to prevent the log from sliding out of the splitter during operation. Log length should be kept to 25 1/2” or less.
- NEVER operate your splitter while it is attached to the tow vehicle.
- BEFORE towing, be certain that the splitter is securely attached to the towing vehicle and that the support leg, beam, cylinder and power cord are secured in there respective towing positions.
- NEVER allow persons to ride on splitter. DO NOT carry any cargo or wood on your splitter. It may fall off and cause an accident.
- DO NOT loosen or remove any hydraulic fitting, line or reservoir cap while your splitter or engine is running.
- Fluid escaping from a very small hole can almost be invisible. DO NOT check for leaks with your hand. See maintenance section for instructions. IF injured by escaping fluid, see a doctor at once. Serious infection or reaction can develop if proper medical treatment is not administered immediately.
- DO NOT operate your splitter in poor mechanical condition or when it is need of repair.
- ALWAYS disconnect the power cord to prevent accidental starting the motor when setting up, adjusting or repairing.
TOWING SAFETY
- Be sure support leg is in the travel position and coupling secure. This must also be retracted so it does not interfere while towing. Retract support leg by removing pin, pivoting up, and replacing pin.
- Never exceed 45 MPH while towing your splitter. Be extra cautious when traveling over rough terrain, especially over railroad tracks.
- Always be careful while backing your splitter. You could jackknife your log splitter if not careful.
- Before using splitter, disconnect it from tow vehicle.
- See tire and wheel specifications for PSI while towing.
- Be aware of the extra length of splitter while turning, parking, crossing intersections, and in all driving situations.

OPERATION INSTRUCTIONS POSI-LOCK COUPLER
ADJUST COUPLER LOCKING PRESSURE ON BALL BEFORE USE. PLACE HANDLE IN LOCKED POSITION WITH BALL IN COUPLER. TIGHTEN LOCKNUT AGAINST TENSION SPRING SO THAT COUPLER IS NOT LOOSE ON BALL. CORRECT ADJUSTMENT WILL ALLOW HANDLE TO BE RELEASED WITH MODERATE PRESSURE APPLIED TO HANDLE.
TO OPEN, PULL UP ON COUPLER HANDLE AND ROTATE FORWARD. PLACE COUPLER ON BALL WHEN BALL IS COMPLETELY NESTED IN BALL SOCKET, ROTATE COUPLER HANDLE BACKWARD UNTIL HANDLE IS IN LOCKED POSITION.
AFTER TOWING FOR 50 MILES, CHECK COUPLER FOR TIGHTNESS ON BALL. ALWAYS CHECK TIGHTNESS BEFORE TOWING. BE SURE COUPLER HANDLE IS IN LOCKED POSITION.
WARNING:
NEVER EXCEED WEIGHT CAPACITY AND ALWAYS USE SAFETY CHAINS. ALWAYS USE CORRECT BALL SIZE, MAKING SURE BALL IS COMPLETELY INSERTED INTO COUPLER. LOCK COUPLER HANDLE SECURELY BEFORE TOWING. ALWAYS CHECK FOR DAMAGES AND REPLACE IF DAMAGED. AVOID SHARP TURNS AND STEEP VERTICAL ANGLES WHEN TOWING.
When using the Log Splitter in the vertical position, make sure the beam latch is engaged as shown on page 6.
Pull the bent pin outward then twist and release it to hold the I-beam in place.

ASSEMBLY
This log splitter has been mostly assembled at the factory. Refer to uncrating and assembly instructions to complete the final assembly step. Refer to the drawings and part lists should it become necessary to disassemble the unit for repair or replacement of parts.
Inspect all components for damage. If you believe you have a damaged part please contact customer service immediately at 1-800-222-8183.
OPERATION
INTENDED USE: This log splitter is intended and designed to only split wood. NEVER use for any other purposes. Doing so can cause injury or VOID THE WARRANTY.
WARNING: DO NOT START OR RUN THE LOG SPLITTER WITHOUT OIL IN THE HYDRAULIC RESERVOIR.
FILLING THE HYDRAULIC RESERVOIR
Fill the hydraulic reservoir to the top mark on the dipstick with Dexron® III / Mercon® automatic transmission fluid, 10W AW hydraulic fluid or Pro-Mix™ AW-32 Hydraulic oil. After the hydraulic reservoir is filled correctly with oil, turn the motor on at the power switch. The hydraulic pump should prime itself. While running, move the hydraulic valve lever toward the wedge. This will cause the cylinder to extend and expel air. When the cylinder is fully extended, retract it. Repeat this procedure several times. (An erratic movement of the cylinder and wedge indicates that there is air in the system). Once the cylinder has a smooth and constant speed indicating that all air has been expelled, shut the system off and refill the reservoir until the fluid is even with or just above the top mark on the dipstick.
START UP
WARNING: DO NOT TURN ON THE LOG SPLITTER WITHOUT OIL IN THE HYDRAULIC RESERVOIR OR THE PUMP WILL BE DAMAGED.
STARTING INSTRUCTIONS
- Check to make sure the hydraulic reservoir is filled to the top mark on the dipstick.
- Inspect the ground or surface that you will be working on and make sure it is level and free of obstruction or slippery areas.
- Plug in the power cord to a properly grounded 110-120V power source that is protected by a dedicated 20 amp circuit breaker. When plugging in the power cord ensure that the cord is free of obstruction and is not going to be in a position where a log could fall on it or become submerged in water.
- Turn on the motor by pushing the START button located on the control panel of motor. Cycle the cylinder several times to ensure the unit is working properly before starting splitting. There should be no erratic behavior by the cylinder after the third full stroke. There should be no noticeable leaks or excessive vibration or noise coming from pump/motor area.
OPERATION
SPLITTER OPERATION
- Set up the log splitter in a clear, level area and block the wheels.
- Place a log on the beam, against the foot plate. Make sure the log is securely on the foot plate and up against the beam.
- Depress the valve lever so that the cylinder will drive the wedge into the log. Extend the cylinder until the log splits or to the end of its stroke. If the log has not completely split after the cylinder has reached the end of its extension, retract the cylinder. NOTE: Leaving the valve in the “actuate” position at the end of the stroke may damage the pump. Always use extra care when splitting logs with ends that are not square.
- NOTE: To extend the life of the hydraulic cylinder, avoid “BOTTOMING OUT” the cylinder.
TOWING SAFETY
- This unit should not be towed on any street, highway, or public road without checking the existing federal, local, and state laws. Any licensing or modifications such as taillights, etc., need to comply with existing federal, local, or state vehicle requirements is the sole responsibility of the purchaser. Obey all regulations when towing on public roads and highways. See also SAFETY PRECAUTIONS.
- Secure Power Cord to unit before towing the unit, to ensure that is does not become tangled or dragged behind the vehicle.
- Be careful when backing up. You can easily jackknife your splitter.
TOWING AT NIGHT
• The requirements for taillights are based on States regulations. The customer is responsible for meeting the requirements in their area.
HYDRAULIC SAFETY
- The hydraulic system on your splitter requires careful inspection along with the mechanical parts. Be sure to replace any frayed, kinked, cracked or otherwise damaged hydraulic components. Just because it isn’t leaking today doesn’t mean that it will not fail tomorrow.
- Fluid escaping from a very small hole can almost be invisible. Do not check for leaks with your hand. Escaping fluid under pressure can have sufficient force to penetrate skin causing serious personal injury or even death. Leaks can be detected by passing a piece of cardboard or wood over the suspected leak and looking for discoloration.
- IF injured by escaping fluid, see a doctor at once. Serious infection or reaction can develop if proper medical treatment is not administered immediately.
- Should it become necessary to loosen or remove any hydraulic fittings, lines or reservoir cap, be sure to relieve all pressure by shutting off the motor and moving the control handle back and forth several times.
- NEVER remove the cap from the hydraulic tank or reservoir while the unit is running. Hot oil could result in serious injury. See also SAFETY PRECAUTIONS.
- The pressure relief valve on your splitter valve is preset at the factory. DO NOT adjust the valve. Only a qualified technician should perform this adjustment.
220V Single Phase Power Option
This unit is equipped with a dual voltage motor that is capable of being powered by 220V single phase as well as 110V single phase. To change the unit to 220V single phase you will need to have a certified/qualified electrician install a proper 220V single phase plug and cord to the log splitter.
NEVER modify or alter the wiring on the log splitter yourself. ONLY certified/qualified electricians should do so.
MAINTENANCE & STORAGE
- Always check the oil level of the hydraulic reservoir before operation. Operating without an adequate oil supply will cause severe damage to the pump. Change the hydraulic fluid in the reservoir after every 100 hours of operation.
- Periodically check that all nuts, bolts, screws, clamps and fittings are tight and secure.
- To keep your splitter in top working condition perform all recommended maintenance procedures before you use your splitter.
- Be aware of the environment when disposing of used petroleum products. Please dispose of used hydraulic fluid, and any byproducts from the maintenance of your splitter at approved recycling centers.
- Should it become necessary to disassemble the unit for repair or replacement of parts, refer to the drawings and parts list on the following pages. Exercise extreme caution, as some parts are very heavy and will require sufficient persons or mechanical handling equipment.
- Your Swisher Log Splitter has been produced with components designed specifically to this machine. Although standard springs, hardware, etc. may look similar to parts used on other machinery, they may in some cases be made of a different construction and/or materials. All replacement parts must meet manufacturer’s specifications.
The operation of any splitter can produce foreign objects to be thrown into the eyes, resulting in severe eye damage. Always wear certified safety glasses or wide-vision safety goggles over spectacles before staring any splitting machine and while operating such a machine.
The operation of any splitter produces sound waves that are damaging to the human ear. Ear protection is recommended.
![]()
SAFETY DECALS
Replace decals immediately if damaged.
| 20067 – DECAL – ELECTRICAL HAZARD< DISCONNECT | 12532 – DECAL – ADD HYDRAULIC OIL |
| 20066 – DECAL – ELECTRICAL HAZARD | 12549 – DO NOT EXCEED 45 MPH DECAL |

12492 – OPERATOR INSTRUCTION DECAL

11427 – DANGER DECAL
PARTS BREAKDOWN

ASSEMBLY DETAIL
| ITEM # | QTY. | PART # | DESCRIPTION |
| 1 | 1 | 18824* | Weldment – LS Frame |
| 2 | 2 | 2203S | Seal – Wheel Hub Bearing |
| 3 | 2 | 7296K | Tire/Wheel, Log Splitter; Blk |
| 4 | 2 | 2203DC | Cover – Dust, Wheel Hub |
| 5 | 4 | 2203B | Bearing – Wheel Hub |
| 6 | 2 | 2203CN | Nut – Castle 3/4-16..625 Talk Grade 2 |
| 7 | 2 | NB633 | Pin – Cotter, 1/8 X 2(Ext Prnq Crbn St’) |
| 8 | 2 | NB179 | Washer – 3/4 ID X 1 1/4 OD 18 GA ZY |
| 9 | 2 | NB162 | Bolt – I-ITC 1/4-20 X 1 1/2 GR5 ZY |
| 10 | 4 | NB274 | Washer – SAE Flat 1/4 ZY |
| 11 | 1 | 23189* | Tank – 2.5 Gallons, Steel |
| 12 | 2 | NB690 | Bolt – Serr Flange, 1/4-20 X 3/4 GR5 ZY |
| 13 | 1 | 12379 | Breather Cap W/Dipstick |
| 14 | 1 | 14927 | Fitting – 90 Deg 3/4″NPT to 1″Hose Bead |
| 15 | 2 | LS4999 | Clamp – Hose No. 16 (3/4 – 1 1/2) |
| 16 | 2 | NB180 | Nut – Nyloc 1/4-20 |
| 17 | 2 | 26X249 | Screw – .312-18 X .75 Black Zinc |
| 18 | 1 | 18443* | Guard – Pump & Motor Coupler |
| 19 | 1 | N/A | SEE PUMP DETAIL (PAGE 11) |
| 20 | 1 | N/A | SEE MOTOR DETAIL (PAGE 12) |
| 21 | 1 | N/A | SEE BEAM DETAIL (PAGE 13) |
| 22 | 1 | N/A | SEE TONGUE DETAIL (PAGE 14) |
| 23 | 1 | 7289 | Hose – Hydraulic, 50″ |
| 24 | 1 | 18422 | Hose – Suction 1″ X 18.5″ |
| 25 | 1 | 18421 | Hose – Return. 3/4″ X 47″ |
| 26 | 2 | LS5001 | Clamp – Hose No. 12 (11/16″ X 1 1/2″) |
| 27 | 1 | 7329 | Fitting – Line Return |
| NOT SHOWN | 1 | N/A | SEE BEAM LATCH DETAIL (PAGE 11) |
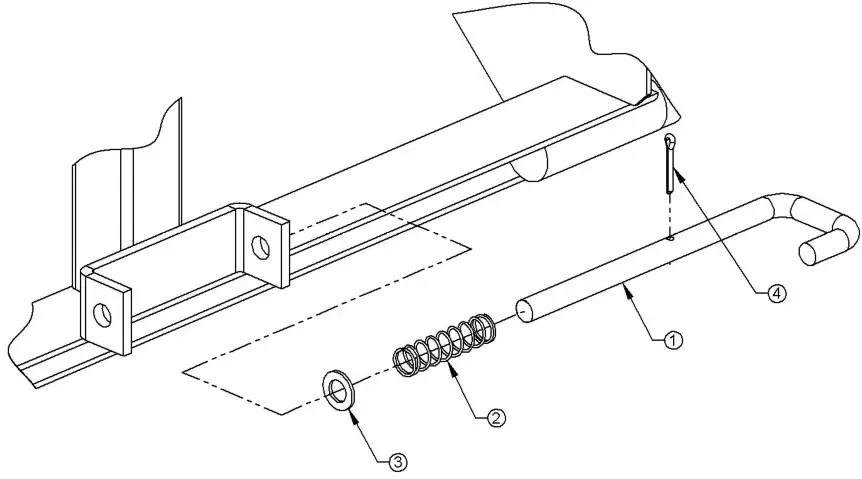
BEAM LATCH DETAIL
| ITEM # | QTY. | PART # | DESCRIPTION |
| 1 | 1 | 18821 | Pin – Beam Latch |
| 2 | 1 | 18822 | Spring – Compression, 1/2 ID x 2-1/2 |
| 3 | 1 | 18823 | Washer – Flat, 1/2″ID-12GA |
| 4 | 1 | NB126 | Pin – Cotter, 1/8 X 1 |


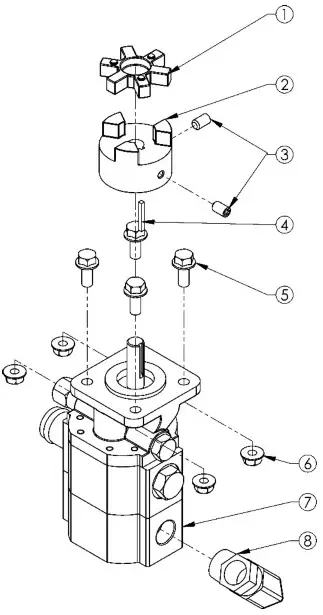
PUMP DETAIL
| ITEM # | QTY. | PART # | DESCRIPTION |
| 1 | 1 | 14904 | Jaw Coupling Insert |
| 2 | 1 | 14902 | Jaw Coupling – 1/2″ Shaft |
| 3 | 2 | 712127 | Screw – Set 1/4-20 X 1/2 |
| 4 | 1 | 18027 | Key Stock – .125 X .125 X 1.00 |
| 5 | 4 | NB596 | Bolt – Serr Flange, 5/16-18 X 3/4 |
| 6 | 4 | NB170 | Nut – Serr Flange 5/16-18 |
| 7 | 1 | 20024 | Pump – Hydraulic 2St 10GPM 8.8/1.6 |
| 8 | 1 | 11557 | Elbow – 90deg Male Pipe Swivel |
MOTOR DETAIL
| ITEM # | QTY. | PART # | DESCRIPTION |
| 1 | 2 | 712127 | Screw – Set 114-20 X 1/2 |
| 2 | 1 | 9030 | Key Stock – 3/16 X 1 Under Size Pln Fnsh |
| 3 | 1 | 20010 | Motor – Electric 2HP 110V |
| 4 | 1 | 20011* | Plate – Adapter, Engine Mount |
| 5 | 1 | 20015 | Coupler – .625″ ID |
| 6 | 4 | 26X216 | 5116-18 X3/4 Rolock Hex Whiz w/loctite |
| 7 | 8 | NB170 | Nut – Serr Flange 5/16-18 ZY Case Hrd |
| 9 | 1 | 20012* | Weldment – Engine Cover |
| 10 | 4 | NB596 | Bolt – Serr Flange, 5116-18 X 314 Gr 5 |
| 11 | 4 | 20058 | Bolt – Serr Flange, 3/8-16 X 1/2 GR5 ZY |
| 12 | 4 | NB194 | Washer-Nylon 1/4 |
| 13 | 1 | 20022* | Bracket – Switch Box, Top |
| 14 | 6 | 24206 | Screw – 12 X 1/2 Hex Self Tap |
| 15 | 1 | 20017 | Switch – On/Off 110V 30 AMP |
| 16 | 1 | 20021* | Cover – Switch Box |
| 17 | 1 | 20016 | Breaker – Circuit, 20AMP |
| NOT SHOWN | 1 | 21786 | Assembly – Cord 110V, 12GA , #8 Ring Term. |


BEAM DETAIL
| ITEM # | QTY. | PART # | DESCRIPTION |
| 1 | 1 | 7288* | Line – Assembly, Stationary |
| 2 | 2 | 7291 | Elbow – Hydraulic |
| 3 | 1 | 7293 | Pin – Cylinder to Beam |
| 4 | 2 | NB642 | Cotter – Hairpin .093 X 1-13/16 |
| 5 | 1 | 7329 | Fitting – Line Return |
| 6 | 1 | 7287* | Valve – Control |
| 7 | 1 | 7387 | Fitting – Valve Inlet |
| 8 | 6 | NB643 | Bolt – Carriage 1/2-13 X 2 1/2 |
| 9 | 1 | 14622* | Wedge Weldment |
| 10 | 1 | 7292 | Pipe Nipple |
| 11 | 1 | 7284* | Cylinder – 4 X 24 X 1.75 |
| 12 | 1 | NB121 | Nut – Jam Lock, 1/2-13 2-Way |
| 13 | 10 | NB555 | Washer – USS Flat, 1/2 |
| 14 | 2 | 14619* | Spacer – Wedge |
| 15 | 2 | 14620* | Plate – Bottom Wedge |
| 16 | 6 | NB508 | Washer – Lock, 1/2 |
| 17 | 6 | NB213Z | Nut – 1/2-13 |
| 18 | 1 | NB688 | Nut – Nyloc Jam, 1/2-13 |
| 19 | 1 | 12669 | Bolt – 1/2-13 X 3 1/4 |
| 20 | 1 | H11 | Pin -Safety Hitch 3/8 X 2 1/2 |
| 21 | 1 | 18748 | Grip – Lift Handle |
| 22 | 1 | 14900* | I-Beam Weldment |
| 23 | 1 | NB151 | Bolt – 1/2-13 X 6 |
| NOT SHOWN | 1 | 12578 | Cap – Plastic |


TONGUE DETAIL
| ITEM # | QTY. | PART # | DESCRIPTION |
| 1 | 1 | 18458* | Tongue – Log Splitter |
| 2 | 3 | NB649 | Bolt – 3/8-16 X 3 1/2 GR5 ZY |
| 3 | 12 | NB272 | Washer – SAE Flat 3/8 ZY Carbon Steel |
| 4 | 4 | NB182 | Nut – Nyloc 3/8-16 ZY |
| 5 | 1 | 14924* | Stand – Folding |
| 6 | 1 | NB606 | Pin – Bent, 1/2 X 3 with Hair Pin ZY |
| 7 | 1 | 7365 | Coupler – 2″ Ball |
| 8 | 2 | 7366 | Chain – Safety, W/S Hook Zp |
| 9 | 2 | 7840Z | Guide – Latch Pin Bushing |
| 10 | 1 | NB645 | Bolt – 3/8-16 X 4 HCC GR5 ZY |
VALVE DETAIL
| ITEM # | QTY. | PART # | DESCRIPTION |
| 1 | 1 | 7287* | Valve – Control; Splitter, Painted |
| 2 | 1 | NB522 | Pin – Clevis, 1/4 X 1 |
| 3 | 1 | 7424 | Link – Master |
| 4 | 1 | 7423 | Handle – Valve |
| 5 | 1 | 7425 | Grip – Valve Handle |
| 6 | 1 | 18892 | Pin – Cotter, 3/32 X 1/2 |

When ordering replacement parts
* = USE PAINT CODE: GT=GREY TK=BLACK
TROUBLESHOOTING
| Problem | Cause | Remedy/Action |
| Motor fails totum on. | 1. Power cord is not plugged in. | 1. Insure power cord is plugged in securely to a 110-120V scurce. |
| 2. Circuit breaker on log splitter control box is tripped. | 2.Press reset button located next to oNoff switch. If unit does not reset wait two minutes and repeat. | |
| 3.Power cord is damaged or faulty. | 3. Hate a qualified electrician or service center replace power cord with Swisher factory cord. | |
| 4. Circuit breaker at power source is thrown. | 4. Check circiit breaker, Only use a dedicated curcuit to avid crverloading breaker. | |
| 5. Fatly or mected power switch. | 5. Hate a qualified electrician or service center replace power switch with Swisher factory switch. | |
| 6. Faulty electric motor. | 6. Hate a qualified electrician or service center replace electric motor with Swisher factory cord. | |
| GFCI on power cord is tripped | Reset GFCI. | |
| Cylinder rod will not extend or contract. | 1. Low hydraulic fluid. | 1. Fill hydraulic tank to correct fluid level. |
| _ | 2.Hydraulic lines blocked. 3.Damaged or broken pumg 4.Damaged control valve. | 2.Flush and clean hydmalic system. 3.See authorized service center. 4.See authorized service center. |
| Cylinder rod is slow or erratic while extending and contracting. | 1. Low hydraulic fluid. | 1. Fill hydraulic tank to correct fluid level. |
| 2. Contaminated hydraulic fluid. | 2.Drain fluid, flush system, and refill. | |
| 3.Excessive pump inlet vacuum. | 3. Make certain pump hoses are clear and unblocked. Make certain hose in not collapsing under suction. | |
| 4. Damaged pump. | 4. See authorized service center. | |
| 5.Damaged control vahe. 6.Internal cylinder damage. | 5.See authorized senice center. – 6.See authorized senice center. | |
| Leaking Cylinder | 1. Broken seals. | 1. See authorized senice center. |
SPECIFICATIONS
| MODEL LS22E | |
| Peak Splitting Force | 22 Tons* |
| Motor | 110V 2HP Electric Motor |
| Splitting Positions | Horizontal and Vertical |
| Cylinder Size | 04″ X 24″ |
| Pump | 2 Stage |
| Pump Specs | 10 Gallons Per Minute |
| Valve | Auto Return |
| Drive System | Direct Drive |
| Hydraulic System Fluid Capacity | 11-13 Quarts |
| Maximum Log length | 25 1/2″ |
| Tire Specs | 4.00 X 4.80 X 8 with High Speed Bearings |
*Splitting force rating is consistent with the current industry standard for calculation.

SWISHER HISTORY
Back before electricity came to rural Missouri Max Swisher was producing lawn mowers from his mother’s chicken house. Max never liked to mow grass. He installed a gearbox on his family’s lawn mower creating a self-propelled unit. By tying one end of a rope to the mower and the other end to a tree in the center of the yard the mower circled the tree, shortening the rope and guiding the mower in concentric circles. Max enjoyed relaxing under a shade tree while his invention did all the work.
Max had designed his first self-propelled rotary lawn mower to do his dirty work for him. Neighbors noticed his new invention and began asking him to make more. Today, 60 years later, Swisher is still producing innovative lawn and garden and ATV/UTV equipment designed to give us all more “relaxing in the shade” time.
Swisher products have been featured nationally on television programs such as Regis and Kathie Lee and seen in publications like ATV Magazine, Country Journal, Popular Mechanics Magazine and others. In January 2000 Popular Mechanics Magazine named Max’s zero turning radius riding mower one of the 20 th century’s top household inventions.
Swisher offers value and function in its products to meet your grounds maintenance needs.
CELEBRATING OVER 75 YEARS OF INNOVATION
SINCE 1945
LOG SPLITTER
HOW TO ORDER REPAIR PARTS:
Each Log Splitter has its own serial number. Each engine has its own serial number.
All Log Splitter parts listed herein may be ordered directly from Swisher, your nearest Swisher dealer, or from our website.
All engine parts may be ordered from the nearest dealer of the engine supplied with your log splitter. Parts subject to change without notice.
WHEN ORDERING PARTS, PLEASE HAVE THE FOLLOWING INFORMATION AVAILABLE:
- PRODUCT – SWISHER LOG SPLITTER
- SERIAL NUMBER – _______________
- MODEL NUMBER – _______________
- ENGINE MODEL NUMBER – _______________TYPE – _______________
- PART NUMBER
- PART DESCRIPTION
www.swisherinc.com
TELEPHONE – 1-800-222-8183
FAX – 1-660-747-8650
SWISHER
1602 CORPORATE DRIVE
WARRENSBURG, MO 64093


















