YARDMAX YS0650 15 Amp Electric Log Splitter

Your new YARD MAX® electric log splitter offers quality construction and is easy and safe to operate. With proper use and care, it is designed to give you many years of dependable service. Prepare to experience the durability to take on any job – with the ease, portability, and convenience of clean, electric splitting!
Discover the YARDMAX Advantage
At YARDMAX, we understand that land ownership has its privileges, but it also comes with great responsibility. When duty calls and you need to respond, will you have what it takes to tame the great outdoors?
When looking for outdoor power equipment (OPE) to get the job done right, at the right price, YARDMAX delivers the perfect combination of performance and practicality. YARDMAX has a solution that’s right for you.
- MAX Performance, MAX Value, MAX Support -that’s YARDMAX
- Backed by decades of proven manufacturing expertise
- Enhanced design features come standard
- Engineered for the best user experience
- Quality metal parts are used instead of plastic
- A robust warranty supports all products
- Budget-friendly prices make it practical
Introduction
Carefully read this entire operator’s manual before using your new Log Splitter. Pay attention to all cautions and warnings.
CALIFORNIA PROPOSITION 65 WARNING
Engine exhaust, some of its constituents and certain product components contain or emit chemicals known to the state of California to cause cancer and birth defects or other reproductive harm. For more information, go to www.P65Warnings.ca.gov.
ENVIRONMENTAL
Recycle unwanted materials instead of disposing of them as waste. All tools, hoses, and packaging should be resorted, taken to the local recycling center, and disposed of in an environmentally safe way.
MODEL AND SERIAL NUMBERS
Record the model, serial number, date, and place of purchase for future reference. Have this information available when ordering parts or optional accessories and when making technical or warranty 1nqu1ries.
DISCLAIMER
YARDMAX reserves the right to discontinue, change, and improve its products at any time without notice or obligation to the purchaser. The descriptions and specifications contained in this manual were in effect at printing. Equipment described within this manual may be optional. Some illustrations may not be applicable to your unit.
SUPPORT
Have questions about your YARD MAX equipment? Call us at 847-327-0566 or 844-YARDMAX, email us at s[email protected], or contact us via your favorite social media site.
SPECIFICATIONS 
SYMBOLS
The rating plate on your machine may show symbols. These represent important information about the product or instructions on its use.
![]()
- Read these instructions carefully before operating the splitter.
- Wear eye protection.
- Wear hearing protection.
- Wear protective gloves.
- Wear safety footwear.
- Do not remove or tamper with the protection and safety devices.
- Properly dispose of waste oil!
![]()
- Keephandsandfingersawayfromall pinch points.
- Never remove partially split wood from the wedge with your hands. Fingers may become trapped between the split wood.
- Warning! Stay clear of moving parts!
- Disconnect the main plug prior to the repair, cleaning, and maintenance of the splitter!
- Keep children and bystanders off and away.
SAFETY
KNOW YOUR LOG SPLITTER
Read this manual and all labels to understand your YARD MAX log splitter and its limitations and potential hazards.
DRUGS, ALCOHOL, AND MEDICATION
Do not operate your log splitter while under the influence of drugs, alcohol, or any medication that could affect your ability to use it properly.
AVOID DANGEROUS CONDITIONS
Secure your log splitter on level ground. Keep your work area clean and well lighted. Cluttered areas may cause injuries. Do not use your log splitter in wet or damp areas or expose it to rain. Do not use it in areas where fumes from paint, solvents, or flammable liquids pose a potential hazard.
INSPECT YOUR LOG SPLITTER
Inspect your log splitter before turning it on. Keep guards in place and in working order. Regularly check to see that keys and adjusting wrenches are removed from the tool area before turning it on. Replace damaged, missing, or failed parts before using it.
DRESS PROPERLY
Do not wear loose clothing, gloves, or jewelry (rings, watches) that can be caught in moving parts. Wear protective nonconductive gloves and nonskid footwear. Pull long hair back or wear a hat to prevent hair from getting caught in the machine.
PROTECT YOUR EYES
Always wear safety glasses. Log splitters can throw foreign objects into the eyes, causing permanent eye damage. Everyday glasses do not have impact-resistant lenses and should not replace safety glasses. Z87 rated glasses are recommended.
PROTECT YOUR BODY
Always stand behind the log splitter and be alert. Logs can become a projectile under force of the ram in any direction.
KEEP VISITORS AND CHILDREN AWAY
Only one person at a time should operate the log splitter. Bystanders should keep a safe distance from the work area, standing behind the operator. Never have another person help you free a jammed log.
EXTENSION CORDS
Improper use of extension cords can result in overheating. Your extension cord should be no longer than 30 feet and a minimum of 12 gauge with a 3-prong grounded plug.
AVOID ELECTRICAL SHOCK
Never open the pushbutton box on the motor. For any service please contact YARDMAX or an authorized service center. Make sure your fingers do not touch the plug’s metal prongs when plugging or unplugging the log splitter.
WARNING! Stay of clear of all moving parts!
INSPECT YOUR LOG
Make sure there are no nails or foreign objects in logs to be split. The ends of the logs must be cut square. Branches must be cut off flush with the trunk. Knots can make a log split differently and could cause the log to become a projectile.
DON’T OVERREACH
Do not operate your log splitter on a slippery surface. Never stand on the log splitter.
AVOID INJURY FROM ACCIDENTS
Always pay attention to the movement of the log ram. Do not load the log until the log ram has stopped.
PROTECT YOUR HANDS
Keep your hands out of the way of all moving parts. Keep your hands away from splits and cracks that open in the log; they may close suddenly and crush or cut off your hands. Do not remove jammed logs with your hands.
DO NOT FORCE TOOL
Your log splitter will do a better and safer job at its design rate. Never try to split logs larger than those indicated in the specifications table. This could be dangerous and may damage the machine. Do not use your log splitter for anything other than splitting logs.
NEVER LEAVE TOOL UNATTENDED
Do not leave your log splitter until it has come to a complete stop.
DISCONNECT POWER
Unplug your log splitter when not in use and before making adjustments, changing parts, cleaning, or servicing. Consult the technical manual before servicing.
PROTECT THE ENVIRONMENT
Take used oil to an authorized collection point. Do not pour into drains, soil, or water.
MAINTAIN YOUR LOG SPLITTER WITH CARE
Keep your log splitter and its parts clean.
CHILDPROOF YOUR WORKSHOP
Store your log splitter away from children and others not qualified to use it.
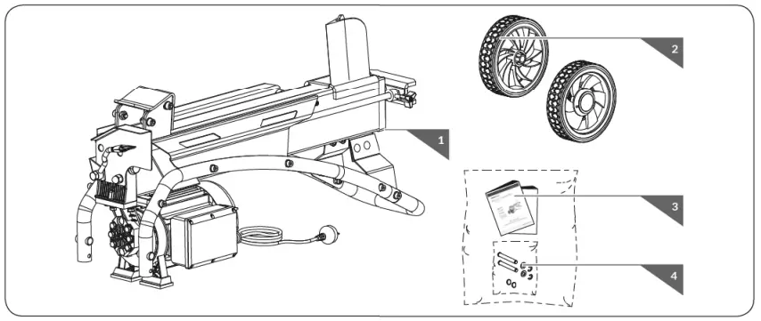
CONTENTS SUPPLIED
Your YARDMAX log splitter comes partially assembled and contains the following: 
- Log Splitter Frame
- Wheel (1 Pair)
- Operator’s Manual
- Hardware Bag

ASSEMBLY
Insert each wheel axle through each wheel, then insert into the holes at the base of the rear legs. Use the pliers to attach the C-clips over the end of each wheel axle.
(See Figure 1)

KNOW YOUR MACHINE
FEATURES AND CONTROLS
BLEED SCREW
- Before operating your log splitter, the bleed screw should be loosened until air can go in and out of the oil tank smoothly.
- Air flow through the bleed screw hole should be detectable when the log splitter is in use.
- Before moving the log splitter, make sure the bleed screw is tightened to avoid oil leakage.
- Failure to loosen the bleed screw will keep the sealed air in the hydraulic system compressed. Continuous air compression and decompression will blow out the seals of the hydraulic system and cause permanent damage to the log splitter.
MAX PRESSURE LIMITING SCREW
- Max pressure was preset at the factory by a qualified mechanic using professional tools.
- Unauthorized resetting will prevent the hydraulic pump from providing enough splitting pressure or RESULT IN SERIOUS INJURY AS WELL AS DAMAGE TO THE MACHINE.
- Do not adjust the max pressure limiting screw!
OPERATION
OPERATING CONDITIONS
Your YARDMAX log splitter is designed to operate in temperatures between 40° F and 100° F and at altitudes of 3,200 feet above sea level. The surrounding humidity should be less than 50% at 100°F. It can be stored or transported in temperatures between -10°F and 130°F.
ELECTRICAL REQUIREMENTS
Confirm that you have a US Standard, 3 pin grounded, Type B 15 AMP (NEMA 5-15). Check that the electric circuit is grounded, adequately protected, and that it corresponds with the power, voltage, and frequency of the motor.
STAKE ON LEVEL GROUND
To secure your YARDMAX log splitter, use two bolts or stakes on level ground. Due to varying ground surfaces, these are not included. Choose the right type of bolt or stake for your surface type or call us for a recommendation.
TWO HANDS OPERATION
For your safety, your log splitter is equipped with a “ZHB” control system that requires both hands of the operator. The left hand controls the hydraulic control lever while the right-hand controls the pushbutton switch. The log splitter will stop if the lever or pushbutton are released. Only after the lever and pushbutton are released will the log ram return to its starting position.
If the log does not begin to split after 5 seconds of operation, release both controls. The motor or hydraulic fluid may overheat and damage your log splitter.
SPLIT HARDWOOD
For extremely hard wood, rotate your log 90° to see whether it can be split in a different direction. If the log cannot be split, then its hardness exceeds the machine’s capacity.
LOAD A LOG
When loading a log, place your hands on the sides of the log, not the ends. Make sure logs will not twist, rock, or slip while being split.
Do not split logs on the upper part of the blade. This could break the blade or damage the machine.
ADJUSTING THE RETURN STOP
If you are splitting a pile of shorter logs, you may want to prevent the pusher plate from returning all the way back to the start, this will speed up future operations.
To adjust how far the pusher plate comes back:
- Extend the ram fully. When the ram is at full extension, release the push button switch.
- Do not put any logs on the log splitter at this stage.
- Keep the control lever pressed down the prevent the ram from returning.
- Loosen the handwheel on the return stop.
- Move the stop towards the splitter to shorten the stroke.
- Slide the stop to the desired position.
- Tighten the handwheel on the return stop to lock it into position.
- Make sure your hands are clear of the ram and release the control lever.
- The ram should return as far as the stop will allow.

- The ram should return as far as the stop will allow.
FREEING A JAMMED LOG
- Release both controls.
- After the log ram moves back to its starting position and completely stops, insert a wood wedge under the jammed log.

- Start the log splitter to push the wood wedge completely under the jammed log.

- Repeat the above procedure with a sharper-sloped wood wedge until the log is completely freed.

- Never try to knock a jammed log off the splitter with your hand or another object. This could damage the tool or cause the log to fly up and hit someone.
REPLACING HYDRAULIC OIL
- Disassemble the log tray table before replacing
- Replace the hydraulic oil in your YARDMAX log splitter after every 150 hours of use. Follow these steps to replace it:
- Make sure all moving parts stop and the log splitter is unplugged.
- Unscrew the oil drain bolt with a dipstick to remove it.

- Tip the log splitter so the motor end is higher than the oil drain plug, and drain oil over a 1- gallon container.

- Tip the log splittersotheoil drain plug is higher than the motor and refill with 3.7 quarts of fresh hydraulic oil.

- Clean the surface of the dipstick and put it back in the oil tank while keeping the log splitter vertical.
- Make sure the level of the refilled oil is between the two grooves on the dipstick.

- Clean the oil drain bolt with a dipstick before screwing it back in. Tighten it to avoid leakage before setting the log splitter down.
- Periodically check the oil level to ensure it is between the two grooves on the dipstick. Refill with oil if it becomes low.

- The following hydraulic oils or equivalents are recommended for your log splitter’s hydraulic transmission system:
- 10WAW32
- ASLE H-150
- 15032
Over time your YARDMAX log splitter wedge will dull. If you notice decreased performance, we recommend sharpening the wedge using a fine-toothed file, smoothing any burrs or crushed areas along the cutting edge. For questions about sharpening the wedge, call us at 844-YARDMAX.
TROUBLESHOOTING 
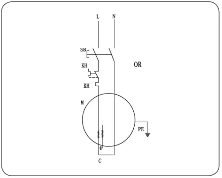
WIRING DIAGRAM
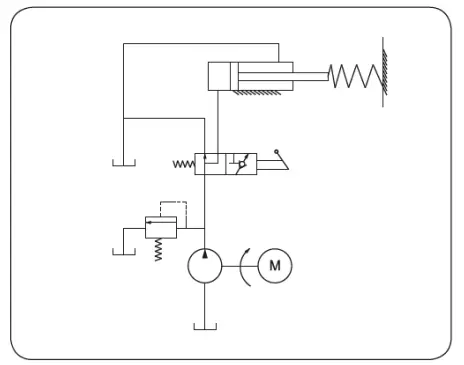
PLUMBING DIAGRAM
Troubleshooting & Wiring diagram & Plumbing diagram
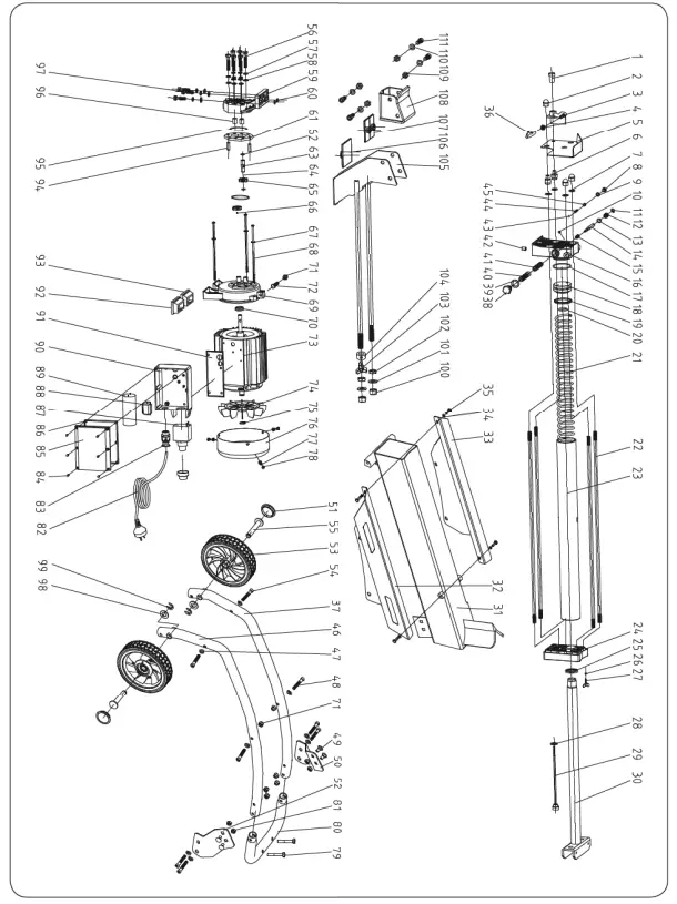
PARTS DIAGRAM 
PARTS LIST
| No. | Description | QTY. | No. | Description | QTY. | |
| 1 | Lever Mount Nut | 1 | 31 | Frame Tube | 1 | |
| 2 | Cap Nut M10 | 3 | 32 | Lead Plank 1 – Right | 1 | |
| 3 | Lever | 1 | 33 | Lead Plank 2 – Left | 1 | |
| 4 | Nut MB | 1 | 34 | Washer6 | 4 | |
| 5 | Lever Guard | 1 | 35 | ScrewM6x12 | 4 | |
| 6 | Customized Nut | 2 | 36 | Lever Knob | 1 | |
| 7 | Copper Gasket 10 | 4 | 37 | Support Frame – Right | 1 | |
| 8 | Safty Valve Bolt MB | 1 | 38 | Nut Plug | 1 | |
| 9 | O-Ring 5.Sx2 | 1 | 39 | Wahser Groupware | 1 | |
| 10 | Adjusting Screw M5x8 | 1 | 40 | Valve Sleeve | 1 | |
| 11 | Snap Washer 6 | 1 | 41 | Spring | 5 | |
| 12 | Valve Retract Spring 1.2 | 1 | 42 | Adjusting Screw | 1 | |
| 13 | O-Ring 6.7×1.8 | 1 | 43 | Steel Ball 6 | 1 | |
| 14 | Reversing Valve | 1 | 44 | Safty Valve Spring | 1 | |
| 15 | Sliding Pressure Sensor Sleeve Spring | 1 | 45 | Adjusting Screw M8x8 | 1 | |
| 16 | Alumium Cover (Rear) | 1 | 46 | Support Frame – Left | 1 | |
| 17 | O-ring | 1 | 47 | ArcWasher8 | 8 | |
| 18 | Piston | 1 | 48 | ScrewM8x45 | 6 | |
| 19 | Piston Ring | 1 | 49 | BoltM8x16 | 4 | |
| 20 | O-Ring 32×3.5 | 1 | 50 | Support Stand Mounting Bracket – Right | 1 | |
| 21 | Spring | 1 | 51 | Wheel Cap | 2 | |
| 22 | Stud Bolt | 4 | 52 | Support Stand Mounting Bracket – Left | 1 | |
| 23 | Hydraulic Cylinder | 1 | 53 | Wheel | 2 | |
| 24 | Alumium Cover (Front) | 1 | 54 | ScrewM8x40 | 2 | |
| 25 | Piston Rod Seal 30 | 1 | 55 | Wheel Axle | 2 | |
| 26 | O-Ring 7×1.9 | 1 | 56 | BoltM8x55 | 6 | |
| 27 | Butterfly Bolt | 1 | 57 | Spring Washer 8 | 9 | |
| 28 | Wahser Groupware 14 | 1 | 58 | Washer8 | 9 | |
| 29 | Dipstick | 1 | 59 | Gear Pump Cover | 1 | |
| 30 | Piston Rod | 1 | 60 | O-Ring 10.6×2.65 | 2 |
| No. | Description | QTY. | No. | Description | QTY. |
| 61 | Gear Housing Plate | 1 | 91 | Waterproof Underlay | 1 |
| 62 | Circlip 10 | 2 | 92 | Motor Support Left Shoe | 1 |
| 63 | Gear Shaft | 1 | 93 | Motor Support Right Shoe | 1 |
| 64 | Steel Ball 2.5 | 1 | 94 | Pin 8×24 | 2 |
| 65 | Gear | 2 | 95 | O-Ring 46.2×1.8 | 2 |
| 66 | Pin 2.5×4 | 1 | 96 | Sliding Sleeve | 4 |
| 67 | Flat Washer 5 | 6 | 97 | BoltM8x30 | 3 |
| 68 | BoltM5x180 | 3 | 98 | Flat Washer 14×1.5 | 2 |
| 69 | Motor Cover | 1 | 99 | Circlip 12 | 2 |
| 70 | Oil Seal FB11x26x7 | 1 | 100 | Lock Nut M14 | 2 |
| 71 | NutM8 | 7 | 101 | Flat Washer 14 | 2 |
| 72 | ScrewM8x35 | 1 | 102 | Nut M14 | 2 |
| 73 | Motor | 1 | 103 | Ring-shaped Nut | 1 |
| 74 | Fan | 1 | 104 | Handwheel | 1 |
| 75 | Circlip 17 | 1 | 105 | Log Pusher Connection Weldment | 1 |
| 76 | Shroud | 1 | 106 | Plastic Insert – Lower | 1 |
| 77 | Spring Washer 5 | 6 | 107 | Plastic Insert – Upper | 1 |
| 78 | ScrewM5x8 | 3 | 108 | Log Pusher | 1 |
| 79 | BoltM8x50 | 2 | 109 | LockNutM10 | 4 |
| 80 | Rear U-Shaped Connecting Pipe | 1 | 110 | Flat Washer 10 | 5 |
| 81 | NutM8 | 4 | 111 | Screw M 10×25 | 4 |
| 82 | Cable& Plug | 1 | |||
| 83 | Strain Relief | 1 | |||
| 84 | Screw M3.Sx12 | 8 | |||
| 85 | Switch Box Cover | 1 | |||
| 86 | Airproof Underlay | 1 | |||
| 87 | Switch | 1 | |||
| 88 | Cable briquetting | 1 | |||
| 89 | Capacitor | 1 | |||
| 90 | Switch Box | 1 | |||
- 847-327-0566 or 844-YARDMAX
- [email protected]


































