Radial engineering SpaceHeater Tube Overdrive and Summing Mixer

Product Information
The Radial Space Heater is a tube overdrive and summing mixer that provides a luxurious old school analogue character. It is equipped with four 12AX7 tube drive circuits wired in stereo, which can be used in a number of ways. The product is intended for use by audio professionals who are familiar with safety issues regarding electrical systems and sound pressure levels that could cause ear damage after extended exposure.
Front Panel Feature Set
- ON: Used to turn on (or bypass) each of the four channel sets.
- BUS: Sends the channel set to the stereo mix bus and headphones.
- HPF: High-pass filter gently rolls off low frequency resonance below 40Hz across both channels on the pair.
- TUBE DRIVE ON: Routes the audio signal to the tube drive may be bypassed to compare wet versus dry.
- MIX BUS ON: Turns on the stereo XLR-M outputs.
- MIX BUS LEVEL CONTROL: Used to adjust the summing mixer output.
- DRIVE: Outer control on each concentric pot sets the level going to the tube drive circuit.
- LEVEL: Inner control on each concentric pot sets the output from the tube drive – acts like a master volume on a tube guitar amp.
- HEAT: Three position switch changes the tube voltage for each pair with 35,70 or 140 Volt settings for different levels of distortion.
- POWER SWITCH: Turn off to conserve tube life and reduce power consumption and heat.
Rear Panel Feature Set
- STEREO SUM OUTPUTS: Provide left and right summed outputs for the most luxurious old school analogue character.
- POWER: 5-pin locking XLR connection for external power supply.
- GROUND LIFT: Recessed switch lifts pin-1 on the two XLR outputs to help reduce hum and buzz caused by ground loops.
- D-SUB OUTPUT (1-8): DB25 connector used to send all eight +4dBu transformer isolated channels back to the mixing console or workstation.
- 14-GAUGE STEEL: Heavy duty construction eliminates stress on the PCB and provides excellent shielding against magnetic fields.
Product Usage Instructions
The Radial Space Heater is solely intended for use by audio professionals who are familiar with safety issues regarding electrical systems and sound pressure levels that could cause ear damage after extended exposure. If you are not familiar with these, please contact your local electrical and health authorities before using the product.
- Connect an external power supply to the POWER input on the rear panel using a 5-pin locking XLR connection.
- Use the ON button on the front panel to turn on (or bypass) each of the four channel sets.
- Use the BUS button to send the channel set to the stereo mix bus and headphones.
- Use the HPF button to roll off low frequency resonance below 40Hz across both channels on the pair.
- Use the TUBE DRIVE ON button to route the audio signal to the tube drive circuit, which may be bypassed to compare wet versus dry.
- Use the MIX BUS ON button to turn on the stereo XLR-M outputs.
- Use the MIX BUS LEVEL CONTROL to adjust the summing mixer output.
- Use the DRIVE control on each concentric pot to set the level going to the tube drive circuit.
- Use the LEVEL control on each concentric pot to set the output from the tube drive, which acts like a master volume on a tube guitar amp.
- Use the HEAT switch to change the tube voltage for each pair with 35,70 or 140 Volt settings for different levels of distortion.
- Use the POWER SWITCH to turn off the product and conserve tube life and reduce power consumption and heat.
- Use the STEREO SUM OUTPUTS to provide left and right summed outputs for the most luxurious old school analogue character.
- Use the GROUND LIFT switch to lift pin-1 on the two XLR outputs to help reduce hum and buzz caused by ground loops.
- Use the D-SUB OUTPUT (1-8) connector to send all eight +4dBu transformer isolated channels back to the mixing console or workstation.
Congratulations on your purchase of the Radial Space Heater™ Summing Mixer and Tube Overdrive. The Space Heater is a studio-grade tube distortion unit and detailed analog mixer with personality. This manual covers the setup and operation of the Space Heater in both the studio and live sound environments. Please take a few min-utes to read through this manual in order to familiarize yourself with the Space Heater’s features and applications. Inside you will find important safety features along with tips on how to get the most out of your Space Heater.
Should you have any questions on an application not covered in this manual, we invite you to visit the Radial Engineering website at radialeng.com to check the Space Heater’s FAQ section for the latest updates. If you still do not find what you are looking for, feel free to send us an email at [email protected].
Now lets get started warming things up… or let your destructive side shine!\
IMPORTANT SAFETY & USER NOTICE – FOR PROFESSIONAL USE ONLY
Note: The Radial Space Heater is solely intended for use by audio professionals. These professionals are expected to be familiar with safety issues regarding electrical systems and sound pressure levels that could cause ear damage after extended exposure. If you are not familiar with these, please contact your local electrical and health authorities as Radial has no means to ensure products like the Space Heater are being used according to local rules and regulations.
FRONT PANEL FEATURE SET

REAR PANEL FEATURE SET

INTRODUCTION
- The Space Heater is a combination 8×2 summing mixer and a bad-ass 8-channel harmonic distortion device that lets you add a little, more, or a lot of distortion to your signal path. In some situations you may find that adding just a bit of bite to a vocal track can bring out subtleties without adding a compressor or increasing level. On acoustic guitar, the natural compression of a distorted tube circuit can enhance harmonics that may otherwise be lost. On bass, a medium distortion will bring back the vintage tone and feel as if connected to an old SVT or Marshall bass amp. And with drums, you can add crunch to expand the size of the drums without over-processing.
- Because the Space Heater can be used in a number of ways, it is important to understand its architecture and signal flow. It is equipped with four 12AX7 tube drive circuits wired in stereo. While you do have separate DRIVE and LEVEL controls on each channel, certain functions are shared across both sides of the tube. Lets get started…

POWER
- The Space Heater employs a universal power supply that accepts all voltages from 100V to 240V. This in-line power supply is equipped with a standard IEC/EIN power input so that you only need to change the cable to suit the local power connector types. A locking 5-pin XLR connects the external power supply to the Space Heater.
- At the far right hand side of the front panel is a power switch. We recommend that you keep the Space Heater turned off when not in use to prolong tube life and save power. Turn the Space Heater on at least 15 minutes before use to allow the tubes to achieve thermal stability and maximum performance.
SIGNAL LEVELS
Before making connections, always reduce signal levels or turn off audio equipment. This helps prevent turn on and connection transients from damaging more sensitive components such as tweeters. All controls on the Space Heater should be turned fully counter-clockwise and all channels and tube drive circuits should be turned off (ON switch in out position) before using for the first time.
NOTE: Changing the HEAT voltage setting will change signal levels slightly. Be prepared to reduce the level when changing the HEAT switch to higher voltages.
INSTALLING THE SPACE HEATER
- The Space Heater can be mounted in a standard 19-inch rack system or placed on the desktop using the included adhesive-backed feet. As it is a tube device, the Space Heater generates quite a bit of heat. Passive ventilation on the top and sides of its enclosure are provided to help dissipate heat build-up. When rack mounting, we recommend leaving at least one space open above the Space Heater for ventilation. Keep other sensitive equipment away from the Space Heater if temperature is a concern and always power the unit OFF when not in use to prolong tube life.
- The Space Heater is 19″ (48.3cm) wide, 7″ (17.7cm) deep, and one standard vertical rack space (1.75″/4.5cm) tall. The total rack depth required for installation is 11″ (28cm) to accommodate rear panel cable connectors. It is a good idea to provide some means of support and strain relief for the cable bundle connecting to the rear panel.

EXTERNAL POWER SUPPLY

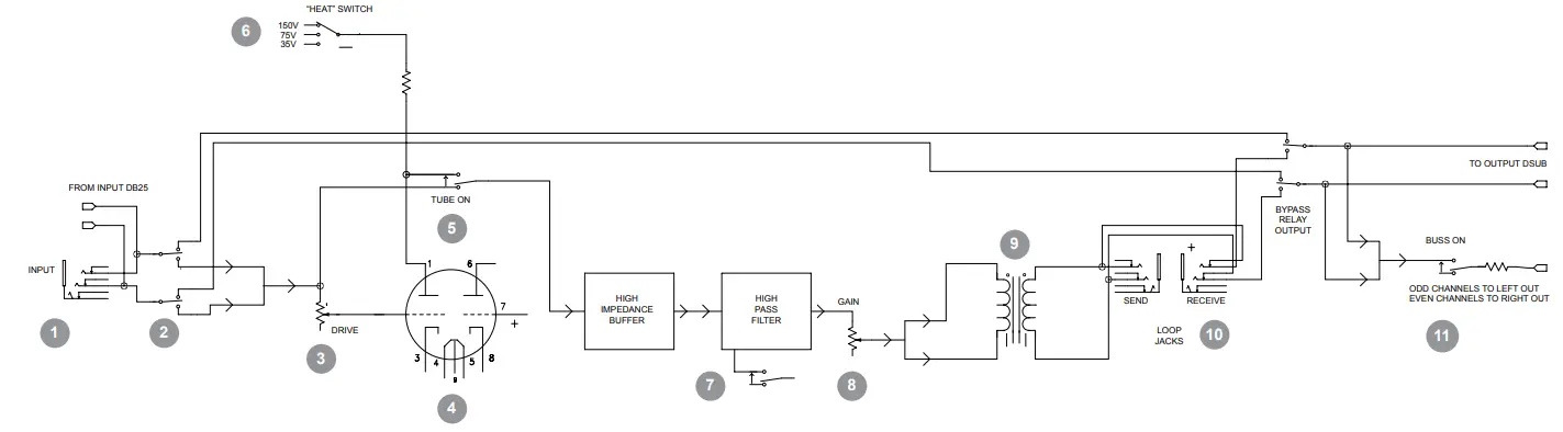
UNDERSTANDING THE SIGNAL FLOW
CHANNEL:

MASTER SECTION:

EXPLAINING THE SIGNAL FLOW:
- The routing of the Space Heater is quite complex, so it is important to study this block diagram to understand how audio is passed. First, signal enters the Space Heater at the channel input (1). Next, the on switch (2) either turns on the circuit or bypasses it completely, routing the signal directly to the output without processing. The Drive control (3) sets the level of signal entering the tube (4), which also has its own On switch (5) to bypass the 12AX7 as well as a Heat switch (6) to modify the voltage applied. A fixed-frequency high pass filter (7) is next in line, before the signal passes through the output Level control (8). Finally the signal passes through an output transformer (9) followed by balanced insert points (10).
- When the Bus switch (11) is engaged, signal is passed to the master section. The Link input (12) and output allows the user to patch another Space Heater in and out of the virtual earth mixer (13), combining the stereo outputs of multiple units. The built-in headphone amplifier (14) takes its signal directly from the mixer output and is always on with a dedicated volume control. The master bus output can be turned on and off (15) and is equipped with its own volume control.
HOW 12AX7 TUBES WORK
The 12AX7 is a dual-triode tube, which essentially means that it has two tubes in one. This allows it to be wired in a 2-channel/stereo configuration, which means that the Space Heater requires only four tubes to cover eight channels.
VOLTAGE AND DISTORTION
Tubes produce a rich, even order harmonic distortion that is warm and pleasing to the ears. Unlike solid-state circuits that go from no distortion to 100%, tubes distort in a more gradual fashion. Tubes work best when provided optimal voltage, as they will have plenty of headroom before distorting. Starving the tube with a lower voltage causes the tube to prematurely distort. The Space Heater’s adjustable B+ voltage (HEAT) allows you to choose how you want to drive the circuit.

FEATURES AND CONTROLS
UNDERSTANDING THE CONTROLS
The Space Heater is an 8-channel device with stereo summing. The eight channels pass through four 12AX7 tubes, each of which is wired in stereo. All eight outputs are transformer coupled for isolation and analog character. While individual LEVEL and DRIVE controls can be found on each channel, other features are shared across both channels of the tube. It is important to understand these features before connecting your Space Heater for the first time.

DRIVE AND LEVEL
- No matter how you decide to use your Space Heater, everything revolves around the DRIVE and LEVEL controls. The DRIVE sets the amount of signal going into the tube. The more you turn up the drive, the more the tube will distort. The LEVEL acts like an output fader, controlling the output of the channel.
- BE CAREFUL! Turn down the DRIVE control before turning the tube drive on. As you turn up the DRIVE, you will need to compensate by turning down the LEVEL control. Engaging the tube drive with both controls turned up could get loud… quickly!

TUBE SECTION
The tube drive circuit can be turned on or off on each channel pair. When the tube section is switched ON, the signal will pass through the 12AX7 based on the level of the DRIVE control. When the tube section is switched OFF, it is effectively bypassed and the signal will only pass through the LEVEL control and output transformer.

HEAT SWITCH
The HEAT switch allows the user to adjust the plate voltage of each tube. There are three selectable voltages: 35V, 70V and 140V. At 35 volts, the tube is starved for voltage. This will cause it to break up at very low levels, which makes it ideal when heavy, crushing distortion is desirable. 70 volts allows for more headroom before the tube starts to distort and provides moderate distortion as you apply more drive. At 140 volts, the tube will accept a lot more signal before breaking up. This allows you to warm things up slightly at low drive settings, or ramp it up to drive the tube with plenty of voltage, reminiscent of your favorite high-gain guitar amplifier.

HIGH-PASS FILTER
Each channel pair on the Space Heater is equipped with a high-pass filter. This filter starts at 40Hz and has a very gentle 6dB/octave roll-off. It is intended to subtly reduce low frequency rumble and resonance. This gradual slope makes it very useful on kick drums and bass guitar when retaining most of the low frequency content is desirable.
TRANSFORMER COUPLED OUTPUT
The Space Heater is equipped with output transformers on each of the eight channels. These oversized transformers were selected to deliver deep bass and add a vintage character reminiscent of a classic analog mixing console. They also help eliminate buzz, hum and other DC noise issues that can occur when connecting equipment in a studio. Because the tube drive can be bypassed on each channel pair, the transformers can be used to add character all on their own. Simply run your signal through the channel and adjust the level accordingly.

CONNECTIVITY
CHANNEL INPUTS – ¼” TRS
The Space Heater is equipped with balanced ¼” TRS (Tip-Ring-Sleeve) input jacks for all eight channels. These inputs are set to +4dBu nominal line level for optimal performance. We recommend that +4dBu balanced signals be maintained throughout the system.

CHANNEL INPUTS – DB25
The Space Heater is also equipped with a DB25 input that is connected in parallel to the ¼” TRS input Jacks. This allows for easy connection to many audio interfaces.

CHANNEL OUTPUTS – DB25
Individual channel outputs are routed to a DB25 connector. A standard 8 CH DB25 to TRS or DB25b cable is used to interface with different studio setups.

CHANNEL OUTPUTS – ¼” TRS
While there are no dedicated ¼” connectors for the individual channel outputs, the INSERT SEND jacks can be used for this purpose. The signal is tapped just after the output transformer on each channel, making it identical to the DB25 channel output connector.
INSERT POINTS – WHAT TO CONNECT:
- The Space Heater is equipped with both send and receive +4dBu balanced insert jacks. This makes it suitable for connection to a wide array of professional audio equipment that would traditionally be used with an analog recording console or live sound mixer. The Space Heater’s insert points are the last step in each channel’s signal flow diagram (after the level control and output transformer). This makes them particularly well suited for connection to equalizers or compressors when using the Space Heater for summing during mix down, but they can also be used with other stand alone processors or effects units.

- When using the Space Heater as an effect on individual channels, the insert jacks can be used as a patch bay. This can be convenient for connecting other pieces of equipment to your signal chain while already in the analog domain, or to simply use the insert “SEND” jack as a parallel output for recording or processing elsewhere. Keep in mind that the insert jacks are still the last step in the Space Heater’s signal path, so any equipment inserted will be processing the wet sound.

MASTER SECTION
The heart of the Space Heater lies within its 2-channel master section. All channels may be assigned to the stereo bus in a left-right configuration and mixed down to a stereo pair at the main output. This allows the Space Heater to be used as a mixer for analog summing ‘out of the box’ when working in the digital domain. When used alongside the individual channel outputs and balanced insert points, the master section also allows for some unique parallel processing opportunities.
BUS SWITCH
The BUS switch (found on each channel pair) routes the channel to the stereo bus. Odd channels will be routed to the LEFT output, even channels to the RIGHT output. Individual channel outputs remain active, so it is possible to use both the stereo output and the channel outputs at the same time.

HEADPHONE AMPLIFIER
The Space Heater features a built-in headphone amplifier. The headphone output takes a feed off the main stereo bus, with its own level control to monitor the stereo output when using the Space Heater as a summing mixer. It can also be used to audition channels when using the Space Heater as a hardware insert. Simply engage the BUS switch on any stereo pair to monitor those channels in the headphones.

Headphone Safety Warning Caution: Very Loud Amplifier
As with all products capable of producing high Sound Pressure Levels (SPL) users must be very careful to avoid the hearing damage that may occur from prolonged exposure. This is particularly important as it applies to headphones. Prolonged listening at high SPLs will eventually cause tinnitus and can lead to partial or complete loss of hearing. Please be aware of the recommended exposure limits within your legal jurisdiction and follow them very closely. The user agrees that Radial Engineering Ltd. remains harmless from any health effects resulting from the use of this product and the user clearly understands that he or she is entirely responsible for the safe and proper use of this product. Please consult the Radial Limited Warranty for further details.

USING THE LINK TO SUM MORE CHANNELS
The Space Heater is equipped with a LINK IN and LINK OUT jack on the back panel. This unbalanced stereo connector provides a way of expanding the Space Heater’s summing mixer capabilities to 16, 24 or even 32 channels by cascading several Space Heaters together. Connections are made using balanced ¼” TRS cables. The jacks are wired in stereo to retain the left-right configuration. Simply connect the LINK OUT from the first Space Heater to the LINK IN on the second unit. Continue linking until all Space Heaters are connected. The final unit in the chain will become the master, and the summed stereo bus of all units will combine at its output.


USING THE SPACE HEATER AS A SUMMING MIXER
- When mixing in a digital audio workstation (DAW) or even with some digital mixers, folks often complain that something is lost. There are lots of theories as to why or even if this actually occurs, but most agree that something magical happens when audio tracks are combined in the analog domain. The Space Heater handles this task with ease. Not only is it an extremely high quality, transformer coupled analog mixer; it also offers a tube circuit for endless personality!
- Because the tube drive section may be turned on or off for each channel pair, the Space Heater can be used when clean analog summing with slight vintage character is preferred. In this case, the signal will only pass through the level control and output transformer on each channel.
- Make sure all LEVEL and DRIVE controls are turned off (fully counter-clockwise) to prevent accidental volume spikes.
- Connect your DAW outputs to the Space Heater’s eight individual channel inputs via ¼” TRS or DB25.
- Connect Left and Right XLR outputs of the Space Heater to your recorder. Try routing the final stereo mix back to new channels on your DAW for recording and monitoring or if you prefer, connect to a dedicated 2-channel tape machine.
- Turn each channel pair of the Space Heater ON and engage the BUS switch to assign outputs to the stereo mix.
- Turn the TUBE DRIVE ON for each channel pair where desired. Leave off if simple resistive analog summing through transformers is desired.
- Setup DAW or recorder to play back 4-stereo recordings assigned to the outputs connected in step 2.
- Turn MIX BUS ON and adjust level control. If sending the stereo mix back to your recorder, set the output level between 12 o’clock and 3’o’clock. If connected directly to studio monitors, set at a lower level until playback begins.
- Begin playback. Slowly increase the LEVEL and DRIVE controls on any one channel (only LEVEL control is necessary if tube is not engaged).
- Adjust balance between LEVEL and DRIVE on all eight channels. Increasing the level will result in a cleaner sound while increasing the drive will introduce more distortion.
- Adjust the HEAT switch between the three different voltages. Lower voltages will starve the tube and result in a grittier distortion while higher voltages will produce a warmer overdrive.

STEM MIXES IN YOUR DAW
A common method for using the Space Heater as an analog summing mixer alongside a DAW is to work with stereo stem mixes. This means that you mix similar instruments to separate stereo outputs. All panning is handled by the workstation so the Space Heater is only performing the final stereo mix from these groups. When you engage the BUS switch on the front panel, odd channels are automatically routed to the LEFT bus and even channels routed to the RIGHT bus.
TYPICAL STEM MIX ROUTING
- DRUMS (LEFT): CH 1
- DRUMS (RIGHT): CH 2
- BASS (LEFT): CH 3
- BASS (RIGHT): CH 4
- GUITAR (LEFT): CH 5
- GUITAR (RIGHT): CH 6
- VOX (LEFT): CH 7
- VOX (RIGHT): CH 8
USING THE SPACE HEATER AS AN INSERT ON INDIVIDUAL
TRACKS One of our favorite ways to use the Space Heater is as an effect on individual channels. Whether applying heavy distortion on a single instrument to completely change its character, or simply adding subtle warmth to a sterile recording, the Space Heater will add all kinds of analog mojo to the music.
HARDWARE INSERT
Most hardware mixing boards are equipped with insert jacks on every channel. These allow the Space Heater to be inserted before the fader on an individual channel. Sometimes the option to be pre or post EQ on the consoles channel strip is also possible.


USING THE SPACE HEATER AS A SOFTWARE INSERT
Most multi channel recording software programs provide a method of setting up hardware inserts within the program. These utilize different inputs and outputs on your audio interface, and allow them to behave as an insert point within your software. This is the most popular method of connecting the Space Heater when using it as an effect.


USING THE SPACE HEATER IN-LINE
The Space Heater is a professional +4dBu line level device. It can be used ‘In Line’ (connected in series) with other analog hardware. Try connecting the output from a microphone preamp directly into the Space Heater input when tracking, or as the last device in a recording chain.


SAMPLE APPLICATIONS
DRUMS
- The Space Heater is a fantastic piece to add some excitement and punch to a drum kit. As you slowly bring up the distortion by increasing the DRIVE control, the audio will compress and become more present in the mix. Adding subtle distortion to a kick or heavy distortion to a snare is particularly effective as it is often difficult to increase the presence of these instruments without drastically increasing their level. A slight amount of distortion on a stem mix of the entire kit can really make a drum mix pop!
- TIP: Try assigning the output of the Space Heater to a different channel on your recorder. This will allow you to bring up the distorted track separately from the original clean track. Playing back the two channels in parallel will allow you to adjust the blend between the two, which will allow you to dial in your sound even more quickly!

IN EAR MONITORS
In-ear monitor systems often sound sterile and out of place. Close-mic’d instruments and direct box signals passing through a digital console and into a pair of ear buds will not create the same sound as what is coming out of the PA system, where the speakers are actually moving air. Some musicians can never get used to them, while others simply put up with the sound. The Space Heater quickly brings back the natural feel and tone that has been missing. Applying distortion to individual instrument tracks or even the stereo bus slightly compresses the signal without a loss of dynamic range. Less EQ and compression are required overall, and the added grit makes you feel like you are standing in front of a speaker instead of listening to tiny little buds!

BASS
Bass guitar is an instrument that can definitely benefit from some grit. First, it can limit the amount of compression needed as the distortion will add harmonics to the bass sound, effectively allowing it to live in a different frequency space that is not competing so closely with other instruments. Distortion can also help define bass frequencies in small speakers or headphones. Try applying a small amount of distortion with the Space Heater while listening with headphones. Even if the change is inaudible in larger speakers, it can make all the difference when listening on small speakers.
VOCALS
It is always a challenge to maintain a lead vocals presence in a mix, particularly in rock music where they are competing for space with distorted guitars. The guitar distortion tends to live in the same frequency space as the vocal, so turning up one will quickly mask the other. Using the Space Heater to apply a small amount of distortion to the vocal can help the track move into a different frequency space, bringing clarity and definition without resorting to heavy-handed compression or drastic EQ.
ELECTRONIC MUSIC
Keyboards, synths and various tone generators will all react differently when applying distortion. Experiment by running different signals and instruments through a channel on the Space Heater and listen to the results. Try running a fixed frequency tone through the Space Heater 500 and listen to the results – The possibilities are endless!
DISTORTED DELAY OR REVERB
A bit of distortion on an EFX return can make your delays or reverbs sound quite a bit different than the dry recording. This makes the effect much more present in the mix, and can add a vintage character to your digital delay or reverb. Light distortion can mimic famous vintage analog gear, while a heavy distortion can transform a delay into a completely different effect.
CHANGING THE TUBES
- The Space Heater is equipped with four 12AX7 tubes. Although the Space Heater is intended to provide many years of problem free service, the tubes are designed to be user replaceable when required.
- ONLY use 12AX7 tubes in the Space Heater. Other tubes such as the 12AT7 and 12AU7 are not suitable, as they operate at different voltages.
CAUTION: THE SPACE HEATER IS A HIGH VOLTAGE DEVICE. TURN OFF THE UNIT AND DISCONNECT THE POWER SUPPLY FOR 10-15 MINUTES BEFORE ATTEMPTING TO CHANGE THE TUBES. THIS WILL ALLOW THEM TIME TO COOL AND REDUCE THE CHANCE OF ELECTRIC SHOCK BY GIVING THE SPACE HEATER’S INTERNAL CAPACITORS TIME TO DISCHARGE.
INSTRUCTION
- Step 1: Remove the top cover of the Space Heater. There are seven hex-style screws on the sides and back of the chassis, and two Phillips screws on the top panel.
- Step 2: Carefully wiggle each tube out of their socket. Be sure to apply even pressure to the base of the tube as you pull the tube out of its socket.

- Step 3: Replace each tube by aligning the pins up with the socket. Tubes are ‘keyed’ so that they can only be installed in one position. Once aligned, carefully push the tube in by applying even pressure across the top of the tube.
- Step 4: Re-install and fasten top cover.

INPUT D-SUB CONNECTOR

OUTPUT D-SUB CONNECTOR

CONNECTOR WIRING

SPECIFICATIONS
| Circuit Type: | Class A tube gain stage with IC buffers |
| Frequency response: | 20Hz – 20Khz, +0/-3dB |
| Total Harmonic Distortion: (THD+N) | Variable |
| Dynamic range: | 96dB |
| Input impedance – Bypassed: | 50kΩ in parallel with your load device |
| Input impedance – Active: | 100kΩ |
| Maximum input: | +22dBu |
| Gain: | +33dB@140V, +29db@70V, +27dB@35V |
| Gain – Mix Bus: | 6dB above individual channel output |
| Bypass: | Full Bypass |
| Clip Level – Output: | +26dBu |
| Output impedance – Balanced Outputs: | 180 Ohms |
| Output Impedance – Headphone Out: | 15 ohms |
| Output Impedance – Mix Bus Out: | 100 Ohms |
| Common Mode Rejection | -70dBu @ 55Hz |
| Equivalent input noise: | -103dBu |
| Noise floor – Maximum Gain: | -64dBu@140V, -66dBu@70V, -70dBu@35V |
| Noise floor – Controls at 50%: | -70dBu@140Hz, -72dBu@70V, -76dBu@35V |
| Intermodulation distortion: | Variable |
| Unity Gain Control Setting: | Drive and Gain at “11 o’clock” |
Features:
| Number of channels: | Eight channels |
| Input Connectors: | ¼” TRS, DB-25 |
| Output Connectors: | DB-25 |
| Insert Connectors: | 8 x ¼” TRS Send, 8 x ¼” Receive |
| Mix bus output | XLR |
| Low pass filter | -5dB @ 40Hz, 6dB/Octave slope |
| XLR configuration: | Pin 2 +, Pin 3 -, Pin 1 GND |
General:
| Power Supply (Included) | External switching type 100V – 240V AC, 1600mA output with 5 pin XLR |
| Construction: | 14 gauge steel chassis and outer shell |
| Finish: | Powder coat |
| Construction: | 14 gauge steel chassis and outer shell |
| Size: | 17.5″ x 6″ x 1.75″ (44.5 x 15.25 x 1.75cm) |
| Weight: | 8.5 lbs (3.8kg) |
| Conditions: | For use in dry locations only between 5°C and 40°C |
| Warranty: | Radial 3-year, transferable |
WARRANTY
THREE YEAR TRANSFERABLE LIMITED WARRANTY
- RADIAL ENGINEERING LTD. (“Radial”) warrants this product to be free from defects in material and work-manship and will remedy any such defects free of charge according to the terms of this warranty. Radial will repair or replace (at its option) any defective component(s) of this product (excluding finish and wear and tear on components under normal use) for a period of three (3) years from the original date of purchase. In the event that a particular product is no longer available, Radial reserves the right to replace the product with a similar product of equal or greater value. In the unlikely event that a defect is uncovered, please call 604-942-1001 or email [email protected] to obtain an RA number (Return Authorization number) before the 3 year warranty period expires. The product must be returned prepaid in the original shipping container (or equivalent) to Radial or to an authorized Radial repair center and you must assume the risk of loss or damage. A copy of the original invoice showing date of purchase and the dealer name must accom-pany any request for work to be performed under this limited and transferable warranty. This warranty shall not apply if the product has been damaged due to abuse, misuse, misapplication, accident or as a result of service or modification by any other than an authorized Radial repair center.
- THERE ARE NO EXPRESSED WARRANTIES OTHER THAN THOSE ON THE FACE HEREOF AND DE-SCRIBED ABOVE. NO WARRANTIES WHETHER EXPRESSED OR IMPLIED, INCLUDING BUT NOT LIMITED TO, ANY IMPLIED WARRANTIES OF MERCHANTABILITY OR FITNESS FOR A PARTICULAR PURPOSE SHALL EXTEND BEYOND THE RESPECTIVE WARRANTY PERIOD DESCRIBED ABOVE OF THREE YEARS. RADIAL SHALL NOT BE RESPONSIBLE OR LIABLE FOR ANY SPECIAL, INCIDEN-TAL OR CONSEQUENTIAL DAMAGES OR LOSS ARISING FROM THE USE OF THIS PRODUCT. THIS WARRANTY GIVES YOU SPECIFIC LEGAL RIGHTS, AND YOU MAY ALSO HAVE OTHER RIGHTS, WHICH MAY VARY DEPENDING ON WHERE YOU LIVE AND WHERE THE PRODUCT WAS PUR-CHASED.



















