NETRAUTA FI Auto Cable Reel

Please read these operating instructions carefully and note the information given. Use these operating instructions to familiarize yourself with the product, the proper use and the safety instructions.
Correct use
The Hose Reel is provided with auto rewind system and intended for use in the private home and workshop or repair shop etc.
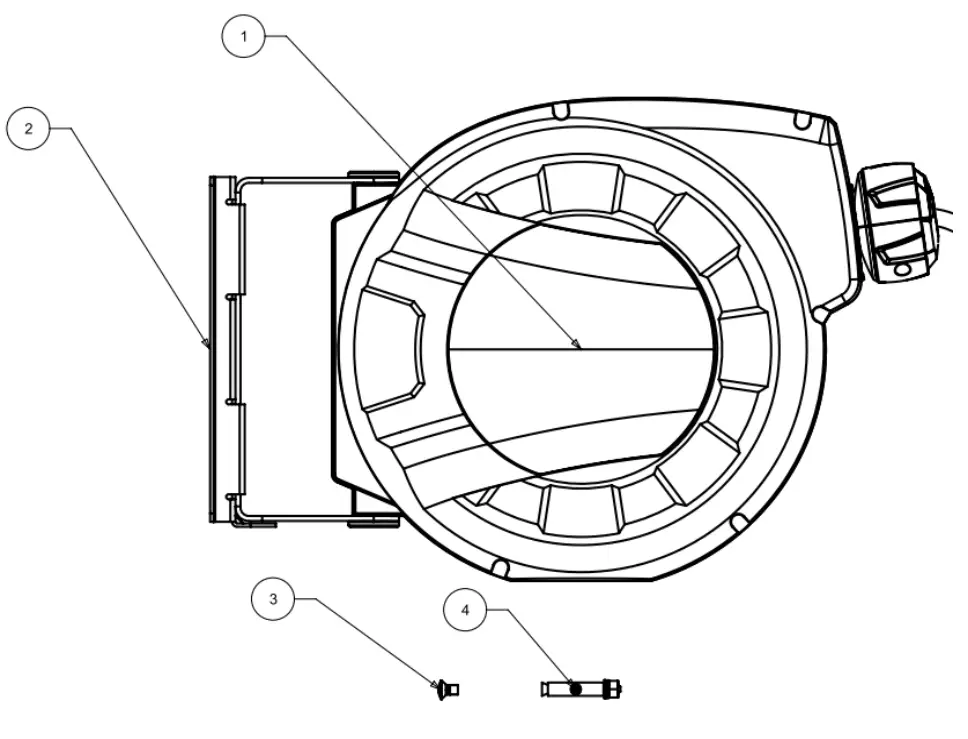
Parts list
| No | Description | Quantity | Picture |
| 1 | Hose reel | 1 | ![]() |
| 2 | Metal bracket | 1 | |
| 3 | 6*10mm Screw | 1 | |
| 4 | 6*50mm bolts | 4 | |
Installation
The reel could be installed horizontally, vertically on the cement pillar, cement wall or steel structure.
- Take out the unit and accessories from the box,
- Choose a suitable place near the water source supply.
- Take the mounting bracket as a template to mark the position for screws and drill four holes on the wall. Fig.1

- Fix the bracket by four 6*50mm screws accordingly,
- Slip the reel to the mounting bracket,then fasten it by 1*6*10mm screw. See Fig.3


Note: 1. The reel could be installed to a wall/ post or ceiling.
2. It is suggested to mount the reel approximately 1 meter above the ground.
Operation
Connect the leader hose to the source supply,
Unwind
- Pull out hose to desired length and stop after “KAKA” sound is heard.
Roll up the hose
- Release the lock by one more pull and let the hose back.
- Please always hold the end of the hose when it is going back to the hose box.
- Turn off the water source.
Storage
Cleaning
The hose box is maintenance-free and must not be cleaned internally with water.
Maintenance
- When not in use, please turn off the water source,
- The reel can not be used to transmit any chemical and substance.
- When not in use for an extended period of time it is recommended to be stored in a cool dry place.
Troubleshooting
- During the process of retracting / pulling out the hose. If the hose is locked, please pull out more hose again, then retry the work.























