InstaLighting OS4 Outdoor Spotlight
Outdoor Spotlight OS4
General information
This installation manual is part of the product and must be kept by the end customer.
The installation manual must be available to every person who is assigned to work on the lamp and must be observed.
Safety
- The lamp may only be installed by instructed and trained personnel.
- The electrical connection may only be carried out by qualifi ed personnel.
- The lamp must be used as intended.
Intended use
- The lamps comply with EN 60598 and are suitable for indoor and outdoor use. Depending on the version, the lamp is controllable (DALI or DMX).
- Depending on the version of the lamp, it is supplied either with bare wires or plug-in connectors.
- In the case of bare wires, measures must be taken on site to meet the requirements for double or reinforced insulation and a degree of protection appropriate to the installation environment.
- The specifi cations given in the technical data must be observed. Any other use or use beyond this is considered improper.
This also includes the following:
- Modifi cation of the lamp
- Operation with damaged components
The manufacturer will not be held liable for any resul-ting damage. The risk is borne solely by the installer/operator.
Mounting material
The mounting material is not included with the product. The mounting surface and the weight of the lamps to be mounted must be taken into account when selecting the mounting material.
Observe the data sheets for the mounting material.
Installation
- DANGER!
- Risk of injury from blue light!

- To avoid prolonged staring into the blue light, the lamp must be positioned so that the distance x is maintained.
- For lamps with optics of the type: Wallwash Flood and Wallwash Medium the beam direction must be observed during installation.
- Risk of injury from falling parts! During installation work, it is forbidden to stand below the mounting location of the lamps!

Electrical connection
- Electric shock can cause death.
- Before making the electrical connection, switch off the supply voltage and secure it to prevent it from being switched on again.
- Destruction of the plug contacts when plugging or unplugging under load. Before plugging or unplugging the plug connection, disconnect the supply line.
- The power consumption of the adjacent lamps, including line losses, must not exceed the connec-ted load of the power supply unit. For further information, see the user manual.
- Observe the data sheets for the selected connec- tors.
Uncontrolled
Controlled: DALI
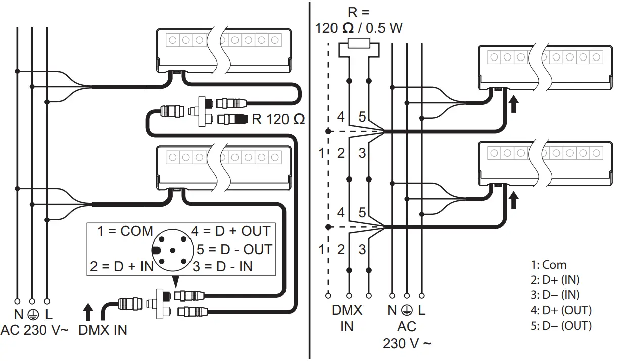
Controlled: DMX
Cleaning
Damage to the lamp possible due to incorrect cleaning.
- Switch off the lamp and let it cool down before cleaning.
- Carefully wipe the lamp with a damp soft cloth. Remove stubborn dirt with a few drops of was-hing-up liquid.
Disassembly
Switch off the power supply!
Carry out disassembly in reverse order to the assembly.
Repair
This lamp’s light source cannot be replaced; when the light source has reached the end of its life, the entire lamp must be replaced.
Unauthorised repairs to the lamp are not permitted. Send defective lamps to the central customer service offi ce.
Disposal
Dispose of packaging material in an environmentally sound manner.
Defective lamps do not contain problematic waste and can be disposed of in the electrical waste.
Accessories
See data sheets
Technical specifications
- Rated voltage 220 to 240 VAC
- Mains frequency 50 / 60 Hz
- Power factor λ 0.95
- Power consumption see type plate
- Ambient temperature -20 to +35°C
- Protection class I
- Degree of protection IP 67
- Service life 60,000 h (at +25°C)

Kontakt/Contact Instalighting GmbH Hohe Steinert 10
D 58509 Lüdenscheid Tel: +49 2351 65619-0 www.instalighting.de [email protected]
Download
Benutzerhandbuch herunterladen
Download user manual
Dokumentennummer/ Document number 100003164 Ausgabedatum/ Date of issue 21.09.2020




















