sylvane PKB-FM Industrial Portable Unit Heater

WARNING
READ CAREFULLY
Use the heater only as described in this manual. Any other use is not recommended and could result in fire, electric shock, and personal injury. Following these instructions will prevent dlifficuläes that might occur during the installation and use of the heater. Please słudy the instructions first, as they may save considerable time and trouble during use, in addition to providing important safety Information. Make sure o save these instructions for future use.
Read all instructions before using this heater.
- WARNING: This heater is hot when in use. To avoid burns, do not let bare skin touch hot surfaces. Keep combustible materials, such as furiture, pillows, bedding, papers, clothes, etc., and curtains at least 3 feet (0.9 m) from the front of the heater and keep them away from the sides and rear.
- Extreme caution is necessary when the heater is used by or near children or invalids and whenever the heater is left operating and unattended.
- Always unplug the heater when not in use.
- WARNING: Do not operate the heater with a damaged cord or plug, after it malfunctions, has been dropped, Or damaged in any manner. Discard the heater or return to an authorized service facility for examination and/or repair.
- WARNING: Do not use outdoors.
- This heater is not intended for use in bathrooms, laundry, and similar indoor areas. Never locate a heater where it can fall into a bathtub or other water container.
- WARNING: Do not run cord under carpeting. Do not cover the cord with throw rugs, runners, or similar coverings. Do not route cord under furniture or appliances. Arrange cord away from traffic area and where it will not be tripped over.
- To disconnect the heater, turn the controls off, then remove the plug out.
- Connect to properly grounded outlets only
- WARNING: Do not insert or allow foreign objects to enter any ventlation or exhaust opening as this may cause an electric shock or fire, or damage the heater.
- WARNING: To prevent a possible fire, do not block air intakes Or exhaust in any manner
- WARNING: A heater has hot and arcing or sparking parts inside. Do not use it in areas where gasoline, paint, or flammable vapors or liquids are used or stored.
- Use this heater only as described in this manual. Any other use not recommended by the manufacturer may cause fire, electric shock, or injury to persons.
- Always plug the heater into the wall outlet or receptacle. Never use an extension cord or relocatable power tap, or power strip.
ASSEMBLY & SETUP
CAUTION!
Remove power by unplugging the Heater while setting up or placing.
Rating
HEATER SETUP
- Unpack and inspect your heater for any damage. Any damage discards the heater or returns it to the authorized service facility immediately.
- Place the heater at least 6″ (15cm) away from vertical surfaces and keep the intake clear of obstructions. Keep all combustible materials, such as furniture, papers, clothes, drapes, and curtains at least 3 feet (0.9 m) from the front of the heater and keep them away from the sides and rear.
- Route power cord away from traffic areas to avoid tripping. NEVER rout power cord under carpets, rugs, drop furniture, or other equipment.
- Plug the power cord into a grounded wall outlet only DO NOT use an extension cord or power strip.
- Wiring diagram located in wiring housing.
- WARNING: This heater is for floor use ONLY and should not be tipped on the side, placed upside down, mounted on, or inserted into a wall. A tip-over auto disconnect switch will activate when tipped more than 30°.
- DO NOT use the heater in areas where gasoline, paint, or other flammable liquids are used.
- Notice: When installing in the laundry, bath or shower area the baseboard is required to be on a GFCI-protected circuit.
- Store unplugged and in a dry indoor location.
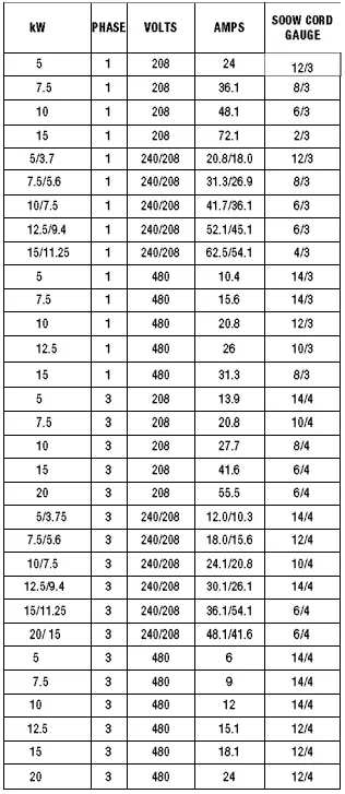
- This heater is for use on 240 (208 or 480) volts). The type outlet is a 240 (or 208) volt grounding outlet. When properly installed, it provides a ground connection through the cord to the heater to protect the operator from electric shock.
PKB PLUG SELECTION
Check the rating label on the heater (See Figure 2) and verify the proper voltage and SO cord type. PKB Series requires the below-rated plug and receptacle per the amperage requirement (Not provided). No adapter is available for this blade configuration.
Dual-Certified IEC Pin & Sleeve Devices
OPERATION AND ADJUSTING THERMOSTAT
This heater must be properly placed before it is used. DO NOT tamper with or change the operation of this heater. All services should be performed by an authorized service representative. Only replace components with King-approved replacement parts.
Operation:
- After the electric heater has been completely placed, the thermostats should be turned to a LOW or NO HEAT position.
- Plug the unit into a grounded outlet, Do not use extension cords.
- Turn thermostats to the highest position and wait for 3 to 5 minutes. Check to see that all heaters are operating. Should any not be operating, disconnect power and check the wiring.
- Allow the entire system to operate steadily for 1/2 hour. This should remove oily residue from manufacturing. (Some smoking may occur).
Selecting the desired temperature on the thermostat:
To adjust the temperature to your requirements, turn the dial on the thermostat clockwise all the way to turn heater on. When the room reaches the desired temperature, turn the thermostat knob counterclockwise until you hear the click. Leave in this position to maintain the room temperature at this setting. For additional heat, turn clockwise until you hear the click and the heater will turn on.
A safety limit control is provided to turn off the heater automatically if it is blocked or otherwise overheats due to an abnormal condition. DO NOT bypass or remove this safety device from the electrical circuit. During normal use, this safety control should not operate. If you find that this control is operating, make sure the heater is not being blocked. If it continues to cycle the heater off, disconnect power to the heater and have it checked and repaired by a qualified electrician.
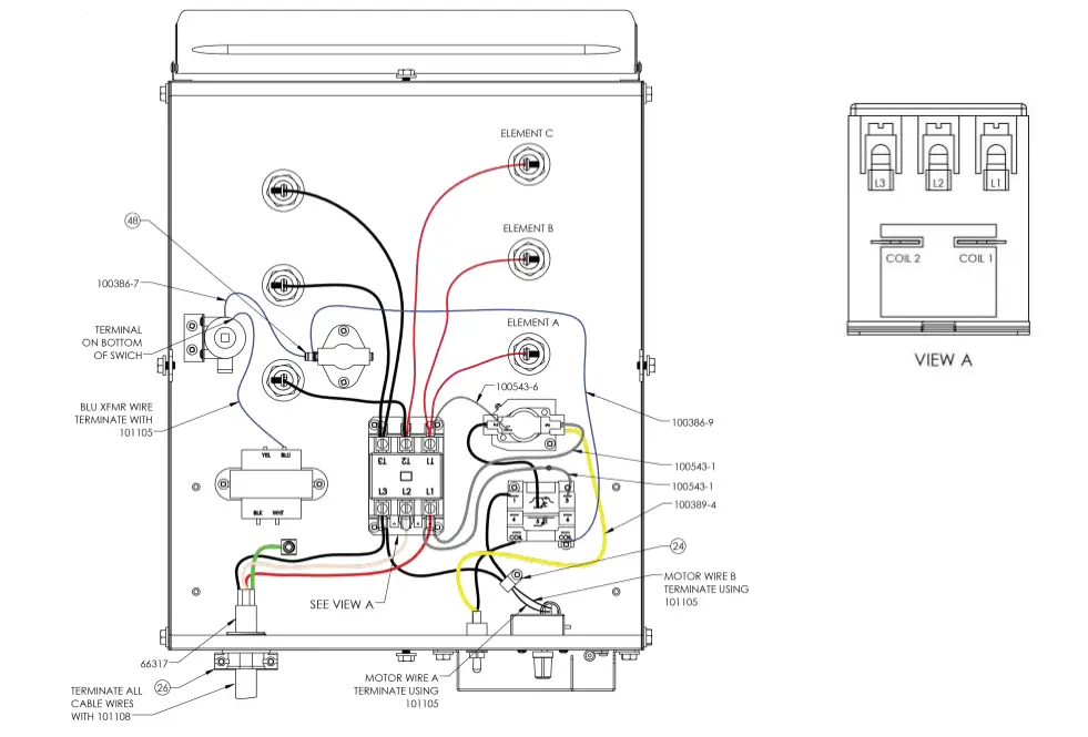
WIRING SCHEMATIC

INTERNAL WIRING DIAGRAMS
DIAGRAM 1
DIAGRAM 2
EXPLODED DIAGRAM
DIAGRAM 3

NOTES: UNLESS OTHERWISE SPECIFIED
- ASSEMBLE USING STANDARD ASSEMBLY PRACTICES.
- TORQUE ELEMENT WIRE NUTS TO 30 INCH/LBS.
- TORQUE CONTACTOR TERMINAL SCREWS To 25 INCH/LBS.
- SEE SHEETS 3 AND 4 FOR WIRING
- SEE 102689 3D ASSEMBLY.PDF FOR ALTERNATE VIEWS.
CLEANING INSTRUCTIONS
Before cleaning this heater, the heating element must be cool.
- Before removing the front ducted housing, turn the electrical power OFF by unplugging it. If not, electricity may still be flowing to the heater. If you are uncomfortable working with electrical appliances consult a qualified electrician. Once the power is off completely, proceed to the next step.
- Remove 5x 1/4-20 screws located on the sides of the ducted housing. ipe housing with a soft cloth or brush.
- Using a hair dryer or vacuum on the blow cycle, blow debris back through the element. Do not touch the element. Vacuums lose debris without touching the elements.
- Replace ducted housing and secure with screws.
- To clean the fan and motor remove the safety grill from the rear of the heater. This provides access to the fan and motor. Wash Grill with hot soapy water and dry immediately.
- Wipe the tan and motor with a soft cloth or brush.
- Replace safety grill & plug the unit back in.
TROUBLESHOOTING
Troubleshooting Chart for Electric Heaters




















