ZKTECO C2-260/inBio2-260 Access Controller

What’s in the Box
| ||
4 Screws & Anchors | 2 Screwdrivers | 4 Diodes |
Safety Precautions
The following precautions are to ensure user’s safety and prevent any damage. Please read the instructions carefully before installation.
![]() | Do not expose to direct sunlight, water, dust and soot. |
![]() | Do not place any magnetic objects near the product. Magnetic objects such as magnets, CRT, T V, monitors or speakers may damage the device. |
![]() | Do not place the device near any heating equipment. |
![]() | Prevent water, drinks or chemicals leaking into the device. |
![]() | This product is not intended for use by children unless they are supervised. |
![]() | Do not drop or damage the device. |
![]() | Do not use the device for any purpose other than those specified. |
![]() | Do not disassemble, repair or modify the device. |
![]() | Remove dust or dirts regularly. While cleaning, wipe the dust off with a smooth cloth or towel instead of water. |
Contact your supplier in case of any query | |
Product PIN Diagram

LED Indicators
LINK Solid Green LED indicates TCP/IP communication is normal.
Flashing (ACT )Yellow LED indicates data communication is in progress.
Solid (POWER) Red LED indicates the panel is powered on.
Slowly flashing Green LED indicates normal working status of the system.
TCP/IP continuously flashing Yellow LED indicates data transmission.
TCP/IP slowly flashing Yellow LED indicates real-time monitoring status.
Panel Installation
Wall Mounting
Rail Mounting
Panel Installation

The auxiliary input may be connected to infrared body detectors, fire alarms, or smoke detectors. The auxiliary output may be connected to alarms, cameras or door bells, etc.
Installation Diagram

RS485 Readers Connection

Note:
- It’s recommended to connect maximum four readers to one C2-260/inBio2-260.
- A single RS485 reader interface can supply a maximum of 750 mA (12V) current. So the entire current consumption should be less than this max value when the readers share the power with the panel.
- Only inBio2-260 supports connection with FR1200 readers.
Additional Modules of RS485
- Connection with DM10

Note:
- A C2-260/inBio2-260 can connect to maximum eight DM10 modules..
- Each DM10 module requires a separate power supply.
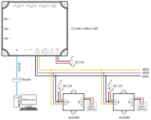
- Connection with AUX485

Note:
- A C2-260/inBio2-260 can connect to maximum two AUX485 modules.
- Each AUX485 module can connect to maximum four auxiliary devices.
- Each AUX485 module requires a separate power supply.
- Connection with WR485

Connection to ZKBioAccess Software
Here the connection between C2-260/inBio2-260 and AUX485 is used as an example to illustrate the software settings. After proper wiring, perform the following steps:
- Set the RS485 address of AUX485 from 1-15.
- Inclusion of C2-260/inBio2-260 to software:
Open the ZKBioAccess Software. Click [Access] > [Device] > [Device] > [New], enter the relevant information, and then click [OK].
After adding successfully, the TCP/IP indicator of inBio2-260 flashes every two seconds, indicating the communication is normal. - Inclusion of AUX485 module to the software: Click [Device] > [I/O Board] > [New], enter the name and RS485 address of AUX485, and then click [OK].

- Click [Device] > [Auxiliary Input] to view all the auxiliary inputs.

Note: For other specific operations, please refer to ZKBioAccess User Manual. 12
Specifications
| Model | C2-260 |
| Number of Doors Supported by Default | 2 |
| Number of Auxiliary Inputs | 2 |
| Number of Auxiliary Outputs | 2 |
| RS485 Extension Port | 1 |
| RS485 Reader Port | 1 |
| Number of Readers Supported | 4 |
| Types of Readers Supported | RS485 card reader, Wiegand reader (WR485) |
| DM10 (Single-Door Extension Board) (Optional) | Max. 8 |
| AUX485 (RS485-4 Aux. IN Converter) (Optional) | 2 |
| WR485 (RS485-Weigand Converter) (Optional) | 4 |
| Card Capacity | 30,000 |
| Log Capacity | 200,000 |
| Communication | TCP/IP, RS458 |
| CPU | 32-bit 1.0GHz |
| RAM | 64MB |
| Power | 9.6V – 14.4V DC |
| Dimensions (L*W*H) | 116.47*96.49*31.40 mm |
| Operating Temperature | -10°C to 50°C / 14°F to 122°F |
| Operating Humidity | 20% to 80% |
ZKTeco Industrial Park, No. 26, 188 Industrial Road,Tangxia Town, Dongguan, China.
Phone : +86769-82109991
Fax : +86755-89602394
www.zkteco.com
Copyright © 2020 ZKTECO CO., LTD. All Rights Reserved.

C2-260 / inBio2-260
4 Screws & Anchors
2 Screwdrivers
4 Diodes
































