HAYWARD EC40C90 Series Perflex Extended Cycle Filtration Systems

IMPORTANT SAFETY INSTRUCTIONS
Basic safety precautions should always be followed, including the following: Failure to follow instructions can cause severe injury and/or death.
This is the safety-alert symbol. When you see this symbol on your equipment or in this manual, look for one of the following signal words and be alert to the potential for personal injury.
WARNING warns about hazards that could cause serious personal injury, death or major property damage and if ignored presents a potential hazard.
CAUTION warns about hazards that will or can cause minor or moderate personal injury and/or property damage and if ignored presents a potential hazard. It can also make consumers aware of actions that are unpredictable and unsafe.
The NOTICE label indicates special instructions that are important but not related to hazards.
WARNING – Read and follow all instructions in this owner’s manual and on the equipment. Failure to follow instructions can cause severe injury and/or death.
WARNING – Suction Entrapment Hazard.
Suction in suction outlets and/or suction outlet covers which are, damaged, broken, cracked, missing, or unsecured can cause severe injury and/or death due to the following entrapment hazards:
- Hair Entrapment– Hair can become entangled in suction outlet cover.
- Limb Entrapment-A limb inserted into an opening of a suction outlet sump or suction outlet cover that is damaged, broken, cracked, missing, or not securely attached can result in a mechanical bind or swelling of the limb.
- Body Suction Entrapment– A negative pressure applied to a large portion of the body or limbs can result in an entrapment.
- Evisceration/ Disembowelment A negative pressure applied directly to the intestines through an unprotected suction outlet sump or suction outlet cover which is, damaged, broken, cracked, missing, or unsecured can result in evisceration/ disembowelment.
- Mechanical Entrapment– There is potential for jewelry, swimsuit, hair decorations, finger, toe or knuckle to be caught in an opening of a suction outlet cover resulting in mechanical entrapment.
WARNING -To Reduce the risk of Entrapment Hazards:
- When outlets are small enough to be blocked by a person, a minimum of two functioning suction outlets per pump must be installed. Suction outlets in the same plane (i.e. floor or wall), must be installed a minimum of three feet (3) |1 meter] apart, as measured from near point to near point.
- Dual suction fittings shall be placed in such locations and distances to avoid “dual blockage” by a user.
- Dual suction fittings shall not be located on seating areas or on the backrest for such seating areas.
- The maximum system flow rate shall not exceed 6 ft/sec in the suction return line
- Never use Pool or Spa if any suction outlet component is damaged, broken, cracked, missing, or not securely attached.
- Replace damaged, broken, cracked, missing, or not securely attached suction outlet components immediately.
- In addition two or more suction outlets per pump installed in accordance with latest ASME, APSP Standards and CPSC guidelines, follow all National, State, and Local codes applicable.
- Installation of a vacuum release or vent system, which relieves entrapping suction, is recommended.
WARNING – Failure to remove pressure test plugs and/or plugs used in winterization of the pool/spa from the suction outlets can result in an increase potential for suction entrapment as described above.
WARNING Failure to keep suction outlet components clear of debris, such as leaves, dirt, hair, paper and other material can result in an increase potential for suction entrapment as described above.
WARNING Suction outlet components have a finite life, the cover/grate should be inspected frequently and replaced at least every seven years or if found to be damaged, broken, cracked, missing, or not securely attached.
CAUTlON – Components such as the filtration system, pumps and heater must be positioned so as to prevent their being used as means of access to the p0ol by young children. To reduce risk of injury, do not permit children to use or climb on this product. Closely supervise children at all times. Components such as the filtration system, pumps, and heaters must be positioned to prevent children from using them as a means of access to the pool.
WARNING – Hazardous Pressure. Pool and spa water circulation systems operate under hazardous pressure during start up, normal operation, and after pump shut off. Stand clear of circulation system equipment during pump start up. Failure to follow safety and operation instructions could result in violent separation of the pump housing and cover, and/or filter housing and clamp due to pressure in the system, which could cause property damage, severe personal injury, or death. Before servicing pool and spa water circulation system, all system and pump controls must be in off position and filter manual air relief valve must be in open position. Before starting system pump, all system valves must be set in a position to allow system water to return back to the pool. Do not change filter control valve position while system pump is running. Before starting system pump, fully open filter manual air relief valve. Do not close filter manual air relief valve until a steady stream of water (not air or air and water) is discharged.
WARNING Separation Hazard. Failure to follow safety and operation instructions could result in violent separation of pump and/or filter components. Strainer cover must be properly secured to pump housing with strainer cover lock ring. Before servicing pool and spa circulation system, filters manual air relief valve must be in open position. Do not operate pool and spa circulation system if a system component is not assembled properly, damaged, or missing. Do not operate pool and spa circulation system unless filter manual air relief valve body is in locked position in filter upper body. circulation system at more than 40 PSI. Do not purge the system with compressed air. Purging the system with compressed air can cause components to explode, with risk of severe injury or death to anyone nearby. Use only a low pressure (below5 PS), high volume blower when air purging the pump, filter, or piping.
WARNING – Risk of Electric Shock. All electrical wiring MUST be in conformance with applicable local codes, regulations, and the National Electric Code (NEC). Hazardous voltage can shock, burn, and cause death or serious property damage. To reduce the risk of electric shock, do NOT use an extension cord to connect unit to electric supply. Provide a properly located electrical receptacle. Before working on any electrical equipment, turn off power supply to the equipment. To reduce the risk of electric shock replace damaged wiring immediately. Locate conduit to prevent abuse from lawn mowers, hedge trimmers and other equipment. Do NOT ground to a gas supply line.
WARNING – Risk of Electric Shock Failure to ground all electrical equipment can cause serious or fatal electrical shock hazard. Electrical ground all electrical equipment before connecting to electrical power supply.
WARNING – Risk of Electric Shock Failure to bond all electrical equipment to pool structure will increase risk for electrocution and could result in injury or death. To reduce the risk of electric shock, see installation instructions and consult a professional electrician on how to bond all electrical equipment. Also, contact a licensed electrician for information on local electrical codes for bonding requirements. Notes to electrician: Use a solid copper conductor, size 8 or larger. Run a continuous wire from external bonding lug to reinforcing rod or mesh. Connect a No. 8 AWG (8.4 mm2) [No. 6 AWG (13.3 mm2) for Canada] solid copper bonding wire to the pressure wire connector provided on the electrical equipment and to all metal parts of swimming pool, spa, or hot tub, and metal piping (except gas piping), and conduit within 5 ft. (1.5 m) of inside walls of swimming pool, spa, or hot tub.
IMPORTANT – Reference NEC codes for all wiring standards including, but not limited to, grounding, bonding and other general wiring procedures.
WARNING – Risk of Electric Shock . The electrical equipment must be connected only to a supply circuit that is protected by a ground-fault circuit-interrupter (GFCI). Such a GFCI should be provided by the installer and should be tested on aroutine basis. To test the GFCI, push the test button. The GFCI should interrupt power. Push reset button. Power should be restored. If the GFCI fails to operate in this manner, the GFCI is defective. If the GFCI interrupts power to the electrical equipment without the test button being pushed, a ground current is flowing, indicating the possibility of an electrical shock. Do not use this electrical equipment. Disconnect the electrical equipment and have the problem corrected by a qualified service representative before using.
CAUTION – HAYWARD® pumps are intended for use with permanently-installed pools and may be used with hot tubs and spas if so marked. Do not use with storable pools. A permanently-installed pool is constructed in or on the ground or in a building such that it cannot be readily disassembled for storage. A storable pool is constructed so that it is capable of being readily disassembled for storage and reassembled to its original integrity.
WARNING – Risk of Hyperthermia. To avoid hyperthermia the following “Safety Rules for Hot Tubs” are recommended by the U.S. Consumer Product Safety Commission.
- Spa or hot tub water temperatures should never exceed 104°F [40°C]. A temperature of 100°F [38°C] is considered safe for a healthy adult. Special caution is suggested for young children. Prolonged immersion in hot water can induce hyperthermia.
- Drinking of alcoholic beverages before or during spa or hot tub use can cause drowsiness, which could lead to unconsciousness and subsequently result in drowning.
- Pregnant women beware! Soaking in water above 100°F [38°C] can cause fetal damage during the first three months of pregnancy (resulting in the birth of a brain-damaged or deformed child). Pregnant women should adhere to the 100°F [38°C] maximum rule.
- Before entering the spa or hot tub, users should check the water temperature with an accurate thermometer; spa or hot tub thermostats may err in regulating water temperatures by as much as 4°F (2.2°C).
- Persons taking medications, which induce drowsiness, such as tranquilizers, antihistamines or anticoagulants, should not use spas or hot tubs.
- If the pool/spa is used for therapy, it should be done with the advice of a physician. Always stir pool/ spa water before entering the pool/spa to mix in any hot surface layer of water that might exceed healthful temperature limits and cause injury. Do not tamper with controls, because scalding can result if safety controls are not in proper working order.
- Persons with a medical history of heart disease, circulatory problems, diabetes or blood pressure problems should obtain a physician’s advice before using spas or hot tubs.
- Hyperthermia occurs when the internal temperature of the body reaches a level several degrees above normal body temperature of 98.6°F [37°C]. The symptoms of Hyperthermia include: drowsiness, lethargy, dizziness, fainting, and an increase in the internal temperature of the body.
The effects of Hyperthermia include:
- Unawareness of impending danger.
- Failure to perceive heat.
- Failure to recognize the need to leave the spa.
- Physical inability to exit the spa.
- Fetal damage in pregnant women.
- Unconsciousness resulting in danger of drowning
The Hayward-Perflex is a high performance swimming pool filter. As a system it has an output rating of 2,400 gallons (9.1 KL) per hour. Manufactured from durable, corrosion-proof materials, the filter and pump are combined on a strong, molded mounting base. The systems are designed for continuous operation, for installation below, the pool water line. It may be used on fresh or salt water swimming pools. The Perflex filter uses diatomite filter powder (commonly called D.E.). D.E. is the most efficient dirt remover known. It is normally fed into the system through the skimmer when the filter is initially started; then drained from the filter when it can no longer efficiently remove dirt from the water. Throughthe Perflex’s exclusive “BUMP” action, the D.E. is periodically regenerated and the filter cycle extended without changing the powder. When the filter powder is totally used, the “BUMP” action makes it possible to drain the used diatomite without backwashing or dismantling the filter. The Power-Flo Matrix™ series pump is a non-corrosive, centrifugal pump with pressure, flow, and safety features specifically designed for swimming pool service. It is driven by a heavy duty motor, which is electrically isolated and insulated from the pool water. Output pressure and flow are tuned to the filter, resulting in a perfectly balanced, non-corrosive system.
SYSTEM LOCATION
- Though the system is designed for outdoor use, it is advisable to protect electrical components from the weather. Select a well-drained area, one that will not flood when it rains.
- For best pump performance, the system MUST be located below the swimming pool water line. Set the mounting platform level. Keep the filter bump handle, drain outlet, and pressure gauge accessible for convenient operation. There is an alternate bump handle location on the other side of the filter outlet. Instructions for changing the handle position are covered later.
- Position the system so that the filter tank can drain by gravity
PLUMBING & INSTALLATION

- To facilitate servicing of the filter system and to allow for indoor storage during the winter months, installing union connections at the suction and outlet ports is recommended.
- Use 1-1/4″ or 1-1/2″ I.D. flexible plastic pipe, or hose, joined with insert fittings and stainless steel clamps.
- All plumbing connections on the system are 1-1/2″ N.P.T. When making connections, use plastic male-end adapters. Apply three turns of Teflon tape or plastic pipe sealant compatible with ABS to the male threads. Screw the fitting into the thread hand tight; then, using a wrench, tighten one more full turn. Additional tightening is unnecessary-and-could result in damage to components.
- Refer to the diagrams for suggested valving. Ball-type valves are recommended where needed.
- Tighten pump base mounting bolts, if loose.
- Securely hand tighten the union nut between the filter and pump.
- Connect the pool suction plumbing between the skimmer, pool outlet, and the pump.
- Connect the pool return (inlet) plumbing
- If the pressure gauge is not installed, apply Teflon tape to the gauge threads, and carefully screw the gauge into the threaded hole in the side of the filter body.
- A filter drain plug, with gasket, is furnished with each filter and is all that is needed for complete filter draining. If desired however, drain piping may be extended from the filter by using the optional Drain Valve Kit (Model SP0723) and an appropriate length of 1-1/2″ pipe. Piping must slope away from the filter so the tank can drain by gravity.
- All electrical connections should be made in accordance with applicable electrical codes.
- Check for joint leaks before operating system.
- Refer to pump instruction booklet for pump information.
BEFORE STARTING THE FILTER
- Obtain a supply of operating chemicals, D.E., and a pool test kit. Use only the swimming pool grades of D.E., such as:
- Super chlorinate the pool water by adding unstabilized granular or liquid chlorine. Stabilized forms of chlorine are recommended for normal daily use after the initial clean-up of the water. Follow chemical manufacturer’s recommendations for super chlorination and daily use.

| CELATOM® | A trademark of EP Minerals |
| DICALITE® | A trademark of EP Minerals |
| DE Filter media | Local Pool Supply |
INITIAL SET-UP
- Always turn off pump and relieve tank pressure by opening Air Relief Valve before loosening Center Clamp or servicing filter.
- To re-assemble Clamp on filter, make sure Clamp is located and centered properly over the filter flange. If Clamp is tight, tap Clamp with rubber mallet or block of wood to help seat it. Slide a Washer over each Bolt followed by a Spacer Tube. Insert Bolt assembly through both Clamp Halves. Slide on a Washer, securewith Hex Nut and hand tighten. Repeat on other side of Clamp. Alternately tighten both Bolt assemblies using a wrench and socket (1/2″ drive). Alternately tighten until Spacer Tube is engaged (approx. 100 in-lbs). Finally, tighten 1/4 to 1/2 turn to secure (approx. 100 in-lbs).
- To re-start system, open all in-line valves. Open Air Relief Valve before starting pump. Stand clear of filter and prime and start the pump per the manufacturer’s instructions. When a steady stream of water emerges from the Air relief Valve, close Air Relief Valve.
STARTING THE FILTER
Close the filter drain and the vent valve.
CAUTION: Separation Hazard. Failure to open all suction and discharge valves when starting the pump could cause severe personal injury and/or property damage. To avoid open all suction and discharge valves.
Prime and start the pump following the manufacturer’s instructions. Air trapped in the system will automatically vent to the pool. When there is a steady flow of water returning to the pool, the filter is ready for precoating. DO NOT operate the filter for more than one minute without the precoat charge
PRECOATING
Scoop 4 lbs. (1.8 kgs.) of diatomite into the system through the skimmer as fast as the plumbing will take it. Note and record the pressure gauge reading after the diatomite has been added. This is the “precoat pressure.”
FILTERING
Filtration starts as soon as the filter has been precoated. As the filter removes dirt from the pool water, the accumulated dirt causes a resistance to flow. As a result, the gauge pressure will rise and the flow will decrease. When the pressure rises 7-10 psi (.49-.70 Bar) above the precoat pressure, regenerate the filter.
REGENERATION (Extending the Cycle)
Stop the pump. Move the bump handle down slowly, then up briskly. Repeat 3 times. Restart the pump and filtration will resume at near the original flow and pressure. After each regeneration, and until the filter is cleaned, there may be a slight increase in the starting pressure. This is the result of dirt accumulating within the filter and is completely normal.
CLEANING
Cleaning is recommended when the gauge pressure rises more than 10 psi (.70 Bar) in less than a 24 hour period or when cloudy water returns to the pool for more than 30 seconds after regeneration. To clean, first stop the pump; then move the bump handle down slowly, then up briskly. Repeat 8 times. Open the vent valve (under bump cover), open the filter drain (Note: if the filter is installed below the pool water line, close the suction and return valves) and allow water and-dirt-to-empty completely. After the filter has drained, and with the drain still open, run the pump for a few seconds to flush out any dirt remaining in the bottom of the filter. (Note: If the filter is installed below the pool water line, opening the suction valve for a few seconds with the pump off will adequately flush the unit.) Close the filter drain and the vent valve. Open the suction and return valves (when used). Start the pump and let the filter fill with water and repeat the CLEANING procedure. This completes the cleaning phase. The filter is now ready for recharging. Proceed as in STARTING THE FILTER and PRECOATING.
VACUUMING
Vacuuming can be performed directly into the filter whenever needed. For fastest results, regenerate the filter before and after each vacuuming operation.
TO CHANGE BUMP HANDLE POSITION
- Remove the bump handle grip. Push in tab at base of handle. Carefully pry the bump cover from the retaining groove and slide the cover off the handle.
- Using a drift (or 10 penny nail), tap the pivot pin out of the filter head anchor point, freeing the end of the handle. Rotate the bump handle to the alternate position and align the handle and the head anchor holes. Tap the pivot pin in place.
- Reinstall the bump cover and grip.
PREVENTIVE MAINTENANCE
While Perflex filters are basically resistant to the difficulties often encountered as a result of chemical build-up in swimming pools, it is important to keep in mind that the mineral content in a pool increases every day as a result of the chemicals and the normal water evaporation process. If the concentration of minerals is allowed to get too high, the minerals will form deposits on the Flex-Tubes inside the filter, and will eventually result in shortened filter cycles. To guard against this, a yearly chemical cleaning (soaking) of the Flex-Tube assembly is suggested. Use commercially available 20% muriatic acid added to water in 1 to 1 ratio; or use other commercial filter element cleaner mixed according to the package instructions. Use a plastic container.
CAUTION: Chemical Hazard –Chemicals can cause personal or property damage, to avoid use personal protective gear when handling. After cleaning, thoroughly flush all affected parts with cold water. Always wear gloves and eye protection when handling cleaning agents.
WINTERIZING
In areas where sub-freezing temperatures can be expected, the filter should be drained and removed from its operating location and stored indoors. Prior to removal, cycle the filter as described under CLEANING.
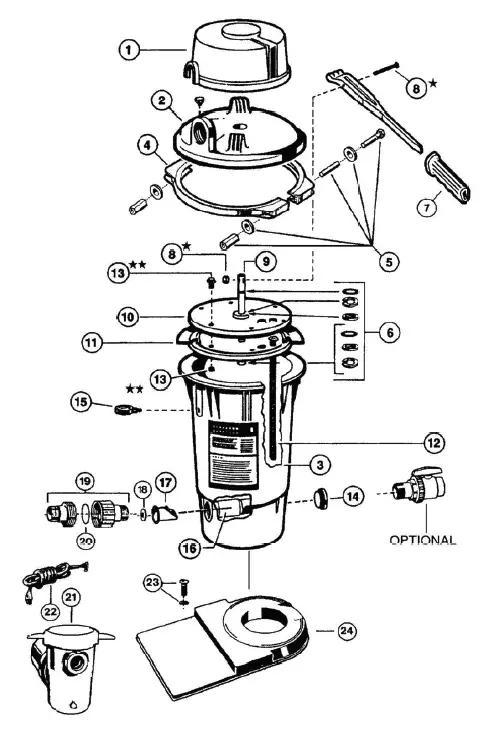
| REPLACEME T PARTS | |||
| REF. NO. | PART NO. | DE CRIPTION | NO. REQ’D. |
| 1 | ECX10066 | Bump Mechanism Cover | 1 |
| 2 | ECX5000BP | Filter Head with Vent Valve | 1 |
| 3 | ECX4034 | Filter Body w/Flow Diffuser | 1 |
| 4 | ECX4000C | Clamp Assembly with Hardware | 1 |
| 5 | ECX4000CHK | Hardware Kit for Clamp Assembly | 1 |
| 6 | ECX1014A | Shaft Kit | 1 |
| 7 | ECX1037B | Bump Handle Grip | 1 |
| 8 | ECX4236A | Bump Handle Screw Kit | 1 |
| 9 | ECX5000F | Bump Shaft, 1/2″ EC40AC | 1 |
| 10 | ECX1004 | Tube Sheet (Top/Bottom) | 2 |
| 11 | ECX5000G | Diaphragm G sket | 1 |
| 12 | ECX1031 | Flex-Tube Assembly | 72 |
| 13 | SPX1500NYA | Tube Sheet Bolt Set | 6 |
| 14 | SP1022C | Plug with Gasket | 1 |
| — | SP0723 | Ball-Type Drain Valve with Nipple | 1 |
| 15 | ECX2709A1 | Pressure Gauge Back Mount | 1 |
| 16 | ECX1256 | Flow Diffuser with Check Valve | 1 |
| 17 | ECX4077B1 | Check Valve | 1 |
| 18 | SPX1055 | Flow Controller | 1 |
| — | ECX4035 | Flex-Tube Ne t (Includes. 6, 9, 10, 11, 12 & 13) | 1 |
| 19 | SP1480 | 1-1/2″ Male Union | 1 |
| 20 | SPX142576 | 0-Ring | 1 |
| 21 | — | Power-Flo Pump | 1 |
| 22 | SPX1250WA | 6 ft. Cord Set | 1 |
| 23 | ECX1108A | Pump Mounting Screw Set | 1 |
| 24 | EC1161PAK | Platform Base with Screws | 1 |

HAYWARD° Pool Products Limited Warranty
To original purchasers of this equipment, Hayward Pool Products, Inc. warrants its FILTERS to be free from defects in materials and workmanship for a period of ONE (1) year from the date of purchase, when used in single family residential applications. The limited warranty excludes damage from freezing, negligence, improper installation, improper use or care or any Acts of God. Parts that fail or become defective during the warranty period shall be repaired or replaced, at our option, within 9o days of the receipt of defective product, barring untforeseen delays, without charge. Proof of purchase is required for warranty service. In the event proof of purchase is not available, the manufacturing date of the product will be the sole determination of the purchase date. To obtain warranty service, please contact the place of purchase or the nearest Hayward Authorized Service Center. For assistance on your nearest Hayward Authorized Service Center please visit us at www.havward.com. Hayward shall not be responsible for cartage, removal, repair or installation labor or any other such costs incurred in obtaining warranty replacements or repair.
The Hayward Pool products warranty does not apply to components manufactured by others. For such products, the warranty established by the respective manufacturer will apply. The express limited warranty above constitutes the entire warranty of Hayward Pool Products with respect to its’ pool products and is in lieu of all other warranties expressed or implied, including warranties of merchantability or fitness for a particular purpose. In no event shall Hayward Pool products be responsible for any consequential, special or incidental damages of any nature. Some states do not allow a limitation on how long an implied warranty lasts, or the exclusion of incidental or consequential damages, so the above limitation may not apply to you. This warranty gives you specific legal rights, and you may also have other rights, which vary from state to state.
SERVICE & REPAIRS
Consult your local authorized Hayward-Perflex dealer or service center. No returns may be made directly to the factory without the expressed written authorization of Hayward Pool Products, Inc.
ALGAE CONTROL
Algae is a form of plant life which can vary in size from a few thousandths of an inch to the size of a small tree. Of the many forms of algae, those most frequently found in swimming pool water are microscopic in size and green in color. Algae readily grows in sunlight and can, under favorable conditions, quickly overgrow a swimming pool turning it completely green in just a few hours. On the other hand, swimming pool water can be kept unfavorable to algae growth simply by maintaining a chlorine level of at least 0.5 ppm in the water at all times.
The chlorine level should be checked at least once a day using a suitable test kit. If an algae condition develops and the pool water “blooms” green, superchlorination of the pool will be necessary to clear it. Addunstabilized granular chlorine, or liquid chlorine. Follow chemical manufacturer’s recommendation for superchlorination.
The algae will quickly become inactive and can then be removed by the filter. Live algae, on the other hand, multiplies so fast that the filter cannot keep up with its growth rate. In an active algae situation, it may be necessary to regenerate the Perflex filter as frequently as every 2 to 3 hours.When correctly used, commercial algaecides are effective against algae, though algaecides should be used in conjunction with, and not as a substitute for, regular chlorination or superchlorination. Maintaining a chlorine level of at least 0.5 ppm in the pool water at all times is the most effective way to prevent algae growth in swimming pools
| SUGGESTED POOL CHEMISTRY LEVELS | ACTION REQUIRED TO CORRECT POOL CHEMISTRY | |
| TO RAISE | TO LOWER | |
| pH 7.2 to 7.6 | Add Soda Ash | Add Muriatic Acid or Sodium Bisulphate |
| TOTAL ALKALINITY 100 to 130 ppm | Add Sodium Bicarbonate | Add Muriatic Acid |
| CHLORINE (UNSTABILIZED) 0.3 to 1.0 ppm | Add Chlorine Chemical | No action – chlorine will naturally dissipate |
| CHLORINE (STABILIZED) 1.0 to 3.0 ppm | Add Chlorine Chemical | No action – chlorine will naturally dissipate |
| CHLORINE STABILIZER 40 to 70 ppm (Cyanuric Acid) | Add Stabilizer | Dilution – partially drain & refill pool with water that has not been treated with Cyanuric Acid. |
| PROBLEM | PROBABLE CAUSE | REMEDY |
| Running at high pressures. | 1. D.E. coated with normal accumulation of pool dirt, algae, etc. 2. Overcharge of D.E. 3. Restriction in return line caused by small eyeball fitting. 4. Partially closed valve on return line. | 1. Bump. 2. Bump-Drain-Recharge. 3. Change to larger size fitting. 4. Open valve. |
|
Drop off of return flow. | 1. D.E. coated with normal accumulation of pool dirt, algae, etc. 2. Pump strainer basket clogged. 3. Skimmer basket clogged.
4. Pump impeller vanes clogged. 5. Air leak on suction side of pump. 6. Electric motor running less than maximum R.P.M. (under speed) | 1. Bump. Clean. 2. Clean. 3. Cleaning with a stiff wire thru the pump strainer opening will usually work. Alternate would be to disassemble-and clean. 4. Check cover gasket, hand knobs, hose, clamps, etc. Replace or tighten as necessary. 5. Consult pump and motor trouble shooting guide. NOTE: Most motor problems are due to: a) Undersized or improper wiring. b) Power cut-backs or a combination of both. |
|
Short cycles. | 1. D.E. loaded to capacity with pool dirt, algae, etc. 2. Bumping incorrectly. 3. Bump handle bent. 4. Pump output exceeds design flow rate of filter.
5. Presence of algae. | 1. Bump-Drain-Recharge. 2. Slow down stroke – brisk upstroke. Repeat 6 times. 3. Check and straighten or replace. 4. Check GPM/LPM output. Regulate pump GPM/LPM output to max. filter GPM/LPM rating. 5. Super-chlorinate; Bump-Drain-Recharge as needed. |
|
Short cycles — even after proper bumping, draining, and recharging | Contaminated (clogged) Flex-Tube braids caused by: a. Natural accumulation of chemical deposits (accelerated if chemicals are fed thru skimmer). b. Running D.E. charge too long with excessive amount of live algae present in pool. c. Operating filter without D.E. d. Operating too long without D.E. after starting pump. D.E. must be added as soon as filter is full of water and pump is putting out a steady stream. IMPORTANT — Testing a new pool plumbing system without adding D.E. will cause this type of clogging. | Clean Tube Nest a) Detergent Cleaning: Remove tube nest and hose down with forceful stream of clean water. Soak tube nest in strong solution of laundry detergent (such as Cheer) and warm water. Hose down again. b) Chemical Cleaning: This requires use of water and muriatic acid solution (or filter cleaner- type preparations) to chemically dissolve contaminates. Consult your pool dealer for chemical cleaning instructions. |
| PROBLEM | PROBABLE CAUSE | REMEDY |
| D.E. leaking to pool via the return lines. | 1. Opening or tear in one or more Flex-Tubes. 2. Rip or hole in diaphragm gasket. 3. Worn or loose fitting diaphragm gasket (chemicals fed thru suction lines may shorten life of this part). 4. Loose bolts on tube nest plates. | 1. Replace Flex- ube. 2. Replace gasket. 3. Replace gasket. 4. Tighten bolts. |
| Hard bumping | 1. Cakin of D.E. under tube sheet. Sometimes caused by accumulation of sun tan oils, hair or floating particles that bind together in a clay-like form. 2. Overloaded with D.E. Sometimes happens when last charge of dirty D.E. was not properly drained. 3. Filter runs too long between bumping. | 1. Bump-Dra n-Recharge more often and reduce the use of oils. 2. Bump-Drain-Recharge with proper amount of D.E. 3. Bump more frequently. |
| D.E. leaking back to pool via skimmer or main drain. | Filter ch ck valve worn or stuck open. | Clean and/or replace. |
| Very short cycles when vacuuming. | Normal if pool contains: 1. Very dirty water. 2. Presence of live, vigorously growing algae. 3. Presence of alum or floccing agents, which will clog filter. | 1. Bump-Drain-Recharge more often. 2. Add enough chlorine to control this growth — then vacuum. 3. Vacuum so as to by-pass filter. Avoid using floccing agents. |
Warranty Card Registration
- First Name
- Street Address
- Last Name
- State
- Purchase Date
- Zip
- City
- Phone Number.
- E-Mail Address
- Serial Number
If your product contains components that have individual serial numbers, it is not necessary to complete warranty regístration for th0se individual components. Instead, complete warranty registration only for the overall product, using the serial number that is located on the outside of the product packaging. Please include me on all e-mail communications regarding Hayward Equipment or promotions.
Mail to: Hayward Pool Products, 620 Division Street, Elizabeth, NJ o7207
Attn: Warranty Dept Or REGISTER YOUR WARRANTY ON-LINE AT WWW.HAYWARD.COM
Hayward and Perflex are registered trademarks of Hayward Industries, Inc. 2015 Hayward Industries, Inc.

















