MaxLite DBL Series LED Dusk-To-Dawn Barn Light Fixture Instruction Manual
General Safety Information
- To reduce the risk of death, personal injury or property damage from fire, electric shock, falling parts, cuts/abrasions, and other hazards read all warnings and instructions included with and on the fixture box and all fixture labels.
- Before installing, servicing, or performing routine maintenance upon this equipment, follow these general precautions.
- Commercial installation, service and maintenance of luminaires should be performed by a qualified licensed electrician.
- For Residential installation: If you are unsure about the installation or maintenance of the luminaires, consult a qualified licensed electrician and check your local electrical code.
- DO NOT INSTALL DAMAGED PRODUCT!
- This fixture is intended to be connected to a properly installed and grounded UL listed junction box.
WARNING:
RISK OF ELECTRICAL SHOCK
- Turn off the power when your perform any maintenance.
- Verify that supply voltage is correct by comparing it with the luminaire label information.
- Make all electrical and grounded connections in accordance with the National Electrical Code and any applicable local code requirements.
- All wiring connections should be capped with UL approved wire connectors.
CAUTION:
RISK OF INJURY
- Wear gloves and safety glasses at all times when removing luminaire from carton, installing, servicing or performing maintenance.
- Avoid direct eye exposure to the light source while it is on.
- Account for small parts and destroy packing material, as these may be hazardous to children.
CAUTION:
RISK OF FIRE
- Keep combustible and other materials that can burn away from luminaire and lamp/lens
General Wiring Diagram
CAUTION: Turn off electrical power at fuse or circuit breaker box before wiring fixture to the power supply.
Connecting panels to AC source supply:
All units must be individually connected to the AC supply.
- Black = Line
- White = Neutral
- Green = Ground



Operating Instruction
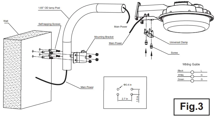
Lamp-Post Mounting Instructions
- To adjust color temperature: remove nut and gasket from the back of fixture, adjust CCT switch to desired color and replace nut and gasket. (Fig. 1)

To adjust wattage: remove nut and gasket from the back of fixture, adjust Wattage switch to desired wattage and replace nut and gasket. (only for wattage selectable version) (Fig. 1)
IMPORTANT: MUST MAKE SURE THE NUT AND GASKET ARE CLOSED TIGHTLY TO PREVENT WATER LEAKS! - Take off the square-type bracket and universal clamp. (Fig. 2)

- Feed the main power through the lamp-post, then wire the main power. After finishing, mount the luminaire body to the lamp-post and universal clamp securely with screws.
Universal clamp fits with either 1.65” or 2 3/8” OD (outside diameter) arm. Flip clamp to appropriate side to match the arm OD size.
Drill holes in the wall according to the diagram below. (Fig. 3)

Note: depending on version, lamp-post arm may or may not be included. It is available as an accessory if needed. - Place the self-tapping screws into the mounting bracket, line up with holes on the wall (or pole) and screw it firmly in place. (Fig. 4)

Wall Mounting Instructions
- To adjust color temperature: remove nut and gasket from the back of fixture, adjust CCT switch to desired color and replace nut and gasket. (Fig. 5)
To adjust wattage: remove nut and gasket from the back of fixture, adjust Wattage switch to desired wattage and replace nut and gasket. (only for wattage selectable version) (Fig. 5)
IMPORTANT: MUST MAKE SURE THE NUT AND GASKET ARE CLOSED TIGHTLY TO PREVENT WATER LEAKS! - Take off the square-type bracket and universal clamp. (Fig. 6)

- Drill holes in the wall according to the diagram below. Place the self-tapping screws into the mounting holes, line up with the holes in the wall and screw them firmly in place. (Fig. 7)

- Knock out the square-type bracket and fix the metal pipe into it.
Wire the main power and fix the square-type bracket to the luminaire firmly when finished. (Fig. 8 & 9)

c-Max Sensor Replacement Instructions
- Unscrew 8 screws and remove the lens and seal ring.

- To change Photocell to different c-Max control, replace the photocell with either c-Max rectangular Motion Sensor or Network Control sold separately.

- Plug the new sensor into the receptacle, insert fixed screw and silicone plug properly. Confirm the sensor is working as intended.

- Reinstall the lens and seal ring properly. Secure lens with 8pcs screws.

Warranty Information
Max Lite Inc. warrants its products for a minimum period of FIVE (5) years from the date of original purchase from Max Lite or its authorized distributor/dealer (the “Warranty Period”), as follows:
If a Product fails to operate during the Warranty Period as a result of defects in materials or workmanship, MaxLite will, at its option, repair it, replace it with the same or like Product.
Please refer to Max lite’s website (at http://maxlite.com/resources/warranties) for the complete terms and conditions of our warranty.
Limitation of Liability
THE FOREGOING WARRANTY IS EXCLUSIVE, AND IS THE SOLE REMEDY FOR ANY AND ALL CLAIMS, WHETHER IN CONTRACT, IN TORT OR OTHERWISE ARISING FROM THE FAILURE OF PRODUCT AND IS IN LIEU OF ALL OTHER WARRANTIES, EXPRESS OR IMPLIED, INCLUDING ALL WARRANTIES OF MERCHANTABILITY OR FITNESS FOR A PARTICULAR PURPOSE, WHICH WARRANTIES ARE HEREBY EXPRESSLY DISCLAIMED TO THE EXTENT PERMITTED BY LAW AND, IN ANY EVENT, SHALL BE LIMITED TO THE WARRANTY PERIOD SPECIFIED ABOVE. THE LIABILITY OF MAXLITE SHALL BE LIMITED TO THE TERMS OF THE EXPRESS WARRANTY SET FORTH HEREIN. IN NO EVENT WILL MAXLITE BE LIABLE FOR ANY SPECIAL, INCIDENTAL OR CONSEQUENTIAL DAMAGES INCLUDING, WITHOUT LIMITATION, DAMAGES RESULTING FROM LOSS OF USE, PROFITS, BUSINESS OR GOODWILL, LABOR COSTS, REMOVAL OR INSTALLATION COSTS, DECREASE IN THE LIGHT OUTPUT OF THE LAMP, AND/OR DETERIORATION IN THE LAMP’S PERFORMANCE, WHETHER OR NOT MAXLITE HAS BEEN ADVISED OF THE POSSIBILITY THEREOF.
UNDER NO CIRCUMSTANCES SHALL MAXLITE’S ENTIRE LIABILITY FOR A DEFECTIVE PRODUCT EXCEED THE PURCHASE PRICE OF THAT PRODUCT. WARRANTY SERVICES PROVIDED UNDER THESE TERMS AND CONDITIONS DO NOT ENSURE THE UNINTERRUPTED OPERATION OF PRODUCTS; MAXLITE SHALL NOT BE LIABLE FOR DAMAGES CAUSED BY ANY DELAYS INVOLVING WARRANTY SERVICE.
This Limited Warranty gives you specific legal rights and you may also have other rights that may vary from state to state. Because some states or jurisdictions do not allow the exclusion or limitation of liability for consequential or incidental damages, this limitation may not apply to you.
































