PoStepVID6606
User’s manual V1.0
Please read the following notes
- All information included in this document is current as of the date this document is issued. Such information, however, is subject to change without any prior notice.
- PoLabs does not assume any liability for infringement of patents, copyrights, or other intellectual property rights of third parties by or arising from the use of PoLabs products or technical information described in this document. No license, express, implied or otherwise, is granted hereby under any patents, copyrights or other intellectual property rights of PoLabs or others. PoLabs claims the copyright of, and retains the rights to, all material (software, documents, etc.) contained in this release. You may copy and distribute the entire release in its original state, but must not copy individual items within the release other than for backup purposes.
- Descriptions of circuits, software, and other related information in this document are provided only to illustrate the operation of the products and application examples. You are fully responsible for the incorporation of these circuits, software, and information in the design of your equipment. PoLabs assumes no responsibility for any losses incurred by you or third parties arising from the use of these circuits, software, or information.
- PoLabs has used reasonable care in preparing the information included in this document, but PoLabs does not warrant that such information is error free. PoLabs assumes no liability whatsoever for any damages incurred by you resulting from errors in or omissions from the information included herein.
- PoLabs devices may be used in equipment that does not impose a threat to human life in case of the malfunctioning, such as: computer interfaces, office equipment, communications equipment, test, and measurement equipment, audio and visual equipment, home electronic appliances, machine tools, personal electronic equipment, and industrial robots.
- Measures such as fail-safe function and redundant design should be taken to ensure reliability and safety when PoLabs devices are used for or in connection with equipment that requires higher reliability, for example: traffic control systems, anti-disaster systems, anticrime systems, safety equipment, medical equipment not specifically designed for life support, and other similar applications.
- PoLabs devices shall not be used for or in connection with equipment that requires an extremely high level of reliability and safety, as for example: aircraft systems, aerospace equipment, nuclear reactor control systems, medical equipment or systems for life support (e.g. artificial life support devices or systems), and any other applications or purposes that pose a direct threat to human life.
- You should use the PoLabs products described in this document within the range specified by PoLabs, especially with respect to the maximum rating, operating supply voltage range and other product characteristics. PoLabs shall have no liability for malfunctions or damages arising out of the use of PoLabs products beyond such specified ranges.
- Although PoLabs endeavors to improve the quality and reliability of its products, semiconductor products have specific characteristics such as the occurrence of failure at a certain rate and malfunctions under certain use conditions. Further, PoLabs products are not subject to radiation resistance design. Please be sure to implement safety measures to guard them against the possibility of physical injury, and injury or damage caused by fire in the event of the failure of a PoLabs product, such as safety design for hardware and software including but not limited to redundancy, fire control and malfunction prevention, appropriate treatment for aging degradation or any other appropriate measures.
- Usage: the software in this release is for use only with PoLabs products or with data collected using PoLabs products.
- Fitness for purpose: no two applications are the same, so PoLabs cannot guarantee that its equipment or software is suitable for a given application. It is therefore the user’s responsibility to ensure that the product is suitable for the user’s application.
- Viruses: this software was continuously monitored for viruses during production; however, the user is responsible for virus checking the software once it is installed.
- Upgrades: we provide upgrades, free of charge, from our website at www.poscope.com. We reserve the right to charge for updates or replacements sent out on physical media.
- Please contact PoLabs support for details as to environmental matters such as the environmental compatibility of each PoLabs product. Please use PoLabs products in compliance with all applicable laws and regulations that regulate the inclusion or use of controlled substances, including without limitation, the EU RoHS Directive. PoLabs assumes no liability for damages or losses occurring as a result of your non-compliance with applicable laws and regulations.
- Please contact PoLabs support at [email protected] if you have any questions regarding the information contained in this document or PoLabs products, or if you have any other inquiries.
- The licensee agrees to allow access to this software only to persons who have been informed of and agree to abide by these conditions.
- Trademarks: Windows is a registered trademark of Microsoft Corporation. PoKeys, PoKeys55, PoKeys56U, PoKeys56E, PoScope, PoLabs and others are internationally registered trademarks.
Introduction
PoStepVID6606 board contains two driver chips VID6606 and so allows the user to drive up to eight miniature stepper motors with current up to 35mA. Device uses a simple serial bus protocol. Along with a PoKeys57U or PoKeys57E device, the board is a great choice when building a flight or other simulators with instrumental display panels. The driver uses a simple serial communication protocol and is also suitable for any other development board with a built-in microprocessor.
Features
- 8 stepper motor outputs (two VID6606)
- Simple serial bus for Step and Direction signals
- Screw terminals
- Additional Micro-MaTch connector with backlight lamp voltage distribution
Connectors and pinout

3.1 PoExtensionIn
| Pin | Function |
| 1 | – |
| 2 | GND |
| 3-7 | – |
| 8 | Data signal (SER) |
| 9 | Data signal (SCK) |
| 10 | Data signal (RCK) |
3.2 Supply voltage
| Pin | Power supply |
| 1 | From +12 to +24V DC |
| 2 | GND |
3.3 Backlight supply voltage
Backlight voltage is distributed only to the Micro-MaTch stepper motor terminals, and no internal electronics are used. Use the appropriate external voltage for the backlight.
| Pin | Backlight supply | |
| 1 | + | Max 500mA (dc or ac voltage) |
| 2 | – | |
3.4 Stepper motor screw terminals
| Motor | Motor coils connection | |||
| Coil A | Coil B | |||
| 1 | Pin 5 | Pin 6 | Pin 7 | Pin 8 |
| 2 | Pin 1 | Pin 2 | Pin 3 | Pin 4 |
| 3 | Pin 13 | Pin 14 | Pin 15 | Pin 16 |
| 4 | Pin 9 | Pin 10 | Pin 11 | Pin 12 |
| 5 | Pin 25 | Pin 26 | Pin 27 | Pin 28 |
| 6 | Pin 21 | Pin 22 | Pin 23 | Pin 24 |
| 7 | Pin 33 | Pin 34 | Pin 35 | Pin 36 |
| 8 | Pin 29 | Pin 30 | Pin 31 | Pin 32 |
| GND | Pin 17… Pin 20 | |||
3.5 Stepper motor Micro-MaTch connectors
| Pin | Motor1 … Motor8 | |
| 1 | Backlight + | |
| 2 | Backlight – | |
| 3 | Backlight + | |
| 4 | Backlight – | |
| 5 | A1 | Coil A |
| 6 | A2 | |
| 7 | B1 | Coil B |
| 8 | B2 | |
PoStepVID6606 and PoKeys
PoStepVID6606 is shipped with the cable attached to the PoExtensionIn. To use device together with PoKeys57E/PoKeys57U, connect the flat cable to the appropriate pins of the PoKeys57E/57U device as shown below. PoStepVID6606 uses 3 input pins and GND to communicate with the master device.
| PoExtensionIn Pin | Description | PoKeys57U Pin | PoKeys57E Pin |
| 2 | Ground | GND | GND |
| 8 | Data signal (SER) | 23 | 9 |
| 9 | Data signal (SCK) | 25 | 11 |
| 10 | Data signal (RCK) | 26 | 51 |
Run the PoKeys application, open Pulse engine settings and follow these steps:
- Release the settings lock by clicking `Lock settings’. The dialog will be asking you whether you want to load default settings. Confirm with `Yes’
- Select `External’ in Pulse engine generator options and uncheck the `Extended IO’ check box
- Select 8 channels in Pulse engine generator options
- Under `Motions parameter’ choose `Speed’
- Click `Copy to all axes’ · Click `Save configuration’
To test the operation of the device, switch the Pulse engine into `Running’ mode (by clicking the `Running’ button) and use the +/-jogging buttons for the target axis in the `Pulse engine test’ section. The default jog speed is 1 % of the maximum speed use the slider at the bottom to adjust the jogging speed.
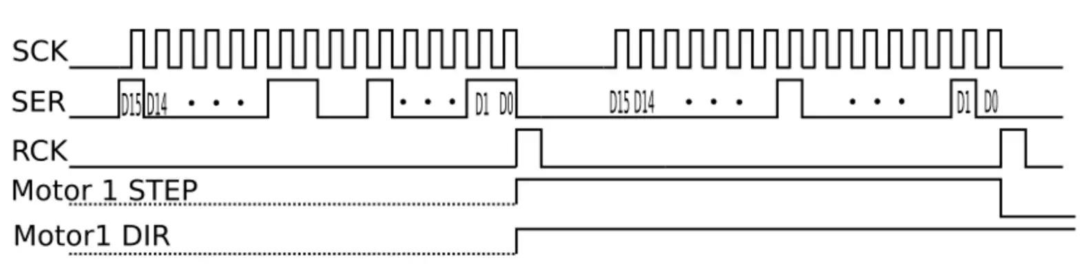
Serial protocol – step/direction signals
The PoStepVID6606’s digital TTL data input levels are +3.3V and +5V compatible. The serial data length is 16-bit and contains a step and direction signals for 8 motor driver inputs. Data is organized as follows:
| D15 | D14 | D13 | D12 | … | D3 | D2 | D1 | D0 |
| Motor 8 | Motor 7 | Motor 2 | Motor 1 | |||||
| Dir | Step | Dir | Step | Dir | Step | Dir | Step | |
The most significant bit (MSB) must be sent first! Step/Direction outputs are latched at the rising edge of the signal RCK. Driver VID6606 can operate with step signals frequency up to 1MHz. Two 16-bit data packages must be sent to generate a single-step pulse signal.
Technical specifications
- Supply voltage 12-24 VDC
- Power consumption max 2.5 W
- Data inputs signal TTL 3.3 V ÷ 5 V
- Serial bus max 30 MHz
- Motor coil current max (Icoil) 35 mA
- Driver step/direction signals fmax 500kHz
- Working temperature -20 °C ÷ +80 °C
- Weight 40g
- Mechanical dimensions [mm]

Grant of license
The material contained in this release is licensed, not sold. PoLabs grants a license to the person who installs this software, subject to the conditions listed below.
7.1.1 Access
The licensee agrees to allow access to this software only to persons who have been informed of and agree to abide by these conditions.
7.1.2 Usage
The software in this release is for use only with PoLabs products or with data collected using PoLabs products.
7.1.3 Copyright
PoLabs claims the copyright of, and retains the rights to, all material (software, documents etc) contained in this release. You may copy and distribute the entire release in its original state, but must not copy individual items within the release other than for backup purposes.
7.1.4 Liability
PoLabs and its agents shall not be liable for any loss or damage, howsoever caused, related to the use of PoLabs equipment or software, unless excluded by statute.
7.1.5 Fitness for purpose
No two applications are the same, so PoLabs cannot guarantee that its equipment or software is suitable for a given application. It is therefore the user’s responsibility to ensure that the product is suitable for the user’s application.
7.1.6 Mission Critical applications
Because the software runs on a computer that may be running other software products and may be subject to interference from these other products, this license specifically excludes usage in ‘mission-critical applications, for example, life support systems.
7.1.7 Errors
This manual was continuously monitored for errors during production; however, the user is responsible for error-checking the manual once it is used.
7.1.8 Support
There could be errors in these manuals, but if you found some, please contact our technical support staff, who will try to fix the problem within a reasonable time.
7.1.9 Upgrades
We provide upgrades, free of charge, from our web site at www.PoLabs.com. We reserve the right to charge for updates or replacements sent out on physical media.
7.1.10 Trademarks
Windows is a registered trademark of Microsoft Corporation. PoKeys, PoKeys55, PoKeys56U, PoKeys56E, PoKeys57U, PoKeys57E, PoKeys57CNC, PoScope, PoLabs, PoExtBus, PoExtBus Smart, PoRelay8, PlasmaSens and others are internationally registered trademarks.
Support:
www.PoLabs.com
www.PoLabs.com
Serial protocol – step/direction signals















