Installation, operating and maintenance instructions
DHL…E
Roof fan for exhaust air applications
Example configuration shown

FOREWORD
Dear customers,
Thank you for choosing our device.
Before operating the unit, please read carefully these installation, operating and maintenance instructions.
If you have any questions, please contact: (Contact details see page 1)
The data provided in these installation, operating and maintenance instructions are for the product description only. A statement about a certain condition or a suitability for a certain application cannot be derived from our information. The information does not release the user from his own assessments and examinations. All rights reserved by the manufacturer, even in the event of industrial property rights. Any disposal such as copying and distribution rights lies with us.
IMPORTANT INFORMATION
This manual contains important information on the safe and appropriate assembly, transport, commissioning, operation, maintenance, disassembly and simple troubleshooting of the product.
The product has been manufactured according to the accepted rules of current technology.
There is, however, still a danger of personal injury or damage to equipment if the following general safety instructions and the warnings before the steps contained in these instructions are not complied with.
■ Read these instructions completely and thoroughly before working with the product.
■ Keep these instructions in a location where they are accessible to all users at all times.
■ Always include the operating instructions when you pass the product on to third parties.
2.1. Applicable Documents
The following documents and information on the exhaust fan must be observed in addition to the installation, operating and maintenance instructions:
Nameplate
Other applicable standards:
■ DIN VDE 0100-100
■ DIN EN 60204-1
■ DIN EN ISO 13857
■ DIN EN ISO 12100
■ VDMA 24186-1
Available documents at www.ruck.eu
■ Installation, operating and maintenance instructions
■ EC Declarations of conformity
■ EC-Declaration of Incorporation (Directive 2006/42/EC)
■ Commissioning report
■ Call to Tender
■ Dimensioned drawing
■ Technical drawing DWG
■ Technical drawing DXF
■ 3D STEP
2.2. Provisions and regulations
When properly installed and operated, the device complies with the applicable standards and EU Directive at the time of its placing on the market.
In addition, observe generally valid, legal and other binding regulations of the European or national legislation as well as the regulations in your country for accident prevention and environmental protection.
2.3. Warranty and liability
Our devices are manufactured to the highest technical level in accordance with the generally accepted rules of technology. They are subject to constant quality controls. Because the products are being constantly developed, we reserve the right to make changes to the products at any time and without prior announcement. We assume no liability for the correctness or completeness of these installation, operating and maintenance instructions.
To ensure your warranty claims, it is imperative to provide a commissioning report and a maintenance record.
Warranty and liability claims for personal injury and property damage are excluded if they are due to one or more of the following causes:
■ Improper use
■ Improper mounting, commissioning, operation and maintenance
■ Operating the device with defective and / or non-functional safety and protective devices
■ Failure to observe the instructions regarding transportation, installation, operation and maintenance
■ Unauthorized structural changes to the device
■ Poor monitoring and replacement of maintenance parts
■ Improperly performed repairs
■ Disasters and force majeure
GENERAL SAFETY INSTRUCTIONS
Planners, plant engineers and operators are responsible for ensuring that the product is installed and operated correctly.
■ Use our devices only in perfect technical condition.
■ Check the device for obvious defects, such as cracks in the housing or missing rivets, screws, caps or other application-relevant defects.
■ Only use the device in the power range specified in the technical data and on the nameplate.
■ Protection against contact and being sucked in and safety distances should be provided in accordance with DIN EN 13857.
■ Generally prescribed electrical and mechanical protection devices are to be provided by the client.
■ Safety components must not be bypassed or put out of operation.
■ The product may be operated by personnel with limited physical, sensory or mental capacities only if they are supervised or have been instructed by responsible personnel.
■ Children must be kept away from the product.
3.1. Intended use
Our devices are incomplete machineries as defined in the EU Machinery Directive 2006/42/EC (partly completed machinery). The product is a not ready-for-use machine in terms of the machine directive.
It is intended exclusively for installation in a machine or in ventilation equipment and installations or for combination with other components to form a machinery or installation. The product may be commissioned only if it is integrated in the machinery/system for which it is designed and the machinery/system fully complies with the EC machinery directive.
Observe the operating conditions and performance limits specified in the technical data.
Conveying and ambient temperatures must be observed according to the technical data and the nameplate.
Intended use also implies that you have fully read and understood this manual.
Improper use may result in danger to the life and limb of the user or third parties or damage to the system or other property.
3.2. Improper use
Any use of the product other than described in chapter “Intended use” is considered as improper.
The following points are improper and dangerous:
■ Delivery of explosive and flammable media or operation in potentially explosive atmospheres.
■ The conveyance of greasy and moist media (over 90% relative humidity).
■ Delivery of aggressive and abrasive media.
■ Operation without the duct system.
■ Operation with closed air connections.
■ The use on vehicles, aircrafts and ships.
3.3. Personnel qualifications
Assembly, commissioning, operation, disassembly and service (including maintenance and repair) require basic mechanical and electrical knowledge, as well as knowledge of the appropriate technical terms. In order to ensure operating safety, these activities may therefore only be carried out by qualified technical personnel or a person under the direction and supervision of qualified personnel. Qualified personnel are those who can recognize possible hazards and institute the appropriate safety measures due to their professional training, knowledge, and experience, as well as their understanding of the relevant conditions pertaining to the work to be done. Qualified personnel must observe the rules relevant to the subject area.
3.4. Safety instructions in this manual
In this manual, there are safety instructions before the steps whenever there is a danger of personal injury or damage to the equipment. The measures described to avoid these hazards must be observed.
Safety instructions are set out as follows:
Safety sign (warning triangle)
• Type of risk!
» Consequences
→ Precautions
– Draws attention to the risk.
– Identifies the type or source of the hazard.
– Describes what occurs when the safety instructions are not complied with.
– States how the hazard can be avoided.
Safety sign (warning triangle) Consequence
![]() | General warning! Indicates possible hazardous situations. Failure to observe the warnings may result in personal injury and / or damage to property. |
![]() | Electricity warning (hazardous voltage)! Indicates possible hazards due to electricity. Failure to observe the warnings may result in death, injury and/or damage to property. |
![]() | Hot surface warning! Indicates possible hazards due to high surface temperatures. Failure to observe the warnings may result in personal injury and/or damage to property. |
![]() | Finger-Crushing Warning! Indicates possible hazards due to moving and rotating parts. Failure to observe the warnings may result in personal injury. |
![]() | Overhead load warning! Indicates possible hazards due to overhead loads. Failure to observe the warnings may result in death, injury and/or damage to property. |
![]() | Follow important information! Instructions for safe, optimum use of the product. |
• General warning
» Failure to observe the warnings may result in personal injury and / or damage to property.
→ Unauthorized repairs may cause personal injury and /or damage to property, in which case the manufacturer‘s guarantee or warranty will not apply.
• Caution! Burning hazard.
» Failure to observe the hazard may result in personal injury and/or damage to property.
→ Do not touch the surface until the motor and heater have cooled.
• Never reach into the impeller or other rotating or moving parts.
» Failure to observe the hazard may lead to serious injury.
→ Work may only be performed once the impeller has come to a complete halt.
• Electricity warning (hazardous voltage)!
» Failure to observe the hazard may result in death, injury or damage to property.
→ Before performing any work on conductive parts, always disconnect the unit completely from the electricity supply and make sure that it cannot be switched back on again.
• Never reach into the impeller or other rotating or moving parts.
» Failure to observe the hazard may lead to serious injury.
→ Work may only be performed once the impeller has come to a complete halt.
• Never clean the internal space with flowing water or a high-pressure cleaner. Do not use aggressive or easily flammable products for cleaning (impellers/housing).
→ Only use mild soapsuds. The impeller should be cleaned with a cloth or brush.
ADHERE TO THE FOLLOWING INSTRUCTIONS
4.1. General instructions
■ Persons who assemble, operate, disassemble or maintain our devices must not be under the influence of alcohol, drugs or pharmaceuticals that may affect perception and responsiveness.
■ Responsibilities for the operation, maintenance and regulation of the product should be clearly determined and observed so that there can be no unclear areas of responsibility with regard to safety.
4.2. Indications assembly
■ Disconnect all of the product‘s poles from the mains before installing the product or connecting or removing plugs. Make sure that the product cannot be switched back on again.
■ Lay cables and lines so that they cannot be damaged and no one can trip over them.
■ Information signs must not be changed or removed.
4.3. Indications Commissioning
■ Make sure that all electrical connections are either used or covered. Commission the product only if it is installed completely.
■ The power switch must always be fully functional and easy accessible!
4.4. Indications during operation
■ Only authorized personnel is allowed to operate the setting mechanisms of the components or parts, under the provision that the system is used as intended.
■ In an emergency, or if there is a fault, or other irregularities, switch the equipment off and make sure it cannot be switched back on again.
■ The technical data given on the rating plate must not be exceeded.
PRODUCT INFORMATION
Description:
- Roof fan for exhaust air applications
- The temperature of the conveying medium of the individual types can be found in the technical data
- Horizontal discharge
- Backward curved radial impeller
- Motor inside the airflow
- Motor protection on site
- Outdoor installation over heated rooms
- Installation position vertical
- Snow load class 0
- Connection flange dimensions according to DIN 24154R3
- The housing is made of seawater resistant aluminum.
- The motors used can be voltage controlled via transformer.
5.1. Nameplate
ATTENTION! The information on the nameplate must always be observed!
Legend:
Imax..……….. Max. current consumption
tA / tM.………… Max. ambient temperature / Max. medium temperature
P1N..……………. Rated power consumption
nN……………… Rated speed
ErP Data…………. ErP Conformity, if required according to Reg. 327/2011
η..………. Overall efficiency
N…………. Efficiency at the optimum energy efficiency
ID……………….. Item number
SN.…………. Serial number
DELIVERY CONTENTS
- 1 x roof fan
- 1 x Installation, operating and maintenance instructions
- EC Declarations of conformity
- EC-Declaration of Incorporation (Directive 2006/42/EC)
TECHNICAL DATA

DIMENSIONS
DHL…E
| DHL 450 E4 RK – 01 | 160878 | A mm | B mm | C mm | D mm | E mm | F mm | G mm | H mm |
| DHL 500 E4 RK – 01 | 160880 | □902 | 674 | 699 | 605 | 327 | □535 | 4xØ11 | Ø438 6x M6x15 |
| Product name | Item number | □902 | 674 | 699 | 605 | 327 | □535 | 4xØ11 | Ø438 6xM6x15 |

TRANSPORT AND STORAGE
Transport and storage should only be performed by specialist personnel in accordance with the assembly and operating manual and regulations in force.
The following points should be noted and followed:
- Check the delivery according to the delivery note to ensure it is complete and correct and check for any damage. Any missing quantities or damage incurred during transport should be confirmed by the carrier. No liability is accepted if this is not observed.
- For weight see technical data
- It should be transported with suitable lifting equipment in the original packaging or on the transport equipment indicated.
- If transported with a forklift, it should be ensured that the product is resting with the basic profile or base frame completely on the forks or on a pallet and the product‘s centre of gravity is between the forks.
- The driver must be authorized to drive a forklift.
- Do not go beneath the suspended load.
- Avoid damage or deformation of the housing.
- The product must be stored in a dry area and protected from the weather in the original packaging. Open pallets should be covered with tarpaulins. Even weatherproof modules should be covered because their weather resistance is only guaranteed after complete installation. If moisture has penetrated into the original packaging, remove it immediately.
- Storage temperature between +5 °C and +40 °C. Avoid severe temperature fluctuations.
- If the product has been in storage for more than a year, check the smooth running of impellers and valves by hand.
Lift the roof fan out of the packaging:
- Insert crane hook (1) into the two eyehooks (2) on the roof fan
- Release transport locks (3) 4x
- Lift the roof fan (4) out of the packaging (see Fig.)
ASSEMBLY
Assembly work may only be performed by specialist personnel in accordance with the installation and operating manual and the regulations and standards in force.
The following points should be noted and followed:
- The foundation must be even and levelled. It must not exhibit unevenness or a slope in any direction.
- Set up and align the machine with the aid of a water level. A perfect function of the device can be guaranteed only if levelled mounted.
- Only suitable installation aids, in accordance with regulations, should be used.
- The device must be installed in such a way that it is easily accessible for maintenance and cleaning purposes.
- The unit should only be installed with authorized and suitable fastening materials at all fastening points.
- Do not distort the unit when installing.
- Just use the indicated mounting and fixing places. No holes should be made in the housing or any screws screwed into it.
- The duct system must not be supported on the housing.
- For structure-borne sound decoupling, a flexible connection is recommended when connected on a duct system.
- The length of straight tube before fan must be at least 2.5 times the fan diameter
10.1. Mounting on roof socket (DSF)
■ Fasten the roof fan (2) with screws and washers (3) and (4) on the roof socket (1)
10.2. Installation examples
DSF – Flat roof socket / Sloped roof socket
DSS – Socket silencer / Sloped roof socket silencer
ELECTRICAL CONNECTION
• Electricity warning (hazardous voltage)!
» Failure to observe the hazard may result in death, injury or damage to property.
→ Before performing any work on conductive parts, always disconnect the unit completely from the electricity supply and make sure that it cannot be switched back on again.
The electrical installation may only be carried out by qualified electricians in compliance with the installation, operating and maintenance instructions and the applicable national regulations, standards and guidelines:
- ISO, DIN, EN and VDE specifications, including all safety requirements.
- Technical connection conditions.
- Safety at work and accident prevention requirements.
This list does not claim to be complete.
Requirements should be applied under one‘s own personal responsibility. - The electrical connections must be made as shown in the corresponding wiring diagrams and terminal diagrams.
- The type of cable, size of cable and method of laying should be determined by an authorized electrician.
- Low and extra-low voltage cables should be laid separately.
- If no repair switch is integrated in the device, an all-pole mains disconnecting switch with min. 3 mm contact opening must be provided in the supply line.
- Use a separate cable inlet for each cable.
- Any cable inlets that are not used must be sealed so that it is airtight.
- All cable inlets must have strain relief.
- Create equipotential bonding between the unit and the duct system.
- Check all protective measures after the electrical connection work (earthing resistance, etc.)
- Motor current and motor power must not exceed the values stated on the motor nameplate. The specified max. fan speed must never be exceeded, otherwise the motor and fan will be destroyed by this overload and dissolved or flying parts can destroy other components.
While in continuous operation, voltage controllable fans are allowed to function only with at least half of the nominal voltage. If this is not upheld, the motor unit may suffer damages.
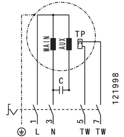
11.1. Unit supply cable / Electrical connection / wiring diagram
Connect the mains supply cable as shown in the wiring diagram. For the dimensioning of the line, observe the unit‘s rating plate and the relevant guidelines. Appropriate protection with correctly dimensioned automatic safety breakers (circuit protection breaker) must be provided.
The device must be connected according to the wiring diagram. For fans which are controlled by external control devices, the corresponding operating instructions of the manufacturer must be observed.
11.2. Thermal motor protection
During operation, electric motors heat up. Under certain circumstances (excessively high ambient or fluid temperatures, heavy contamination, etc.), the motor temperature may exceed the safety limit of the electrically isolated parts.In order to avoid engine damage, various types of temperature monitoring are possible, of which at least one must be installed on site. (Exception: fans with thermal contacts integrated in the motor current)
Applies for versions with led out thermal contact: No warranty in case of a not connected Thermal Contact. Damages caused by overheating will not be considered.
The external thermal contacts are not suitable for connection in the motor current.
COMMISSIONING
Commissioning by trained technical personnel may only be performed after any risk has been ruled out. The following checks should be performed in accordance with the installation and operating manual and the regulations in force:
- Correctly sealed installation of the unit and duct system.
- Check the duct system, unit and medium lines, if present, remove any foreign bodies if necessary.
- The intake opening and inflow into the unit must be clear.
- Check all mechanical and electrical protection measures (e.g. earthing).
- Voltage, frequency and type of current must correspond with the rating plate.
MAINTENANCE AND CLEANING
Servicing, troubleshooting and cleaning may only be performed by specialised personnel in accordance with this installation and operating manual and the regulations in force.
■ Make sure that no connections or components are loosened unless the device is disconnected from the mains. Make sure that the equipment cannot be switched back on again.
■ Individual components must not be interchanged. For example, the components intended for one product may not be used for other products.
■ The regular maintenance and care of our devices is designed to ensure proper function, value retention and avoidance of damage. Keep a maintenance log.
■ Perform the specified maintenance on the unit at the specified intervals.
Our devices require little maintenance when operated properly.
The following work should be performed at regular intervals, in accordance with health and safety regulations:
- Check the operation of the control system and safety devices.
- Check electrical connections and wiring for damage.
- Remove any dirt from the fan impeller or impellers and from inside the fan housing in order to prevent any unbalance or reduction in output.
– Do not use aggressive or easily flammable products for cleaning (impellers/housing).
– Preferably only water (not flowing water) or mild soapsuds should be used.
– The impeller should be cleaned with a cloth or brush.
– Never use a high-pressure cleaner.
– Balancing clips must not be moved or removed.
– The impeller and fittings must not be damaged in any way.
Before putting the unit back into operation after maintenance and servicing work, carry out a visual inspection as described in section 11. and 12.
13.1. Checklist Maintenance and Service
| Description | check interval |
| Triggering device | monthly |
| ■ Fan | |
| Check fan for function and operational readiness (test run at least 15 minutes) | every 6 months |
| Check fan for function and operational readiness (test run at least 1 hour) | yearly |
| Check for dirt, damage, corrosion and fastening | every 6 months |
| Function-preserving cleaning | every 6 months |
| Check impeller rotation direction | yearly |
| Check flexible connections for leaks | yearly |
| Check impeller for imbalance | yearly |
| Check protective device for function | yearly |
| ■ Motor | |
| Check externally for dirt, damage, corrosion and fastening | every 6 months |
| Function-preserving cleaning | yearly |
| Check bearing for noise | yearly |
| Check terminals for tight fit | yearly |
| Measure the voltage | yearly |
13.2. Impeller installation with Taperlock clamping bush
The impeller is connected by means of the clamping bush to the shaft end of the drive motor.
Assembly
- Clean all bare surfaces (mating surfaces of the clamping bushings and motor shaft).
- Insert the clamping bush (1) into the hub (2) and bring the holes into alignment.
- Loosely lubricate the threaded pins (3) and screw in – do not tighten yet.
- Push the impeller onto the shaft with the clamping sleeve, align it in the axial position and tighten the threaded pins evenly on both sides. Observe the tightening torque according to table.
Disassembly
- Loosen all the threaded studs (3) and screw them out completely. Lubricate a threaded pin and screw it into the disassembly hole (4).
- Tighten the threaded pin until the clamping bush (1) is released from the hub (2).
- The impeller can be removed.
Technical data
Torque table
| Bushing size | 1210 | 2012 | 2517 |
| Screw tightening torque with feather (Nm) | 17 | 26 | 41 |
| Screw tightening torque without feather (Nm) | 20 | 31 | 48 |
| Number of screws | 2 | 2 | 2 |
Commissioning (after replacement)
- Remove any remaining installation material and foreign objects from the impeller and suction area.
- Check direction of rotation (direction of rotation arrow on the impeller base disc).
- During initial commissioning, the entire unit must be checked for mechanical vibrations. If necessary, re-balancing must be carried out.
- Pay attention to a quiet operation, without vibrations.
LIFETIME AND DISPOSAL
14.1. Product life
The motors are equipped with maintenance-free, permanently lubricated ball bearings. Under normal operating conditions, the expected lifetime is about 30,000 operating
hours.
The information given here depends strongly on the respective field of application as well as the environmental conditions. We recommend replacing these fans after reaching about 30,000 operating hours or 5 years.
14.2. Decommissioning and disposal
When disassembling, parts under voltage are exposed, which can lead to electric shock when touched. Before dismantling, disconnect the fan from all poles of the mains and secure against being switched on again!
Parts and components of the device that have reached their lifetime, e.g. due to wear, corrosion, mechanical stress,
fatigue and/or all other, not directly recognizable effects, must be disposed of professionally and properly after disassembly in accordance with national and international laws and regulations. The same applies to excipients in use such as oils and fats or other substances. The conscious or unconscious reuse of used components such as e.g. impellers, rolling bearings, motors. etc. can lead to a risk to persons, the environment as well as machinery and equipment. The applicable local operating regulations must be observed and applied.
14.3. Spare parts (motor + impeller)
Only original spare parts may be used.
The repair may only be carried out by personnel trained and authorized.
TROUBLESHOOTING
| Fault | Possible cause | Remedy methods |
| ■ Fan does not start | ■ No power supply ■ Impeller does not rotate freely | ■ Check mains supply / connections ■ Find out the causes and, if possible, remove the fault. If not possible, contact the supplier. |
| ■ Motor overheated / temperature protection is tiggered | ■ Fault of the ball bearings ■ Too high operating temperature ■ Air flow is too low, motor cannot cool down | ■ Contact the supplier ■ Observe the data on the nameplate ■ See fault „Low air flow“ |
| ■ Device too noisy / casing vibrations | ■ Dirt deposits on the impeller ■ Imbalance of the impeller ■ Connection with intake or exhaust pipe/duct causes vibrations/ oscillations ■ Fixing screws released ■ Fault of the ball bearings ■ Loose impeller blade | ■ See chapter maintenance and cleaning ■ Contact the supplier ■ Install fan with vibration dampers ■ Tighten screws ■ Contact the supplier ■ Contact the supplier |
| ■ Low airflow | ■ Impeller runs in the wrong direction (wrong air transport direction) ■ High pressure losses in the system ■ Return flaps closed or only partially open ■ Duct system clogged ■ Speed control incorrectly set/ incorrectly connected | ■ Note the marking on the device / nameplate. Check electrical connections ■ Improve piping configuration or select a more powerful fan ■ Check drive system / installation position of the return flap ■ Remove blockage / clean protective grille ■ Check settings / switching unit and possibly adjust / connect |
ruck Ventilatoren GmbH
Max-Planck-Str. 5
D-97944 Boxberg-Windischbuch
Tel. +49 7930 9211-300
Fax +49 7930 9211-166
[email protected]
www.ruck.eu
Information updated
print 14.06.2022
mdnhl_pb_01_k10001_en
We reserve the right to make changes

























