ruck VENTILATOREN MPC-EC 40 Box Fan MPC with EC Motor

ABOUT COMPANY
- ruck Ventilatoren GmbH
- Max-Planck-Str. 5
- D-97944 Boxberg-Windischbuch
- +49 (0)7930 9211-300
- +49 (0)7930 9211-166
- [email protected]
- www.ruck.eu
FOREWORD
Dear customers,
- Thank you for choosing our device.
- Before operating the unit, please read carefully these installation, operating and maintenance instructions. If you have any questions, please contact: (Contact details see page 1)
- The data provided in these installation, operating and maintenance instructions are for the product description only. A statement about a certain condition or a suitability for a certain application cannot be derived from our information. The information does not release the user from his own assessments and examinations.
- All rights reserved by the manufacturer, even in the event of industrial property rights.
- Any disposal such as copying and distribution rights lies with us.
IMPORTANT INFORMATION
- This manual contains important information on the safe and appropriate assembly, transport, commissioning, operation, maintenance, disassembly and simple troubleshooting of the product.
- The product has been manufactured according to the accepted rules of current technology.
- There is, however, still a danger of personal injury or damage to equipment if the following general safety instructions and the warnings before the steps contained in these instructions are not complied with.
- Read these instructions completely and thoroughly before working with the product.
- Keep these instructions in a location where they are accessible to all users at all times.
- Always include the operating instructions when you pass the product on to third parties.
Other applicable documents and information
The following documents and information must be observed in addition to the installation, operating and maintenance instructions:
- Nameplate
- Other applicable standards:
- DIN VDE 0100-100
- DIN EN 60204-1
- DIN EN ISO 13857
- DIN EN ISO 12100
- DIN 24154R3
- VDI 2052
- VDMA 24186-1
- Available documents at www.ruck.eu
- Installation, operating and maintenance instructions
- Programming instruction FU (three-phase version)
- EC Declarations of conformity
- EC-Declaration of Incorporation (Directive 2006/42/EC)
- Commissioning report
- Call to Tender
- Dimensioned drawing
- Technical drawing DWG
- Technical drawing DXF
- 3D STEP
Provisions and regulations
- When properly installed and operated, the device complies with the applicable standards and EU Directive at the time of its placing on the market.
- In addition, observe generally valid, legal and other binding regulations of the European or national legislation as well as the regulations in your country for accident prevention and environmental protection.
Warranty and liability
- Our devices are manufactured to the highest technical level in accordance with the generally accepted rules of technology. They are subject to constant quality controls. Because the products are being constantly developed, we reserve the right to make changes to the products at any time and without prior announcement. We assume no liability for the correctness or completeness of these installation, operating and maintenance instructions.
- To ensure your warranty claims, it is imperative to provide a commissioning report and a maintenance record.
- Warranty and liability claims for personal injury and property damage are excluded if they are due to one or more of the following causes:
- Improper use
- Improper mounting, commissioning, operation and maintenance
- Operating the device with defective and / or non-functional safety and protective devices
- Failure to observe the instructions regarding transportation, installation, operation and maintenance
- Unauthorized structural changes to the device
- Poor monitoring and replacement of maintenance parts
- Improperly performed repairs
- Disasters and force majeure
GENERAL SAFETY INSTRUCTIONS
Planners, plant engineers and operators are responsible for ensuring that the product is installed and operated correctly.
- Use our devices only in perfect technical condition.
- Check the device for obvious defects, such as cracks in the housing or missing rivets, screws, caps or other application-relevant defects.
- Only use the device in the power range specified in the technical data and on the nameplate.
- Protection against contact and being sucked in and safety distances should be provided in accordance with DIN EN 13857.
- Generally prescribed electrical and mechanical protection devices are to be provided by the client.
- Safety components must not be bypassed or put out of operation.
- The product may be operated by personnel with limited physical, sensory or mental capacities only if they are supervised or have been instructed by responsible personnel.
- Children must be kept away from the product.
Intended use
- Our devices are incomplete machineries as defined in the EU Machinery Directive 2006/42/EC (partly completed machinery). The
product is a not ready-for-use machine in terms of the machine directive. - It is intended exclusively for installation in a machine or in ventilation equipment and installations or for combination with other components to form a machinery or installation. The product may be commissioned only if it is integrated in the machinery/system for which it is designed and the machinery/system fully complies with the EC machinery directive.
- Observe the operating conditions and performance limits specified in the technical data.
- Conveying and ambient temperatures must be observed according to the technical data and the nameplate.
- Intended use also implies that you have fully read and understood this manual.
- Improper use may result in danger to the life and limb of the user or third parties or damage to the system or other property.
Improper use
- Any use of the product other than described in chapter “Intended use” is considered as improper.
- The following points are improper and dangerous:
- Delivery of explosive and flammable media or operation in potentially explosive atmospheres.
- Delivery of aggressive and abrasive media.
- Operation without the duct system.
- Operation with closed air connections.
- The use on vehicles, aircrafts and ships.
Personnel qualifications
Assembly, commissioning, operation, disassembly and service (including maintenance and repair) require basic mechanical and electrical knowledge, as well as knowledge of the appropriate technical terms. In order to ensure operating safety, these activities may therefore only be carried out by qualified technical personnel or a person under the direction and supervision of qualified personnel. Qualified personnel are those who can recognize possible hazards and institute the appropriate safety measures due to their professional training, knowledge, and experience, as well as their understanding of the relevant conditions pertaining to the work to be done. Qualified personnel must observe the rules relevant to the subject area.
Safety instructions in this manual
In this manual, there are safety instructions before the steps whenever there is a danger of personal injury or damage to the equipment. The measures described to avoid these hazards must be observed.
- General warning!
Indicates possible hazardous situations. Failure to observe the warnings may result in personal injury and / or damage to property. - Electricity warning (hazardous voltage)!
Indicates possible hazards due to electricity. Failure to observe the warnings may result in death, injury and/or damage to property. - Hot surface warning!
Indicates possible hazards due to high surface temperatures. Failure to observe the warnings may result in personal injury and/or damage to property. - Finger-Crushing Warning!
Indicates possible hazards due to moving and rotating parts. Failure to observe the warnings may result in personal injury. - Overhead load warning!
Indicates possible hazards due to overhead loads. Failure to observe the warnings may result in death, injury and/or damage to property. - Follow important information!
Instructions for safe, optimum use of the product.
Safety instructions are set out as follows:
- Safety sign (warning triangle) – Draws attention to the risk.
- • Type of risk! – Identifies the type or source of the hazard.
- » Consequences – Describes what occurs when the safety instructions are not complied with.
- → Precautions – States how the hazard can be avoided.
SAFETY INSTRUCTION
- General warning
- » Failure to observe the warnings may result in personal injury and / or damage to property.
- → Unauthorized repairs may cause personal injury and / or damage to property, in which case the manufacturer‘s guarantee or warranty will not apply.
- Electricity warning (hazardous voltage)!
- » Failure to observe the hazard may result in death, injury or damage to property.
- → Before performing any work on conductive parts, always disconnect the unit completely from the electricity supply and make sure that it cannot be switched back on again.
- Caution! Burning hazard.
- » Failure to observe the hazard may result in personal injury and/or damage to property.
- → Do not touch the surface until the motor and heater have cooled.
- Never reach into the impeller or other rotating or moving parts.
- » Failure to observe the hazard may lead to serious injury.
- → Work may only be performed once the impeller has come to a complete halt.
- Never reach into the impeller or other rotating or moving parts.
- » Failure to observe the hazard may lead to serious injury.
- → Work may only be performed once the impeller has come to a complete halt.
- Never clean the internal space with flowing water or a high-pressure cleaner. Do not use aggressive or easily flammable products for cleaning (impellers/housing).
- → Only use mild soapsuds. The impeller should be cleaned with a cloth or brush.
ADHERE TO THE FOLLOWING INSTRUCTIONS
General instructions
- Persons who assemble, operate, disassemble or maintain our devices must not be under the influence of alcohol, drugs or pharmaceuticals that may affect perception and responsiveness.
- Responsibilities for the operation, maintenance and regulation of the product should be clearly determined and observed so that there can be no unclear areas of responsibility with regard to safety.
Indications assembly
- Disconnect all of the product‘s poles from the mains before installing the product or connecting or removing plugs. Make sure that the product cannot be switched back on again.
- Lay cables and lines so that they cannot be damaged and no one can trip over them.
- Information signs must not be changed or removed.
Indications Commissioning
- Make sure that all electrical connections are either used or covered. Commission the product only if it is installed completely.
- The power switch must always be fully functional and easy accessible!
Indications during operation
- Only authorized personnel is allowed to operate the setting mechanisms of the components or parts, under the provision that the system is used as intended.
- In an emergency, or if there is a fault, or other irregularities, switch the equipment off and make sure it cannot be switched back on again.
- The technical data given on the rating plate must not be exceeded
PRODUCT INFORMATION
Description:
- Fan for exhaust applications
- Backward curved radial impeller
- Motor inside the airflow
- Integrated thermal motor monitoring
- Outdoor installation only allowed with adequate weather protection.
- Three possible outlet directions
- Electronically commutated (EC) external rotor motor.
- EC motor controllable via 0-10V or PWM signal
- Double-skin housing made of galvanized sheet steel with 30 mm thermoacoustic insulation, non-combustible according to DIN
EN 13501-1, building material class A1.
Nameplate
ATTENTION! The information on the nameplate must always be observed!

Legend:
- Imax Max. current consumption
- tA / tM Max. ambient temperature / Max. medium temperature
- P1N Rated power consumption
- nN Rated speed
- ErP Data ErP Conformity, if required according to Reg. 327/2011
- η Overall efficiency
- N Efficiency at the optimum energy efficiency
- ID Item number
- SN Serial number
DELIVERY CONTENTS
- 1 x Exhaust fan
- 1 x Installation, operating and maintenance instructions
- EC Declarations of conformity
- EC-Declaration of Incorporation (Directive 2006/42/EC)
TECHNICAL DATA

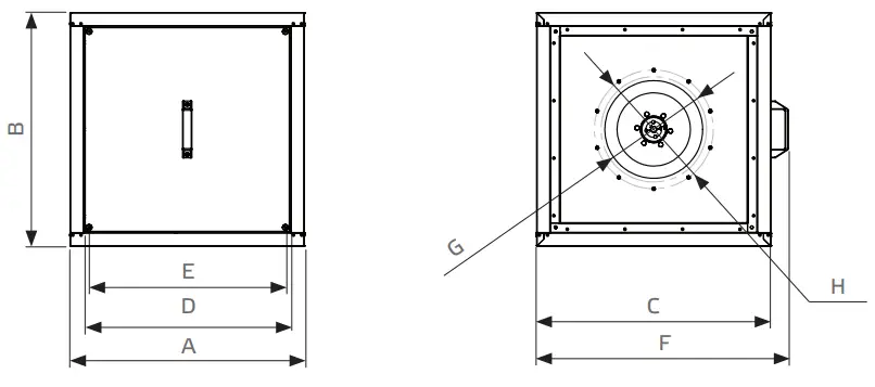
DIMENSIONS
MPC…EC 40

| Product name | Item number | A
mm | B
mm | C
mm | D
mm | E
mm | F
mm | G Connection dimensi- on inside mm | H
mm |
| MPC 225 EC 40 | 157953 | 500 | 500 | 500 | 417 | 386 | 552 | min. 195 | 6 x M6 LK Ø250 |
| MPC 250 EC 40 | 157954 | 500 | 500 | 500 | 417 | 386 | 552 | min. 220 | 6 x M6 LK Ø250 |
| MPC 280 EC 40 | 157955 | 500 | 500 | 500 | 417 | 386 | 552 | min. 240 | 6 x M6 LK Ø280 |
| MPC 355 EC 40 | 159802 | 700 | 700 | 700 | 617 | 586 | 752 | min. 315 | 8 x M8 LK Ø355 |
| MPC 400 EC 40 | 157956 | 700 | 700 | 700 | 617 | 586 | 752 | min. 340 | 8 x M8 LK Ø395 |
| MPC 450 EC 40 | 157960 | 700 | 700 | 700 | 617 | 586 | 752 | min. 350 | 8 x M8 LK Ø450 |
| MPC 450 EC 41 | 164101 | 700 | 700 | 700 | 617 | 586 | 752 | min. 350 | 8 x M8 LK Ø450 |
| MPC 500 EC 40 | 157916 | 700 | 700 | 700 | 617 | 586 | 752 | min. 430 | 8 x M8 LK Ø500 |
| MPC 560 EC 40 | 157961 | 900 | 900 | 900 | 817 | 786 | 952 | min. 500 | 12 x M8 LK Ø560 |
| MPC 630 EC 40 | 157325 | 900 | 900 | 900 | 817 | 786 | 952 | min. 550 | 12 x M8 LK Ø620 |
TRANSPORT AND STORAGE
- Transport and storage should only be performed by specialist personnel in accordance with the assembly and operating manual and regulations in force.
- The following points should be noted and followed:
- Check the delivery according to the delivery note to ensure it is complete and correct and check for any damage. Any missing quantities or damage incurred during transport should be confirmed by the carrier. No liability is accepted if this is not observed.
- For weight see technical data
- It should be transported with suitable lifting equipment in the original packaging or on the transport equipment indicated.
- If transported with a forklift, it should be ensured that the product is resting with the basic profile or base frame completely on the forks or on a pallet and the product‘s centre of gravity is between the forks.
- The driver must be authorized to drive a forklift.
- Do not go beneath the suspended load.
- Avoid damage or deformation of the housing.
- The product must be stored in a dry area and protected from the weather in the original packaging. Open pallets should be covered with tarpaulins. Even weatherproof modules should be covered because their weather resistance is only guaranteed after complete installation. If moisture has penetrated into the original packaging, remove it immediately.
- Storage temperature between +5 °C and +40 °C. Avoid severe temperature fluctuations.
- If the product has been in storage for more than a year, check the smooth running of impellers and valves by hand.

- Packaging may vary, depending on the size of the device.
ASSEMBLY
Assembly work may only be performed by specialist personnel in accordance with the installation and operating manual and the
regulations and standards in force.
The following points should be noted and followed:
- The foundation must be even and levelled. It must not exhibit unevenness or a slope in any direction.
- Set up and align the machine with the aid of a water level. A perfect function of the device can be guaranteed only if levelled mounted.
- Only suitable installation aids, in accordance with regulations, should be used.
- The device must be installed in such a way that it is easily accessible for maintenance and cleaning purposes.
- The unit should only be installed with authorized and suitable fastening materials at all fastening points.
- Do not distort the unit when installing.
- Just use the indicated mounting and fixing places. No holes should be made in the housing or any screws screwed into it.
- The duct system must not be supported on the housing.
- For structure-borne sound decoupling, a flexible connection is recommended when connected on a duct system.
- The length of straight tube before fan must be at least 2.5 times the fan diameter
- With matching accessories, suitable for outdoor installation
- In the end install the handle on a closed, easily accessible panel for maintenance.

Assembly with accessories

- A RD MPC Rain cover
- B RVS Tube connection spigot
- C RVK Tube damper
- D GR MPC Base frame
- E WSG MPC Weather protection grille
- F RAS Round inlet spigot
- G SGE Wire protection grille
- H ESD Inlet cone
- I RAF Round inlet flange
- J AS MPC Inlet spigot
- K VM Fast clamps
- L1 UQR Transition
- L2 USM Panel with spigot
- L3 UCP Closed panel
- L4 WSH MPC Weather protection hood
Assembly with discharge on the back side

Assembly with discharge on side
- In order to change the discharge side, the panels or a panel must be removed.

- Discharge left

- Discharge right

By closing an open side, the discharge side can be changed.
ELECTRICAL CONNECTION
- • Electricity warning (hazardous voltage)!
- » Failure to observe the hazard may result in death, injury or damage to property.
- → Before performing any work on conductive parts, always disconnect the unit completely from the electricity supply and make sure that it cannot be switched back on again.
The electrical installation may only be carried out by qualified electricians in compliance with the installation, operating and maintenance instructions and the applicable national regulations, standards and guidelines:
- ISO, DIN, EN and VDE specifications, including all safety requirements.
- Technical connection conditions.
- Safety at work and accident prevention requirements.
This list does not claim to be complete.
Requirements should be applied under one‘s own personal responsibility.
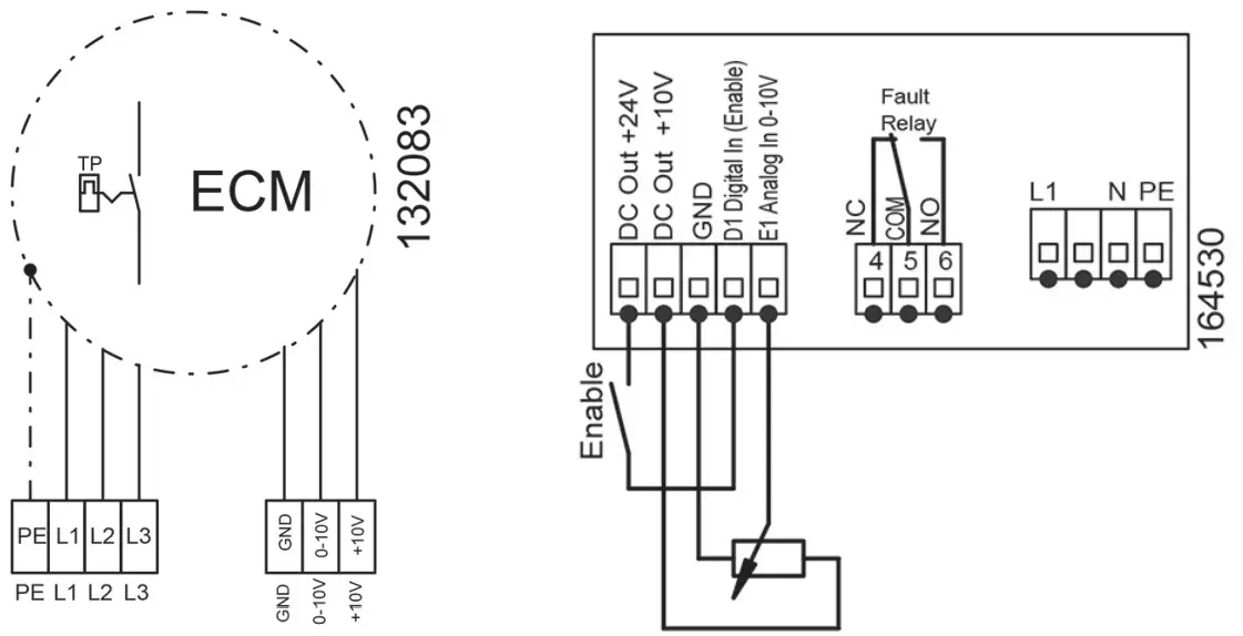
- The electrical connections must be made as shown in the corresponding wiring diagrams and terminal diagrams.
- The type of cable, size of cable and method of laying should be determined by an authorized electrician.
- Low and extra-low voltage cables should be laid separately.
- An all-pole mains disconnection device with at least 3 mm contact gap must be provided in the supply line.
- Use a separate cable inlet for each cable.
- Any cable inlets that are not used must be sealed so that it is airtight.
- All cable inlets must have strain relief.
- Create equipotential bonding between the unit and the duct system.
- Check all protective measures after the electrical connection work (earthing resistance, etc.)
- Motor current and motor power must not exceed the values stated on the motor nameplate. The specified max. fan speed must
never be exceeded, otherwise the motor and fan will be destroyed by this overload and dissolved or flying parts can destroy
other components.
Unit supply cable
- Connect the mains supply cable as shown in the wiring diagram. For the dimensioning of the line, observe the unit‘s rating plate and
the relevant guidelines. Appropriate protection with correctly dimensioned automatic safety breakers (circuit protection breaker)
must be provided. - The device must be connected according to the wiring diagram. For fans which are controlled by external control devices, the corresponding operating instructions of the manufacturer must be observed.


Thermal motor protection
- During operation, electric motors heat up. Under certain circumstances (excessively high ambient or fluid temperatures, heavy
contamination, etc.), the motor temperature may exceed the safety limit of the electrically isolated parts. - In case of EC motors an electronic temperature monitoring is present.
Fault current protection switch
- If a fault current protection switch is used, only AC/DC sensitive RCD protective devices (type B or B+) are permitted.
- Even when the device is switched off, voltage is applied to terminals and connections. Do not touch the device for 5 minutes after all-pole disconnection from the mains.
COMMISSIONING
Commissioning by trained technical personnel may only be performed after any risk has been ruled out.
The following checks should be performed in accordance with the installation and operating manual and the regulations in force:
- Correctly sealed installation of the unit and duct system.
- Check the duct system, unit and medium lines, if present, remove any foreign bodies if necessary.
- The intake opening and inflow into the unit must be clear.
- Check all mechanical and electrical protection measures (e.g. earthing).
- Voltage, frequency and type of current must correspond with the rating plate.
MAINTENANCE AND CLEANING
Servicing, troubleshooting and cleaning may only be performed by specialised personnel in accordance with this installation and operating manual and the regulations in force.
- Make sure that no connections or components are loosened unless the device is disconnected from the mains. Make sure that the equipment cannot be switched back on again.
- Individual components must not be interchanged. For example, the components intended for one product may not be used for other products.
- The regular maintenance and care of our devices is designed to ensure proper function, value retention and avoidance of damage. Keep a maintenance log.
- Perform the specified maintenance on the unit at the specified intervals. Our devices require little maintenance when operated properly. The following work should be performed at regular intervals, in accordance with health and safety regulations:
- Check the operation of the control system and safety devices.
- Check electrical connections and wiring for damage.
- Remove any dirt from the fan impeller or impellers and from inside the fan housing in order to prevent any unbalance or reduction in output.
- Do not use aggressive or easily flammable products for cleaning (impellers/housing).
- Preferably only water (not flowing water) or mild soapsuds should be used.
- The impeller should be cleaned with a cloth or brush.
- Never use a high-pressure cleaner.
- Balancing clips must not be moved or removed.
- The impeller and fittings must not be damaged in any way.
- Before putting the unit back into operation after maintenance and servicing work, carry out a visual inspection as described in section 12. and 13.
Checklist Maintenance and Service

LIFETIME AND DISPOSAL
Product life
- The motors are equipped with maintenance-free, permanently lubricated ball bearings. Under normal operating conditions, the expected lifetime is about 30,000 operating hours.
- The information given here depends strongly on the respective field of application as well as the environmental conditions. We recommend replacing these fans after reaching about 30,000 operating hours or 5 years.
Decommissioning and disposal
- When disassembling, parts under voltage are exposed, which can lead to electric shock when touched.
- Before dismantling, disconnect the fan from all poles of the mains and secure against being switched on again!
- Parts and components of the device that have reached their lifetime, e.g. due to wear, corrosion, mechanical stress, fatigue and/ or all other, not directly recognizable effects, must be disposed of professionally and properly after disassembly in accordance with national and international laws and regulations. The same applies to excipients in use such as oils and fats or other substances.
- The conscious or unconscious reuse of used components such as e.g. impellers, rolling bearings, motors. etc. can lead to a risk to persons, the environment as well as machinery and equipment. The applicable local operating regulations must be observed and applied.
Spare parts (motor + impeller)
- Only original spare parts may be used.
- The repair may only be carried out by personnel trained and authorized.
TROUBLESHOOTING

CONTACT
- ruck Ventilatoren GmbH
- Max-Planck-Str. 5
- D-97944 Boxberg-Windischbuch
- +49 (0)7930 9211-300
- +49 (0)7930 9211-166
- [email protected]
- www.ruck.eu
- Information updated print 01.09.2022
- mpcnec_pb_04b_k10001_en
- We reserve the right to make changes



























