fantech 490095 FG..EC Series Inline Fans with EC Motor
PARTS IN THE BOX
- Inline Fan FG..EC, 1 pc
- Fan Mounting Bracket, 1 pc
- Bracket Hardware, 1 pc
- Operation and Installation Manual, 1 pc
Fantech
Fantech Inc. certifies that the FG EC Series shown herein is licensed to bear the AMCA Seal. The ratings shown are based on tests and procedures performed in accordance with AMCA Publication 211 and comply with the requirements of the AMCA Certified Ratings Program.
REGISTER* THIS PRODUCT TO INCREASE YOUR PRODUCT WARRANTY BY AN EXTRA YEAR
Warning / Important note
- The compactness of the FG EC series, plus the adaptability to be mounted in any position, permits easy installation. This straight-thru air flow fan can be mounted at any angle from horizontal to vertical.
- Because this unit has rotating parts, safety precautions should be exercised during this phase of installation, operation and maintenance.
- CAUTION: For General Ventilation Use Only. Do Not Use To Exhaust Hazardous Or Explosive Material and Vapors.
- Remove unit from package and inspect within 15 days after receipt. If damaged, report damage to carrier. Do NOT operate this unit with visible damage to the blower or impeller assembly.
- For FG Series fans, if bracket is used to mount fan, refer to illustration 1. If suspending fan with hanger straps, refer to illustration 2.
- To attach duct work, use duct tape at inlet and outlet to assure good seal. If using FANTECH FC clamps: attach FC clamps and insert screws through clamp into inlet and outlet flanges.
- CAUTION: Use 1/2″ sheet metal screws to secure duct work to inlet and outlet. It is critical that the screw penetrate the metal of the inlet flange but not so far as to bind the impeller. It may be necessary to angle screws away from impeller.
- CAUTION: If not using FANTECH FC clamps use 1/4″ screws.
- Screen guards must be installed when fan will be within reach of personnel, within seven (7) feet of working area, or when advisable for safety.
- FGC EC models are factory wired with a power cord. Do not use an extension cord with these models. Do not operate any fan with a damaged cord or plug. Discard fan or return to an authorized service facility for examination and/or repair. Do not run cord under carpeting. Do not cover cord with throw rugs, runners, or similar coverings. Do not route cord under furniture or appliances.
- Arrange cord away from traffic area and where it will not be tripped over.
- . An appropriate duct termination device (roof cap, wall cap, louvered shutters, etc.) are to be used with this fan.
WARNINGS
WARNING! TO REDUCE THE RISK OF FIRE, ELECTRIC SHOCK, OR INJURY TO PERSONS –
OBSERVE THE FOLLOWING
- Use this unit only in the manner intended by the manufacturer. If you have any questions, contact your manufacturer’s representative.
- Before servicing or cleaning unit, switch power off at service panel and lock the service disconnecting means to prevent power from being switched on accidentally. When the service disconnecting means cannot be locked, securely fasten a prominent warning device, such as a tag, to the service panel. For FGC corded models unplug the fan from the power supply.
- Installation work and electrical wiring must be done by qualified person(s) in accordance with all applicable codes and standards, including fire-rated construction.
- Sufficient air is needed for proper combustion and exhausting of gases through the flue (chimney) of fuel burning equipment to prevent back drafting. Follow the heating equipment manufacturer’s guideline and safety standards such as those published by the National Fire Protection Association (NFPA), and the American Society for Heating, Refrigeration and Air Conditioning Engineers (ASHRAE), and the local code authorities.
- When cutting or drilling into wall and ceiling, do not damage electrical wiring and other hidden utilities.
- Ducted fans must always be vented to the outdoors.
- If this unit is to be installed over a tub or shower, it must be marked as appropriate for the application and be connected to a GFCI (Ground Fault Circuit Interrupter) – protected branch circuit.
- NEVER place a switch where it can be reached from a tub or shower.
- WARNING! Check voltage at the fan to see if it corresponds to the motor name plate
INSTALLATIONS
INSTALLATION DIAGRAM FOR MODEL FG DUCT FANS
- When installing, keep the number of elbows and bends to a minimum. If necessary, long radius elbows or bends are recommended.
- Duct sealant, caulk, or tape should be applied to all seams, including around the opening in the wall or ceiling on the interior and around exterior building penetrations, to prevent air leakage and maximize air performance.
- Flex, spiral, or snap lock ducting may be used. If using rigid duct, Fantech FC clamps are recommended to connect duct work to the fan (see illustration 2).
- FC clamps make an air tight seal at the connection points and reduce vibrations transmitted throughout the duct system.
- To minimize static pressure losses and promote adequate airflow, minimize duct run lengths where possible. If using flex duct, keep duct runs straight and taut.
- If installing in an unconditioned space, covering the fan with insulation is recommended to prevent condensation from forming.
- For general ventilation applications, at least 8 ft of insulated flexible duct shall be installed between the exhaust or supply grille(s) and the fan.
NOTE
The ducting from this fan to the outside of the building has a strong effect on the air flow, noise and energy use of the fan. Use the shortest, straightest duct routing possible for best performance, and avoid installing the fan with smaller ducts than recommended. Insulation around the ducts can reduce energy loss and inhibit mold growth. Fans installed with existing ducts may not achieve their rated air flow.
Illustration 1
Fan bracket should be installed, then fan mounted directly to bracket using sheet metal screws.
Illustration 2
Fans may be suspended without special mounting brackets.
Mounting Bracket & Screw Locations for FG
DIMENSION MODEL FG EC
WARNING
To Reduce The Risk Of Electric Shock, Connect the FGC to a properly grounded outlet only
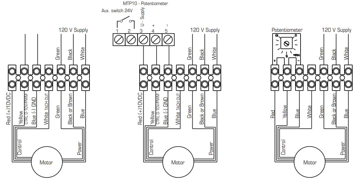
SPECIAL WIRING PRECAUTIONS
All installations should be wired according to the following diagrams. Failure to comply will cause the motor to “hum” or not work. Maximum torque that can be applied to the terminal block screws is 0.79 Nm (7 lb-in).

NOTE
- Model FGC EC comes pre-wired with three prong power cord
- Remove this potentiometer to facilitate installation of a building management system or external motor speed control. Refer to diagrams on the left for wiring instructions..
INSTRUCTION FOR ALL MODEL FG EC FANS With an external motor speed controller
TROUBLESHOOTING
- If fan fails to operate, please check the following:
- Consult wiring diagrams included to ensure proper connections.
- To ensure proper contact, check motor lead wiring, incoming supply wiring connections.
- If possible, use a meter to test for continuity between fan leads.
MAINTENANCE
- Since fan bearings are sealed and have been provided with an internal lubricating material, no lubrication is necessary.
- Once a year, clean the impeller. No other maintenance is required.




















