CONSORT RXREC Receiver Unit for Wireless Controls
Choosing a location
The RXREC wireless receiver can be positioned near the heater or in any other convenient place. Care should be taken when choosing a position to avoid places where there would be metal objects between the RXREC and CRX2. The RXREC should be positioned the way that the status light is visible to the user.
Installation
The RXREC is supplied with two metal wall brackets. The brackets have to be attached to the back of the main box as shown on the picture below. Use the screws supplied. Once the wall brackets are attached, the unit is ready to be screwed to the wall. Use 4 suitable wall plugs and screws. 
Electrical connections
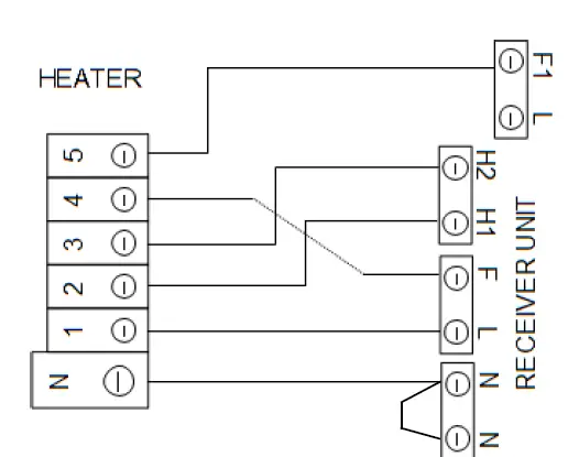
The RXREC wireless receiver is wired to the heater by a 6 core flexible cable 0.5 – 1.5mm rated for the mains voltage. Remove the top cover to access electrical terminals and follow the wiring diagram below. The RXREC can control only one heater. The L terminal must be always wired to terminal 1 on the heater, never directly to the L terminal. Both jumper switches should be set to position 1 – 2. The RXREC is only compatible with following heaters: HE8326, HE7433, CA1309S, CA1312S, CA1509S, CA1512S, CA1514S, CA1516S, RAC1309, RAC1509, RAC1512, CH06CSi, CH06CPi, CH09i, CH12i, CH15i. DO NOT USE RXREC WITH PRODUCTS THAT ARE NOT LISTED!
Pairing RXREC with CRX2
This must be done, otherwise, heaters will not work.
Power up the CRX wireless controller (see section ‘Power options’ in CRX2 user instructions for details).
Set RXREC into pairing mode as follows:
- Locate the status light.
- Turn power to the RXREC on. The light should be green. Now, the RXREC is ready for pairing for the next 20 seconds. After 20 seconds, it will return to normal operating mode and pairing will not be possible.
If the pairing was successful, the light will show red and the heat output will switch on and stay on if the CRX is signaling the heat output to be on. If the CRX is signaling the heat output to be off, the heat output will only switch on for a short period of time to show pairing was successful.
Status light
Manual – Timer Mode
This function was only introduced in 2017 on the CRX2. Earlier controllers do not have this feature. To find out if your navigate through the menu. If the setup menu has option 6, your controller can be set to manual – timer mode by changing value to 2. In this mode, the temperature control is disabled and the heater can be controlled by a timer or used in manual mode. In this mode, the controller doesn’t have to be installed in the same location as the heaters.
MANUAL MODE :
- Use or icons to change mode.
- F – fan speed
- F0 = heater OFF, F1 = fan normal speed, F2 = fan boost
- H – heat output
- H1 = heat 1, H2 = heat 2, H3 = heat 3
- On a heater with only two heat setting H1 and H2 is half heat.
BOOST MODE:
F2 H3 setting – The heater is running at maximum speed and full heat
PROG MODE:
In this mode, the CRX2 will follow the week’s time/fan, heat setting program.
Follow CRX2 instructions on how to set a 7-day program.
Customer Helpline
Should you need any advice on the use of your new Consort product, or should you require service or repair, please contact our Helpline:
Tel: 01646 692172 Fax: 01646 695195
Email: [email protected]
The RXREC is guaranteed for one year against faulty material or workmanship. This applies only if the appliance has been used for purposes in accordance with the instructions provided and has not been misused, neglected, damaged, modified, or repaired by any person not authorized by us. This guarantee is offered to you as an extra benefit and does not affect your legal rights.
Consort Equipment Products Ltd.
Registered Office: Thornton Industrial Estate, Milford Haven, Pembrokeshire, SA73 2RT
Tel: 01646 692172 | Fax: 01646 695195
[email protected] | [email protected]
BS EN ISO 9001 Registered Company No FM12671 Reasonable care has been taken to ensure that this guide is accurate at the time of printing. In the interest of progress, the Company reserve the right to vary specifications from time to time without notice.





















