ABESTORM DecDust 500 Industrial Air Purifier

Note: as we keep upgrading our product, we reserve the right to modify the product without notice in advance.
WARNING!
Please note that the dust collector can only be used with Abestorm-approved accessories. Using unauthorized accessories or making changes to the machine may invalidate your warranty. Please contact us for more details.
To Avoid Accidents:
- The power cord of the machine must be plugged into a grounded socket.
- The power supply of the machine must not be higher than the specified power supply.
- The machine should not be installed outdoors or in places that may be eroded by Rain Water to avoid damaging the electrical components and Fire.
- Do not run the machine without a filter installed.
- The machine has to be disconnected from power before it can operate internally.
- If hooks are installed on the ceiling, the load-bearing capacity of the ceiling must be greater than 110 Ibs.
- If the dust collector is to be installed on the ceiling, the distance between the bottom of the dust collector and the ground must be greater than 7 ft.
- Installation requires two people.
INTRODUCTION
DecDust 550/5501G is small in size and lightweight.
The machine is equipped with two lightweight filtering devices to avoid the unnecessary increase in weight and volume increase. It effectively enhanced the air purification capability that allows to the filtration of small particles such as dust, sawdust, and many more.
IDENTIFICATION
Congratulations on purchasing an Abestorm dust collector. For your convenience in submitting a warranty claim in the future, be sure to note the serial and the date of purchase below.
- Serial Number:………………………………………..
- Date of Purchase:……………………………………
HOW IT WORKS
- Connect the dust collector to a standard 115V/60Hz outlet.
- Refrain from moving the unit during operation.
- Keep both air inlet and outlet away from the wall or any obstructions for at least 2 ft.
- This product can only filter dust particles above 1um.
SPECIFICATION
| DecDust500 | DecDust 5001G | ||
| Power |
110-120,60Hz, 1.2A | Power | 110-120,60Hz, 1.2A |
| Control mode | Manual/ remote control | Control mode | Manual/ remote control |
| Wind speed | LO/MID/HI Low/Middle/High | Wind speed | LO/MID/HI Low/Middle/High |
| Timing | lH, 2H, 3H 4H, SH, 6H | Timing | lH, 2H, 3H 4H, SH, 6H |
| Noise | (H1)<61dB | Noise | (H1)<61dB |
| Net weight | 25.5 lbs | Net weight |
25.5 lbs |
| Size | 20.lx17xllin 25.5 lbs | Size | 20.lx17xllin 25.5 lbs |
| Ion Fuction | No | Ion Fuction | Yes |
KEY FEATURES

INSTRUCTIONS
CONTROL PANEL

REMOTE CONTROL

- Power key:
Turn on and off air filtration equipment Click the control panel “ON/OFF” /remote control”ON/OFF”.The machine will make a “drip” so.ind, the environment prompt light will be on, and the display screen will display the PM number of the environment. - Wind speed key:
Control the wind speed of Low, Middle and High. Each Owe it is operated, the light of the control panel will switch to one of the wind speed gears, and the light represents the wind speed of the current gear. - Timing:
Control the working hours of the machine: Operate the remote control “TIME” button, The display screen will display a timing number. Press the “TIME” button once, and display the content once (OH, 1H, 2H, 3H, 4H, 5H, 6H). OH stands for indefinite time, (1H, 2H, 3H, 4H, 5H, 6H) the number,is the running time of the machine, and H represents the hour. After setting the working hours, the display content automatically switches to the environment PM to detect the content value, which means that the command takes effect and starts the countdown work. - loner switch button:
Description: this button is only used on the remote control, which is a general accessory. The low-end version does not have this feature, so you need to pay attention to the version model when you buy it. Operate the “IONIZER” button of the remote control, the ionizer switch light on the control panel is on,the ion function starts, and operate again, the ionizer switch light is off and the ion is off. - Rise. Drop:
Description: this button function is only used on the remote control. Operate the up arrow and down at row of the remote control.Set the desired PM number.The setting number can be switched within CO- 80 0, and the display number rises or decreases by 50 peroperation. The minimum CO number is set to rep rrepresent the continuous operation of the machine and is not affected by thePM sensor. When the PM number in the display screen is higher than the set number, the machine is running.
| Environmental warning lamp | |||
| Color | Green | Yellow | Red |
| Air Quality | Excellent | Good | Bad |
HOW TO INSTALL DUST COLLECTOR
Installation mode 1
- Fix the hook as shown in the picture to 4 holes at the top of the machine with M4 nut. M4 nut needs to be tightened to prevent the hook from rotating and falling off.
- Fasten the horn hook to the ceiling.
- Two people are required for this installation. One(1) person to pick the dust collector and the other to connect the end of the chain to the machine hook.
- Due to the impact of the machine itself and the environment, there will be installation imbalance, the number of sections of the chain hook can be used to adjust the machine balance.

Installation mode 2
- Remove the four M4 screws from the top of the machine, install the pendant as shown in the picture, and fix the M4 screws just now.
- One man picked up the dust collector and the other screwed the machine to the wall.

HOW TO REPLACE THE FILTER
- Turn off the machine before replacement.
- Loosen the buckles on the side of the machine.
- Remove the filter.
- Install a new filter.
- Pay attention to the sequence of filters.

MAINTENANCE AND CLEANING
Under poor air quality, there will be a lot of dust in front of the control panel, which needs to be cleaned up.
- Disconnect the power supply before cleaning.
- Open the cover next to the button on the machine control panel.
- Use a brush to dust the lid. Then put the lid on and plug it in.

INSPECTION AND TROUBLESHOOTING
- The display shows”000″, the motor stops working, and the PM2.5 indicator light shows red, which means a problem with the PM sensor. Maintenance and cleaning are required.
- If the machine is short-circuited and there is a power outage at home, the overload protector will cut off the circuit to protect the machine.
POWER-OFF PROTECTION TREATMENT
- Unplug the machine.
- Press the overload protector button back to its original position by hand.
- Plug in the power supply and start-up.

LIMITED WARRANTY
The limited warranty is applicable to the original purchaser only, from the date of purchase. It should be subject to the terms and conditions listed in this limited warranty file·
WARRANTY PERIOD
- The warranty becomes effective from the date of the original purchase and will last for one year.
- This limited warranty is not transferable. It is only valid for the original purchaser.
Warranty debarment:
- Damage caused by the owner when attempting to fix or alter the product by himself or herself.
- Damage caused by misuse, abuse, neglect, alterations, or unauthorized repair.
- Natural depreciation.
How to request warranty services?
- To obtain the benefit of this warranty, please leave your message online (www.abestorm.com), or send an email to [email protected].
- Our customer service will address your issue between Mon-Fri 7:00 AM to 4:00 PM PST.
Abestorm Warranty Steps:
- Upon receiving this item, visit www.abestorm.com and fill out the warranty registration form. The order number is required to submit a warranty claim.
- To request warranty service, contact [email protected].
- After receiving the warranty service request, our customer support team will investigate the issue. Here, will be determined if a Return authorization is necessary.
- If the damage to the machine is proven to be one of the warranty exclusions (Page 10), Abestorm will not be responsible for all the associated repair and shipping costs. The eligibility for a replacement unit will also be voided.
- If the damaged unit that can no longer be fixed is within the warranty period, Abestorm will handle all the costs to send a brand-new replacement unit.
- When the unit is repaired or replaced, the original warranty period carries over to the repaired or new unit. No warranty extensions will be offered.
Warranty Exclusions:
DAMAGE DUE TO THE FOLLOWING IS NOT covered under warranty
- Acts of Nature- including but not limited to:
- Flooding
- Fire
- Water damage
- Hurricane/storm damage
- IMPROPER USAGE- Including but not limited to:
- Misuse, abuse, or tampering whether intentional or accidental
- Improper installation or design
- Improper voltage
- Improper maintenance
- Failure to follow instructions
- Corrosion
- Freezing
- Any additional costs due to changes in laws or building codes
- Freight charges
- Any costs due to lost profit or delay
- Damage to property
- Cause beyond control
- Consumable parts, including but not limited to:
- Filters
- Batteries
- Power cords
- Valves
- Switches
- Rubber parts
- Direct, indirect, collateral or inconsequential damages of any kind
THE WARRANTIES AND LIABILITIES SET FORTH ARE IN LIEU OF ALL OTHER WARRANTIES EXPRESSED OR IMPLIED, IN LAW OR IN FACT, INCLUDING IMPLIED WARRANTIES OF MERCHANTABILITY AND FITNESS FOR A PARTICULAR PURPOSE.
Abestorm total liability, regardless of the nature of the claim shall not exceed the original purchase price of the product. If a product or component is replaced while under warranty, the applicable warranty period shall not be extended beyond the original warranty time period.
The foregoing shall constitute the total liability of the seller in the case of defective performance of all or any of the equipment or services provided to the Buyer. Buyer agrees to accept and hereby accepts the foregoing as the sole and exclusive remedy for any breach or alleged breach of warranty by Seller. Any dishonesty or fraud in connection with Abestorm warranty thoroughly voids all warranty policies. Abestorm expressly reserves the right to pursue legal action in the event of dishonesty, fraud, or attempted fraud.
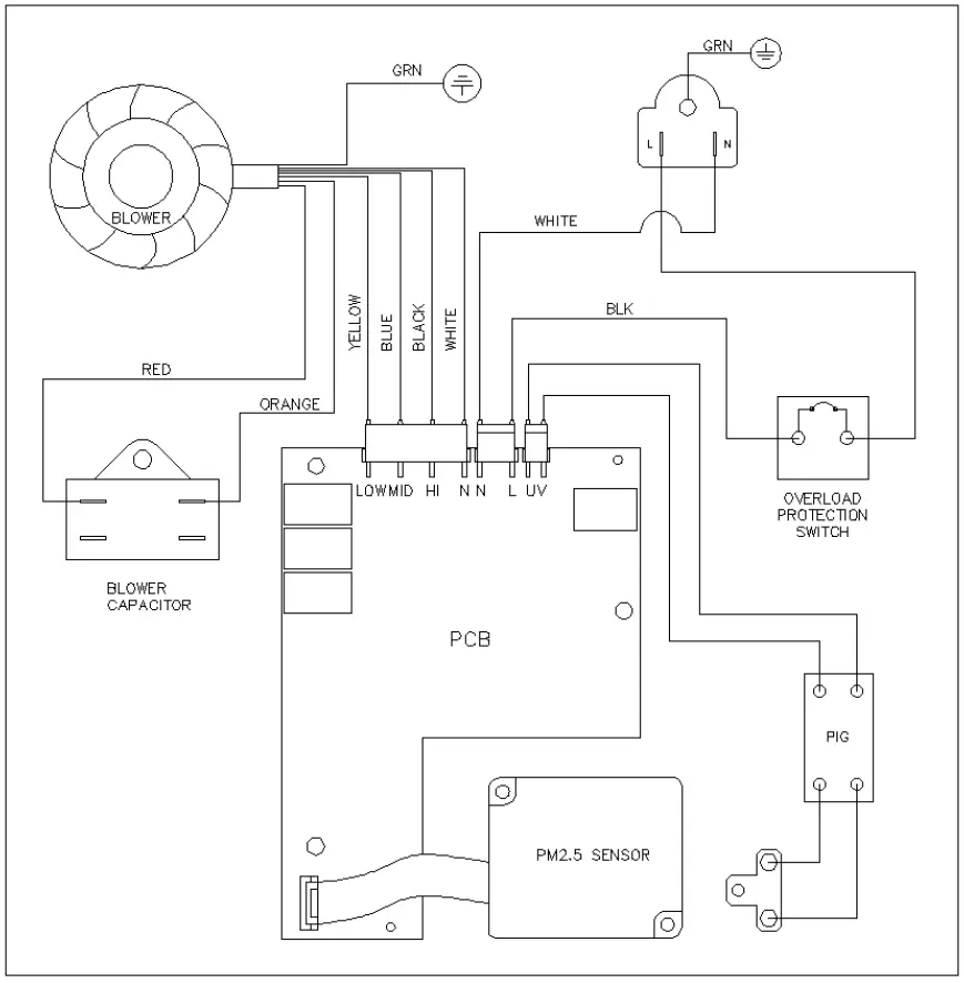
Wiring Diagram























