VOGUE 360161 Top Load Washing Machine 6kg Instruction Manual
Safety notices
Warning
Read and understand thoroughly this safety instructions before use. The items indicated here are very important safety precautions, which must be followed.
We cannot be held liable for damage caused by non-compliance with the warning and safety instructions or resulting from incorrect use or operation.
The appliance can be used by children aged from 8 years and above and persons with reduced physical, sensory or mental capabilities or lack of experience and knowledge if they have been given supervision or instruction concerning use of the appliance in a safe way and understand the hazards involved. Children shall not play with the appliance. Cleaning and user maintenance shall not be made by children without supervision. Children of less than 3 years should be kept away unless continuously supervised.
This appliance is intended to be used in household and similar applications such as:
- staff kitchen areas in shops, offices and other working environments;
- farm houses;
- by clients hotels, motels and other residential type environments;
- bed and breakfast type environments:
- areas for communal use in blocks of fiats or in launderettes.
Technical safety
- Before setting up the washing machine, check it for any externally visible damage. Do not install or use a damaged washing machine.
- Before connecting the washing machine, ensure that the connection data on the data plate(voltage and current)match the electricity supply. If in any doubt, consult a qualified electrician.
- The electrical safety of this washing machine can only be guaranteed when continuity is complete it and an effective earthing system which complies with current local and national safety regulations. It is most important that this basic safety requirement is present and regularly tested, and where there is any doubt the household wiring system should be inspected by a qualified electrician. The manufacturer cannot be held liable for the consequences of an inadequate earthing system.
- Do not connect the washing machine to the mains electricity supply by an extension lead. Extension leads do not guarantee the required safety of the appliance.
- Unauthorized repairs could result in unforeseen dangers for the user, for which manufacturer cannot accept liability. Repairs should only be undertaken by an approved service technician. Ensure current is not supplied to the machine until after maintenance or repair work has been carried out.
- If the supply cord is damaged, it must be replaced by the manufacturer, its service agent or similarly qualified persons in order to avoid a hazard.
- When these parts are fitted can the safety standards of the machine be guaranteed.
Caution: THIS WASHING MACHINE MUST BE EARTHED.
Correct use
- To avoid the risk of personal injury or damage to the washing machine, do not install it in place where it is damp and where it suffers form rainfall.
- Do not install the washing machine in place where it suffers form the sun directly, in which plastic or components will be damaged, It will be shortened the life of your washing machine.
- Do not install the washing machine in place where temperatures below freezing may occur. Frozen hoses may burst or split. The reliability of the electronic control unit may be impaired at temperatures below freezing point.
- Do not shoot the washing machine with water when you clean it.
- Keep the washing machine away from fire or heat sources.
- Turn off the tap if the machine is to be left for any length of time (e.g. holiday), especially if there is no floor drain(gully)in the immediate vicinity.
- Do not place flammable substances near the machine, such as kerosene, benzine, paint thinner and alcohol.
- Do not put clothing with such substances in the tub.
- Take care to ensure that foreign objects (e.g. nails, pins, coins, paper clips)do not find their way into the machine with the laundry. These may damage components of the machine(e.g.tub), which in turn can result in damage to the laundry.
- Do not wash and spin waterproof sheets and garments.
- Never touch the laundry with your hand during the spin cycle until the tub has completely stopped spinning.
- Do not put your hand or foot under the washing machine while the machine is operating.
- Do not climb up or put anything heavy on the top of the machine.
- Do not use water hotter than 50°C for washing.
- For washing machines having ventilation openings in the washing machine can not be working on the carpet.
- Children may fall into the tub and drown. Do not leave the washing machine with water remaining inside.
Safety with children
- Keep children away from the washing machine at all times. To avoid the risk of injury do not allow children to play on or near it or to play with its controls. Supervise children whilst you are using it.
- Older children may only use the washing machine if its operation has been clearly explained to them and they are able to use it safely, recognizing the dangers of misuse.
Parts and features

Caution
The shape of the machine shown in the manual is only for instruction purpose. Users should au ion be subject to the actual model that they buy. Please be excused for any inconvenience.
Blackout Packing
- Remove all the packing (including the foam base), or the vibration and noise may occur.
- Put all package materials(e. g. the plastic bag) to a place unreachable to children. After removing all packages, check if the machine is intact. If any questions, please contact the seller immediately before use.
- Please do not install the packaging inserts into the washing machine, otherwise the washing machine will generate abnormal sound and be damaged.
- Water drops may appear on the packing plastic bag and the glass of the observation window occasionally.
- They are condensation resulted from water testing before the product leaves the factory. It is normal.
Installation for Rat guar
When the package is opened, please put the washing machine on a soft object (e. g. towel, wool blanket) gently. Push the rearguard into the bottom end of the block from right to left by hand, then take it up lightly as shown in figure.
Accessories Checking
Make sure that you have received all of the items shown below.
| Accessory | Accessory Names | Quantity |
| Cold water Inlet Valve | 1 |
| Hot water Inlet Valve | 1 |
| Rearguard | 1 |
| Manual | 1 |
Placement Requirement
- Install the washing machine on a solid and level floor surface, please do not locate it on cushions or brackets.
- Do not install the washing machine in rooms where temperature below freezing may occur. Do not expose
it to the weather ,and keep it away from heat sources such as coals and gas cylinders. - A distance of 10 cm to the wall is required as shown in the right diagram.
- Allowable a lope under the entire washing machine is 2° . Slant or uneven ground may cause unstable function or other failures.

Caution
If the floor is uneven, adjust the leveler so as to make the washing machine be Caution even, Please do not put any wooden pieces or other objects under the foot base.
Level Adjustment
The machine must stand perfectly level on all four feet to ensure safe and proper operation. Incorrect installation may increase electricity and water consumption and may case the machine to move about.
To do these when the machine is not level:
- Put up the leveler side slightly.
- Rotate the leveler and regulate ii at a required height.

Inlet Hose Connection
When using the washing machine, connect one end of the inlet hose with the washing machine and the
other with a tap.
The new hose-sets supplied with the appliance are to be used and that old hose-sets should not be reused.
- Appropriate Tap Common Tap
- The outlet length of the tap must be over 10 mm. The tap must be even, if it’s uneven, please file ii down by a file. Specialized Tap
- The exterior angle of outlet end should be in a round angle and the surface should be smooth, otherwise the rubber sealing ring of the hose would be damaged to cause water leakage.
When install the inlet hose, please pay attention to connect ii or put ii down vertically, and it should be fastened up without loosening phenomenon after being connected.
If an appropriate specialized tap is used, an Inlet hose joint needs not to be installed.
- Connection between inlet Hose Joint and Tap
- Press the lower end of the locking bar to push slider down, and get down the inlet hose joint from the inlet pipe components, as shown in Figure 1. Loosen the four screws in the inlet hose joint properly, and then set the inlet hose into the tap, as shown in Figure 2. (If the caliber of the tap is oversize slightly and the inlet hose can not be connected, you can loosen the four screws and take down the lining. The front end of the tap must be even, otherwise ii will cause water leakage, as shown in Figure 3.)
- Screw down the four screws at the inlet hose joint equally as shown in Figure 4.
- Take the notice plate off and screw the tight nut according to the requirements of the figure, as shown in Figure 5.

- Connection between inlet Hose Joint and Tap
- Press the slider and insert the inlet hose into the inlet hose joint.
- Hang the inlet hose joint by the locking bar, and then put down the slider till a sound of pop generates, as shown in Figure 1.

- If the water tap is a screw type, assemble a water supply hose that fits to the tap, as shown in Figure 2.
The inlet hose can not be bent by force. Figure 4 Figure 5 - When the installation is completed, please check that ii will be leakage or not.
- Before using the washing machine each lime, please check the Figure 1 Figure 2 3 connection between the inlet hose joint and the tap, as well as check if the joint of inlet hose is firm so as to prevent ii from dropping off because of uncompleted installation.

- Connection between inlet Hose and Washing Machine.
- Please do not take down the absorbent pad, and check if he absorbent
machine pad each drops time; off or if such damages situation before using the happens, please contact our After-sales Service Departments time. - Set inlet in hose lime. nut into the inlet valve joint
- Screw down the inlet hose nut and check if it is fastened properly by shaking ii slightly.

- Please do not take down the absorbent pad, and check if he absorbent
Drain hose connection
- Direct into sink
If the outlet spigot has not before, remove any blanking plug that may be in place. Push the drain hose onto the spigot and secure with a clip if required, ensure a loop is formed in the drain hose to prevent waste from the sink entering the washing machine. If required, the drain hose can be extended to a length of 4 M.
- Connected securely to a standpipe.
Firstly form a hook in the end of the drain hose using the “U” piece supplied. Place the drain hose into your standpipe, which should have an internal diameter of approximately 38 mm thus ensuring there is an air break between the drain hose and standpipe. When discharging into a standpipe ensure that the top of the standpipe is no more than 90 cm and no less than 60cm above floor level.
Automatic Detection
- Washing Input
Put the washing into the washing machine, and press the “Power” switch, and then press the key of “Start/Pause”. - Aylin actually Rotating for about 7 Seconds
The impeller will automatically rotate for about 7 seconds to sense the volume of cloth in the state of no water. - Water Level Display
The washing machine will display the water level according to the volume of cloth, and water will automatically input into ii for reaching the indicated water level.
The functions of the control panel

Power
Press this button to connect the power or cut off the power.
Start/Pause
The button is used to start wash cycle or pause the wash cycle. The time will not be recalculated for restarting.
Program
Press this button repeatedly to cycle through the available program: Daily, Quick, Delicate. Soak, Cotton, Rinse+ Spin, Spin and Drum Clean. Select a program based on the type of the load you are washing.
Level
Press the button you can change water level according to requirements. Do not press the button in the state of no water, the impeller will rotate, and the need water level can be detected according to the volume.
Child Lock
To avoid the child’s abnormal operation out of curious, can start the child lock to lock the button.
Press “Level” & “Prag.” for 3 seconds, the Child-Lock can be safely locked or canceled.
Energy-efficient test program entrance guide:
Energy Rating: Using Cotton, water level is “4”,water supply is cold program, or Using Cotton, default water level, water supply is cold & hot program .
Water Rating: Using Cotton.
| Program | Applicable Situation | Examples of Washable Clothes |
| Daily | Quick washing for common clothes. | Thick cotton sportswear, common sportswear, underwear, socks etc. Clothes with an icon of |
| Delicate | Soft clothes | Woolen clothes, linen shirts, casual pants, etc, clothes with icons |
| Quick | The clothes with less stain can be washed quickly | The clothes of less stain with an icon of |
| Soak | The clothes with much stain on collar, sleeves, etc | The clothes with an icon of |
| Cotton | A garment made of cotton and line, n such asa uniform | Cotton, linens or cotton mix fabrics ,e.g. table linen, underwear , t-shirts etc |
Warm Tip : If you want to change the washable clothes after the washing machine being started, you can press the “Start/Pause” button for switching. Cotton program shows that” A6″ is 106 minutes, “BO” is 100 minutes.
How to use washer
Before washing clothes for the first time, you must run a complete cycle without clothes.
To do these:
- Attach the drain hose to drain.
- Connect the inlet hoses well and turn on the tap.
- After making sure the power socket is grounded reliably, plug the cord into outlet.
- Press “Power” and then “Start/ Pause”.
The remaining water inside the washing machine resulted from tests by the producer is driven out.
Preparation of Clothes
- Sort the laundry by colour and by care label. Most garments have a textile care label in the collar or side seam.
- Be sure to remove things such as keys, pins and coins from the laundry.
- Tie the strings/straps of aprons, pillowcases and the like, close any fasteners and reverse the garments.(See Figure 1)

- Dark textiles often contain excess dye and should be washed separately several times before being included in a mixed load. Always wash whites and colludes separately.
- Do not put clothes with poor water absorbency into the washing machine.
- Pre-treat dirt before putting clothes into the washing machine. A little detergent can be applied to stains previously so that they can be cleaned more easily. (See Figure 2)

- Turn inside out any garments which give off lint or lint balls. (See Figure 3)

- Put clothing with lace lingerie, nylon stockings, chemical fiber transparent fabrics etc. in a store bought washing net.
Put Clothes into the Washing Machine
- Loosen the clothes before putting them into the washing machine.
- Each load should be under the rated capacity.
Do not overload the washing machine every time. - Different thickness/ sizes/ categories of the laundry can affect the actual load capacity. II is advisable to load the amount of clothes that allows normal overturning during washing.
Washing Steps
- Open the cover and load laundries.
- Add adequate detergent and softener according to the washing amount, and then close the cover.
- Press the “Power” button to connect the power.
- Press the “Program” button to select your required washing procedure.
- Press the “Start/Pause” button to start washing.
- When the washing is finished, a warning tone sounds; after the warning tone is off, the power will be turned off automatically.
Please refer to the below table for washing procedures.
Washing by Initial Procedure
The washing machine turns to “Standard” as initial after being turned on. The operations are as the below:
- Turn on the inlet tap.
- Open the cover and put laundries piece by piece into the washing machine.
- Add adequate detergent and softener; then close the drawer.
- Close the cover.
- Press the “Power” button to connect the power.
- Press the “Start/Pause” button to start the washing machine; then the washing procedure is started.
First Use
Carry out a complete washing process without loading any laundries for the first time.
Detailed Operations:
- Connect the power and inlet hose.
- Turn on the tap
- Press “Power” and then “Start/Stop”
The remaining water inside the washing resulted from tests by the producer is driven out .
Washing Finish
After any procedures finishes, the washing machine will sound automatically to remind you to take out the clothes or to re-use.
Detergent amount
| Detergent type Water level (Laundry amount) | Powdre | Liquid |
| 8 | Approx. 47g | Approx. 69ml |
| 7 | Approx. 45g | Approx. 64ml |
| 6 | Approx. 42g | Approx. 58ml |
| 5 | Approx. 40g | Approx. 53ml |
| 4 | Approx. 37g | Approx. 47ml |
| 3 | Approx. 33g | Approx. 41ml |
| 2 | Approx. 30g | Approx. 35ml |
| Approx. 25g | Approx. 30ml |
Please pour the detergent into the tub after putting in the clothes that need to be washed.
Manual Select
You can control washing manually instead of using the initial setting.
The operations are as follows:
- Turn on the inlet tap.
- Open the cover and put the laundries piece by piece into the washing machine.
- Add adequate detergent, then close the drawer and the cover.
- Press the “Power” button to connect the power.
- Press the “Program” button, select the required procedure.
- Press the “Level” button, select the required water level.
- Press the “Start/Pause” button to start washing.
Cleanness and Maintenance
Before maintenance, please disconnect the power plug.
Maintenance Method
Cleaning for Line Debris Filter
when in cleaning, you must use a line debris filer.
After each use, you must clean it in time. Please clean it according to the following steps:
- Take off the line debris filter. As shown in the figure, press the claw of the filter by hands, and then draw it upward.
- Over tum the wastepaper box, and then clean the wastepaper box and the filter.
- Hold the handle of the filter, you can install it by pressing handle; make sure the filter claw be embedded into a corresponding part.

Cleaning the Water Filter
After being used for long time, the water inlet filter may be blocked by fouling, clean it according to the following steps:
- Close the tap and connect to the power.
- Start the washing machine for 5 seconds (make the water in the inlet hose flow into the washing drum),and then cut off the power.
- Remove the inlet hose, clean the removable feed valve and feed screen, and then install them well again.

Troubleshooting guide
| Symptom | Possible Cause | Solutions |
| E1 |
| Connect the inlet hose properly (see P3. P4). Turn on the tap. Clean the water inlet filter (see P7). Solve the frozen problem |
| E2 | Is the cover closed well? | Close the cover well. |
| E3 |
| Lay down the drain hose. Take the heavy object away. Straighten out the drain hose. Clean out the extraneous matter inside the hose. Defreeze the hose with water of 50°C |
| E4 | This is not a failure. Since distribution of clothes inside the drum is not even, the washing machine can not run normally in dehydration? | Put the clothing into the drum well, and restart the washing procedure. |
| ES |
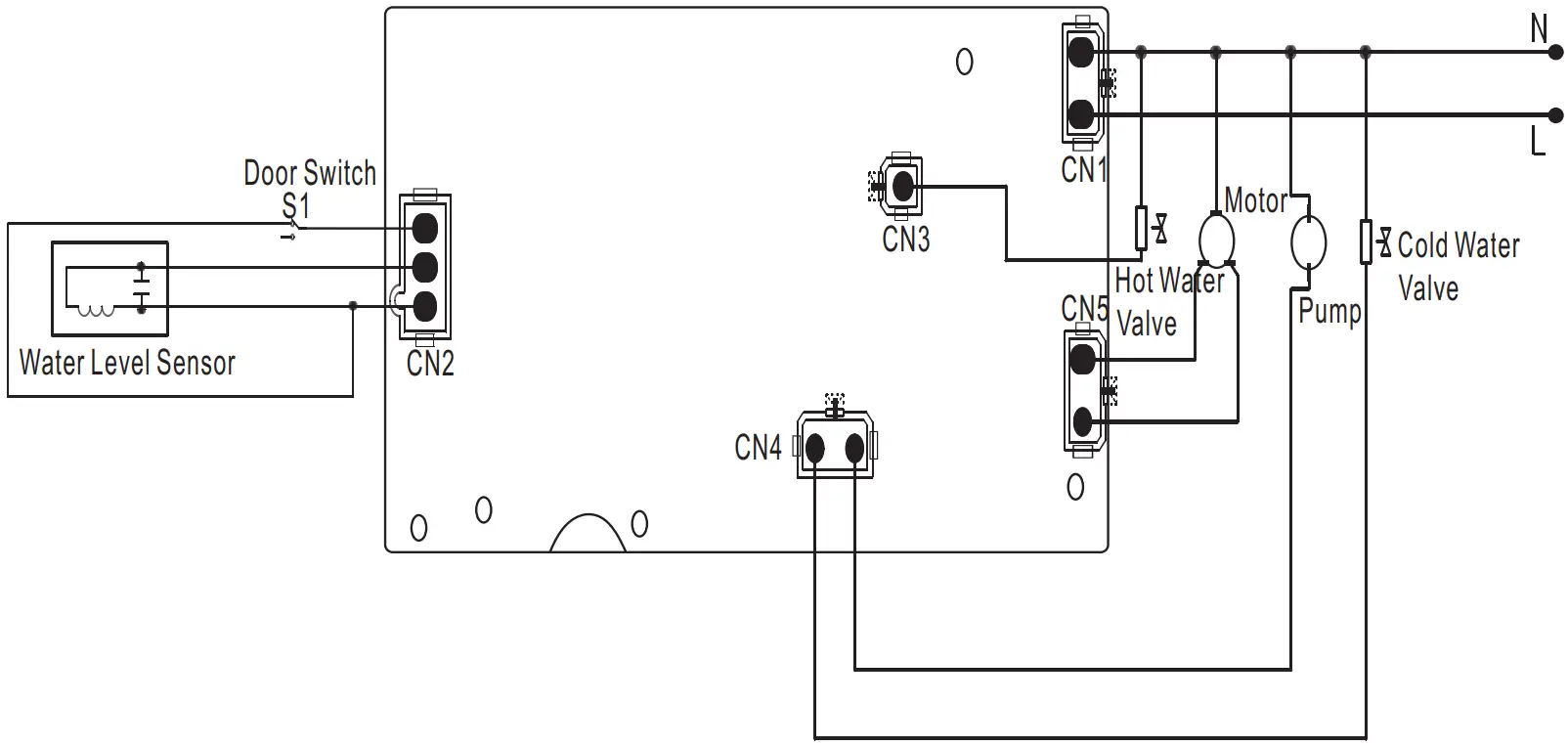
| Based on the schematic wiring diagram to connect the wire. Change new switch sensor. Change new air pipe. |
| E6 |
| Change new inlet valve. Restart to wash chosen program. |
| The washing machine can’t be started. |
| Connect to the power and plug the socket . Replace the broken fuse by a new one. Open the cover and close it . Press “Start/Pause “. |
| Intensive vibration or noise. |
| Locate the washing machine on even ground and adjust the adjustable feet to make the machine level. Distribute laundries inside the inner drum again to reach good balance. |
| Too much buboes |
| Add adequate cleaning agent. Use cleaning agent properly. |
| Water inlet cannot Stop | It is caused bu abnormality of the inlet valve or the level sensor. | Turn off the tap and disconnect the power plug, and then contact Afteer-Sales Service Department. |
If there are other problems that cannot be solved, please contact local After-Sales Service Center with failure details.
Technical parameter
| Model Parameters | 360161 |
| Power | 220-240V-/50Hz |
| Washing Capacity | 6.0kg |
| Spin Capacity | 6.0kg |
| Input Power Wash/Spin | 350W/300W |
| Standard Waster Pressure | 0.02-0.BMPa |
| Noise | 60dB(A) (washing) 68dB(A) (spin) |
| Net Weight/Gross Weight | 25kg/29kg |
| Outer Dimension (WxDxH)mm | 526x540x890 |
Note: Please be excused for not being informed if any changes of the above parameters happen. Please be
subject to those marked values on the Rating Label adhered to the washing machine.
Electric diagram






































