Westinghouse WWT7084J5WA 7kg Top Load Washer

INSTALLATION INSTRUCTIONS
Thank you for buying this Washing Machine. It has been made for self installation by the customer. Your dealer, Authorised Service centres or service technician can install it if you wish,
BUT YOU WILL HAVE TO PAY A FEE.
FAILURE TO FOLLOW THESE INSTRUCTIONS COULD RESULT IN DAMAGE
TO THE WASHING MACHINE WHICH MAY NOT BE COVERED BY WARRANTY.
UNPACKING INSTRUCTIONS & BOTTOM COVER INSTALLATION
- Lift the machine out of the packaging base.

IMPORTANT:
The top polystyrene must be removed LAST, for protecting the washing tub from hitting the cabinet when the machine is tilted.
MAKE SURE THE TOP POLYSTYRENE ARE REMOVED BEFORE USE.
Open the washing machine lid. Remove the top polystyrene.
- Tilt the washing machine a little from back side and insert the Bottom Cover into the slot at the bottom of the machine (as shown in the diagram).

- Lie down the washing machine on its back, taking care not to damage cabinet by placing two of the corner packing pieces between the machine and the floor. (as shown in the diagram).

CAUTION:
Pay attention to the machine lid,may hit your body.
- Use the screw provided in the user manual bag to securethe Bottom Cover to the bottom of the cabinet.
CAUTION: Pay attention to the gap between the Lid and Control Panel
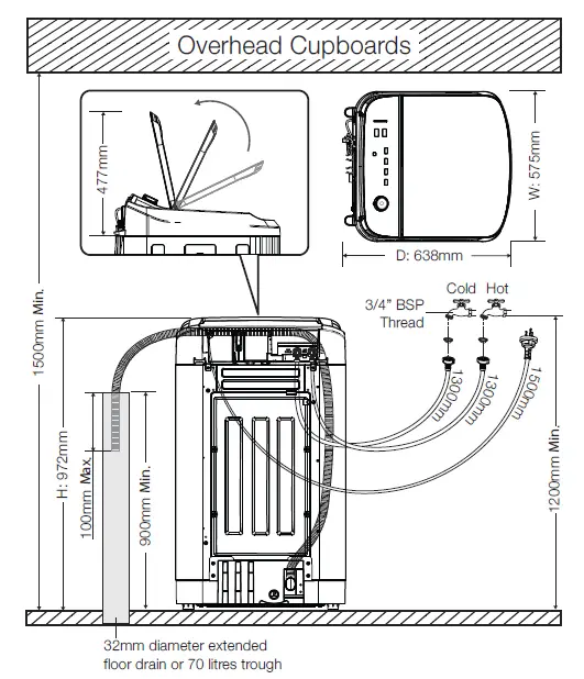
INSTALLATION REQUIREMENTS

- Electrical: A properly earthed three pin power point not more than 1500 mm from the washing machine. It is not recommended that an extension cord be used. If you need to use an extension cord or portable outlet, make sure that it is not subject to splashing or ingress of moisture.
This machine is designed to operate on a 220-240 V, single-phase, 50 Hz supply.
CAUTION
“An incorrect power supply may void your warranty.”
Check that your domestic electrical installation can take the maximum load required (500 W), also taking into account any other appliances in use.
The manufacturer declines any responsibility for damage or injury through failure to comply with the above safety precaution. - Water: Cold and hot water taps with 3/4” BSP threads less than 800 mm from the back of the washing machine and at least 1200 mm from the floor. Longer inlet hoses can be purchased from Electrolux Home Products Pty. Ltd. Spare Parts Centres or Authorised Service Centres if the taps are further away.
If the HOT water temperature exceeds 60°C then a tempering valve must be fitted. Your local Plumber can advise you on this. Water pressures between 80-800kPa are acceptable. - Floor Drain: The Washing Machine should be installed where a floor drain or hole (depending on plumbing laws) is located. A floor drain is required to drain away any water which may overflow from the washing machine due to a hose leak or malfunction.
- Area: For the washing machine a floor area of 700 mm wide by 730 mm deep is required. The floor should be firm and have a slope of less than 20 mm in 600 mm. If you have cupboards above the washing machine then refer to the diagrams for clearance dimensions. A 30 mm gap is required underneath the washing machine when installed on a carpeted floor.
- Drain: A drain, either in the trough or as an extended floor drain at least 900 mm high and 32 mm diameter which can take a flow of 30 litres per minute of water and is less than 900 mm from the side of the machine.
Longer drain hoses can be purchased from your dealer, Authorised Service Centres or Spare Parts Centres if the drain or trough is further away.
A storage trough that will hold 220 litres is required if you are going to save all the wash water.
INSTALLING DRAIN HOSE
- Fitting hose former.
Obtain hose former from inside the washbowl and fit it to the drain hose. If your drain hose is factory fitted you will need to pull the drain hose from the hose transport retainer before fitting the hose former.
- Positioning of drain hose.
Adjust the free length of hose to suit your installation.
NOTE: It is important that the top of the drain hose is above the joint between the washing machine cabinet and the top panel (see picture).
DRAIN HOSE INSTALLATION OPTIONS
Trough
Ensure trough is unplugged to prevent overflow or siphon-back of waste water into washing machine bowl.
Trough Bypass
Extended Floor Drain
32mm diameter extended floor drain or 70 litres trough.
INSTALLING INLET WATER HOSES
- When installing this washing machine, use the hoses supplied. DO NOT USE OLD HOSES.
The inlet hoses have the sealing washer fitted. - Take the inlet hose with the RED coloured end and connect to the hot water tap. Similarly connect the hose with the BLUE end to the cold water tap.
Make sure the connections are tight.
- Turn the taps on and check that there are no leaks from the connections.
- If you only have a cold water tap, you must remove the inlet hose with the RED ends from the washing machine and fit a blank cap with a sealing washer to the HOT water inlet valve, otherwise water will leak out of the valve.
NOTE: With cold water tap only, you must only select cold water temperatures.
A blank cap is available from Electrolux Home Products Pty. Ltd. Spare Parts Centres or Authorised Service Centres. - Turn off the water taps and move the washing machine into its final position.
Make sure that the inlet and drain hoses do not kink.
LEVELLING OF MACHINE
It is important that your washing machine stands firm and level on the floor to ensure correct operation.
- Use a spirit level on the front and side panels of the washing machine to check the levels. The spirit level should be used close to the corners of the washing machine for accuracy. By hand, or using a spanner if necessary, the front legs are adjustable and the rear legs are factory fitted in a fixed position (Unadjustable legs have a round base).
Tilt the washer a little to adjust the front legs.
- If you do not have a spirit level, you can follow steps as mentioned below:
- Open the lid, then fill water into the washing bowl until its level stays between bowl base (plastic) and wash bowl (metal), as shown in picture.

- Adjust the adjustable leg until water level is perfectly horizontal with reference on wash bowl as shown in pictures below.

- Turn on the machine, select program “Drain+Spin” to empty out the water.
- Open the lid, then fill water into the washing bowl until its level stays between bowl base (plastic) and wash bowl (metal), as shown in picture.
- If you do not have a spirit level, as a guide use the edge of a door frame, cupboard or bench to check that the washing machine is levelled.
Never place cardboard, wood or similar materials under the machine to compensate for any unevenness in the floor.
Install the machine on a flat hard floor. Make sure that air circulation around the machine is not impeded by carpets, rugs etc.
Check that the machine does not touch the wall or cupboard units. - When the washing machine is levelled, try to rock it from corner to corner. If it does rock, adjust the legs again until it is levelled and does not rock.

OPERATION
- Turn on the water taps and check for any leaks at the connections.
- Connect the plug to a power-point and switch on power.
- Your automatic machine is now ready for operation. Please refer to your Owner’s Manual to understand the many features of your new washing machine and for the operating instructions.
| REVISION: | DATE: | DETAI L: | REQUESTED BY: | REMARK: |
| 001 | 01 Dec 2021 | – New Model Create | Kittiya J. | – |
BRAND: WestingHouse
BY: Kittiya J.
DATE
SCALE: 100%
Unpacking and Installation Instructions for MINI-LPA (SIMPSON).
A12627403
Artwork No.: G0035073
Rev : 001
This drawing contains confidential information and is the property of Aktiebolaget Electrolux, Stockholm, Sweden, without whose permission it may not be copied, shown or handed to a third party or otherwise used, and it is to be returned promptly upon request to Aktiebolaget Electrolux.






CAUTION: Pay attention to the gap between the Lid and Control Panel



A blank cap is available from Electrolux Home Products Pty. Ltd. Spare Parts Centres or Authorised Service Centres.
Tilt the washer a little to adjust the front legs.



















