DiamaPro SYSTEMS SVX2-A Industrial Vacuum

INTRODUCTION
This user and maintenance manual will set out the guidelines and procedures that must be followed by those operating this equipment in order to guarantee:
- Operators’ safety
- Correct use of the machine
- Optimum performance
IT IS NECESSARY THAT THE AUTHORIZED PERSON-NEL AND MACHINE OPERATOR HAVE READ AND UNDERSTOOD THE MANUAL BEFORE USING THE MACHINE.
Due to the importance of this information, we recommend that the operator:
- Always keeps this manual close at hand for easy consultation
- Keeps the manual in a safe place in order to prevent loss or damage
- Asks the manufacturer/supplier for a replacement copy in case of loss or damage
- Supplies this manual and the manufacturer’s details together with the machine if it is sold to a third party
The manufacturer reserves the right to update its products and manuals and is not required to provide updated versions of the them.
WARRANTY
DiamaPro SVX model vacuums are warranted to be free from manufacturing defects in normal service for a period of one or two years from the date of purchase by the original consumer purchaser. Component manufacturers offer separate warranty periods. Call 800-622-2048 for complete
information.
DiamaPro System’s obligation under this warranty is expressly limited to the replacement of such part or parts as inspection shall disclose to have been defective.
This warranty does not apply to defects caused by damage, unreasonable use, faulty repairs made by others or defects caused by failure to provide reasonable maintenance.
Further, the warranty is void if the product, or any of its components, is altered or modified by the consumer or if the product is used in an inappropriate manner or with equipment not recommended by the manufacturer. Wear items are not covered under warranty: examples include: belts,
wheels, casters, bearings, cart wheels, filters, wear pads, spark plugs, hoses, wands and squeegees, motors, etc.
To qualify for warranty coverage, Diana Pro SVX vacuums must be registered within 30 days of purchase.
Registration can be completed online at www.DiamaProSystems.com.
To request your warranty service you MUST send a written request to:
Diana Pro Systems
P.O. Box 19946
Charlotte, NC, 28219
including the manufacturing details that can be found on a plate fitted inside your machine together with a copy of the invoice.
The warranty is invalid under the following conditions:
- Improper use of the machine or total or partial failure to comply with the contents of this manual
- Any part of the vacuum cleaner is altered or modified in any way
- Incorrect electrical installation
- If the laws in the country of use are not respected
- Inadequate maintenance
- The machine has not undergone routine maintenance as specified in this manual
- Use of spare parts that are not produced by DiamaPro or not specifically indicated for the model in use
- Partial or total failure to comply with the instructions given in this manual
UNINTENDED USE
- Do not use the machine for sucking up liquid material
- Do not use the machine or expose the machine to water, rain, or rain-like environments
- Do not use the machine with improper extension cords or extension cords of improper length
MACHINE DATA
TECHNICAL DATA PLATE
Every DiamaPro machine carries a registration plate showing essential details that are necessary when contacting the supplier/manufacturer for advice, suggestions or information on spare parts. The following details are included on the plate:
- Manufacturer
- Model
- Supply voltage
- Installed rated power
- CE symbol (built in compliance with Machinery Directive 2006/42/EEC)
SAFETY DEVICE
The vacuum cleaner has been manufactured in compliance with all legal standards for the operator’s safety.
- All metal components are grounded to eliminate shock or electrostatic discharge, including the flexible suction hose that is properly grounded. Also in this regard the choice of a suitable flexible suction hose allows to eliminate this risk on the hose length that goes from the use area to the vacuum cleaner.
- The brakes fitted onto the anterior pivoting casters safely fix the machine in its place of use where there may be a risk of movement due to uneven floor surfaces or other particular working conditions.
BEFORE USING THE MACHINE CHECK THAT THE MACHINE HAS NOT SUFFERED ANY SHOCKS OR DAMAGES DURING THE TRANSPORT THAT CAN AFFECT THE OPERATION OF THE ABOVE DEVICES
PERFORMANCE TOLERANCES
The performance of the machine may vary based upon environmental factors such as temperature, air pressure, humidity, etc.
SAFETY PROVISIONS
- Carefully read the instructions in this manual before starting, using, servicing or operating the vacuum cleaner
- Check that the vacuum cleaner hasn’t been damaged in any way
- Never turn on the machine if it is faulty or if you suspect it is faulty
- Check that the switch isn’t worn or damaged
- Do not approach the suction intake of the machine with unfastened or broken garments that could easily be sucked into the machine
- Check that the filters are present and efficient
- Make sure that the filters are installed correctly and in full working order, always observing the regulations in force in the workplace
- Do not carry out repairs without the manufacturer’s authorization
- Never use gasoline, solvents or other flammable liquids for cleaning; only proper detergents should be used for cleaning
- Never move the machine by pulling the power cable or flexible hose Never direct the opening of the machine or the flexible tube towards people or animals
- Protect the machine from the rain
- Check that the machine is connected to a power source with the correct voltage indicated on the registration plate
- Make sure that the power cable has no wear or damage. If replacing the cable, always replace it with another of the same specifications as the original one: cables that are not approved or of inferior quality may overheat and cause serious injury to the user
- Make sure that the machine is connected to an appropriate power source in full working order (check the presence of a fully functional grounding socket)
- Repairs must only be carried out by authorized personnel and only when the machine is turned off and disconnected from the power source
- Never allow unauthorized personnel to use the machine
- Make sure that all safety devices are in full working order before turning on the machine
- Never cover the vacuum cleaner during use
INSTALLATION
DELIVERY AND HANDLING
All machines are carefully tested and checked by DiamaPro before delivery. The machine is transported inside a protective box or wrapped
in a protective film that allows the courier to see the item during transport and is securely fixed to a pallet. If any part of the machine is not intact or has been damaged during transport, file an immediate complaint with the
courier. Parts that have been damaged or broken due to incorrect transport or handling of the machine will not be recognized by the manufacturer’s warranty. The machine must be lifted and moved using a forklift truck in accordance with the relevant safety regulations in force in the workplace
CHECK THE PROPER ELECTRICAL CONNECTION
Connect the industrial plug to the power cable and connect the plug to a socket that has the same amp rating and is protected by a line-isolating switch.
PERIODICAL MAINTENANCE
Maintenance and cleaning operations must ALWAYS be carried out when the vacuum is turned off and disconnected from the power source. No particular measures must be taken for the maintenance, cleaning or lubrication of the suction unit. However, it is important to remember that correct
use and servicing are essential if the safety and efficiency of the vacuum are to be guaranteed.
To ensure regular and constant operation and to prevent the warranty from becoming void, always use genuine DiamaPro spare parts when repairs are needed.
BEFORE TURNING ON AND TURNING OFF EVERY DAY
- Visually check that the suction hose has not been damaged in any way (it must not be damaged, torn, crushed)
- Check that the electrical switches are in full working order and are not damaged in any way
- Check the level of waste inside the main barrel N.B. Empty the main barrel if you are using an DiamaPro model empty the main barrel
- Check that the suction hose has not been damaged in any way
- Check that the motor head is correctly positioned on the filter chamber and that the latter is correctly placed on the main barrel
- If the vacuum cleaner is moved, ensure that the power voltage of the play in this new location corresponds to the one on the technical data plate
AT EVERY 50 HOURS OF OPERATION
- Check the condition of the primary filter: it must not have tears, holes or other damage: in this case replace it (see 14.)
- Check that the technical data plate is legible and not damaged in any way: contact the manufacturer for a replacement if necessary
PRODUCT DISPOSAL
Dispose of the machine and any accessories according to the legislation of the state/country. To avoid affecting the environment or your health or
the health of others it is recommended to separate the machine from other waste, and if necessary properly recycle it.
DESCRIPTION

- SUCTION UNIT
- ON-OFF SWITCH
- FORCED FILTER CLEANING BUTTON
- ACCESSORIES CONNECTION
- WHEELS WITH BRAKE
- BAG
MOUNTING OF PARTS

Depending on the specific needs of the client, the vacuum cleaner may include accessories that are not normally supplied in the standard version. It is necessary to select the suction hose and accessories that are appropriate for the type of material that must be sucked into the cleaner.
The machine is now ready for use.
Connect one end of the flexible hose to the desired accessory and the other with the quick coupling nozzle mounted on the filter chamber. (See the accessories sheet)
USING THE VACUUM CLEANER
Before switching ON the vacuum be sure the container is empty
FILTER REPLACEMENT

- Disconnect and lift the head.
- Remove the filter’s cylindrical steel protection (unscrewing the screws on the edge)
- Unscrew the wing nut and remove the spring and washer
- Replace the filter with a proper one for the vacuum cleaner in use
- Install the new filter according to the label on the bottom of the filter
- Washer with rubber part facing the base of the filter
- Spring
- Plastic wing nut
- Mount the cylindrical protection, then reconnect the head on the filtering chamber
TROUBLESHOOTING
You can thus solve any problem that may occur.
Motors do not start.
- No electrical voltage.
- Check cables, plugs and socket.
Suction capacity decreases slowly.
- Filter, nozzle, suction hose or suction pipe may be blocked.
- Check, clean accessories. Clean filter.
Dust comes out during the vacuuming.
- Filter has not been fastened correctly or is defective.
- Check to see if filter is sitting properly; replace if required.
COLLECTION BAG USE
The dust and the particles are collected in a bag placed in the container under the hopper.
The Infinity Bag system consists in a plastic tubular from which are ob-tained 20/30 bags of different weights and dimensions.
Once finished or damaged, the tubular must be replaced by a new refill.
The operations below described must be carried out when machine is turned off.
- Close the bag with two distanced bands.

- Cut the strip between the two bands.

- Pull the Infinity Bag end to make a new bag.

BAG REPLACEMENT
- Cut the Infinity Bag in order to let it open.

- Pull and rotate the retaining pins of the Infinity bag container in order to unfasten them.

- Remove the Infinity Bag container and any waste.

- Insert the new Infinity Bag with the inner part facing upwards.

- Cut and remove the Infinity Bag closing bands.

- Keep the inner part of the bag inside the container and pull it up to the lower edge.

- Pull the outer part of the bag to create a new one.

- Insert the container with the Infinity Bag.

- Pull and rotate the retaining pins and insert them into their seats.

- Pull the bag and place at the edge the band to create a new one. If necessary use two bands.
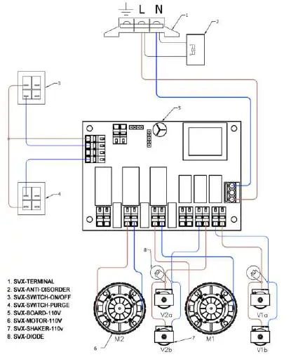
ELECTRIC DIAGRAM

TOP ASSEMBLY

TOP ASSEMBLY
| No. | Part No. | Description | Qty. |
| 2 | SVX-UHC2A | TOP COVER FOR SVX2A | 1 |
| 3 | SVX-SEGER-2A | SEGER FOR EXTERNAL SHAFT FOR SVX2A | 2 |
| 4 | SVX-COOLINGCAP | COOLING BY PASS OPENING CAP FOR SVX2A | 2 |
| 5 | SVX-HC2A | MIDDLE COVER FOR SVX2A | 1 |
| 6 | SVX-SWITCH-ON/OFF | 16 AMP SWITCH WITH CUFFS (1 FOR AUTOMATIC UNIT / 2 FOR SVX2M / 3 FOR SVX3M) | 1 |
| 7 | SVX-SWITCH-PURGE | PUSH BUTTON SWITCH WITH CUFF (FOR SVX3A & SVX2A, 1 PER UNIT) | 1 |
| 8 | SVX-MR2A | MOTOR RETAINER 2 MOTOR MODELS | 1 |
| 9 | SVX-MOTOR-110V | MOTOR | 2 |
| 10 | SVX-RINGFITTING-A | RING FITTING (AUTOMATIC MODELS ONLY) | 2 |
| 11 | SVX-VAL-SPRING | VALVE SPRING | 2 |
| 12 | SVX-FIL-PROTECTION | FILTER PROTECTION 150 H 285 | 2 |
| 13 | SVX-GASKET | GASKET L | 4 |
| 14 | SVX-CABLE-BUSHING | CABLE BUSHING 60 | 4 |
| 15 | SVX-MOTORSUPPORTDISC | MOTOR SUPPORT DISC AND FOAM 2 MOTORS RED | 1 |
| 16 | SVX-SM-FLANGE | SUCTION MANIFOLD FLANGE (AUTOMATIC MODELS ONLY) | 2 |
| 17 | SVX-HEADGASKET-2A | SUCTION HEAD GASKET SVX2A | 1 |
| 18 | SVX-BASECOVER-2A | BASE COVER SVX2A | 1 |
| 19 | SVX-CABLEGLAND-PG7 | CABLE GLAND WITH TIGHTENING NUT (AUTOMATIC ONLY) | 4 |
| 20 | SVX-M5X86 | SPACER M5X86 | 6 |
| 21 | SVX-SPS-2A | SOUND PROOFING SPONGE FOR SVX2A | 1 |
| 22 | SVX-MHOLDER-AUTO | MOTOR HOLDER (AUTOMATIC MODELS) | 2 |
| 23 | SVX-M8X86 | CENTRAL SPACER M8X86 | 1 |
| 24 | SVX-MVH | MOTOR VALVE HOLDER | 2 |
| 25 | SVX-VM-BY-PASS | VALVE MOTOR BY-PASS | 2 |
| 26 | SVX-WASHER-6HA2 | WASHER (AUTOMATIC MODELS ONLY) | 4 |
| 27 | SVX-SPG | SOUND PROOFING GASKET FOR BY PASS MOTORS | 4 |
| 28 | SVX-RTBS | RED TERMINAL BLOCK SCREW | 1 |
| 29 | SVX-FILMCAPACITOR-A | FILM CAPACITOR (AUTOMATIC MODELS) | 1 |
| 30 | SVX-BOARD-110 | PCB 4187-1/110V (FOR SVX3A & SVX2A ONLY, 1 PER UNIT) | 1 |
| 31 | SVX-SPR | SOUND PROOFING RING 60 D.100X10 (FOR AUTOMATIC MODELS ONLY) | 2 |
| 32 | SVX-CABLESTOPPER | CABLE STOPPER ALL MODELS | 1 |
| 33 | SVX-CABLEGLAND-PG16 | CABLE GLAND | 1 |
| 34 | SVX-CABLE-3GX6 | CABLE | 1 |
| 36 | SVX-SHAKER-120V | SHAKER 120V 60HZ | 4 |
| 37 | SVX-WASHER-6HA1 | WASHER (AUTOMATIC MODELS ONLY) | 4 |
| 38 | SVX-SUCT-MANI-GASKET | SUCTION MANIFOLD GASKET | 2 |
| 39 | SVX-SUCT-MANI-CLEAN | SUCTION MANIFOLD | 2 |
| 40 | SVX-2A-HEPA | HEPA FILTER (FOR SVX2A ONLY, 2 PER UNIT) | 2 |
| 41 | SVX-FILTERHOLDERSHAFT-2A | FILTER HOLDER SHAFT FOR SVX2A | 2 |
| 42 | SVX-RING-10X22X7 | SEALING RING FOR FILTER 10X22X7 (AUTOMATIC MODELS ONLY) | 2 |
| 43 | SVX-ZPSRS-A | ZINC PLATED SEALING RING STRUT | 2 |
| 44 | SVX–FIL-PRESS-SPRING | FILTER PRESSURE SPRING | 2 |
| 45 | SVX-KNOB-STOPPER | PLASTIC KNOB FILTER STOPPER | 2 |
| 46 | SVX-FILTERHOUSING-2A | FILTER HOUSING FOR SVX2A | 2 |
| 48 | SVX-S14K250 | VARISTOR (AUTOMATIC MODELS ONLY) | 2 |
| 50 | SVX-HANDLE-RED-A | RED HANDLE (AUTOMATIC MODELS ONLY) | 2 |
| 51 | SVX-HFB-A | HANDLE FIXING BRACKET (AUTOMATIC MODELS ONLY) | 4 |
FRAME ASSEMBLY


HOPPER ASSEMBLY


ACCESSORIES

| No. | Part No. | Description | Qty. |
| 1 | SVX-WAND-2 | STEEL WAND FOR FLOOR TOOL | 1 |
| 2 | SVX-FLOORTOOL | WET/DRY PLASTIC FLOOR TOOL | 1 |
| 3 | SVX-BLACKHOSE-CUFF | CUFFS FOR 2” BLACK HOSE | 2 |
| 4 | SVX-HOSE-STANDARD-2-NC | 2” STANDARD BLACK HOSE | 1 |
| 5 | SVX-SQUEEGEE-BLADES | BLADE SET FOR FLOOR TOOL 15-1/2 X 17-1/4 | 1 |
































