DiamaPro SYSTEM SVX3-A Industrial Vacuum Cleaner

INTRODUCTION
This user and maintenance manual will set out the guidelines and procedures that must be followed by those operating this equipment in order to guarantee:
- Operators’ safety
- Correct use of the machine
- Optimum performance
IT IS NECESSARY THAT THE AUTHORIZED PERSON-NEL AND MACHINE OPERATOR HAVE READ AND UNDERSTOOD THE MANUAL BEFORE USING THE MACHINE.
Due to the importance of this information, we recommend that the operator:
- Always keeps this manual close at hand for easy consultation
- Keeps the manual in a safe place in order to prevent loss or damage
- Asks the manufacturer/supplier for a replacement copy in case of loss or damage
- Supplies this manual and the manufacturer’s details together with the machine if it is sold to a third party.
The manufacturer reserves the right to update its products and manuals and is not required to provide updated versions of the them.
WARRANTY
DiamaPro SVX model vacuums are warranted to be free from manufacturing defects in normal service for a period of one or two years from the date of purchase by the original consumer purchaser. Component manufacturers offer separate warranty periods. Call 800-622-2048 for complete
information.
DiamaPro System’s obligation under this warranty is expressly limited to the replacement of such part or parts as inspection shall disclose to have been defective.
This warranty does not apply to defects caused by damage, unreasonable use, faulty repairs made by others or defects caused by failure to provide reasonable maintenance.
Further, the warranty is void if the product, or any of its components, is altered or modified by the consumer or if the product is used in an inappropriate manner or with equipment not recommended by the manufacturer. Wear items are not covered under warranty: examples include: belts,
wheels, casters, bearings, cart wheels, filters, wear pads, spark plugs, hoses, wands and squeegees, motors, etc.
To qualify for warranty coverage, DiamaPro SVX vacuums must be registered within 30 days of purchase. Registration can be completed online at
www.DiamaProSystems.com.
To request your warranty service you MUST send a written request to:
DiamaPro Systems
P.O. Box 19946
Charlotte, NC, 28219
including the manufacturing details that can be found on a plate fitted inside your machine together with a copy of the invoice.
The warranty is invalid under the following conditions:
- Improper use of the machine or total or partial failure to comply with the contents of this manual
- Any part of the vacuum cleaner is altered or modified in any way
- Incorrect electrical installation
- If the laws in the country of use are not respected
- Inadequate maintenance
- The machine has not undergone routine maintenance as specified in this manual
- Use of spare parts that are not produced by DiamaPro or not specifically indicated for the model in use
- Partial or total failure to comply with the instructions given in this manual
UNINTENDED USE
- Do not use the machine for sucking up liquid material
- Do not use the machine or expose the machine to water, rain, or rain like environments
- Do not use the machine with improper extension cords or extension cords of improper length
MACHINE DATA
TECHNICAL DATA PLATE
Every DiamaPro machine carries a registration plate showing essential details that are necessary when contacting the supplier/manufacturer for advice, suggestions or information on spare parts. The following details are included on the plate:
- Manufacturer
- Model
- Supply voltage
- Installed rated power
- CE symbol (built in compliance with Machinery Directive 2006/42/EEC)
SAFETY DEVICE
The vacuum cleaner has been manufactured in compliance with all legal standards for the operator’s safety.
- All metal components are grounded to eliminate shock or electrostatic discharge, including the flexible suction hose that is properly grounded. Also in this regard the choice of a suitable flexible suction hose allows to eliminate this risk on the hose length that goes from the use area to the vacuum cleaner.
- The brakes fitted onto the anterior pivoting casters safely fix the machine in its place of use where there may be a risk of movement due to uneven floor surfaces or other particular working conditions.
BEFORE USING THE MACHINE CHECK THAT THE MACHINE HAS NOT SUFFERED ANY SHOCKS OR DAMAGES DURING THE TRANSPORT THAT CAN AFFECT THE OPERATION OF THE ABOVE DEVICES
PERFORMANCE TOLERANCES
The performance of the machine may vary based upon environmental factors such as temperature, air pressure, humidity, etc.
SAFETY PROVISIONS
- Carefully read the instructions in this manual before starting, using, servicing or operating the vacuum cleaner
- Check that the vacuum cleaner hasn’t been damaged in any way
- Never turn on the machine if it is faulty or if you suspect it is faulty
- Check that the switch isn’t worn or damaged
- Do not approach the suction intake of the machine with unfastened or broken garments that could easily be sucked into the machine
- Check that the filters are present and efficient
- Make sure that the filters are installed correctly and in full working order, always observing the regulations in force in the workplace
- Do not carry out repairs without the manufacturer’s authorization
- Never use gasoline, solvents or other flammable liquids for cleaning; only proper detergents should be used for cleaning
- Never move the machine by pulling the power cable or flexible hose Never direct the opening of the machine or the flexible tube towards people or animals
- Protect the machine from the rain
- Check that the machine is connected to a power source with the correct voltage indicated on the registration plate
- Make sure that the power cable has no wear or damage. If replacing the cable, always replace it with another of the same specifications as the original one: cables that are not approved or of inferior quality may overheat and cause serious injury to the user
- Make sure that the machine is connected to an appropriate power source in full working order (check the presence of a fully functional grounding socket)
- Repairs must only be carried out by authorized personnel and only when the machine is turned off and disconnected from the power source
- Never allow unauthorized personnel to use the machine
- Make sure that all safety devices are in full working order before turning on the machine
- Never cover the vacuum cleaner during use
INSTALLATION
DELIVERY AND HANDLING
All machines are carefully tested and checked by DiamaPro before delivery. The machine is transported inside a protective box or wrapped
in a protective film that allows the courier to see the item during transport and is securely fixed to a pallet. If any part of the machine is not intact or has been damaged during transport, file an immediate complaint with the
courier. Parts that have been damaged or broken due to incorrect transport or handling of the machine will not be recognized by the manufacturer’s warranty. The machine must be lifted and moved using a forklift truck in accordance with the relevant safety regulations in force in the workplace
CHECK THE PROPER ELECTRICAL CONNECTION
Connect the industrial plug to the power cable and connect the plug to a socket that has the same amp rating and is protected by a line-isolating switch.
PERIODICAL MAINTENANCE
Maintenance and cleaning operations must ALWAYS be carried out when the vacuum is turned off and disconnected from the power source. No particular measures must be taken for the maintenance, cleaning or lubri-cation of the suction unit. However, it is important to remember that correctuse and servicing are essential if the safety and efficiency of the vacuum are to be guaranteed.
To ensure regular and constant operation and to prevent the warranty from becoming void, always use genuine DiamaPro spare parts when repairs are needed.
BEFORE TURNING ON AND TURNING OFF EVERY DAY
- Visually check that the suction hose has not been damaged in any way (it must not be damaged, torn, crushed)
- Check that the electrical switches are in full working order and are not damaged in any way
- Check the level of waste inside the main barrel N.B. Empty the main barrel if you are using an DiamaPro model empty the main barrel
- Check that the suction hose has not been damaged in any way
- Check that the motor head is correctly positioned on the filter chamber and that the latter is correctly placed on the main barrel
- If the vacuum cleaner is moved, ensure that the power voltage of the play in this new location corresponds to the one on the technical data plate
AT EVERY 50 HOURS OF OPERATION
- Check the condition of the primary filter: it must not have tears, holes or other damage: in this case replace it (see 14.)
- Check that the technical data plate is legible and not damaged in any way: contact the manufacturer for a replacement if necessary
PRODUCT DISPOSAL
Dispose of the machine and any accessories according to the legislation of the state/country. To avoid affecting the environment or your health or the health of others it is recommended to separate the machine from other waste, and if necessary properly recycle it.
DESCRIPTION

- SUCTION UNIT
- ON-OFF SWITCH
- FORCED FILTER CLEANING BUTTON
- ACCESSORIES CONNECTION
- WHEELS WITH BRAKE
- SOCKET
- BAG
MOUNTING OF PARTS
Connect one end of the flexible hose to the desired accessory and the other with the camlock mounted on the filter chamber.
(See the accessories sheet)
USING THE VACUUM CLEANER
Before switching ON the vacuum be sure the container is empty

FILTER REPLACEMENT

- Disconnect and lift the head.
- Remove the filter’s cylindrical steel protection (unscrewing the screws on the edge)
- Unscrew the wing nut and remove the spring and washer
- Replace the filter with a proper one for the vacuum cleaner in use
- Install the new filter according to the label on the bottom of the filter
- Washer with rubber part facing the base of the filter
- Spring
- Plastic wing nut
- Mount the cylindrical protection, then reconnect the head on the filtering chamber
TROUBLESHOOTING
You can thus solve any problem that may occur.
Motors do not start.
- No electrical voltage. u Check cables, plugs and socket.
Suction capacity decreases slowly.
- Filter, nozzle, suction hose or suction pipe may be blocked.
- Check, clean accessories. Clean filter.
Dust comes out during the vacuuming.
- Filter has not been fastened correctly or is defective.
- Check to see if filter is sitting properly; replace if required.
Close the bag with two distanced bands.
- Cut the strip between the two bands.

- Pull the Infinity Bag end to make a new bag.
BAG REPLACEMENT
Cut the Infinity Bag in order to let it open.- Pull and rotate the retaining pins of the Infinity bag container in order to unfasten them.
- Remove the Infinity Bag container and any waste.

- Insert the new Infinity Bag with the inner part facing upwards.
- Cut and remove the Infinity Bag closing bands.
- Keep the inner part of the bag inside the container and pull it up to the lower edge.

- Pull the outer part of the bag to create a new one.
- Insert the container with the Infinity Bag.
- Pull and rotate the retaining pins and insert them into their seats.
- Pull the bag and place at the edge the band to create a new one. If necessary use two bands.
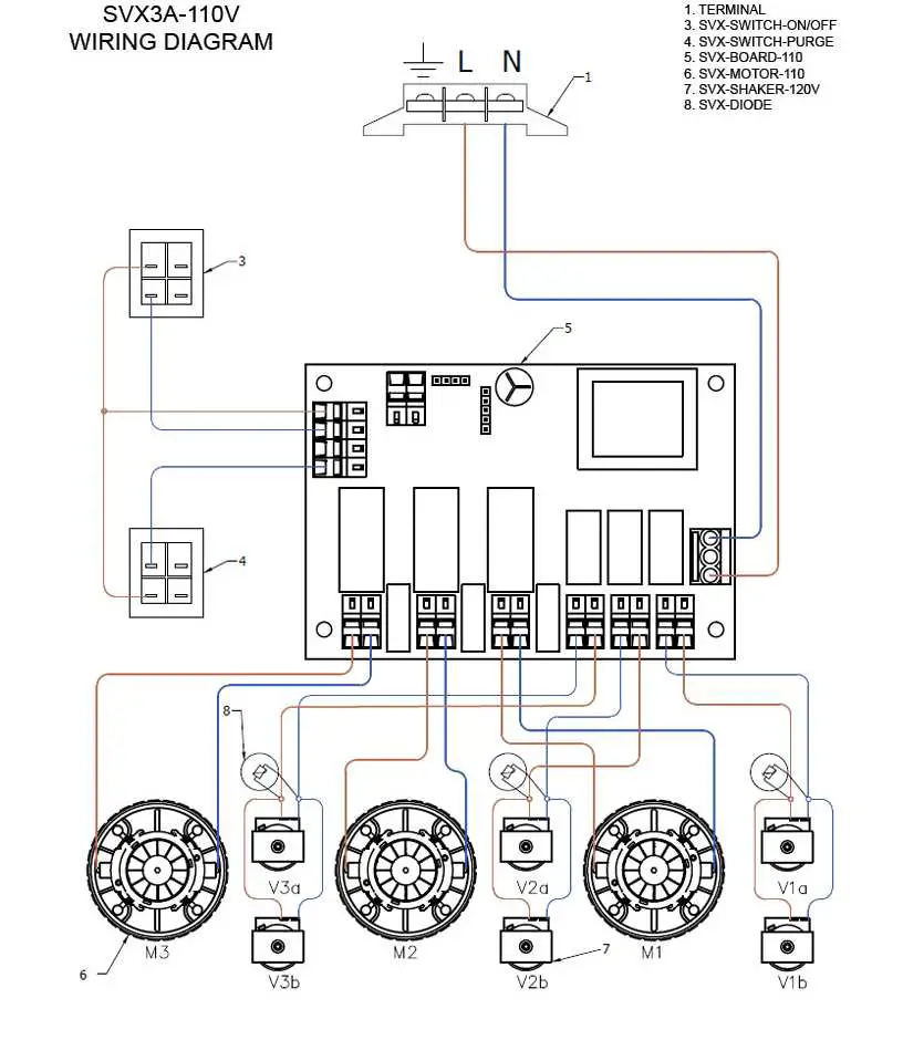
ELECTRIC DIAGRAMS

SPARE PARTS


| No. | Part No. | Description | Qty. |
| 2 | SVX-UHC3A | UPPER HEAD COVER (TOP) SVX3A | 1 |
| 3 | SVX-BOARD-110 | ELECTRONIC BOARD 110V | 1 |
| 4 | SVX-SPR | SOUND PROOFING RING 60 D.100X10 (FOR AUTOMATIC MODELS ONLY) | 3 |
| 5 | SVX-HC3A | HEAD COVER (MIDDLE) SVX3A | 1 |
| 6 | SVX-SPRS | SOUND PROOFING RING STRIP 50X10X1250 | 1 |
| 7 | SVX-SPS3A | SOUND PROOFING SPONGE (FOR SVX3A) | 1 |
| 8 | SVX-VM-BY-PASS | VALVE MOTOR BY-PASS | 3 |
| 9 | SVX-SW-135X109X4 | VALVE HOLDER SPONGE (FOR SVX3A) | 3 |
| 10 | SVX-GASKET | GASKET L | 6 |
| 11 | SVX-SPH3A | SOUND PROOFING HOLDER 3 MOTORS COVER | 1 |
| 12 | SVX-CABLE-BUSHING | CABLE BUSHING 60 | 3 |
| 13 | SVX-SM-FLANGE | SUCTION MANIFOLD FLANGE (AUTOMATIC MODELS ONLY) | 3 |
| 14 | SVX-WASHER-6HA1 | WASHER (AUTOMATIC MODELS ONLY) | 6 |
| 15 | SVX-HOLDER-3A-HEPA | FILTER HOLDER SHAFT (SVX3A ONLY) | 3 |
| 16 | SVX-3A-HEPA | HEPA FILTER – (FOR SVX3-A ONLY, 3 PER UNIT) | 3 |
| 18 | SVX-KNOB-STOPPER | PLASTIC KNOB FILTER STOPPER | 3 |
| 19 | SVX-FIL-PRESS-SPRING | FILTER PRESSURE SPRING | 3 |
| 20 | SVX-FIL-PROTECTION | FILTER PROTECTION 150 H 285 | 3 |
| 22 | SVX-SUCT-MANI-CLEAN | SUCTION MANIFOLD | 3 |
| 23 | SVX-SUCT-MANI-GASKET | SUCTION MANIFOLD GASKET | 3 |
| 24 | SVX-SHAKER-120V | SHAKER 120V 60HZ | 6 |
| 25 | SVX-GASKET3A-460 | SUCTION HEAD GASKET (FOR SVX3A & TVX MODELS) | 1 |
| 26 | SVX-BC3M | BASE COVER SVX3A | 1 |
| 27 | SVX-M-HOLDER-AUTO | MOTOR HOLDER (FOR AUTOMATIC MODELS) | 3 |
| 28 | SVX-CABLEGLAND-PG7 | CABLE GLAND WITH TIGHTENING NUT (AUTOMATIC ONLY) | 3 |
| 29 | SVX-M8X95 | CENTRAL SPACER (FOR SVX3A) | 1 |
| 30 | SVX-FOAMHOLDER-3A | FOAM HOLDER (FOR SVX3A) | 1 |
| 31 | SVX-MVH | MOTOR VALVE HOLDER | 3 |
| 32 | SVX-VAL-SPRING | VALVE SPRING | 3 |
| 33 | SVX-MOTOR-110 | MOTOR | 3 |
| 34 | SVX-MR3A | MOTOR RETAINER (BOTTOM) SVX3A | 1 |
| 35 | SVX-RTBS | RED TERMINAL BLOCK SCREW | 1 |
| 36 | SVX-CABLEGLAND-110V | CABLE GLAND | 1 |
| 37 | SVX-FILMCAPACITOR-A | FILM CAPACITOR (FOR AUTOMATIC MODELS ONLY) | 1 |
| 38 | SVX-CABLESTOPPER | CABLE STOPPER (ALL MODELS) | 1 |
| 40 | SVX-Switch-Purge | PUSH BUTTON SWITCH WITH CUFF (FOR SVX3-A & SVX2-A, 1 PER UNIT) | 1 |
| 41 | SVX-Switch-On/OFF | 16 AMP SWITCH WITH CUFFS (1 FOR AUTOMATIC UNIT / 2 FOR SVX3-M / 3 FOR SVX3-M) | 1 |
| 42 | SVX-CABLE-3GX10 | CABLE | 1 (33’) |
| 43 | SVX-RINGFITTING-A | RING FITTING (FOR AUTOMATIC MODELS ONLY) | 3 |
| 44 | SVX-WASHER-6HA2 | WASHER (AUTOMATIC MODELS ONLY) | 6 |
| 45 | SVX-ZPSRS-A | ZINC PLATED SEALING RING STRUT | 3 |
| 46 | SVX-VPW-3A | VIBRATOR POWER WIRE (FOR SVX3A) | 3 |
| 47 | SVX-S14K250 | VARISTOR (AUTOMATIC MODELS ONLY) | 3 |
| 49 | SVX-HFB-A | HANDLE FIXING BRACKET (FOR AUTOMATIC MODELS ONLY) | 4 |
| 50 | SVX-HANDLE-RED-A | RED HANDLE (FOR AUTOMATIC MODELS ONLY) | 2 |

| No. | Part No. | Description | Qty. |
| 2 | SVX-UHC3A | UPPER HEAD COVER (TOP) SVX3A | 1 |
| 3 | SVX-BOARD-230 | ELECTRONIC BOARD 230V | 1 |
| 4 | SVX-SPR | SOUND PROOFING RING 60 D.100X10 (FOR AUTOMATIC MODELS ONLY) | 3 |
| 5 | SVX-HC3A | HEAD COVER (MIDDLE) SVX3A | 1 |
| 6 | SVX-SPRS | SOUND PROOFING RING STRIP 50X10X1250 | 1 |
| 7 | SVX-SPS3A | SOUND PROOFING SPONGE (FOR SVX3A) | 1 |
| 8 | SVX-VM-BY-PASS | VALVE MOTOR BY-PASS | 3 |
| 9 | SVX-SW-135X109X4 | VALVE HOLDER SPONGE (FOR SVX3A) | 3 |
| 10 | SVX-GASKET | GASKET L | 6 |
| 11 | SVX-SPH3A | SOUND PROOFING HOLDER 3 MOTORS COVER | 1 |
| 12 | SVX-CABLE-BUSHING | CABLE BUSHING 60 | 3 |
| 13 | SVX-SM-FLANGE | SUCTION MANIFOLD FLANGE (AUTOMATIC MODELS ONLY) | 3 |
| 14 | SVX-WASHER-6HA1 | WASHER (AUTOMATIC MODELS ONLY) | 6 |
| 15 | SVX-HOLDER-3A-HEPA | FILTER HOLDER SHAFT (SVX3A ONLY) | 3 |
| 16 | SVX-3A-HEPA | HEPA FILTER – (FOR SVX3-A ONLY, 3 PER UNIT) | 3 |
| 18 | SVX-KNOB-STOPPER | PLASTIC KNOB FILTER STOPPER | 3 |
| 19 | SVX-FIL-PRESS-SPRING | FILTER PRESSURE SPRING | 3 |
| 20 | SVX-FIL-PROTECTION | FILTER PROTECTION 150 H 285 | 3 |
| 22 | SVX-SUCT-MANI-CLEAN | SUCTION MANIFOLD | 3 |
| 23 | SVX-SUCT-MANI-GASKET | SUCTION MANIFOLD GASKET | 3 |
| 24 | SVX-SHAKER-230V | SHAKER 230V 50HZ | 6 |
| 25 | SVX-GASKET3A-460 | SUCTION HEAD GASKET (FOR SVX3A & TVX MODELS) | 1 |
| 26 | SVX-BC3M | BASE COVER SVX3A | 1 |
| 27 | SVX-M-HOLDER-AUTO | MOTOR HOLDER (FOR AUTOMATIC MODELS) | 3 |
| 28 | SVX-CABLEGLAND-PG7 | CABLE GLAND WITH TIGHTENING NUT (AUTOMATIC ONLY) | 3 |
| 29 | SVX-M8X95 | CENTRAL SPACER (FOR SVX3A) | 1 |
| 30 | SVX-FOAMHOLDER-3A | FOAM HOLDER (FOR SVX3A) | 1 |
| 31 | SVX-MVH | MOTOR VALVE HOLDER | 3 |
| 32 | SVX-VAL-SPRING | VALVE SPRING | 3 |
| 33 | SVX-MOTOR-230 | MOTOR | 3 |
| 34 | SVX-MR3A | MOTOR RETAINER (BOTTOM) SVX3A | 1 |
| 35 | SVX-RTBS | RED TERMINAL BLOCK SCREW | 1 |
| 36 | SVX-CABLEGLAND-220V | CABLE GLAND | 1 |
| 37 | SVX-FILMCAPACITOR-A | FILM CAPACITOR (FOR AUTOMATIC MODELS ONLY) | 1 |
| 38 | SVX-CABLESTOPPER | CABLE STOPPER (ALL MODELS) | 1 |
| 40 | SVX-Switch-Purge | PUSH BUTTON SWITCH WITH CUFF (FOR SVX3-A & SVX2-A, 1 PER UNIT) | 1 |
| 41 | SVX-Switch-On/OFF | 16 AMP SWITCH WITH CUFFS (1 FOR AUTOMATIC UNIT / 2 FOR SVX3-M / 3 FOR SVX3-M) | 1 |
| 42 | SVX-CABLE-3GX6 | CABLE | 1 (33’) |
| 43 | SVX-RINGFITTING-A | RING FITTING (FOR AUTOMATIC MODELS ONLY) | 3 |
| 44 | SVX-WASHER-6HA2 | WASHER (AUTOMATIC MODELS ONLY) | 6 |
| 45 | SVX-ZPSRS-A | ZINC PLATED SEALING RING STRUT | 3 |
| 46 | SVX-VPW-3A | VIBRATOR POWER WIRE (FOR SVX3A) | 3 |
| 47 | SVX-S14K250 | VARISTOR (AUTOMATIC MODELS ONLY) | 3 |
| 49 | SVX-HFB-A | HANDLE FIXING BRACKET (FOR AUTOMATIC MODELS ONLY) | 4 |
| 50 | SVX-HANDLE-RED-A | RED HANDLE (FOR AUTOMATIC MODELS ONLY) | 2 |
| 51 | SVX-PLUG-220 | 50AMP DISTRIBUTION BOX | 1 |
HOPPER ASSEMBLY



| No. | Part No. | Description | Qty. |
| 1 | SVX-WAND-2 | STEEL WAND FOR FLOOR TOOL | 1 |
| 2 | SVX-FLOORTOOL-2 | WET/DRY PLASTIC FLOOR TOOL | 1 |
| 3 | SVX-ANTISTATIC-CUFF | SOFT CUFF FOR ANTI STATIC HOSE | 2 |
| 4 | SVX-HOSE-ANTISTATIC-2-NC | 2” ANTISTATIC HOSE | 1 |
| 5 | SVX-SQUEEGEE-BLADES | BLADE SET FOR FLOOR TOOL 15-1/2 X 17-1/4 | 1 |
DiamaPro Systems®
3343 Peachtree Road NE Suite 145 #24
Atlanta, GA 30326
470-977-2323

Close the bag with two distanced bands.

Cut the Infinity Bag in order to let it open.




















