OWNER’S MANUAL
TVX-A
INDUSTRIAL VACUU
USER & MAINTENANCE BOOK
SAVE THESE INSTRUCTIONS FOR FUTURE REFERENCE
INTRODUCTION
Thank you for purchasing a DIAMAPRO® SYSTEMS product.
This manual provides information and procedures to safely operate and maintain the TVX-A Vacuum. For your own safety and protection from injury, carefully read, understand, and observe the safety instructions described in this manual.
Keep this manual or a copy of it with the machine. If you lose this manual or need an additional copy, please contact DiamaPro Systems®. This machine is designed and built with user safety in mind; however, it can present hazards if improperly operated and serviced. Please follow the operating instructions carefully. If there are any questions regarding operating or servicing of this machine, please contact DiamaPro Systems®.
Disclaimer: DiamaPro Systems® and its affiliates take no responsibility for any damage, injury or death resulting from the incorrect or unsafe use of this product. Use of this product should be undertaken by competent persons only. It is the operator’s responsibility to ensure that the following safety procedures are followed. If you are unsure, do not operate this product.
DUST WARNING Cutting, especially when DRY cutting, generates dust that comes from the material being cut, which frequently contains silica. Silica is a basic component of sand, quartz, brick clay, granite and numerous other minerals and rocks. Exposure to excessive amount of such dust can cause:
- Respiratory diseases (affecting your ability to breath), including chronic bronchitis, silicosis and pulmonary fibrosis from exposure to silica. These diseases may be fatal;
- Skin irritation and rash; and
- Cancer according to NTP* and IARC* *National Toxicology Program, International Agency for Research on Cancer Take precautionary steps
- Avoid inhalation of and skin contact with dust, mist and fumes;
- Wet cut when feasible, to minimize dust;
- Wear and ensure that all bystanders wear appropriate respiratory protection such as dust masks designed to filter out microscopic particles. (See OSHA 29 CFR Part 1910.1200)
PROPOSITION 65 WARNING
California Prop 65 Warning: Use of this product can cause exposure to materials known to the State of California to cause cancer and/or birth defectsor other reproductive harm.
WARNING
THIS PRODUCT CONTAINS I FAD, A CHEMICAL KNOWN TO THE STATE OF CALIFORNIA TO CAUSE OIRTI I DEFECTS OR OTHER REPRODUCTIVE HARM.
WARNING
THIS PRODUCT CONTAINS ONE OR MORE CHEMICALS KNOWN TO THE STATE OF CALIFORNIA TO CAUSE CANCER, BIRTH DEFECTS OR OTHER REPRODUCTIVE HARM.
WARNING
EXHAUST GASES FROM THIS PRODUCT CONTAIN CHENICALSKNWON 70 THE STATE OF CALIFONIA TO CAUSE CANCER, BIRTH DEFECTS OR OTHER REPRODUCTIVE HARM.
WARRANTY
DiamaPro TVX model vacuums are warranted to be free from manufacturing defects in normal service for a period of one or two years from the date of purchase by the original consumer purchaser. Component manufacturers offer separate warranty periods. Call 470-977-2323 for complete information.
DiamaPro System’s obligation under this warranty is expressly limited to the replacement of such part or parts as inspection shall disclose to have been defective. This warranty does not apply to defects caused by damage, unreasonable use, faulty repairs made by others or defects caused by failure to provide reasonable maintenance. Further, the warranty is void if the product, or any of its components, is altered or modified by the consumer or if the product is used in an inappropriate manner or with equipment not recommended by the manufacturer. Wear items are not covered under warranty: examples include: belts, wheels, casters, bearings, cart wheels, filters, wear pads, spark plugs, hoses, wands and squeegees, motors, etc. To qualify for warranty coverage, DiamaPro TVX vacuums must be registered within 30 days of purchase. Registration can be completed online at www.DiamaProSystems.com.
To request your warranty service you MUST send a written request to:
DiamaPro Systems
3343 Peachtree Road NE
Suite 145 #24
Atlanta, GA 30326
including the manufacturing details that can be found on a plate fitted inside your machine together with a copy of the invoice. The warranty is invalid under the following conditions:
- Improper use of the machine or total or partial failure to comply with the contents of this manual
- Any part of the vacuum cleaner is altered or modified in any way
- Incorrect electrical installation
- If the laws in the country of use are not respected
- Inadequate maintenance
- The machine has not undergone routine maintenance as specified in this manual
- Use of spare parts that are not produced by DiamaPro Systems® or not specifically indicated for the model in use
- Partial or total failure to comply with the instructions given in this manual
UNINTENDED USE
- Do not use the machine for sucking up liquid material
- Do not use the machine or expose the machine to water, rain, or rain like environments
- Do not use the machine with improper extension cords or extension cords of improper length
MACHINE DATA
4.1 TECHNICAL DATA PLATE
Every DiamaPro Systems® machine carries a registration plate showing essential details that are necessary when contacting the supplier/manufacturer for advice, suggestions or information on spare parts. The following details are included on the plate:
- Manufacturer
- Model
- Supply voltage
- Installed rated power
- CE symbol (built in compliance with Machinery Directive 2006/42/EEC)
4.2 SAFETY DEVICE
The vacuum cleaner has been manufactured in compliance with all legal standards for the operator’s safety.
- All metal components are grounded to eliminate shock or electrostatic discharge, including the flexible suction hose that is properly grounded. Also in this regard the choice of a suitable flexible suction hose allows to eliminate this risk on the hose length that goes from the use area to the vacuum cleaner.
- The brakes fitted onto the anterior pivoting casters safely fix the machine in its place of use where there may be a risk of movement due to uneven floor surfaces or other particular working conditions.
BEFORE USING THE MACHINE CHECK THAT THE MACHINE HAS NOT SUFFERED ANY SHOCKS OR DAMAGES DURING THE TRANSPORT THAT AN AFFECT THE OPERATION OF THE ABOVE DEVICES
PERFORMANCE TOLERANCES
The performance of the machine may vary based upon environmental factors such as temperature, air pressure, humidity, etc.
SAFETY PROVISIONS
- Carefully read the instructions in this manual before starting, using, servicing or operating the vacuum cleaner
- Check that the vacuum cleaner hasn’t been damaged in any way
- Never turn on the machine if it is faulty or if you suspect it is faulty
- Check that the switch isn’t worn or damaged
- Do not approach the suction intake of the machine with unfastened or broken garments that could easily be sucked into the machine
- Check that the filters are present and efficient
- Make sure that the filters are installed correctly and in full working order, always observing the regulations in force in the workplace
- Do not carry out repairs without the manufacturer’s authorization
- Never use gasoline, solvents or other flammable liquids for cleaning; only proper detergents should be used for cleaning
- Never move the machine by pulling the power cable or flexible hose
- Never direct the opening of the machine or the flexible tube towards people or animals
- Protect the machine from the rain
- Check that the machine is connected to a power source with the correct voltage indicated on the registration plate
- Make sure that the power cable has no wear or damage. If replacing the cable, always replace it with another of the same specifications as the original one: cables that are not approved or of inferior quality may overheat and cause serious injury to the user
- Make sure that the machine is connected to an appropriate power source in full working order (check the presence of a fully functional grounding socket)
- Repairs must only be carried out by authorized personnel and only when the machine is turned off and disconnected from the power source
- Never allow unauthorized personnel to use the machine
- Make sure that all safety devices are in full working order before turning on the machine
- Never cover the vacuum cleaner during use
INSTALLATION
7.1 DELIVERY AND HANDLING
All machines are carefully tested and checked by DiamaPro Systems® before delivery. The machine is transported inside a protective box or wrapped in a protective film that allows the courier to see the item during transport and is securely fixed to a pallet. If any part of the machine is not intact or has been damaged during transport, file an immediate complaint with the courier. Parts that have been damaged or broken due to incorrect transport or handling of the machine will not be recognized by the manufacturer’s warranty.
The machine must be lifted and moved using a forklift truck in accordance with the relevant safety regulations in force in the workplace
7.2 CHECK THE PROPER ELECTRICAL CONNECTION
Connect the industrial plug to the power cable and connect the plug to a socket that has the same amp rating and is protected by a line-isolating switch.
PERIODICAL MAINTENANCE
Maintenance and cleaning operations must ALWAYS be carried out when the vacuum is turned off and disconnected from the power source. No particular measures must be taken for the maintenance, cleaning or lubrication of the suction unit. However, it is important to remember that correct use and servicing are essential if the safety and fficiency of the vacuum are to be guaranteed. o ensure regular and constant operation and to prevent the warranty from becoming void, always use genuine DiamaPro ystems® spare parts when repairs are needed.
8.1 BEFORE TURNING ON AND TURNING OFF EVERY DAY
- Visually check that the suction hose has not been damaged in any way (it must not be damaged, torn, crushed)
- Check that the electrical switches are in full working order and are not damaged in any way
- Check the level of waste inside the main barrel N.B. Empty the main barrel if you are using an DiamaPro model empty the main barrel
- Check that the suction hose has not been damaged in any way
- Check that the motor head is correctly positioned on the filter chamber and that the latter is correctly placed on the main barrel
- If the vacuum cleaner is moved, ensure that the power voltage of the play in this new location corresponds to the one on the technical data plate
8.2 AT EVERY 50 HOURS OF OPERATION
- Check the condition of the primary filter: it must not have tears, holes or other damage: in this case replace it (see 14.)
- Check that the technical data plate is legible and not damaged in any way: contact the manufacturer for a replacement if necessary
PRODUCT DISPOSAL
Dispose of the machine and any accessories according to the legislation of the state/country. To avoid affecting the environment or your health or the health of others it is recommended to separate the machine from other waste, and if necessary properly recycle it.
USING THE VACUUM CLEANER
Before switching ON the vacuum be sure the container is empty

FILTER REPLACEMENT

- Disconnect and lift the head.
- Remove the filter’s cylindrical steel protection (unscrewing the screws on the edge)
- Unscrew the wing nut and remove the spring and washer
- Replace the filter with a proper one for the vacuum cleaner in use
- Install the new filter according to the label on the bottom of the filter
• Washer with rubber part facing the base of the filter
• Spring
• Plastic wing nut - Mount the cylindrical protection, then reconnect the head on the filtering chamber
TROUBLESHOOTING
You can thus solve any problem that may occur. Motors do not start.
- No electrical voltage.
- Check cables, plugs and socket.
Suction capacity decreases slowly. - Filter, nozzle, suction hose or suction pipe may be blocked.
- Check, clean accessories. Clean filter.
Dust comes out during the vacuuming. - Filter has not been fastened correctly or is defective.
- Check to see if filter is sitting properly; replace if required.
COLLECTION BAG USE
The dust and the particles are collected in a bag placed in the container under the hopper.
The Infinity Bag system consists in a plastic tubular from which are obtained 20/30 bags of different weights and dimensions
Once finished or damaged, the tubular must be replaced by a new refill.
The operations below described must be carried out when machine is turned off.

- Close the bag with two distanced bands.

- Cut the strip between the two bands.

BAG REPLACEMENT

- Cut the Infinity Bag in order to let it open.
- Pull and rotate the retaining pins of the Infinity bag container in order to unfasten them.
- Remove the Infinity Bag container and any waste.

- Insert the new Infinity Bag with the inner part facing upwards.
- Cut and remove the Infinity Bag closing bands.
- Keep the inner part of the bag inside the container and pull it up to the lower edge.

- Pull the outer part of the bag to create a new one.
- Insert the container with the Infinity Bag.
- Pull and rotate the retaining pins and insert them into their seats.
- Pull the bag and place at the edge the band to create a new one. If necessary use two bands.
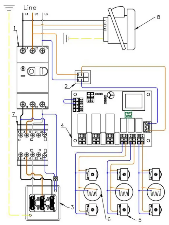
ELECTRIC DIAGRAMS
TVXA-220V WIRING DIAGRAM
- STARTER
- TOGGLE COMMUTATOR 1-0
- MOTOR
- ELECTRONIC CARD
- VIBRATOR
- SOLENOID
- CONTACTOR COIL
- ELECTRO TOOL CONNECTIONS

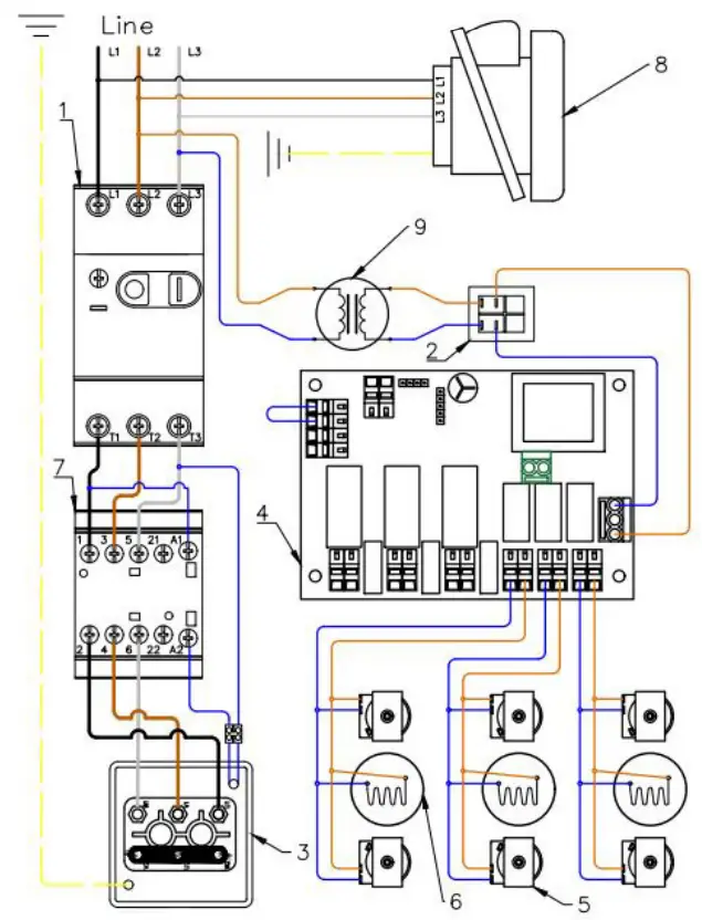
ELECTRIC DIAGRAMS
TVXA-480V WIRING DIAGRAM
- STARTER
- TOGGLE COMMUTATOR 1-0
- MOTOR
- ELECTRONIC CARD
- VIBRATOR
- SOLENOID
- CONTACTOR COIL
- ELECTRO TOOL CONNECTIONS
- TRANSFORMER TOROIDAL 400-230V

HOPPER ASSEMBLY

FRAME ASSEMBLY

HEAD ASSEMBLY

DiamaPro Systems®
3343 Peachtree Road NE
Suite 145 #24
Atlanta, GA 30326
470-977-2323























