Pioneer DEH-X1850UB CD RDS RECEIVER

About this manual
- In the following instructions, a USB memory or USB audio player are referred to as “USB device”.
Before You Start
Thank you for purchasing this PIONEER product
To ensure proper use, please read through this manual before using this product. It is especially important that you read and observe WARNINGs and CAUTIONs in this manual. Please keep the manual in a safe and accessible place for future reference.
WARNING
- Do not attempt to install or service this product by yourself. Installation or servicing of this product by persons without training and experience in electronic equipment and automotive accessories may be dangerous and could expose you to the risk of electric shock, injury or other hazards.
- Do not attempt to operate the unit while driving. Make sure to pull off the road and park your vehicle in a safe location before attempting to use the controls on the device.
CAUTION
- USE OF CONTROL OR ADJUSTMENT OR PERFORMANCE OF PROCEDURES OTHER THAN THOSE SPECIFIED HEREIN MAY RESULT IN HAZARDOUS RADIATION EXPOSURE.
- THE USE OF OPTICAL INSTRUMENTS WITH THIS PRODUCT WILL INCREASE EYE HAZARD.
- Do not allow this unit to come into contact with moisture and/or liquids. Electrical shock could result.
- Also, damage to this unit, smoke, and overheating could result from contact with liquids.
- Always keep the volume low enough to hear outside sounds.
- This product is a class 1 laser product classified under the Safety of laser products, IEC 60825-1:2007.
CLASS 1 LASER PRODUCT
If you experience problems
Should this unit fail to work properly, please contact your dealer or nearest authorized PIONEER Service Station.
Getting Started
Basic operation
DEH-X1850UB

Remote Control

Frequently used operations
| Purpose | Operation | |
| Head Unit | Remote Control | |
| Turn on the power* | Press SRC/OFF to turn on the power. Press and hold SRC/OFF to turn off the power. | Press SRC to turn on the power. Press and hold SRC to turn off the power. |
| Purpose | Operation | |
| Head Unit | Remote Control | |
| Adjust the volume | Turn the M.C. dial. | Press VOLUME + or –. Press MUTE to mute the unit. Press again to unmute. |
| Select a source | Press SRC/OFF repeatedly. | Press SRC repeatedly. |
| Change the display information | Press DISP/DISP OFF repeatedly. Press and hold DISP/DISP OFF to turn off the display information. | Press DISP repeatedly. |
| Return to the previous display/list | Press BAND/ | Press |
| Return to the normal display from the menu | Press and hold BAND/ | – |
When this unit’s blue/white lead is connected to the vehicle’s auto-antenna relay control terminal, the vehicle’s antenna extends when this unit’s source is turned on. To retract the antenna, turn the source off.
Display indication

Detaching the front panel
Detach the front panel to prevent theft. Remove any cables and devices attached to the front panel and turn off the unit before detaching it.

Important
- Avoid subjecting the front panel to excessive shock.
- Keep the front panel out of direct sunlight and high temperatures.
- Always store the detached front panel in a protective case or bag.
Preparing the remote control
Remove the insulation sheet before use.

How to replace the battery

- Insert the CR2025 (3 V) battery with the plus (+) and minus (–) poles orientated properly.
WARNING
- Keep the battery out of the reach of children. Should the battery be swallowed, consult a doctor immediately.
- Do not expose the battery or remote control to excessive heat such as direct sunlight or fire.
CAUTION
- There is a potential danger of explosion if the battery is incorrectly replaced. When replacing the battery, replace it with the same type.
- Do not handle or store the battery with metallic tools or objects.
- If the battery leaks, remove the battery and wipe the remote control completely clean. Then install a new battery.
- When disposing of used batteries, please comply with governmental regulations or environmental public institutions’ rules that apply in your country/area.
Important
- Do not store the remote control in high temperatures or direct sunlight.
- Do not let the remote control fall onto the floor, where it may become jammed under the brake or accelerator pedal.
When you turn the ignition switch to ON after installation, [SET UP :YES] appears in the display.
- Press the M.C. dial. The setup menu disappears after 30 seconds of no operation. If you prefer not to set at this time, turn the M.C. dial to select [NO], then press to confirm.
- Turn the M.C. dial to select the options, then press to confirm. To proceed to the next menu option, you need to confirm your selection.
| Menu Item | Description |
| LANGUAGE [ENG](English), [ESP](Spanish) | Select the language to display the text information from a compressed audio file. |
| CLOCK SET | Set the clock. |
| FM STEP [100], [50] | Select the FM tuning step from 100 kHz or 50 kHz. |
| AM STEP [10], [9] | Select the AM tuning step from 10 kHz or 9 kHz. |
- [QUIT: YES] appears when all the settings have been made. To return to the first item of the setup menu, turn the M.C. dial to select [QUIT :NO], then press to confirm.
- Press the M.C. dial to confirm the settings.
NOTES
- You can cancel the menu setting by pressing SRC/OFF.
- These settings can be made at any time from the SYSTEM settings (page 9) and INITIAL settings.
Canceling the demonstration display (DEMO OFF)
- Press the M.C. dial to display the main menu.
- Turn the M.C. dial to select [SYSTEM], then press to confirm.
- Turn the M.C. dial to select [DEMO OFF], then press to confirm.
- Turn the M.C. dial to select [YES], then press to confirm.
INITIAL settings
- Press and hold SRC/OFF until the unit turns off.
- Press the M.C. dial to display the main menu.
- Turn the M.C. dial to select [INITIAL], then press to confirm.
- Turn the M.C. dial to select an option, then press to confirm.
| Menu Item | Description | |
| FM STEP [100], [50] | Select the FM tuning step from 100 kHz or 50 kHz. | |
| AM STEP [10], [9] | Select the AM tuning step from 10 kHz or 9 kHz. | |
| SP-P/O MODE [REAR/SUB.W] | Select when there is a full-range speaker connected to the rear speaker output leads and there is a subwoofer connected to the RCA output. | |
| [SUB.W/SUB.W] | Select when there is a passive subwoofer connected directly to the rear speaker output leads and there is a subwoofer connected to the RCA output. | |
| [REAR/REAR] | Select when there are full-range speakers connected to the rear speaker output leads and RCA output. If there is a full-range speaker connected to the rear speaker output leads, and the RCA output is not used, you may select either [REAR/SUB.W] or [REAR/REAR]. | |
| SYSTEM RESET [YES], [CANCEL] | Select [YES] to initialize the unit settings. The unit will be restarted automatically. (Some of the settings may be retained even after resetting the unit.) | |
Radio
Receiving preset stations
- Press SRC/OFF to select [RADIO].
- Press BAND/ to select the band from [FM1], [FM2], [FM3] or [AM].
- Press a number button (1/ to 6/ ).
TIP: The / buttons can be also used to select a preset station when [SEEK] is set to [PCH] in the FUNCTION settings.
Best stations memory (BSM)
The six strongest stations are stored on the number buttons (1/
to 6/
).
- After selecting the band, press the M.C. dial to display the main menu.
- Turn the M.C. dial to select [FUNCTION], then press to confirm.
- Turn the M.C. dial to select [BSM], then press to confirm.
To seek a station manually
- After selecting the band, press
to select a station. Press and hold
then release to seek an available station. Scanning stops when the unit receives a station. To cancel seek tuning, press
.
NOTE: [SEEK] needs to be set to [MAN] in the FUNCTION settings.
To store stations manually
- While receiving the station you want to store, press and hold one of the number buttons (1/
to 6/
) until it stops flashing.
Using PTY functions
The unit searches for a station by PTY (program type) information.
- Press
during FM reception. - Turn the M.C. dial to select a program type from [NEWS/INFO], [POPULAR], [CLASSICS] or [OTHERS].
- Press the M.C. dial. The unit begins to search for a station. When it is found, its program service name is displayed.
NOTES
- To cancel the search, press the M.C. dial.
- The program of some stations may differ from that indicated by the transmitted PTY.
- If no station is broadcasting the type of program you searched for, [NOT FOUND] is displayed for about two seconds and then the tuner returns to the original station.
PTY list
For more details about PTY list, visit the following site: http://www.pioneer.eu/eur/products/25/121/tech/CarAudio/PTY.html
CD/USB/AUX
Playing back
Disconnect headphones from the device before connecting it to the unit.

CD
- Insert a disc into the disc loading slot with the label side up.
- To eject a disc, stop playback first then press
.
USB devices (including Android)
- Open the USB port cover.
- Plug in the USB device using an appropriate cable.
NOTE: To automatically switch to [USB] source when a USB device is connected to the unit, set [USB AUTO] to [ON] in the SYSTEM settings.
CAUTION
Use an optional Pioneer USB cable (CD-U50E) to connect the USB device as any device connected directly to the unit will protrude out from the unit, which could be dangerous. Before removing the device, stop playback.
AOA connections
- For details on AOA connection.
MTP connection
A device installed with Android OS 4.0 or later can be connected to the unit via MTP, using the cable supplied with the device. However, depending on the connected device and the numbers of the files in the device, audio files/songs may not be able to be played back via MTP. Note that MTP connection is not compatible with WAV file formats, and cannot be used with the MIXTRAX function.
NOTE: If you use an MTP connection, [ANDROID WIRED] needs to be set to [MEMORY] in the SYSTEM settings.
AUX
- Insert the stereo mini plug into the AUX input jack.
- Press SRC/OFF to select [AUX] as the source.
NOTE: If [AUX] is set to [OFF] in the SYSTEM settings, [AUX] cannot be selected as a source.
Operations
You can make various adjustments in the FUNCTION settings (page 8). Note that the following operations do not work for an AUX device. To operate an AUX device, use the device itself.


- Compressed audio files only.
About MIXTRAX (USB only)
The MIXTRAX function creates a non-stop mix of your music library. For details on MIXTRAX settings.
NOTES
- This function is not compatible with an Android device connected via MTP.
- When USB is selected as a source and the MIXTRAX function is in use, the sound retriever function is disabled.
- Depending on the file/song, sound effects may not be available.
Car Remote Mode
You can operate the unit from a car remote application installed on an Android device. In some cases, you can control aspects of the application, such as source selection, pause, etc., by using the unit. For details on what operations are available on the application, see the application’s help section.
WARNING
Do not attempt to operate the application while driving. Make sure to pull off the road and park your vehicle in a safe location before attempting to use the controls on the application.
For Android device users
This function is compatible with devices that have Android OS 4.1 or later installed and also support AOA (Android Open Accessory) 2.0.
Making the car remote connection
- Connect this unit with the mobile device.
- Android device via USB (page 6)
- Press the M.C. dial to display the main menu.
- Turn the M.C. dial to select [SYSTEM], then press to confirm.
- Turn the M.C. dial to select [ANDROID WIRED], then press to confirm.
- Turn the M.C. dial to select [APP CONTROL] for an Android device connected via USB.
- If [ON] is selected in [P.APP AUTO ON] (page 9), the car remote application on the Android device starts automatically, and all the steps are finished.
- NOTE: If the car remote application has not been installed on your Android device yet, a message that prompts you to install the application will appear on your Android device. Select [OFF] in [P.APP AUTO ON] to clear the message (page 9).
- Press SRC/OFF to select any source.
- Press and hold the M.C. dial.
- The car remote application on the mobile device starts.
Listening to music on Android
- Press SRC/OFF to select [ANDROID].
Basic operations
| Purpose | Operation | |||
| Select a track | Press | or | ||
| Fast forward or reverse | Press and hold | or | ||
| Pause/resume playback | Press 4/PAUSE. | |||
Settings
You can adjust various settings in the main menu.
- Press the M.C. dial to display the main menu.
- Turn the M.C. dial to select one of the categories below, then press to confirm.
- FUNCTION settings.
- AUDIO settings.
- SYSTEM settings.
- ILLUMINATION settings.
- MIXTRAX settings.
- Turn the M.C. dial to select the options, then press to confirm.
FUNCTION settings
The menu items vary according to the source.


AUDIO settings


- Not available when [SUB.W/SUB.W] is selected in [SP-P/O MODE] in the INITIAL settings (page 5).
- Not available when [REAR/REAR] is selected in [SP-P/O MODE] in the INITIAL settings (page 5).
- Not available when [OFF] is selected in [SUB.W].
SYSTEM settings
You can also access to these menus when the unit is turned off.

ILLUMINATION settings


MIXTRAX settings

Connections/Installation
Connections
WARNING

- Use speakers over 50 W (output value) and between 4 Ω to 8 Ω (impedance value). Do not use 1 Ω to 3 Ω speakers for this unit.
- The black cable is ground. When installing this unit or power amp (sold separately), make sure to connect the ground wire first. Ensure that the ground wire is properly connected to metal parts of the car’s body. The ground wire of the power amp and the one of this unit or any other device must be connected to the car separately with different screws. If the screw for the ground wire loosens or falls out, it could result in fire, generation of smoke or malfunction.
- Not supplied for this unit.

- Not supplied for this unit.
- Use this unit with a 12-volt battery and negative grounding only. Failure to do so may result in a fire or malfunction.
- To prevent a short-circuit, overheating or malfunction, be sure to follow the directions below.
- Disconnect the negative terminal of the battery before installation.
- Secure the wiring with cable clamps or adhesive tape. Wrap adhesive tape around wiring that comes into contact with metal parts to protect the wiring.
- Place all cables away from moving parts, such as the shift lever and seat rails.
- Place all cables away from hot places, such as near the heater outlet.
- Do not connect the yellow cable to the battery by passing it through the hole to the engine compartment.
- Cover any disconnected cable connectors with insulating tape.
- Do not shorten any cables.
- Never cut the insulation of the power cable of this unit in order to share the power with other devices. The current capacity of the cable is limited.
- Use a fuse of the rating prescribed.
- Never wire the negative speaker cable directly to ground.
- Never band together negative cables of multiple speakers.
- When this unit is on, control signals are sent through the blue/white cable. Connect this cable to the system remotecontrol of an external power amp or the vehicle’s auto-antenna relay control terminal (max. 300mA 12 V DC). If the vehicle is equipped with a glass antenna, connect it to the antenna booster power supply terminal.
- Never connect the blue/white cable to the power terminal of an external power amp. Also, never connect it to the power terminal of the auto antenna. Doing so may result in battery drain or a malfunction.
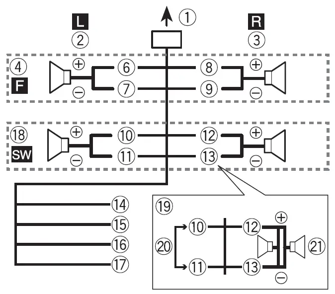
This unit

- Power cord input
- Rear output or subwoofer output
- Front output
- Antenna input
- Fuse (10 A)
- Wired remote input
- Hard-wired remote control adapter can be connected (sold separately).
Power cord
Perform these connections when not connecting a rear speaker lead to a subwoofer.

- Perform these connections when using a subwoofer without the optional amplifier.

Important
- In the case of 19 above, two 4 Ω subwoofers wired in parallel will represent a 2 Ω load.
- To power cord input
- Left
- Right
- Front speaker
- Rear speaker
- White
- White/black
- Gray
- Gray/black
- Green
- Green/black
- Violet
- Violet/black
- Black (chassis ground)
- Connect to a clean, paint-free metal location.
- Yellow
- Connect to the constant 12 V supply terminal.
- Red
- Connect to terminal controlled by the ignition switch (12 V DC).
- Blue/white
- Connect to the system control terminal of the power amp or auto-antenna relay control terminal (max. 300 mA 12 V DC).
- Subwoofer (4 Ω)
- When using a subwoofer of 70 W (2 Ω), be sure to connect the subwoofer to the violet and violet/black leads of this unit. Do not connect anything to the green and green/black leads.
- Not used.
- Subwoofer (4 Ω) × 2
NOTE: Change the initial menu of this unit. Refer to [SP-P/O MODE]. The subwoofer output of this unit is monaural.
Power amp (sold separately)
Perform these connections when using the optional amplifier.

- System remote control
- Connect to blue/white cable.
- Power amp (sold separately)
- Connect with RCA cables (sold separately)
- To front output
- Front speaker
- To rear output or subwoofer output
- Rear speaker or subwoofer
Installation
Important
- Check all connections and systems before final installation.
- Do not use unauthorized parts as this may cause malfunctions.
- Consult your dealer if installation requires drilling of holes or other modifications to the vehicle.
- Do not install this unit where
- it may interfere with operation of the vehicle.
- it may cause injury to a passenger as a result of a sudden stop.
- The semiconductor laser will be damaged if it overheats. Install this unit away from hot places such as near the heater outlet.

- Optimum performance is obtained when the unit is installed at an angle of less than 60°.

- When installing, to ensure proper heat dispersal when using this unit, make sure you leave ample space behind the rear panel and wrap any loose cables so they are not blocking the vents.
DIN mount installation
- Insert the supplied mounting sleeve into the dashboard.
- Secure the mounting sleeve by using a screwdriver to bend the metal tabs (90°) into place.

- Dashboard
- Mounting sleeve
- Make sure that the unit is installed securely in place. An unstable installation may cause skipping or other malfunctions.
When not using the supplied mounting sleeve
- Determine the appropriate position where the holes on the bracket and the side of the unit match.

- Tighten two screws on each side.

- Truss screw (5 mm × 9 mm)
- Mounting bracket
- Dashboard or console
Removing the unit (installed with the supplied mounting sleeve)
- Remove the trim ring.

- Trim ring
- Notched tab
- Releasing the front panel allows easier access to the trim ring.
- When reattaching the trim ring, point the side with the notched tab down.
- Insert the supplied extraction keys into both sides of the unit until they click into place.
- Pull the unit out of the dashboard.
Additional Information
Troubleshooting
The display automatically returns to the normal display.
- No operations have been made for about 30 seconds.
- Perform an operation.
The repeat play range changes unexpectedly.
- Depending on the repeat play range, the selected range may change when another folder or track is being selected or during fast forwarding/reversing.
- Select the repeat play range again.
A subfolder is not played back.
- Subfolders cannot be played when [FLD] (folder repeat) is selected.
- Select another repeat play range.
The sound is intermittent.
- You are using a device, such as a cellular phone, that may cause audible interference.
- Move electrical devices that may be causing the interference away from the unit.
Error messages
Common
AMP ERROR
- This unit fails to operate or the speaker connection is incorrect.
- The protective circuit is activated.
- Check the speaker connection.
- Turn the ignition switch OFF and back to ON again. If the message remains, contact your dealer or an authorized Pioneer Service Station for assistance.
NO XXXX (NO TITLE, for example)
- There is no embedded text information.
- Switch the display or play another track/file.
CD player
ERROR-07, 11, 12, 17, 30
- The disc is dirty.
- Clean the disc.
- The disc is scratched.
- Replace the disc.
ERROR-07, 10, 11, 12, 15, 17, 30, A0
- There is an electrical or mechanical error.
- Turn the ignition switch OFF and back to ON, or switch to a different source, then back to the CD player.
ERROR-15
- The inserted disc is blank.
- Replace the disc.
ERROR-23
- Unsupported CD format.
- Replace the disc.
FORMAT READ
- Sometimes there is a delay between the start of playback and when you start to hear any sound.
- Wait until the message disappears and you hear sound.
NO AUDIO
- The inserted disc does not contain any playable files.
- Replace the disc.
SKIPPED
- The inserted disc contains DRM protected files.
- The protected files are skipped.
PROTECT
- All the files on the inserted disc are embedded with DRM.
- Replace the disc.
USB device
FORMAT READ
- Sometimes there is a delay between the start of playback and when you start to hear any sound.
- Wait until the message disappears and you hear sound.
NO AUDIO
- There are no songs.
- Transfer the audio files to the USB device and connect.
- The connected USB device has security enabled.
- Follow the USB device instructions to disable the security.
SKIPPED
- The connected USB device contains DRM protected files.
- The protected files are skipped.
PROTECT
- All the files on the connected USB device are embedded with DRM.
- Replace the USB device.
N/A USB
- The connected USB device is not supported by this unit.
- Disconnect your device and replace it with a compatible USB device.
HUB ERROR
- The USB device connected via a USB hub is not supported by this unit.
- Connect the USB device directly to this unit using a USB cable.
CHECK USB
- The USB connector or USB cable has short-circuited.
- Check that the USB connector or USB cable is not caught in something or damaged.
- The connected USB device consumes more than maximum allowable current.
- Disconnect the USB device and do not use it. Turn the ignition switch OFF and back to ACC or ON. Connect only compliant USB devices.
ERROR-19
- Communication failed.
- Perform one of the following operations, then return to the USB source.
- Turn the ignition switch OFF and back to ON.
- Disconnect the USB device.
- Change to a different source.
- Perform one of the following operations, then return to the USB source.
ERROR-23
- USB device was not formatted properly.
- Format the USB device with FAT12, FAT16 or FAT32.
STOP
- There are no songs in the current list.
- Select a list that contains songs.
Handling guidelines
Discs and player
- Use only discs that feature either of the following two logos.

- Use 12-cm discs.
- Use only conventional, fully circular discs.
- The following types of discs cannot be used with this unit
- Dual Discs
- 8-cm discs: Attempts to use such discs with an adaptor may cause the unit to malfunction.
- Oddly shaped discs
- Discs other than CDs
- Damaged discs, including discs that are cracked, chipped or warped
- CD-R/RW discs that have not been finalized
- Do not write on or apply chemicals to the surface of the discs.
- To clean a CD, wipe the disc with a soft cloth outward from the center.
- Condensation may temporarily impair the player’s performance. Let it rest for about one hour to adjust to a warmer temperature. Also, wipe any damp discs off with a soft cloth.
- When using discs that can be printed on label surfaces, check the instructions and the warnings of the discs. Depending on the discs, inserting and ejecting may not be possible. Using such discs may result in damage to this equipment.
- Do not attach commercially available labels or other materials to the discs.
- The discs may warp making the disc unplayable.
- The labels may come off during playback and prevent ejection of the discs, which may result in damage to the equipment.
USB storage device
- Connections via USB hubs are not supported.
- Firmly secure the USB storage device before driving. Do not let the USB storage device fall onto the floor, where it may become jammed under the brake or accelerator pedal.
- Depending on the USB storage device, the following problems may occur.
- Operations may vary.
- The storage device may not be recognized.
- Files may not be played back properly.
- The device may cause audible interference when you are listening to the radio.
Compressed audio compatibility
- Only the first 32 characters can be displayed as a file name (including the file extension) or a folder name.
- The unit may not work properly depending on the application used to encode WMA files.
- There may be a slight delay at the start of the playback of audio files embedded with image data, or audio files stored on a USB device with numerous folder hierarchies.
CAUTION
- Pioneer cannot guarantee compatibility with all USB mass storage devices, and assumes no responsibility for any loss of data on media players, smartphones, or other devices while using this product.
- Do not leave discs or a USB storage device in any place that is subject to high temperatures.
WMA files
| File extension | .wma |
| Bit rate | 48 kbps to 320 kbps (CBR), 48 kbps to 384 kbps (VBR) |
| Sampling frequency | 32 kHz, 44.1 kHz, 48 kHz |
| Windows Media™ Audio Professional, Lossless, Voice/DRM Stream/Stream with video | Not compatible |
MP3 files
| File extension | .mp3 |
| Bit rate | 8 kbps to 320 kbps (CBR), VBR |
| Sampling frequency | 8 kHz to 48 kHz (32 kHz, 44.1 kHz, 48 kHz for emphasis) |
| Compatible ID3 tag version | 1.0, 1.1, 2.2, 2.3, 2.4 (ID3 tag Version 2.x is given priority over Version 1.x.) |
| M3u playlist | Not compatible |
| MP3i (MP3 interactive), mp3 PRO | Not compatible |
WAV files
- WAV file formats cannot be connected via MTP.
| File extension | .wav |
| Quantization bits | 8 and 16 (LPCM), 4 (MSADPCM) |
| Sampling frequency | 16 kHz to 48 kHz (LPCM), 22.05 kHz and 44.1 kHz (MS ADPCM) |
Disc
Regardless of the length of the blank section between the songs from the original recording, compressed audio discs play with a short pause between songs.
| Playable folder hierarchy | Up to eight tiers (A practical hierarchy is less than two tiers.) |
| Playable folders | Up to 99 |
| Playable files | Up to 999 |
| File system | ISO 9660 Level 1 and 2, Romeo, Joliet |
| Multi-session playback | Compatible |
| Packet write data transfer | Not compatible |
USB device
- There may be a slight delay when starting playback of audio files on a USB storage device with numerous folder hierarchies.
| Playable folder hierarchy | Up to eight tiers (A practical hierarchy is less than two tiers.) |
| Playable folders | Up to 500 |
| Playable files | Up to 15 000 |
| Playback of copyright- protected files | Not compatible |
| Partitioned USB device | Only the first partition can be played. |
Sequence of audio files
The user cannot assign folder numbers and specify playback sequences with this unit. Sequence of audio file depends on the connected device. Note that the hidden files in a USB device cannot be played back.
Example of a hierarchy

- 01 to 05: Folder number
- 1 to 6: Playback sequence
Copyright and trademark
WMA
Windows Media is either a registered trademark or trademark of Microsoft Corporation in the United States and/or other countries.This product includes technology owned by Microsoft Corporation and cannot be used or distributed without a license from Microsoft Licensing, Inc.
Android™
- Android is a trademark of Google Inc.
MIXTRAX
- MIXTRAX is a trademark of the PIONEER CORPORATION.
Specifications
General
- Rated power source: 14.4 V DC (allowable
- voltage range: 12.0 V to 14.4 V DC)
- Grounding system: Negative type
- Maximum current consumption: 10.0 A
- Dimensions (W × H × D): DIN
- Chassis: 178 mm × 50 mm × 165 mm
- Nose: 188 mm × 58 mm × 17 mm D
- Chassis: 178 mm × 50 mm × 165 mm
- Nose: 170 mm × 46 mm × 17 mm
- Weight: 1 kg
Audio
- Maximum power output
- 50 W × 4 ch/4 Ω (for no subwoofer)
- 50 W × 2 ch/4 Ω + 70 W × 1 ch/2 Ω (for subwoofer)
- Continuous power output: 22 W × 4 (50 Hz to 15 000 Hz, 5 % THD, 4 Ω load, both channels driven)
- Load impedance: 4 Ω (4 Ω to 8 Ω allowable)
- Preout maximum output level: 2.0 V
- Loudness contour: +10 dB (100 Hz), +6.5 dB (10 kHz) (volume: –30 dB)
- Equalizer (5-Band Graphic Equalizer)
- Frequency: 80 Hz/250 Hz/800 Hz/2.5 kHz/8 kHz
- Equalization range: ±12 dB (2 dB step)
- Subwoofer (mono)
- Frequency: 50 Hz/63 Hz/80 Hz/100
- Hz/125 Hz/160 Hz/200 Hz
- Slope: –12 dB/oct, –24 dB/oct
- Gain: +6 dB to –24 dB
- Phase: Normal/Reverse
CD player
- System: Compact disc audio system
- Usable discs: Compact disc
- Signal-to-noise ratio: 94 dB (1 kHz) (IEC-A network)
- Number of channels: 2 (stereo)
- MP3 decoding format: MPEG-1 & 2 Audio Layer 3
- WMA decoding format: Ver. 7, 7.1, 8, 9, 10, 11, 12 (2 ch audio) (Windows Media Player)
- WAV signal format: Linear PCM & MS ADPCM (Non-compressed)
USB
- USB standard specification: USB 2.0 full speed
- Maximum current supply: 1 A
- USB Protocol
- MSC (Mass Storage Class)
- MTP (Media Transfer Protocol)
- AOA (Android Open Accessory) 2.0
- File system: FAT12, FAT16, FAT32
- MP3 decoding format: MPEG-1 & 2 Audio Layer 3
- WMA decoding format: Ver. 7, 7.1, 8, 9, 10, 11, 12 (2 ch audio) (Windows Media Player)
- WAV signal format: Linear PCM & MS
- ADPCM (Non-compressed)
FM tuner
- Frequency range: 87.5 MHz to 108.0 MHz
- Usable sensitivity: 11 dBf (1.0 μV/75 Ω, mono, S/N: 30 dB)
- Signal-to-noise ratio: 72 dB (IEC-A network)
AM tuner
- Frequency range: 531 kHz to 1 602 kHz (9 kHz)
- 530 kHz to 1 640 kHz (10 kHz)
- Usable sensitivity: 25 μV (S/N: 20 dB)
- Signal-to-noise ratio: 62 dB (IEC-A network)
NOTE: Specifications and the design are subject to modifications without notice.
© 2015 PIONEER CORPORATION. All rights reserved.



























