BLAUBERG RSKE Fire Safety Smoke Damper

This user’s manual is a main operating document intended for technical, maintenance, and operating staff.
The manual contains information about purpose, technical details, operating principle, design, and installation of the RSKE/RSKM unit and all its modifications. Technical and maintenance staff must have theoretical and practical training in the field of ventilation systems and should be able to work in accordance with workplace safety rules as well as construction norms and standards applicable in the territory of the country.
SAFETY REQUIREMENTS
- Please read the user’s manual carefully prior to installing and operating the unit.
- All user’s manual requirements as well as the provisions of all the applicable local and national construction, electrical, and technical norms and standards must be observed when installing and operating the unit.
- The warnings contained in the user’s manual must be considered most seriously since they contain vital personal safety information.
- Failure to follow the rules and safety precautions noted in this user’s manual may result in an injury or unit damage.
- After a careful reading of the manual, keep it for the entire service life of the unit.
- While transferring the unit control, the user’s manual must be turned over to the receiving operator.
UNIT INSTALLATION AND OPERATION SAFETY PRECAUTIONS
- Disconnect the unit from power mains prior to any installation operations.
- Unpack the unit with care.
- The unit must be grounded!
- While installing the unit, follow the safety regulations specific to the use of electric tools.
- Do not change the power cable length at your own discretion.
- Do not bend the power cable.
- Avoid damaging the power cable.
- Do not put any foreign objects on the power cable.
- Do not lay the power cable of the unit in close proximity to heating equipment.
- Do not use damaged equipment or cables when connecting the unit to power mains.
- Do not operate the unit outside the temperature range stated in the user’s manual.
- Do not operate the unit in aggressive or explosive environments.
- Do not touch the unit controls with wet hands.
- Do not carry out the installation and maintenance operations with wet hands.
- Do not wash the unit with water.
- Protect the electric parts of the unit against ingress of water.
- Do not allow children to operate the unit.
- The unit is allowed to be used by children aged from 8 years old and above and persons with reduced physical, sensory, or mental capabilities or no experience and knowledge provided that they have been given supervision or instruction regarding safe use of the unit and understand the risks involved.
- Disconnect the unit from power mains prior to any technical maintenance.
- Do not store any explosive or highly flammable substances in close proximity to the unit.
- When the unit generates unusual sounds, odour, or emits smoke, disconnect it from power supply and contact the Seller.
- Do not open the unit during operation.
- Do not direct the air flow produced by the unit towards open flame or ignition sources.
- Do not block the air duct when the unit is switched on.
- In case of continuous operation of the unit, periodically check the security of mounting.
- Do not sit on the unit and avoid placing foreign objects on it.
- Use the unit only for its intended purpose.
THE PRODUCT MUST BE DISPOSED SEPARATELY AT THE END OF ITS SERVICE LIFE.
DO NOT DISPOSE THE UNIT AS UNSORTED DOMESTIC WASTE.
PURPOSE
THE UNIT SHOULD NOT BE OPERATED BY CHILDREN OR PERSONS WITH REDUCED PHYSICAL, MENTAL, OR SENSORY CAPACITIES, OR THOSE WITHOUT THE APPROPRIATE TRAINING.
THE UNIT MUST BE INSTALLED AND CONNECTED ONLY BY PROPERLY QUALIFIED PERSONNEL AFTER THE APPROPRIATE BRIEFING.
THE CHOICE OF UNIT INSTALLATION LOCATION MUST PREVENT UNAUTHORISED ACCESS BY UNATTENDED CHILDREN.
The dampers are intended for smoke protection systems of buildings and structures of various purpose and provide extraction of combustion products from the spaces of floor corridors, hallways, air locks etc.
The units can be used in emergency smoke exhaust ventilation systems in the event of a fire to support evacuation of people from the building at the initial phase of the fire occurring in any of the building spaces.
The RSKM multi-purpose fire safety smoke dampers (multi-blade) and the RSKE fire safety smoke dampers (single-blade) have the fire resistance rating of 180 minutes at smoke temperature of 600 °C.
The dampers are not allowed for use:
- in systems used for transporting vapour-gas and vapour-air mixtures generated by process equipment where explosive materials are heated above their ignition temperature or maintained at residual pressure;
- in systems used for transporting mixtures aggressive to carbon steels of ordinary quality which exceed air in terms of corrosive aggressiveness and contain sticky substances;
- in systems which do not undergo periodic cleaning pursuant to an approved schedule to prevent accumulation of combustible deposits. The product undergoes continuous improvement and, therefore, some models may slightly differ from the ones described herein.
DELIVERY SET
NAME : NUMBER
- Damper 1 pc.
- User’s manual 1 pc.
- Packing box 1 pc.
DESIGNATION KEY

TECHNICAL DATA
The damper is intended for operation in closed spaces under ambient air temperatures from +1 °C to +45 °C and relative humidity up to 80%. The dampers are intended for operation in moderate climatic conditions.
The RSKE and RSKM dampers are available in two variants:
- With an electric magnet. The unit can be mounted both in the vertical and horizontal position.
- With an electric magnet enabling free installation irrespective of the dimensional orientation of the mounting surface.
The dampers can be installed in any position at an arbitrary angle. The position of blades (vertical or horizontal) does not affect damper performance. The RSKE and RSKM dampers are available in the wall-mounted or duct variants. The dampers can have one or two flanges.
|
Parameters | Dampers variants and actuator type | ||||||||||
| Damper with an electric magnet | with an electric actuator | ||||||||||
| PKP24 | PKP230 | PV24 | PV230 | PVP24 | PVP230 | PS24 | PS230 | PSP24 | PSP230 | ||
| Minimum fire resistance [min] | 180 | ||||||||||
| Rated voltage [V], 50 Hz | ~220/24 | 24 | 230 | 24 | 230 | 24 | 230 | 24 | 230 | 24 | 230 |
| Maximum design capacity [VA], depending on electric actuator | 200/100 | 8/10 | 8/10 | 9/18 | 12/15 | 4/6/10 | 6.5/9/12.5 | 5/7 | 7/8 | 5/7 | 7/8 |
| IP code | IP54 | ||||||||||
| Maximum power consumption during blade retention in operating position [W], depending on electric actuator | 3 | 3 | 1 | 1 | 0.7/1.4/2 | 0,9/2/3 | 2/3 | 3.5/4 | 2/3 | 3.5/4 | |
| Maximum power consumption at blade reset to operating position after damper actuation, [W], depending on electric actuator | 5 | 5 | 7.5/13 | 5/8 | 2.5/4/7 | 3/4.5/8 | 3.5/5 | 4.5/6 | 3.5/5 | 4.5/6 | |
| Maximum time for setting blades to safety position [s] | 2 | 60 | |||||||||
| Maximum time for resetting blades to operating position [s] | – | 150 | |||||||||
UNIT DESIGN AND OPERATING PRINCIPLE
The manufacturer reserves the right to complete the dampers with actuators of choice as long as the dampers comply with the declared technical parameters.
In the closed position the damper construction ensures a tight fit of the blades to the seating faces of the frame.
The frame is the main load-bearing structure of the damper. The frame faces are provided with one or two attachment flanges (depending on the variant).
The smoke damper remains closed in the operating (emergency control) position. In this position the damper blades are aligned with the flow area plane. When the electric magnet is energised, the spring-assisted blade opens causing the end switch to break the circuit and disconnect the electric magnet from the power supply.
The blade is returned to the initial position manually. In variants with Belimo actuators the flap is automatically set to the operating (emergency control) position as soon as the electric actuator is energised.
If a fire breaks out, the electric actuators are de-energised by a control pulse generated by fire-warning detectors, automatic fire extinguishers or other sources while the return spring sets the damper to the open position.
The blade position can be conveniently controlled by means of indicator lights connected to the respective contacts of the electromagnetic actuator. When the power is restored after an outage not related to a fire the damper blades return to the operating (emergency control) position automatically. In variants with Belimo actuators with two-wire control the damper blade is set to the OPEN or CLOSED position by means of a control signal switching the supply power phase from one actuator contact to the other.
POSSIBLE VARIANTS OF RSKE DAMPERS
The RSKE damper with an internally installed electric magnet (220/24 V), single or double flange:
- The single flange variant is intended for wall or ceiling installation. The damper must be installed according to the installation guidelines for the damper with an internal actuator. Upon the test or emergency damper actuation, the louvres can only be manually reset to initial position.
- The double flange variant is intended for duct installation. Upon the test or emergency damper actuation the louvres can only be manually reset to the initial position.

The RSKE damper with an electric actuator (230 or 24 V) installed outside the damper, single or double flange:
- The single flange variant is intended for wall or ceiling mounting irrespective of the dimensional orientation.
- The double flange variant is intended for duct installation irrespective of the dimensional orientation. The louvres of dampers equipped with a two-position electric actuator are set to the “open” or “closed” position by an external actuating signal.

The RSKE damper with an electric actuator (230 or 24 V) installed inside the damper, single or double flange:
- The single flange variant is intended for wall or ceiling mounting irrespective of the dimensional orientation.
- The double flange variant is intended for duct installation irrespective of the dimensional orientation. The louvres of dampers equipped with a two-position electric actuator are set to the “open” or “closed” position by an external actuating signal. After a test or emergency actuation the louvres of dampers equipped with an electric actuator with a return spring can return to the initial position automatically upon feeding the supply voltage.

THE RSKE DAMPER OVERALL AND CONNECTING DIMENSIONS [mm]
The RSKE damper with an internally installed electric magnet (220/24 V), single or double flange:

The RSKE damper with an electric actuator (230 or 24 V) installed outside the damper, single or double flange:

The RSKE damper with an electric actuator (230 or 24 V) installed inside the damper, single or double flange:

POSSIBLE RSKM DAMPER VARIANTS
The RSKM damper with an internally installed electric magnet (220/24 V), single or double flange:
- The single-flange variant is intended for wall or ceiling mounting irrespective of the dimensional orientation. Upon the test or emergency damper actuation the louvres can only be manually reset to the initial position.
- The double-flange variant is intended for duct installation irrespective of the dimensional orientation. Upon the test or emergency damper actuation the louvres can only be manually reset to the initial position.

The RSKM damper with an electric actuator (230 or 24 V) installed outside the damper, single or double flange:
- The single flange variant is intended for wall or ceiling mounting irrespective of the dimensional orientation.
- The double flange variant is intended for duct installation irrespective of the dimensional orientation. The louvres of dampers equipped with a two-position electric actuator are set to the “open” or “closed” position by an external actuating signal. After a test or emergency actuation the louvres of dampers equipped with an electric actuator with a return spring can return to the initial position automatically upon feeding the supply voltage.

The RSKM damper with an electric actuator (230 or 24 V) installed inside the damper, single or double flange:
- The single flange variant is intended for wall or ceiling mounting irrespective of the dimensional orientation.
- The double flange variant is intended for duct installation irrespective of the dimensional orientation. The louvres of dampers equipped with a two-position electric actuator are set to the “open” or “closed” position by an external actuating signal. After a test or emergency actuation the louvres of dampers equipped with an electric actuator with a return spring can return to the initial position automatically upon feeding the supply voltage.

THE RSKM DAMPER OVERALL AND CONNECTING DIMENSIONS [mm]
The RSKM damper with an internally installed electric magnet (220/24 V), single or double flange:

The RSKM damper with an electric actuator (230 or 24 V) installed outside the damper, single or double flange:

The RSKM damper with an electric actuator (230 or 24 V) installed inside the damper, single or double flange:

ADDITIONAL DAMPER EQUIPMENT
The dampers can be fitted with a range of extra equipment for a particular installation to be purchased separately:
RD smoke exhaust grille
The dampers can be additionally equipped with a smoke exhaust grille. The smoke exhaust grille is used to entirely block the view of the damper internals from outside in the absence of strict requirements to the unit appearance. The smoke exhaust grille also protects the damper and its actuator from tampering. The grille has a single stack of non-adjustable horizontal air flow guides fixed at 45 degrees. The grille can be made of galvanized steel (Ts), carbon steel with a special coating (M), stainless steel (N) or aluminium (A).
Vandal-proof mesh
The dampers can be additionally equipped with a vandal-proof mesh.
Aluminium decorative grille
The dampers can be fitted with a decorative grille made of aluminium for a more aesthetic appearance. The grille has a single stack of non-adjustable horizontal air flow guides fixed at 45 degrees. The grille is polymer-coated or anodised for protection against the weather elements.
INSTALLATION AND SET-UP
BEFORE MOUNTING MAKE SURE THE CASING DOES NOT CONTAIN ANY FOREIGN OBJECTS (E.G. FOIL, PAPER).
WHILE INSTALLING THE UNIT ENSURE CONVENIENT ACCESS FOR SUBSEQUENT MAINTENANCE AND REPAIR.
The dampers are not intended for installation in air ducts of spaces, in local exhaust systems designed for extraction of flammable and explosive mixtures as well as in systems containing environments more aggressive to plain carbon steels than air or those containing sticky and fibrous materials. Fire safety dampers are only intended for installation in systems subjected to regular cleaning to prevent formation of flammable deposits. The seal fire resistance must be at least equal to that of the building envelope.

When preparing for installation, the damper casing must be fitted with wooden spreader bars to prevent deformation, torsional twisting or geometry perturbation of the frame which may result in blade jamming and, eventually, loss of the damper functionality. Upon completion of the damper brickwork envelope in the smoke shaft, fire division wall or flooring and complete cure (setting) of the sealing remove the wooden spreader bars and check the blade for free and frictionless opening. Earthen the damper, connect the electromagnet or electric actuator (depending on the modification) to the automatic fire-fighting system and test the damper actuation.
INSTALLATION RECOMMENDATIONS FOR RSKE DAMPERS WITH INTERNAL ACTUATORS

INSTALLATION RECOMMENDATIONS FOR RSKM DAMPERS WITH INTERNAL ACTUATORS

INSTALLATION RECOMMENDATIONS FOR RSKM DAMPERS WITH INTERNAL ACTUATORS

CONNECTION TO POWER MAINS
DISCONNECT THE POWER SUPPLY PRIOR TO ANY OPERATIONS WITH THE UNIT.
CONNECTION OF THE UNIT TO POWER MAINS IS ALLOWED BY A QUALIFIED ELECTRICIAN WITH A WORK PERMIT FOR THE ELECTRIC UNITS UP TO 1000 V AFTER CAREFUL READING OF THE PRESENT USER’S MANUAL.
THE RATED ELECTRICAL PARAMETERS OF THE UNIT ARE GIVEN ON THE MANUFACTURER’S LABEL.
The unit is designed for 220 V/24, 50 Hz single-phase AC mains.
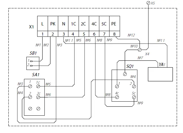
The RSKE or RSKM dampers are powered from a central fire-suppression control board by means of a copper cable conductor (8×0.5 mm2) via the X1 terminal block in accordance with the wiring diagram.
WIRING DIAGRAM FOR CONNECTION OF RSKE/RSKM DAMPERS WITH AN ELECTRIC MAGNET
Operation steps
Closing the contact of the RK automatic fire-suppression block causes the YA1 damper electric magnet to engage. The damper opens releasing the SQ1 end switch rod which breaks the circuit and disconnects the electric magnet from the power supply circuit. The SB1 button allows opening the blade manually.

The markings of electrical appliance outputs and X1 terminal block are given in codes.
SQ1: end switch
YA1: electric magnet
SB1: damper blade opening button
RK: automatic fire suppression block contact
SA1: disconnection switch of electromagnetic bar lock circuit
- supply voltage phase
- automatic fire suppression block contact
- supply voltage zero
- command circuit control
- blade position control
- earth bonding bar
WIRING DIAGRAM FOR CONNECTION OF RSKE/RSKM DAMPERS WITH AN ELECTRIC ACTUATOR
Electric actuator with a return spring
- 1: supply voltage zero contact
- 2: supply voltage phase contact – damper blade closing
- S1…S6: stationary microswitch contacts signalling end positions

Two-position electric actuator
- 1 supply voltage zero contact
- 2 and 3: supply voltage zero contact phases: damper blade closing or opening
- S1…S6: stationary microswitch contacts signalling end positions

TECHNICAL MAINTENANCE
DISCONNECT THE UNIT FROM POWER SUPPLY BEFORE ANY MAINTENANCE OPERATIONS!
MAKE SURE THE UNIT IS DISCONNECTED FROM POWER MAINS BEFORE REMOVING THE PROTECTION
The damper technical maintenance includes routine inspections and functional testing.
The damper technical maintenance frequency must comply with the established technical maintenance frequency of the fire safety equipment complex of the facility. Deenergizing the automatic fire-extinguishing circuit by setting the SA tumbler switch to “Power Off” prior to performing technical maintenance of the damper.
The routine inspections must include such operations as any necessary repair and restoration work as well as cleaning the damper internals (if contaminated or clogged). The damper functionality is tested by energizing the electric actuator to result in blade opening. The functionality of dampers with a return spring is tested by deenergizing the unit. The functionality of two-channel dampers is tested by sending a control pulse to the unit.
TROUBLESHOOTING
| PROBLEM | POSSIBLE REASONS | TROUBLESHOOTING |
|
Blade rubbing against frame/incomplete opening | Damper frame misalignment during installation into the fire-safety envelope | Reinstall the damper ensuring proper flatness and equal diagonals of the cross- section (with maximum deviation of 3 mm) |
| Damper opening clogging with dust or foreign objects | Clean the damper opening from dust or foreign objects | |
| The electric magnet fails to activate when energized by the automatic fire- extinguishing system or upon pressing the 5V blade opening button | SA tumbler switch set to “Power Off” | Set the SA tumbler switch to “Power On” |
STORAGE AND TRANSPORTATION REGULATIONS
- Store the unit in the manufacturer’s original packaging box in a dry closed ventilated premise with temperature range from +5 ˚C to +40 ˚C and relative humidity up to 70 %.
- Storage environment must not contain aggressive vapors and chemical mixtures provoking corrosion, insulation, and sealing deformation.
- Use suitable hoist machinery for handling and storage operations to prevent possible damage to the unit.
- Follow the handling requirements applicable for the particular type of cargo.
- The unit can be carried in the original packaging by any mode of transport provided proper protection against precipitation and mechanical damage. The unit must be transported only in the working position.
- Avoid sharp blows, scratches, or rough handling during loading and unloading.
- Prior to the initial power-up after transportation at low temperatures, allow the unit to warm up at operating temperature for at least
3- 4 hours.
MANUFACTURER’S WARRANTY
The product is in compliance with EU norms and standards on low voltage guidelines and electromagnetic compatibility. We hereby declare that the product complies with the provisions of Electromagnetic Compatibility (EMC) Directive 2014/30/EU of the European Parliament and of the Council, Low Voltage Directive (LVD) 2014/35/EU of the European Parliament and of the Council and CE-marking Council Directive 93/68/EEC. This certificate is issued following test carried out on samples of the product referred to above.
The manufacturer hereby warrants normal operation of the unit for 24 months after the retail sale date provided the user’s observance of the transportation, storage, installation, and operation regulations. Should any malfunctions occur in the course of the unit operation through the Manufacturer’s fault during the guaranteed period of operation, the user is entitled to get all the faults eliminated by the manufacturer by means of warranty repair at the factory free of charge. The warranty repair includes work specific to elimination of faults in the unit operation to ensure its intended use by the user within the guaranteed period of operation. The faults are eliminated by means of replacement or repair of the unit components or a specific part of such unit component.
The warranty repair does not include:
- routine technical maintenance
- unit installation/dismantling
- unit setup
To benefit from warranty repair, the user must provide the unit, the user’s manual with the purchase date stamp, and the payment paperwork certifying the purchase. The unit model must comply with the one stated in the user’s manual. Contact the Seller for warranty service.
The manufacturer’s warranty does not apply to the following cases:
- User’s failure to submit the unit with the entire delivery package as stated in the user’s manual including submission with missing component parts previously dismounted by the user.
- Mismatch of the unit model and the brand name with the information stated on the unit packaging and in the user’s manual.
- User’s failure to ensure timely technical maintenance of the unit.
- External damage to the unit casing (excluding external modifications as required for installation) and internal components caused by the user.
- Redesign or engineering changes to the unit.
- Replacement and use of any assemblies, parts and components not approved by the manufacturer.
- Unit misuse.
- Violation of the unit installation regulations by the user.
- Violation of the unit control regulations by the user.
- Unit connection to power mains with a voltage different from the one stated in the user’s manual.
- Unit breakdown due to voltage surges in power mains.
- Discretionary repair of the unit by the user.
- Unit repair by any persons without the manufacturer’s authorization.
- Expiration of the unit warranty period.
- Violation of the unit transportation regulations by the user.
- Violation of the unit storage regulations by the user.
- Wrongful actions against the unit committed by third parties.
- Unit breakdown due to circumstances of insuperable force (flood, earthquake, war, hostilities of any kind, blockades).
- Missing seals if provided by the user’s manual.
- Failure to submit the user’s manual with the unit purchase date stamp.
- Missing payment paperwork certifying the unit purchase.
FOLLOWING THE REGULATIONS STIPULATED HEREIN WILL ENSURE A LONG AND TROUBLE-FREE OPERATION OF THE UNIT.
USER’S WARRANTY CLAIMS SHALL BE SUBJECT TO REVIEW ONLY UPON PRESENTATION OF THE UNIT, THE PAYMENT DOCUMENT AND THE USER’S MANUAL WITH THE PURCHASE DATE STAMP.
CERTIFICATE OF ACCEPTANCE
| Unit Type | Fire safety smoke damper |
| Model | |
| Serial Number | |
| Manufacture Date | |
| Quality Inspector’s Stamp |
SELLER INFORMATION
| Seller | |
| Address | |
| Phone Number | |
| Purchase Date | |
| This is to certify acceptance of the complete unit delivery with the user’s manual. The warranty terms are acknowledged and accepted. | |
| Customer’s Signature | |
INSTALLATION CERTIFICATE
| The unit is installed pursuant to the requirements stated in the present user’s manual. | ||
| Company name | ||
| Address | ||
| Phone Number | ||
| Installation Technician’s Full Name | ||
| Installation Date: | Signature: | |
| The unit has been installed in accordance with the provisions of all the applicable local and national construction, electrical and technical codes and standards. The unit operates normally as intended by the manufacturer. | ||
| Signature: | ||
WARRANTY CARD
| Unit Type | Fire safety smoke damper |
| Model | |
| Serial Number | |
| Manufacture Date | |
| Purchase Date | |
| Warranty Period | |
| Seller |

www.blaubergventilatoren.de B58EN-10



















