T-8030G Belt Sander
1-3/16” X 21 1/4”
Uses Sanding or Surface Prep Belts
T-8030G Belt Sander
OILING INSTRUCTIONS: OIL AFTER EACH USE WITH FEW DROPS OF AIRTOOL OIL THROUGH THE AIR INLET. RUN FOR ONE SECOND TO COAT ALL INTERNAL PARTS

USE 90 PSI MAXIMUM
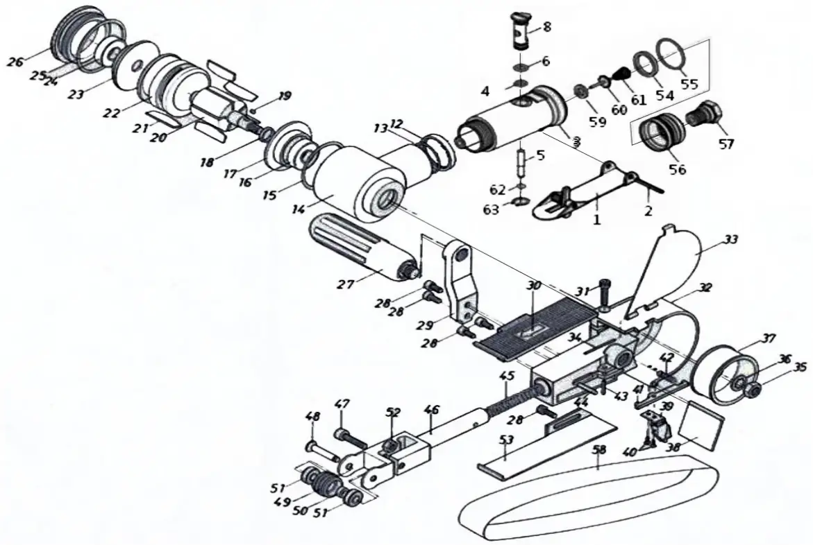
| Ref # | Part # | Description | Qty. |
| 1 | 8030G01 | Throttle Lever | 1 |
| 2 | 8030G02 | Lever Pin | 1 |
| 3 | 8030G03 | Motor Housing | 1 |
| 4 | 8030G04 | O-Ring | 1 |
| 5 | 8030G05 | Valve Stem | 1 |
| 6 | 8030G06 | O-Ring | 1 |
| 8 | 8030G08 | Regulator | 1 |
| 12 | 8030G12 | Lock Nut | 1 |
| 13 | 8030G13 | O-Ring | 1 |
| 14 | 8030G14 | Housing | 1 |
| 15 | 8030G15 | O-Ring | 1 |
| 16 | 8030G16 | Bearing | 1 |
| 17 | 8030G17 | Front End Plate | 1 |
| 18 | 8030G18 | Spacer | 1 |
| 19 | 8030G19 | Key | 1 |
| 20 | 8030G20 | Rotor | 1 |
| 21 | 8030G21 | Rotor Blade (set of 5) | 1set |
| 22 | 8030G22 | Cylinder | 1 |
| 23 | 8030G23 | Rear End Plate | 1 |
| 24 | 8030G24 | Bearing | 1 |
| 25 | 8030G25 | O-Ring | 1 |
| 26 | 8030G26 | Motor Nut | 1 |
| 27 | 8030G27 | Handle | 1 |
| 28 | 8030G28 | Cap Screw | 5 |
| 29 | 8030G29 | Handle Bracket | 1 |
| 30 | 8030G30 | Finger Plate | 1 |
| 31 | 8030G31 | Adjust Screw | 1 |
| 32 | 8030G32 | Guard Body | 1 |
| 33 | 8030G33 | Guard | 1 |
| 34 | 8030G34 | Roll Pin | 1 |
| 35 | 8030G34 | LockNut | 1 |
| 36 | 8030G36 | Washer | 1 |
| 37 | 8030G37 | Drive Pulley | 1 |
| 38 | 8030G38 | Dust Cover | 1 |
| 39 | 8030G39 | Cover Latch | 1 |
| 40 | 8030G40 | Cap Screw | 2 |
| 41 | 8030G41 | Stopper | 1 |
| 42 | 8030G42 | Spring | 1 |
| 43 | 8030G43 | Roll Pin | 1 |
| 44 | 8030G44 | Stopper Pin | 1 |
| 45 | 8030G45 | Tension Spring | 1 |
| 46 | 8030G46 | Tension Arm | 1 |
| 47 | 8030G47 | Bolt | 1 |
| 48 | 8030G48 | Idler Shaft | 1 |
| 49 | 8030G49 | Idler Pulley Assembly | 1 |
| 50 | 8030G50 | Collar | 1 |
| 51 | 8030G51 | Bearing | 2 |
| 52 | 8030G52 | Lock Nut | 1 |
| 53 | 8030G53 | Shoe | 1 |
| 54 | 8030G54 | Silencer | 1 |
| 55 | 8030G55 | O-Ring | 1 |
| 56 | 8030G56 | Air Deflector | 1 |
| 57 | 8030G57 | Air Inlet | 1 |
| 58 | 8030G58 | Sanding Belt | 1 |
| 59 | 8030G59 | Seal | 1 |
| 60 | 8030G60 | Valve Stem | 1 |
| 61 | 8030G61 | Spring | 1 |
| 62 | 8030G62 | O-Ring | 1 |
| 63 | 8030G63 | Snap Ring | 1 |
505 N. Railroad Ave. 33435
P.O. Box 1117 33425
Boynton Beach, Florida
For Warranty Information &
Warranty Registration Visit
www.taylorpneumatic.com
1022 TPTC /all rights reserved “
COPYRIGHT 2022/ final
Ph. (561) 732-1111
Fax (561) 731-4412
Toll Free 800-805-8665

















