Contents hide
McAlpine SSK3 Space Saver Plumbing Kit for 3 Bowl Sink Instructions

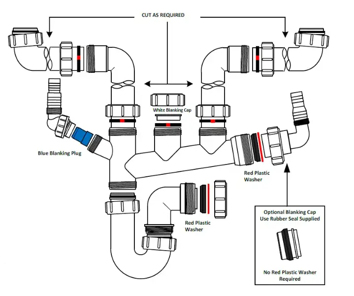
Space Saver Plumbing Kit for 2 Bowl Sink With Two Discharge Hose Connections
INSTALLATION OF DISCHARGE HOSE FROM WASHING OR DISHWASHING MACHINE

- Uncouple the appliance discharge nozzle from the tee piece and push the tapered end into the internal wall of the appliance discharge hose.
- Reconnect the nozzle to the tee piece.
- If the appliance is not being installed at the same time as the sink plumbing kit, ensure that the blue blanking plug is placed in the nozzle section as illustrated. Failure to do so will result in water leaking from the nozzle section during discharge from the sink.
- Ensure that the blue blanking plug is removed from the nozzle before an appliance is installed. Failure to do so will result in damage to the appliance.
- It is important to ensure that the discharge hose from the appliance is installed to the recommended height as stated in the appliance manufacturer’s instructions.




















