Flexiheat DTC VT 20-041 Water Heater 
GENERAL RECOMMENDATIONS
The Water Heater meets the requirements of the European directive of « Electromagnetic Compatibility (EMC) » 89/336/CEE, to be incorporated in a complete installation. The installation must be in conformity with the EMC directive.
Those units are used for big volume (warehouse, garage, workshop…)
Following the characteristics of the building, the heater could be suspended (vertical blowing) or mural (horizontal blowing). This device must be used only for what it has been designed by the constructor. The guarantee and also the contractual responsibility of the constructor are excluded in case of damages caused by persons, animals or goods, further to installation, adjustment and maintenance mistakes or inappropriate uses.
CAUTION: DO NOT INSTALL WATER HEATERS IN:
- Rooms containing chlorinated combination steam,
- Rooms that are excessively humid (electrical danger)
- Rooms with a high content of combustible dust,
- Domestic premises
NOTE : About the installation of heaters in buildings with fire protection system by sprinklers, the installer must adjust the louvers in order that the air blast from the heater do not disturb the water jet of the sprinklers. That means, the speed from the heater output must be in conformity with the APSAD regulation.
For units equipped with filter casing, check regularly the state of the filter and replace it when it is plugged and at least once a year.
The installation must be done by qualified person. The access to intern electric parts could be done if it is necessary only when the power is turn off and by personal who has required qualifications.
Those prescriptions concern only the standard execution. It do not take into account construction variations or special adaptations.
This manual is an integral part of supplies. The installer must give it to the user and explain the functioning of the units and the installation. The manual must be conserved close to the unit.
STORAGE
The equipment is delivered in an individual package, upon receiving the unit, check it. Unpack the device by using required protections of accident prevention.
In case of damages, inform the carrier in the moment of the delivery. Check the conformity of delivered goods in comparison to the order.
Store the equipment in a clean and dry room, away from shocks, vibration, divergences in temperature and in an ambient environment with a rate of hygrometry lower than 90%
RANGE PRESENTATION
Presentation
The heater FH range is designed for heating and cooling :
- Designed to heat large volume buildings, this heater is effective and polyvalent. It can be used for direct blowing and fresh air supply. It can be install vertically or horizontally.
- Designed to heat and cold large volume buildings, this heater is effective and polyvalent. It can be used for direct blowing and fresh air supply. It can be install only on the wall (horizontal blowing).

Description 1:
- The exchanger is made of copper pipes with aluminum fins for good thermal efficiency.
Hot coil (low pressure) with 1, 2 or 3 rows depending on the model. Tested at 105°C/ 8 bars. - Fan-motor assembly: motor with an external rotor and profiled blades are welded on the rotor. This technology ensure an excellent efficiency and a low noise level.
- Profiled louver series
Description 2:
- Exchanger is made of copper pipes with aluminum fins for good thermal efficiency (as on the left)
- Fan motor assembly (as on the left).
- Profiled louver series
- Moisture collector, avoid the condensation water spray into the room which is refreshed.
- Condensate drain pan. When the unit is cool-ing, the ambient humidity condensates on the coil. So it is necessary to recover it by connecting a drain pan.
Accessories
- Heater
- Filter box CFIVE
- Universal casing CUVE 4- Filter + Filter support
- Mixing box
- Closing sheet metal 7– Outdoor grille

TECHNICAL CHARACTERISTICS
Coils
| Model | Water capacity (litre) | ᴓ Connection |
| FH 3 | 1 row = 0.98 / 2 rows= 1.45 / 3 rows = 1.91 | 3/4″ |
| FH 4 | 1 row = 1.50 / 2 rows = 2.13 / 3 rows = 2.77 | 1″ |
| FH 5 | 1 row = 2.05 / 2 rows = 2.94 / 3 rows = 3.83 | 1″ |
| FH 6 | 1 row = 2.75 / 2 rows = 3.87 / 3 rows = 4.98 | 1″1/4 |
| FH 7 | 1 row = 3.62 / 2 rows = 5.31 / 3 rows = 7.00 | 1″1/4 |
Maximum operating temperature: 95°C /
Maximum pressure in functionning: 1.6 MPa
Dimensions
| Model | A (mm) | B ( mm) | C (mm) | D (mm) | E ( mm) | F (mm) | G (mm) | H ( mm) | I (mm) | Weight (kg) |
| FH 3 | 615 | 490 | 460 | 495 | 62 | 214 | 179 | 36 | 550 | 25 |
| FH 4 | 720 | 570 | 480 | 590 | 74 | 211 | 171 | 42 | 620 | 41 |
| FH 5 | 805 | 655 | 480 | 675 | 64 | 231 | 191 | 41 | 640 | 50 |
| FH 6 | 915 | 735 | 505 | 765 | 70 | 226 | 176 | 44 | 640 | 53 |
| FH 7 | 1 070 | 860 | 570 | 920 | 70 | 262 | 212 | 46 | 710 | 69 |
Accessories dimensions
Filter box 
| Model | A (mm) | B ( mm) | C ( mm) |
| FH 3 | 490 | 615 | 180 |
| FH 4 | 570 | 720 | 180 |
| FH 5 | 650 | 805 | 180 |
| FH 6 | 735 | 915 | 18 |
| FH 7 | Not available | ||
Mixing box 
| Model | A (mm) | B ( mm) | C ( mm) | Weight (kg) |
| FH 3 | 595 | 585 | 825 | 28 |
| FH 4 | 595 | 585 | 825 | 28 |
| FH 5 | 795 | 785 | 1025 | 38 |
| FH 6 | 795 | 785 | 1025 | 38 |
| FH 7 | Not available | |||
Damper 
| Model | A (mm) | B ( mm) |
| FH 3 | 500 | 700 |
| FH 4 | 500 | 700 |
| FH 5 | 700 | 900 |
| FH 6 | 700 | 900 |
| FH 7 | Not available | |
External louver 
| Model | A (mm) | B ( mm) |
| FH 3 | 485 | 685 |
| FH 4 | 485 | 685 |
| FH 5 | 685 | 885 |
| FH 6 | 685 | 885 |
| Not available | ||
Wal mounting brackets 
| Model | A (mm) | B ( mm) |
| FH 3 | 660 | 350 |
| FH 4 | 660 | 350 |
| FH 5 | 780 | 405 |
| FH 6 | 780 | 405 |
| FH 7 | See bracket manual | |
LOCATION
Heaters installation is directly linked to the geometry of the place and to the number of selected devices.
Recommendations for a good implantation:
- Choose a quincunx placement that gives excellent results, the throw distance of the air will be chosen in consequence.
- For locales with significant cold walls, as exhibition halls, the bowing will be directed on it.
- For the suspended units in vertical blowing, take care of the installation height and the blowing temperature in order to do not disturb the persons that can be under the air blast.
Direction of assembly:
To facilitate the installation, the air supply grille is not mounting on the unit when it is delivered. In that way, the user can choose the direction according to the installation. l
Caution : The units are delivered with directional fins in closed position. Adjust their orientation in function of the area at the time of the installation.
NOTE : About the installation of heaters in buildings with fire protection system by sprinklers, the installer must adjust the louvers in order that the air blast from the heater do not disturb the water jet of the sprinklers. That means, the speed from the heater output must be in conformity with the APSAD regulation.
Height recommendation
| Type | Horizontal installation height* | Wall installation height |
| FH 3 | 3.5 m | 3 m |
| FH 4 | 3.5 m | 3.2 m |
| FH 5 | 4.5 m | 3.6 m |
| FH 6 | 5 m | 4 m |
| FH 7 | 5.5 m | 4.2 m |
* Caution: horizontal installation is forbidden for heaters with cooling option.
INSTALLATION
Foresee a minimum space of 500 mm between the rear of the unit and the wall, to allows a correct air supply and an enough temperature drop of the motor. (Brackets ensure a required space).
Mounting without bracket
Be careful, if the mounting is without bracket, it is necessary to respect the following instructions. Any other mounting can damage the unit.
Suspended mounting and/or slinging
Install 2 fixing parts (no provided) one after another.
- Unscrew one of 2 screws M8 of the upper face of the heater.
- Put the first fixing part.
- Tighten the screw before to put the second fixing part.
(Fixing parts and hangers not provided)
Ceiled mounting (Vertical blowing) :
Install 4 fixing parts (no provided) in the threaded holes at the rear of the heater.
Mounting with bracket
Caution: these brackets are not suitable for use with mixing box with dampers.
Before mounting the device, it is necessary to make sure of the support’s strength.
- Fix the brackets on the wall. Use the fasteners matched to the wall material. Make a resistance testing.
- Fold the block tab of the brackets, see details on the right.
- Unscrew the 2 screws M8 on the upper face or on the lower face according to the mounting (suspended or put down)
- Fix the heater with the previous M8 screws, block it.
- Block the rear of the unit with the tabs of the bracket by using the pre-mounted screws on the rear of the unit.

Horizontal air supply grille mounting
For the delivery, the supply grille is dismounted, that permits to free it from arrangement issues.
1°/ Choose the way of the hydraulic connection
2°/ Orientate the fins of the double louvers (if you choose this option)
3°/ Put up the air supply grille
4°/ Block the air supply grille, for this put the safety screw on the top.
4°/ Open and orientate the louvers, adjust it according to the area to be treated. Open it at a minimum of 45°.
Vertical air supply grill mounting
The vertical air supply grill in a rosette shape, has to be installed in place of louvers. This grill cannot be mounted with double louvers.
1°/ Mount the grille (see previous page), then block the grille in position. The screws and washers must be well screwed in order that the grille cannot be dismounted.
Caution
A grille which is not blocked can fall and be dangerous for people and objects which are below.
2°/ Open and orientate the louvers. Adjust it according to the height of the installation and the area to be treated. Open it at a minimum of 45°.
Mixing box and accessories mounting
The VT range can be equipped in option with different accessories for air intake. It is necessary to refer to the manual given with the accessories.
- Assemble the filter and the grille support together before mounting the mixing box.
- Fold down the holding lug of the filter.

- Assemble of the filter and the damper on the mixing box.
- Close the faces of the box which are not used. Here on the picture, is on the top and the buttom.

- Assemble of the mixing box and the water heater.
- Close the mixing box after removing the fan electrical connection, according to your suitability.

Mounting example: 
MOUNTING UNDER BRACKETS
It is possible to fix the water heater equipped with mixing box with some wall brackets which are in option. Please refer to the bracket mounting manual.
FILTER BOX MOUNTING
The filter box has to be installed at the rear of the heater for air recycling application.
- Assemble the filter box to the heater.
- Connect the fan and remove the supply cable according to the side you prefer.

- Insert the filter in its location.
- Set the filter.

HYDRAULIC CONNECTION
After the fixing of the unit you must do the hydraulic connection of the heater. See the plan below for the connection (Inlet/Outlet).
Realize the water connection and the water tightness, avoiding any mechanical overloads.
Heaters are not equipped with drain-cock so it is necessary to foresee one in the higher point of the installation.
In order to do not deform pipes from intern blanket, the collector pipes must be kept during the tightening with a spanner.
Mounting of the hydraulic connection kit (option) :
- Automatic drain-cock
- Reduction
- T Connection
- Bend
- Flexible
- Flow controller
- Isolation valve
DO NOT FORGET TO REALISE THE WATER TIGHTNESS OF THE KIT DURING THE ASSEMBLY.
NOTE: In the case of chilled water heaters, the condensate drain pan under the unit must be connected to the sewer pipe. Use a siphon in the drain pan outlet to permits an appropriate condensate drain. The condensate drain pipe must have a enough downslope to allows the runoff. Test it by pouring water into the pan to check if the runoff is correct.
ELECTRICAL CONNECTION
Single phase fan
|
Model | Single phase | |||
| Fan diameter (mm) | Rotation speed (rpm) | Power absorbed ( W) | Nominal intensity (A) | |
| FH 3 | 315 | 1050 / 1350 | 55 / 90 | 0.25 / 0.42 |
| FH 3 | 380 | 1200 / 1350 | 120 / 150 | 0.55 / 0.65 |
| FH 4 | 380 | 1200 / 1350 | 120 / 150 | 0.55 / 0.65 |
| FH 4 | 420 | 1050 / 1350 | 150 / 200 | 0.65 / 0.85 |
| FH 5 | 420 | 1050 / 1350 | 150 / 200 | 0.65 / 0.85 |
| FH 5 | 450 | 1150 / 1350 | 360 / 420 | 1.70 / 2.00 |
| FH 6 | 450 | 1150 / 1350 | 360 / 420 | 1.70 / 2.00 |
| FH 6 | 630 | 900 / 700 | 350 / 520 | 1.60 / 2.50 |
| FH 7 | – | – | – | – |
Note: – Electrical characteristics can be modified during the year. As a priority, always refer to the information on the identification plate of the motor.
– Fans meet ERP2015 requirements
Three–phase fan
| Model | Three phase | |||
| Fan diameter (mm) | Rotation speed (rpm) | Power absorbed ( W) | Nominal intensity (A) | |
| FH 4 | 500 | 920 | 230 | 0.55 |
| VT 5 | 500 | 920 | 230 | 0.55 |
| FH 5 | 550 | 910 | 330 | 0.95 |
| FH 6 | 550 | 910 | 330 | 0.95 |
| FH 6 | 630 | 910 | 550 | 1.40 |
| FH 7 | 710 | 600 / 900 | 750 / 1100 | 1.4 / 2.00 |
Note: – Electrical characteristics can be modified during the year. As a priority, always refer to the information on the identification plate of the motor.
– Fans meets ERP2015 requirements
Wiring
Switch off the power supply before making the electrical connection. It must be made by a qualified professional.
Note: The electrical characteristics can be modified during the year. As a priority, always refer to the information given on the motor identification plate.
Select the protection system and the power supply cable according to the characteristics on the identification plate.
Wiring of single phase motor with 2 stages
After the connection, control the way of rotation.
The wiring of three phase motor with 1 stage
connection, controls the way of rotation. If it is necessary, switch 2 phases to change the way of rotation.
Wiring of three phase motor with 2 stages 
Wiring of switch disconnector 
Switch disconnector wiring for single phase fan 2 stages : 
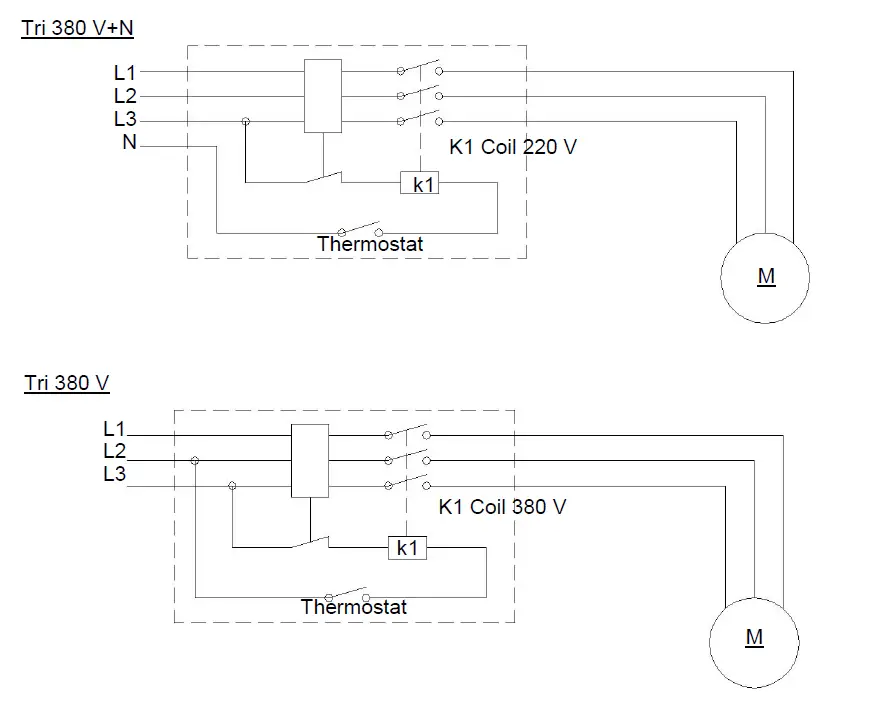
Wiring of thermostat and switch disconnector
Each thermostat has a power cut specific and limited. Refer to the amperage indicated on the thermostat and to the documentation delivered with the thermostat. Diagram: 
NOTE: In three-phase, the thermostat must be relayed in a control box (it is not our equipment) following the diagram below:
COOLING OPTION
Presentation
The water heater VT range can also be used to refresh the room. For this, it is necessary to equip the unit with a condensate drain pan and a moisture collector.
The cooling use can generate an important condensation according to the hygrometry rate, so it is necessary to connect it to a drain pan. Foresee a conduit at least equal to the diameter of the pan inlet as well as the syphon under it.
Condensate drain pan mounting
- Orientate the unit following the hydraulic connection, then unscrew the 2 screws M8 (the 2 biggest ones) which are under the heater. Take off the plastic plug which block a possible condensate drain.

- Fix the pan support under the unit with the 2 screws M8 previously dismounted. Be careful, the 2 holes for the condensate drain must match.

Caution: Before mounting, check that the hole of the heater is not blocked by a plastic plug! - =Present the pan under the unit then fix on the rear with two nuts M8, and of each side with the 4 provided screws for sheet metal.

- On the top of the unit, at opposite of the pan, block the hole with the provided plastic plug.
IMPERATIVE TO ENSURE A WELL-FUNCTIONING!
- Fix the air supply grille

- Connect the condensate drain pan
Moisture collector mounting
- Dismount the air supply grill and ensure that the unit is not equipped with vertical deflexion grille (double louvers), if it is the case, dismount it.

- Present the moisture collector, fix the 2 holding lugs of the collector, one in each side.

- Fix the air supply grille

USAGE LIMITS AND GUARANTEE
Usage limits
Do not use water with a temperature higher than 105° C and a maximum pressure of 8 bars.
It is imperative to foresee an antifreeze safety for the units used in supply of fresh air, to protect efficient-ly the coil if the hot water production stops.
Respect voltages and frequencies given on the identification plate of the unit. (Do not deviate by more than 5% of voltages indicated and 1% of frequencies).
Guarantee
Your device benefits from a contractual guarantee against any manufacturing defect, the duration of that guarantee is shown in our terms and conditions on our website.
Our liability as a supplier cannot be committed when incorrect use of a device has occurred, where there is a defect or of an insufficiency in the maintenance of that device, or an incorrect installation of the device (it is your responsibility, as regards this, to check that the latter is carried out by qualified professionals).
In particular, we will not be held responsible for material damage, intangible losses or bodily injury resulting from an installation that does not conform:
- to the legal and regulatory provisions or those imposed by local authorities,
- to the national or local or particular provisions governing the installation,
- to our instructions and recommendations for installation, in particular the regular maintenance of the devices,
- to the rules of the trade.
Our guarantee is limited to the exchange or repair of only those parts which are recognized as being defective by our technical departments.
Our guarantee does not cover the replacement or repair of parts as a result of, in particular, normal wear, incorrect utilization, service visits by unqualified third parties, a defect in or insufficiency of maintenance or surveillance, non-conforming electrical supply and the use of a fuel which is inappropriate or of bad quality.
Sub-assemblies, such as motors, pumps, electric valves, etc…, are only guaranteed if they have never been removed.
The rights established under the European directive 99/44/CEE, transferred by the legislative decree No. 24 of 2 February 2002 published on the Official Journal No. 57 of 8 March 2002, remain valid.
Flexiheat DTC VT 20-041 Water Heater 

































