DOMUS LINE 1227505N Polar D-Motion Smart Light Under Cabinet
INSTALLATION MANUAL
WARNING
Safety is guaranteed if these instructions are followed and therefore they must be kept. Installation may require the involvement of qualified personnel. Before proceeding with installation of the device ensure that the environmental conditions are in compliance with and suitable for the product characteristics. Before any operation on the device disconnect mains power.
INSTALLATION
POLAR D-MOTION unit are recommended for installation under wall units or shelves. Installation can be done with the power cable to the light positioned axially or radially with regard to the fitting plan.
- Fix the screws (B) supplied in the holes of the unit (A) as indicated in Fig. 1,2.
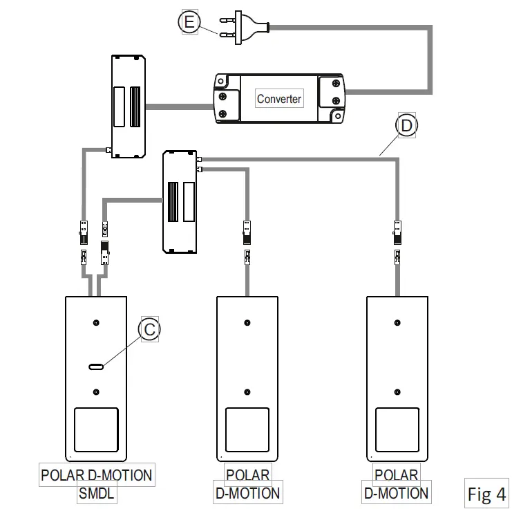
- Connect the spotlights to the adaptor and using the extensions provided in the pack (D) following the wiring diagram
- Connect the feeder plug (E) to an AC outlet 230V 50/60Hz.
POLAR D-MOTION SMDL VERSION OPERATION (fig.3)
Switching on and off takes place by simply approaching the sensitive IR switch (C), keeping a steady hand, faced with the same, you can adjust the intensity of light.
A short flash of the light indicates the achievement of maximum brightness.
The luminosity level obtained will be saved until the next adjustment.
The output cable of POLAR D-MOTION SMDL can handle a load of max. 72W @ 24VDC included the absorption of the device figure 4.
POLAR D-MOTION SMDL has a light source with 2 selectable colour temperatures. To select, proceed as follows:
Move the hand quickly across the sensor (C) 3 times (fig.3), with the lamp on, to select the required colour temperature.
- Connect the POLAR D-MOTION power supply cable to one of the light colour dynamic adjustment systems D-MOTION sold separately from DOMUS LINE.
- If more than one device must be connected to the power supply unit ensure that the total sum of the power absorbed by the devices (check the plate data shown on the product label) does not exceed the maximum power permitted both by the dynamic adjustment system and by the Converter.
- For installation and operation of the light colour dynamic adjustment system see the specific item’s manual.
WARNING
The Led MODULE, the power supply cable or any switch used, are not replaceable, therefore in case of damage the device must be entirely substituted.
WARRANTY
DOMUS Line guarantees the product only if powered with a Converter supplied by us.
The warranty’s general terms and conditions for this device are available at www.domusline.com
CAUTION
USE ONLY 24Vdc CLASS 2 POWER UNIT
(According rated date on LED luminaire)






















