Schreder Omnistar LED Light
Overview
What In The Box
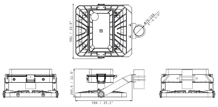
Description
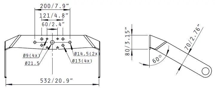
Mounting to the vertical or horizontal surface:
- 4x min M10 – M12, or
- 2x min M12 – M14, or
- 4x M8 + 1x M20
INSTALLATION INSTRUCTIONS

Option


SAFETY INSTRUCTIONS
The light source contained in this luminaire shall only be replaced by the manufacturer or his service agent or a similarly qualified person. Always switch off the power prior to installation, maintenance or repair activities.
RISK GROUP 2
CAUTION!
Hazardous optical radiation may be emitted from this product. Do not stare at the luminaire when operating as it may be harmful to the eyes. The luminaire should be positioned so that prolonged staring at the luminaire at a distance of fewer than 0.2m is not expected. This product contains a light source of an energy efficiency class G or higher. In the case of PVC insulated mains cable, the installer MUST ensure that the WHOLE cable is protected against climatic conditions, especially UV rays and rain, by making sure that the cable is contained inside the luminaire and pole
Y-connection:
In case of damage to the wire, it has to be replaced only by the manufacturer, distributor, or an expert, to avoid risks.

























