TYLOHELO 72-0105 Vena Pure Heater Instruction Manual
WARNING
Prolonged exposure to elevated temperatures is capable of inducing hyperthermia. Hyperthermia occurs when the internal temperature of the body reaches several degrees above the normal body temperature of 98.6°F. The symptoms of hyperthermia include an increase in the normal temperature of the body, dizziness, lethargy, drowsiness, and fainting. The effects of the hyperthermia include failure to perceive heat, failure to recognize the need to exit the room, unawareness of impending hazard, fetal damage in pregnant women, physical inability to exit the room and unconsciousness.
WARNING
The use of alcohol, drugs, or medication is capable of greatly increasing the risk of fatal hyperthermia.
GENERAL INFORMATION
These heaters are ETL approved by Intertek for permanent installations and electrical connections. Built with splash proof construction, the conducting parts are protected against water. All wiring must be performed in accordance with national and local codes. See Diagram 2 for wire and room size requirements. These heaters are wall mounted.
WARNING
Do not take a sauna if using alcohol, drugs or medications.
Pregnant women or persons with poor health should consult their physician before using any sauna.
Caution fire hazard: Do not use the sauna room for drying clothes, bathing suits, etc. Do not hang towels above heater or place any object other than the rocks supplied on the heater. If any darkening of the wall around the heater is noticed discontinue sauna use immediately.
Inspect sauna regularly for required maintenance to heater, control and benches.
Replace wood surfaces which show any signs of deterioration.
The heater gets extremely hot during operation and should not be touched or burns may result.
Minors should be adequately supervised whenever near a hot or warming sauna.
DIAGRAM 1
MOUNTING BRACKET LOCATION AND MINIMUM DISTANCE TO COMBUSTIBLE MATERIAL.
Recheck your distances from the heater to combustible materials to be sure you have the proper minimum distances.

OBSERVING MINIMUM DISTANCES IS
REQUIRED TO REDUCE THE RISK OF FIRE
CAUTION: Avoid fire, Do Not Place Combustible Material on sauna heater / ATTENTION:
Evitez les Incedies, Ne Placez Aucne Matiere Combustible Sur Lle Chauffe saun
DIAGRAM 2
| HEATER MODEL / Product Number | KW | MINIMUM ROOM | MAXIMUM ROOM | PHASE | VAC | AMPS | WIRE SIZE | Light Circuit Supply | |||
| Floor Area | Ceiling Height | Volume Cu.Ft. | Ceiling Height | Volume Cu.Ft. | Power Supply to Heater | ||||||
| 4.5 kW Heater 1712-450-1706 | 4.5 | 12 sq. ft | 74″ | 100 | 96″ | 210 | 1 | 208 | 21.6 | 2 #10AWG+GR | See Note1 Below |
| 1 | 240 | 18.8 | 2 #10AWG+GR | ||||||||
| 3 | 208 | 12.5 | 3 #12AWG+GR | ||||||||
| 3 | 240 | 10.8 | 3 #12AWG+GR | ||||||||
| 6.0 kW Heater 1712-600-1706 | 6.0 | 21 sq. ft | 74″ | 175 | 96″ | 310 | 1 | 208 | 28.8 | 2 #8AWG+GR | |
| 1 | 240 | 25 | 2 #10AWG+GR | ||||||||
| 3 | 208 | 16.7 | 3 #12AWG+GR | ||||||||
| 3 | 240 | 14.4 | 3 #12AWG+GR | ||||||||
| 8.0 kW Heater 1712-800-1706 | 8.0 | 31 sq. ft | 74″ | 250 | 96″ | 425 | 1 | 208 | 38.5 | 2 #8AWG+GR | |
| 1 | 240 | 33.3 | 2 #8AWG+GR | ||||||||
| 3 | 208 | 22.2 | 3 #10AWG+GR | ||||||||
| 3 | 240 | 19.2 | 3 #10AWG+GR | ||||||||
NOTE 1: Neutral is required for heater and control to operate. Light output from heater is 120 volts at 2 amps maximum.
WARNING
Fire sprinkler systems used inside any sauna room should be properly rated for sauna room temperatures.
Do not pour chlorinated pool or spa water on heater.
Excessive water use on heater may cause damage and void warranty.
Electric Shock Hazard – High voltage exists within this equipment. There are no user serviceable parts in this equipment. All installation and service to this equipment should be performed by qualified licensed personnel in accordance with local and national codes.
Do not construct sauna room so as to restrict air flow through the bottom of the heater.
Packing the rocks too tightly may cause the heater high limit switch to trip.
MOUNTING OF SAUNA HEATER
HANGING THE HEATER Using the template provided, drill four 9/64″ holes to fasten the heater to the wall. Install two ¼” x 1 ½” hex head lag screws (supplied with the heater) into the upper two holes. Tighten these screws until their heads are about 1/8″ from the wall surface. The screws must be threaded through the wall into a framing member or backing board to support the heater weight. Hang the heater on the two upper screws.
Locate the two ¼” x 1″ hex head lag screws (supplied with the heater) then install them into the two lower mounting holes. Tighten to lock the heater in place. See Diagram 1 for the heater location details and the necessary clearances to combustible materials.
PLACING OF ROCKS (SEE DIAGRAM #10)
The rocks supplied with the heater have been chosen to provide the best heater performance. Use of any other type of rock may void the heaters warranty. Never operate the heater without rocks in place! Rinse the rocks with water before placing in the heater. Carefully place the rocks loosely so that the air can circulate through the heater. Packing the rocks too tightly may cause the heater high limit switch to trip. The rocks must fully cover the heating elements. Attach the guard with the screws provided.
ELECTRICAL HOOK-UP
Electrical installation must be made by a licensed electrician in accordance with the National Electrical Code and local regulations.
Remove the screws from the left and right sides of the electrical box.
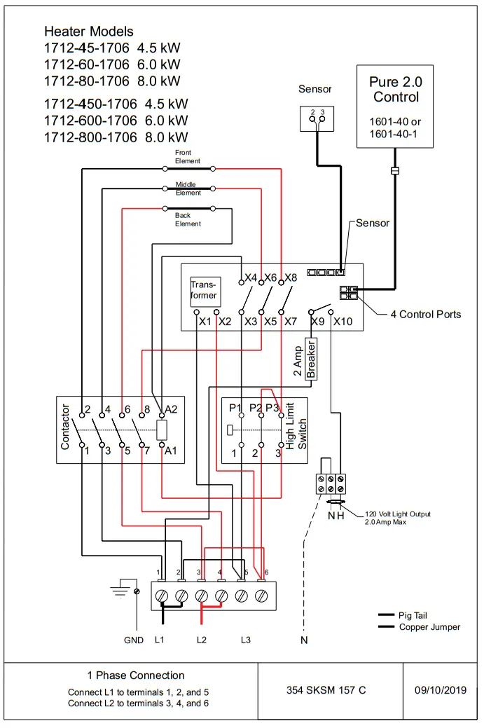
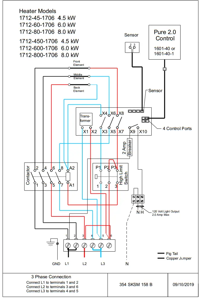
Remove the painted trim piece from the front of the box. Route the feed wires through the holes provided in the bottom of the heater and connect the wires to the terminal block. To determine the correct wire size, refer to Diagram 2. Use copper supply wire only, suitable for minimum 90 degrees C. The heater must be grounded! See Diagram 6 for proper connections.
TEMPERATURE SENSOR
Feed the “low voltage” sensor wire from the sensor to the sauna heater location. Sensor wire must be routed completely separate (as per low voltage electrical wiring codes) from any wiring carrying over 50 volts. It may be necessary to drill holes to string the wire through the studs or ceiling joists. Route the wire to bottom of the heater and connect to the sensor connection. Mount sensor to finished wall 5″ from the ceiling directly above the heater using two (2) screws (provided) as shown in diagrams 1, 3 & 5.
HEATER SCREEN (GUARD RAIL)
Install a wooden heater guard to prevent the sauna bather from accidentally touching the sauna heater. Install the heater guard rail with the dimensions shown in Diagram 1 & 8.
DIAGRAM 3
All wiring for sauna system or accessories should be routed in the walls or away from the high temperature heat from the sauna heater.
Controls CANNOT be installed inside the sauna room above the sauna heater.

DIAGRAM 4

DIAGRAM 5

DIAGRAM 6


WARNING
Do not locate benches over heater. Minimum clearance of ceiling above heater 44″.
Minimum clearance from heater to wooden surfaces (benches, side walls, heater fence etc.) 2 inches.
Mounting brackets supplied.
Provides proper clearance from wall behind heater.
Use only copper wire of the size and type indicated in the
Heater Specification Chart and the temperature rating indicated on the heater junction box.
All heaters and controls must be grounded per NEC to prevent electrical shock in case of unit failure.
Electrical outlets or receptacle must not be installed in a sauna room.
A guardrail or fence is required around the heater to prevent burns from accidental contact.
CONTROL INSTALLATION & OPERATION
INSTALLATION ROUGH IN: Place the control inside or outside the sauna room. If the control is installed inside a sauna room, the top of the unit cannot be higher than 32 inches above floor and 24 inches from the side or front of the heater.
Maximum control cable length is 50 feet.
String the provided low voltage control cable through 1” holes in the wall studs or ceiling joists from the control location to the heater. Do not use staples to secure the low voltage cable, it may damage the cable!
Plug the control cable into the control and TEST the control BEFORE mounting!!
After testing is complete, CLEAN the mounting surface to ensure it is free from dust. Remove the adhesive tape from the back of the control, push any excess cable into wall cavity and press the control to the mounting surface.
- A. On/Off Light switch
- B. Indicators – lights for lighting, door switch (n/a), timer and the heater
- C. On/Off Sauna Switch and fault alarms
- D. Sets the desired value
- E. Functions – Temperature, Delay Timer, Sauna Length and Humidity (n/a)
- F. Function buttons
- G. Temperature Display – Current Temperature
CONTROL OPERATION:
TURN ON LIGHT: Press the “light” icon once to turn on the light and press again to turn off. (Usage of light control is optional)
TEMPERATURE: Select the sauna temperature function by pressing the buttons < or > (F) to indicate under the “thermometer”.
Next press the – and + buttons to choose the desired temperature 1–10. (Setting 10 equals highest set point.)
SAUNA LENGTH: Select the sauna length function by pressing the buttons < > (F) to the “hour glass”. Set the desired usage time using the – and + buttons. Chart below idicates the LED meanings. 24 operation is only an option in commercial applications with attendants on duty.
| LED | ||||||||||
| Version | 1 | 2 | 3 | 4 | 5 | 6 | 7 | 8 | 9 | 10 |
| 1 hour | 6 min | 12 min | 18 min | 24 min | 30 min | 36 min | 42 min | 48 min | 54 min | 60 min |
| 24 hour | 2 hr | 4 hr | 6 hr | 8 hr | 10 hr | 12 hr | 14 hr | 16 hr | 18 hr | 24 hr |
When the desired temperature and time has been set and the heater is switched “On” the set temperature indicator light will remain on and the current temperature indicator LED will flash. When the current temperature reaches the set value the indicator light will stop flashing.
FAHRENHEIT or CELSIUS: The temperature will be displayed in Fahrenheit as default. To change the temperature display, apply power to the system for over 5 minutes and the LED temperature indicator must be glowing. Next, press the < button for 5 seconds. After 2 seconds the temperature indicator will start flashing, and a C or F will appear in the temperature display to indicate that the temperature display has been changed.
START HEAT IMMEDIATELY:
Start the heater on by pressing the On/Off button. The latest temperature and usage time settings will remain preset. A green indicator light will come on in area (B) to indicate that the device has been switched on.
You may switch the system off before the usage time ends by pressing the same button again. The indicator light will go out.
TIME DELAY START TIME: The heater or the steam generator may be preset to switch on after a certain amount of time. Select the clock symbol using the function button (F). Use the – and + buttons to select the amount of hours (1–10 hours) after which the device will switch on. Activate a later start by pressing the Start button (C).
The timer symbol light will come on (in field B) and the selected time-lapse indicator light will start flashing. The flashing indicator measures and indicates the time leading up to the device being switched on. When the heater starts, the control panel will automatically show the set temperature.





You liked it?
Do it once again and you will feel great.
The sauna heater has a built-in high limit control, which automatically turns off the heater if the temperature inside in the sauna room rises to an abnormally high level.
To restart the heater, let the heater cool, then push the reset button on the bottom of the heater, see Diagram 1. If the high limit continually shuts off the heater, contact a service representative. Refer to Troubleshooting Section for information.
HOW TO TAKE A SAUNA
- When taking a sauna, allow time to relax completely.
- Remove clothing and jewelry…if required, wear a towel loosely.
- After 10 minutes or when perspiration begins, leave sauna and relax in dressing area…follow with a cool shower.
- Cooling time should equal time spent in sauna. Enter sauna room again and stay 5 or 10 minutes.
- Repeat the cycle 2 or 3 times; end with a brisk shower…rinse in cool water.
- Dress when completely dry and perspiration has stopped.
- Some sauna bathers enjoy the soothing effect of steam by splashing water on the heated sauna rocks. Use only one dipper full (approx. ½ cup) at a time and keep clear of the steam as it rises off the rocks.
- Do not smoke, exercise or drink alcoholic beverages in the sauna room.
- Do not pour chlorinated pool or spa water on the heater or corrosion damage may result.
DIAGRAM 7
TYPICAL PRE-CUT WALL CONSTRUCTION 
DIAGRAM 8
HEATER SCREEN (GUARD RAIL)
Minimum Dimensions
DIAGRAM 9
VENTILATION 
DIAGRAM 10
Incorrect Placement of Rocks

- a. Loosely place rocks between the elements so air flow is not restricted
- b. Rocks must be placed between the elements and the wall of the rock compartment
- c. Loosely cover the tops of all elements a minimum of 2″ to 3″.
- Put smaller rocks in first around the outer perimeter of the heating chamber.
- Completely fill all four sections (front, 2 center sections between elements, and back).
- In the outer sections, use smaller rocks placed more tightly (see note b).
- Place rocks loosely in the center 2 sections (see note a).
- Be sure rocks completely cover the elements (see note c).
- Loosely cover the tops of all elements a minimum of 2” to 3”.
WARNING
The “CAUTION” and “WARNING” placards must be mounted in accordance with Section 10.
WARNING
REDUCE THE RISK OF OVERHEATING
- Exit immediately if uncomfortable, dizzy, or sleepy. Staying too long in a sauna is capable of causing overheating.
- Supervise children at all times.
- Check with a doctor before use if pregnant, in poor health, or under medical care.
- Breathing heated air in conjunction with consumption of alcohol, drugs, or medication is capable of causing unconsciousness.
CAUTION
REDUCE THE RISK OF FIRE
Do Not Place Combustible Material On The Heater At Any Time.
For safety purpose sauna door must open out and not lock.
Never use a wood stain, seal or preservative on the inside of your sauna room.
Light fixtures get very hot during operation. Locate light fixture where it will not be a burn hazard.
WARNING PLACARDS
Two metal placards are included in the Installation Instruction Envelope packaged with every Sauna Heater. The CAUTION placard must be attached to the interior wall of the sauna room directly above the heater where it is visible to the bather. The WARNING placard must be attached to the door of the sauna room.
ROOM CONSTRUCTION
- For safety and reliability, the following rules must be addressed.
- No permanent locking or latch system is to be used on the sauna door.
- Acceptable door fittings are: magnetic catches, friction catches, spring or gravity loaded closures.
- The door must always open outwards.
- No shower may be installed in a sauna room.
- No electrical receptacle shall be installed inside the sauna room.
- The enclosed WARNING: Reduce the risk of overheating … warning plate must be mounted on or alongside the door outside the sauna room at about eye level.
- The enclosed CAUTION: Reduce the risk of fire … caution plate must be mounted on the interior wall above the heater.
- The heater should not be operated without its container properly filled with rocks and the rock guard in place.
- If an intercom speaker is installed, it should be away from the heater and as close to the floor as possible.
- Fire sprinkler systems installed inside any sauna room should be properly rated for sauna room temperatures.
- Always mount the heater according to these installation instructions.
- Minimum of R12 insulation in 16” on center 2×4 stud walls.
- Recommended minimum flooring thickness of 5/8”
MAINTENANCE
Inspect sauna room at the end of each day the room to ensure controls is turned off.
The sauna, like a bathroom, should be kept clean and odor free.Towels or mats should always be used on benches and floor as perspiration otherwise penetrates the soft wood.
Air out the sauna often by keeping the door and vents open when the sauna is not in use. Saunas that are in daily use should be washed down at least once a week to keep them clean and the air fresh.
Duckboard should be removed from the sauna, the sauna floor mopped and dried in a conventional manner, and the duckboard thoroughly scrubbed and dried before returning to the sauna room. The sauna heater should be wiped down occasionally with a damp cloth to remove lint and dust. The rocks should be removed once a year for cleaning and small or crumbled rocks replaced.
To clean and remove perspiration stains, use soap or detergent in warm water, best applied with a scrub brush. Badly soiled surfaces may require sanding. Sand paper wrapped around a wooden block works well.
Benches and supporting structure must be inspected annually for potential deterioration due to age, dry rot or abuse. Any boards with signs of deteriorations should be replaced immediately to avoid possible injury.
DIAGRAM 11

BWT (Bio Water Technique) Technology
The world sauna trend is moving to the higher humidity and lower temperatures. Many find it easier to breathe, the skin feels warm, and the humidity helps induce a sweat. This system will increase the humidity in the room allowing the air temperature to be lower, and still feel hot.
BWT technology provides the ability to increase humidity levels in the sauna room while the heater is warming up and during the sauna session. The continuous soft boil of water during the sauna session increases the humidity in the room to provide a consistent feel. Additional water can be added to the rocks to provide an additional spike of humidity as needed.
How to use BWT: Allow heater to warm up for approximately 20 minutes and add water into the tank through the side of fragrance diffuser with slots. Add approximately 2 cups of fresh water into the tank. Do Not Use Pool or Spa Water.
Fragrance oils can be placed in the side of the fragrance diffuser without the slots. Avoid adding fragrances directly into the water of the BWT. The oils may cause the water to foam and maybe difficult to remove the scent from the tank.
BWT tank and sleeve should always be installed in heater with rocks. Water in the tank is optional and not required if preference is lower humidity.
DIAGRAM 12: ROOM TEMPERATURES
Non-Typical Ceiling Height

Notes:
Temperatures vary in a sauna room by height and distance from heater.
Ventilation will help reduce it but will not eliminate temperature variations.
The hottest part of the room is always at the ceiling directly above the sauna heater and should not exceed 194°F (90°C).
Air temperature will be 15°F to 25°F lower on the opposite side of the room from the heater close to the ceiling.
The temperatures in the elevated view are general numbers. Each sauna room is different due to construction variations and ventilation.

TROUBLESHOOTING
Control will Run but No Heat – Press the (reset) high limit switch on the bottom of heater.
No Heat – Ensure control in not in delay mode (Hour Glass LED glowing)
Slow Heat Time or High Limit Tripping – Check rock placement, they will break down over time and reduce the air ow in the heater. Refer to Diagram 10 for proper rock installation. Discard all rocks under the size of 2″ pieces. Call the number below to order more rocks if needed.
CAUTION: Use only a contactor approved for 250,000 endurance Cylces
In the event of a fault occurring in the heater system (control panel, temperature sensor, etc.), this will be signaled by the LED indicator light on the control panel. The fault indicator light will be displayed on the 1-10 scale of the control. The fault error code will be displayed with a constant LED light or a flashing LED light. See the list below for fault codes.
Note: The LED indicators do not turn off, some indicators will glow as long as power is applied to system.

Constant LED Fault Code (ones marked with “n/a” are not in use):
- Temperature sensor not connected or shorted
- n/a
- Heater circuit board overheated
- n/a
- n/a
- Communication lost between control and circuit board in heater.
- n/a
- n/a
- n/a
- n/a
Flashing LED Fault Code
- n/a
- n/a
- n/a
- n/a
- n/a
- n/a
- n/a
- n/a
- Door Switch is open for more than 60 seconds while heating or jumper on circuit board in heater is removed.
- Door Switch is open for more than 60 seconds in “Delay” Mode or jumper on circuit board in heater is removed.
For troubleshooting or service questions call 1-888-780-4427 and ask to speak with service. Prior to calling, please have the Model and Type number available. You may also email us at [email protected]



















