FONDA Vena SL2 Series Sauna Heaters

INSTALLATION AND OPERATING INSTRUCTIONS
“Vena SL2” Series Sauna Heaters
Models 4.5, 6.0, 8.0 (Type #’s 1712-450-0207, 1712-600-0207, 1712-800-0207) SL2 (Sauna Logic 2) Control (Type # 1601-38 or 1601-38-1) and CB 16-1 (1201-16-1) or CB 16-3 (1201-16-3)
Read all instructions carefully before installation. Please leave all instructions and warranty with the owne
WARNING
Prolonged exposure to elevated temperatures is capable of inducing hyperthermia. Hyperthermia occurs when the internal temperature of the body reaches several degrees above the normal body temperature of 98.6°F. The symptoms of hyperthermia include an increase in the normal temperature of the body, dizziness, lethargy, drowsiness, and fainting. The effects of the hyperthermia include failure to perceive heat, failure to recognize the need to exit the room, unawareness of impending hazard, fetal damage in pregnant women, physical inability to exit the room and unconsciousness.
WARNING
The use of alcohol, drugs, or medication is capable of greatly increasing the risk of fatal hyperthermia.
SECTION 1: GENERAL INFORMATION
These heaters are ETL approved for permanent installations and electrical connections. Built with splash proof construction, the conducting parts are protected against water. All wiring must be performed in accordance with national and local codes. See Diagram 2 for wire and room size requirements. These heaters are wall mounted.
WARNING
Do not take a sauna if using alcohol, drugs or medications.
Pregnant women or persons with poor health should consult their physician before using any sauna.
Caution fire hazard: Do not use the sauna room for drying clothes, bathing suits, etc. Do not hang towels above heater or place any object other than the rocks supplied on the heater. If any darkening of the wall around the heater is noticed discontinue sauna use immediately.
Inspect sauna regularly for required maintenance to heater, control and benches. Replace wood surfaces which show any signs of deterioration.
The heater gets extremely hot during operation and should not be touched or burns may result.
Minors should be adequately supervised whenever near a hot or warming sauna.
DIAGRAM 1
MOUNTING BRACKET LOCATION AND MINIMUM DISTANCE TO COMBUSTIBLE MATERIAL

Recheck your distances from the heater to combustible materials to be sure you have the proper minimum distances.
OBSERVING MINIMUM DISTANCES IS REQUIRED TO REDUCE THE RISK OF FIRE
CAUTION: Avoid fire, Do Not Place Combustible Material on sauna heater / ATTENTION:
Evita les Niceties, Ne Places Acne Mati ere Combustible Sur Lle Chauffe-saun
DIAGRAM 2
| MODEL / Product Number | KW | MINIMUM ROOM | MAXIMUM ROOM | PHASE | VAC | AMPS | WIRE SIZE | WIRE SIZE | |||
| Floor Area | Wall Height | Volume Cu.Ft. | Wall Height | Volume Cu.Ft. | Power Supply to CB Box | CB Box to Heater | |||||
| Heater 4.5 1712-450-0207 | 4.5 | 12 sq. ft. | 74″ | 100 | 96″ | 210 | 1 | 208 | 21.6 | 2 #10AWG+GR | 2 #10AWG+GR |
| 1 | 240 | 18.8 | 2 #10AWG+GR | 2 #10AWG+GR | |||||||
| 3 | 208 | 12.5 | 3 #12AWG+GR | 3 #12AWG+GR | |||||||
| 3 | 240 | 10.8 | 3 #12AWG+GR | 3 #12AWG+GR | |||||||
| Heater 6.0 1712-600-0207 | 6.0 | 21 sq. ft. | 74″ | 175 | 96″ | 310 | 1 | 208 | 28.8 | 2 #8AWG+GR | 2 #8AWG+GR |
| 1 | 240 | 25 | 2 #10AWG+GR | 2 #10AWG+GR | |||||||
| 3 | 208 | 16.7 | 3 #12AWG+GR | 3 #12AWG+GR | |||||||
| 3 | 240 | 14.4 | 3 #12AWG+GR | 3 #12AWG+GR | |||||||
| Heater 8.0 1712-800-0207 | 8.0 | 31 sq. ft. | 74″ | 250 | 96″ | 425 | 1 | 208 | 38.5 | 2 #8AWG+GR | 2 #8AWG+GR |
| 1 | 240 | 33.3 | 2 #8AWG+GR | 2 #8AWG+GR | |||||||
| 3 | 208 | 22.2 | 3 #10AWG+GR | 3 #10AWG+GR | |||||||
| 3 | 240 | 19.2 | 3 #10AWG+GR | 3 #10AWG+GR | |||||||
DIAGRAM 3

DIAGRAM 4
Sauna Logic 2 Control (Model 1601-38)

Control Size: 3-3/8”w x 5-1/2”t x 1/4”d
DIAGRAM 5

DIAGRAM 6
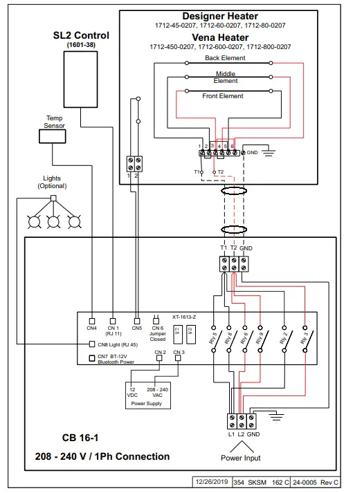
WIRING DIAGRAM: CONTROL AND HEATER MODELS
Designer/Vena 4.5, 6.0 & 8.0 with CB 16-1 and SL2 (1601-38)

NOTE: All installation and service to this equipment should be performed by qualied licensed personnel in accordance with local and national codes.
NOTE: A GFCI (Ground Fault Interrupt Circuit) device is not required by NEC. A GFCI may be installed if required by local codes but will nuisance trip during use of the product.
CAUTION: Loose wire connections can cause heat damage to wires, terminal blocks and other components and may void the warranty.
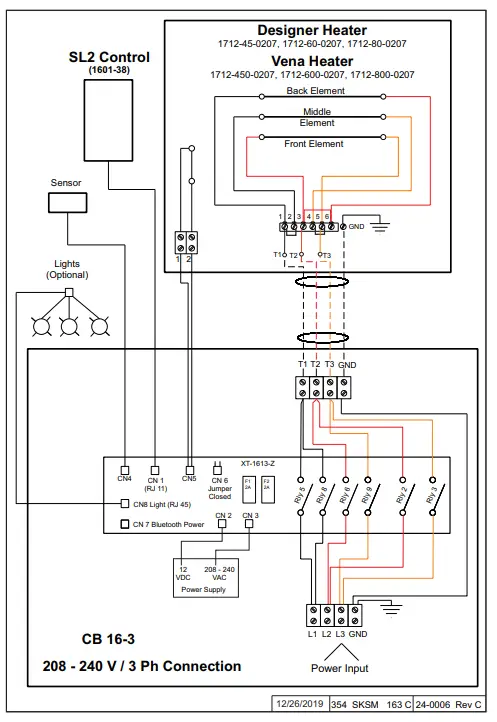
WIRING DIAGRAM: CONTROL AND HEATER MODELS
Designer/Vena 4.5, 6.0 & 8.0 with CB 16-3 and SL2 (1601-38)

NOTE: All installation and service to this equipment should be performed by qualied licensed personnel in accordance with local and national codes.
NOTE: A GFCI (Ground Fault Interrupt Circuit) device is not required by NEC. A GFCI may be installed if required by local codes but will nuisance trip during use of the product.
CAUTION: Loose wire connections can cause heat damage to wires, terminal blocks and other components and may void the warranty
DIAGRAM 7: CB BOX INTERNAL VIEW


SECTION 2: MOUNTING OF SAUNA HEATER AND CB BOX
HANGING THE HEATER Using the template provided, drill four 9/64″ holes to fasten the heater to the wall. Install two ¼” x 1 ½” hex head lag screws (supplied with the heater) into the upper two holes. Tighten these screws until their heads are about 1/8″ from the wall surface. The screws must be threaded through the wall into a framing member or backing board to support the heater weight. Hang the heater on the two upper screws. Locate the two ¼” x 1″ hex head lag screws (supplied with the heater) then install them into the two lower mounting holes. Tighten to lock the heater in place. See Diagram 1 for the heater location details and the necessary clearances to combustible materials.
Remove the cover of the CB Box to gain access to the 4 mounting holes in the back of the box. The CB Box can be mounted outside or inside the sauna room on a wall according to Diagram 3. Locate the 4 screws 3/16 x 3/4″ supplied into the 4 mounting holes. (See Diagram 3) (Contactor Box size: 11-3/8”w x 8-1/2”h x 3- 1/2”d)
SECTION 3: PLACING OF ROCKS (SEE DIAGRAM #13)
The rocks supplied with the heater have been chosen to provide the best heater performance. Use of any other type of rock may void the heaters warranty. Never operate the heater without rocks in place! Rinse the rocks with water before placing in the heater. Carefully place the rocks loosely so that the air can circulate through the heater. Packing the rocks too tightly may cause the heater high limit switch to trip or poor room heat up. The rocks must fully cover the heating elements. Attach the guard with the screws provided.
SECTION 4: ELECTRICAL HOOK-UP
Electrical installation must be made by a licensed electrician in accordance with the National Electrical Code and local regulations.
Remove the screws from the CB box to access the electrical connections. Route the wires through the holes provided on the bottom of the control box and connect the wires to the terminal block. To determine the correct wire size, refer to Diagram 2. Use copper supply wire only, suitable for minimum 90 degrees C. The heater must be grounded! See Diagram 6 for proper connections.
Connect wires from the small wire harness from sauna heater into CB Box on High Limit position CN 5 of the circuit board. (See Diagram 3)
SECTION 5: TEMPERATURE SENSOR
Feed the 17 ft “low voltage” sensor wire from the sensor location to the CB Box location. Sensor wire must be routed completely separate (as per low voltage electrical wiring codes) from any wiring carrying over 50 volts. It may be necessary to drill holes to string the wire through the studs or ceiling joists. Connect the sensor in CN 4 of the CB Box.
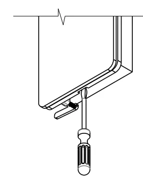
Using a fiat tip screwdriver, unsnap sensor cover from sensor. Mount sensor to a finished wall directly above heater and three (3) inches down from ceiling using two (2) screws (provided) as shown in Diagrams 1, 3 & 5.
WARNING
Do not locate benches over heater. Minimum clearance of ceiling above heater 44″. Minimum clearance from heater to wooden surfaces (benches, side walls, heater fence etc.) 2 inches. Mounting brackets supplied. Provides proper clearance from wall behind heater.
Use only copper wire of the size and type indicated in the Heater Specification Chart and the temperature rating indicated on the heater junction box.
All heaters and controls must be grounded per NEC to prevent electrical shock in case of unit failure.
Electrical outlets or receptacle must not be installed in a sauna room.
A guardrail or fence is required around the heater to prevent burns from accidental contact.
DIAGRAM 8: SL2 OPENING COVER

DIAGRAM 9: SL2 MOUNTING

SECTION 7: Sauna Logic 2 (1601-38) CONTROL INSTALLATION & OPERATION
OPERATING INSTRUCTIONS FOR TRADITIONAL SAUNA HEATER

Press the SL2
icon once. The default settings for the temperature is 194°F, the bath time is 60 minutes. These settings are adjustable (as described below) from 119° to 194°. Length of sauna can be set from 0 to 60 minutes. The time delay before start can be up to 24 hours. Any changes are remembered by the heater for your next bath. Should the heater power be lost then restored, the settings will return to their default values.
SETTING THE DURATION AND TEMPERATURE
Press the
icon for time “+” or “-” icon on the SL2 to increase or decrease time for desired setting. The maximum of time is 60 minutes.
Press the
icon and then press “+” or “-” icon on the SL2 to increase or decrease temperature for desired setting. The maximum temperature is 194°F (90°C).
Note: Typical bathing temperature is 150F to 165F displayed on the control.
PRE-SET DELAYED START Press the
icon and delay time will appear in the display and will toggle between “dlay” the amount of time remaining. The maximum of time is 24 hours. If no delay is desired, press button to toggle off the function.
LIGHTING OPERATION (Optional) SL2 is capable of operating ONLY a Lighting package purchased with the system. Press the
icon to cycle through lighting options. Press and hold the
icon for 3 seconds to turn off the light from during any color. Light will automatically turn off after 10 minutes the sauna cycle is completed.
Color sequence – White – Red – Green – Blue – Yellow – Aqua – Purple – Rotation of Colors – Off
BLUETOOTH OPERATION (Optional) SL2 is capable of operating ONLY a Bluetooth package purchased with the system. Press the
icon to turn on or off to the system.
SECTION 8: LIGHT INSTALLATION

Lighting Installation (Optional Equipment) SL2 is capable of operating ONLY a lighting package purchased with the system. The lighting package consists of 3 lights or more with a maximum 8 lights and the cables to connect the light assemblies to the CB box. The long cable (5 m) connects the CB Box to an “8 Port Splitter” device which should be located outside the sauna room but in an accessible location protected from direct heat or moisture. Connect 2 meter cables from the splitter to the light assemblies. All cable lengths for lights are similar depending on the number of fixtures.
Ensure the lighting cables reach the hole locations. Predetermine light fixture locations in the ceiling based on cable lengths, the splitter location, and CB box location. Route the cable provided to the correct locations before any tongue and groove is applied.
Cut 2 3/411 holes in tongue and groove boards for light fixtures as the tongue and groove is being applied.
The sauna heater has a built-in high limit control, which automatically turns off the heater if the temperature inside in the sauna room rises to an abnormally high level.
The control will display “HL”. To restart the heater, let the heater cool, then push the “On/Off” button on the control. If the high limit continually shuts off the heater, contact a service representative. Refer to Troubleshooting Section for information.
SECTION 10: HOW TO TAKE A SAUNA
- When taking a sauna, allow time to relax completely.
- Remove clothing and jewelry…if required, wear a towel loosely.
- After 10 minutes or when perspiration begins, leave sauna and relax in dressing area…follow with a cool shower.
- Cooling time should equal time spent in sauna. Enter sauna room again and stay 5 or 10 minutes.
- Repeat the cycle 2 or 3 times; end with a brisk shower…rinse in cool water.
- Dress when completely dry and perspiration has stopped.
- Some sauna bathers enjoy the soothing effect of steam by splashing water on the heated sauna rocks. Use only one dipper full (approx. ½ cup) at a time and keep clear of the steam as it rises off the rocks.
- Do not smoke, exercise or drink alcoholic beverages in the sauna room.
- Do not pour chlorinated pool or spa water on the heater or corrosion damage may result.
DIAGRAM 10

DIAGRAM 11

DIAGRAM 12

DIAGRAM 13

- Put smaller rocks in first around the outer perimeter of the rock compartment.
- Completely fill all three sections (front, center and back).
- In the outer sections, use smaller rocks placed more tightly (see note b).
- Place rocks loosely in the center section (see note a).
- Be sure rocks completely cover the elements (see note c).
- Loosely cover the tops of all elements with rocks a minimum of 2” to 3”.
SECTION 11: WARNING PLACARDS WARNING
Three metal placards are included in the Installation Instruction Envelope packaged with every Sauna Heater. The CAUTION placard must be attached to the interior wall of the sauna room directly above the heater where it is visible to the bather. The WARNING placards must be attached to the door of the sauna room.
SECTION 12: ROOM CONSTRUCTION
- For safety and reliability, the following rules must be addressed.
- No permanent locking or latch system is to be used on the sauna door.
- Acceptable door fittings are: magnetic catches, friction catches, spring or gravity loaded closures.
- The door must always open outwards.
- No shower may be installed in a sauna room.
- No electrical receptacle shall be installed inside the sauna room.
- The enclosed WARNING: Reduce the risk of overheating … warning plate must be mounted on or alongside the door outside the sauna room at about eye level.
- The enclosed CAUTION: Reduce the risk of fire … caution plate must be mounted on the interior wall above the heater.
- The heater should not be operated without ~ts container properly filled with rocks and the rock guard in place.
- If an intercom speaker is installed, it should be away from the heater and as close to the floor as possible.
- Fire sprinkler systems installed inside any sauna room should be properly rated for sauna room temperatures.
- Always mount the heater according to these installation instructions.
- Minimum of R12 insulation in 16″ on center 2×4 stud walls.
- Recommended minimum flooring thickness of 5/8″
SECTION 13: VENTILATION
VENTILATION In a private sauna, the air should be changed about 6 times an hour. This can be achieved by making a vent opening (fresh air inlet) in the sauna wall directly below the heater. The air outlet must be lower than the upper benches, as far as possible from the heater and about two feet higher than the fresh air inlet vent, See Diagram 12. It is recommended that ventilation openings meet the requirements of UL Specification 875. The minimum opening should be determined using one of the following formulas:
For R<31, V³9.3, For R³31, V³0.3R
where R = the floor area of the room in square feet and
V = the minimum vent size in square inches
WARNING
The “CAUTION” and “WARNING” placards must be mounted in accordance with Section 10.


For safety purpose sauna door must open out and not lock.
Never use a wood stain, seal or preservative on the inside of your sauna room.
Light fixtures get very hot during operation. Locate light fixture where it will not be a burn hazard.
DIAGRAM 14: ROOM TEMPERATURES

Non-Typical Ceiling Height
Notes:
Temperatures vary in a sauna room by height and distance from heater.
Ventilation will help reduce it but will not eliminate temperature variations.
The hottest part of the room is always at the ceiling directly above the sauna heater and should not exceed 194°F (90°C).
Air temperature will be 15°F to 25°F lower on the opposite side of the room from the heater close to the ceiling.
The temperatures in the elevated view are general numbers. Each sauna room is different due to construction variations and ventilation.

SECTION 14: MAINTENANCE
Inspect sauna room at the end of each day the room to ensure the control and system is off.
The sauna, like a bathroom, should be kept clean and odor free. Towels or mats should always be used on benches and fioor as perspiration otherwise penetrates the soft wood. To clean and remove perspiration stains, use soap or detergent in warm water, best applied with a scrub brush. Badly soiled surfaces may require sanding. Sand paper wrapped around a wooden block works well.
Air out the sauna often by keeping the door and vents open when the sauna is not in use. Saunas that are in daily use should be washed down at least once a week to keep them clean and the air fresh. Duckboard should be removed from the sauna, the sauna fioor mopped and dried in a conventional manner, and the duckboard thoroughly scrubbed and dried before returning to the sauna room. The sauna heater should be wiped down occasionally with a damp cloth to remove lint and dust. The rocks should be removed once a year for cleaning and small or crumbled rocks replaced.
Benches and supporting structure must be inspected annually for potential deterioration due to age, dry rot or abuse. Any boards with signs of deteriorations should be replaced immediately to avoid possible injury.
DIAGRAM 15

SECTION 15: BWT (Bio Water Technique) Technology
The world sauna trend is moving to the higher humidity and lower temperatures. Many nd it easier to breathe, the skin feels warm, and the humidity helps induce a sweat. This system will increase the humidity in the room allowing the air temperature to be lower, and still feel hot.
BWT technology provides the ability to increase humidity levels in the sauna room while the heater is warming up and during the sauna session. The continuous soft boil of water during the sauna session increases the humidity in the room to provide a consistent feel. Additional water can be added to the rocks to provide an additional spike of humidity as needed.
How to use BWT: Allow heater to warm up for approximately 20 minutes and add water into the tank through the side of fragrance diffuser with slots. Add approximately 2 cups of fresh water into the tank. Do Not Use Pool or Spa Water.
Fragrance oils can be placed in the side of the fragrance diffuser without the slots. Avoid adding fragrances directly into the water of the
BWT. The oils may cause the water to foam and maybe difficult to remove the scent from the tank.
SECTION 16: TROUBLESHOOTING
If control displays “Sn Cold” it means no sensor is connected. Refer to Section 5 for sensor installation information.
If control displays “Pre-Heat” it means no sensor is connected or it means the room temperature is below 10°F.Refer to Section 5 for sensor installation information. Note: the system will heat for 5 minutes and then turn off and error “Sn Cold” if a sensor is not connected.
If control displays “HL” it means the high limit is open. Refer to Section 9 for high limit information. System won’t start to heat, ensure the system is not in the delay mode. If “dLAY” is flashing in the display window, the system is in the delay mode. If control displays “JP” it means the jumper is open on the main board in the CB Box. Verify jumper is installed in CN6 location on the main board. If it is open, close the two pins.
If control acts erratically or buttons turn on and off by itself during startup. Turn power off at the circuit breaker, place the glass on the control and turn power back on the system. The control will automatically reset the sensitivity of the capacitive switches.
CAUTION: Use only a contactor approved for 250,000 endurance Cycles / ATTENTION: Utilizer uniquement un contactor approve pour 250,000 cycles de fonctionnement
For troubleshooting or service questions call 1-888-780-4427 and ask to speak with service. Prior to calling, please have the Model and Type number available. You may also email us at us [email protected]
DIAGRAM 15: SL2 Control Mounting

Recessed Mounting For the SL2 Control
The recessed mounting box allows the control to mount with its surface almost even to the wall surface. Print this page to “Actual” Size on Printer Options. (This will ensure the size of the opening is correct). Cut out the middle of this page on the dotted lines. The hole will be the size of the mounting box. Insert the mounting box in the hole of this page to ensure it is the correct size.
Trace the paper cut out on the wall. Cut a hole in the wall to match the inner dotted line for the mounting box. Run the control cable out of the wall through the hole in the mounting box. Ensure the hole is just big enough to mount the box.
Push the mounting box into the hole and turn the mounting screws to pull the tab tight against the inside of the wall. Ensure the box is level and the correct end is UP (there is an arrow on the wall side of the box pointing up).
Connect the Control coupler to the control cable then feed the cables and connector through the hole in the box and into the wall. Test the Control before mounting it into the wall.
Hang the top of the control glass on the top of the recessed box and press the bottom of glass to snap on to box.



















