APPA 170 Series Clamp Meter

Product Information
The 170 series is a clamp meter that can measure both direct and alternating current. It features a 6,000 count digital display, input terminals for multi-function, and a common (ground reference) input terminal. The meter includes various functions such as capacitance, DCV/DCmV, ACV, resistor/continuity, capacitor/diode, frequency, MIN/MAX, Volt Seek, HFR/INRUSH, backlight, torch light, data logger, Bluetooth, AC 600A, DC 600A, DC/AC 1500A, DC/AC A, LoZ, PV voltage, temperature, and flexible current. The meter is also equipped with safety features including tactile barriers for hand guard and an alert system for potentially hazardous voltage.
Product Usage Instructions
Preparation and Caution Before Measurement
Observe the rules of warnings and cautions. When connecting the test leads to the DUT (Device Under Test), connect the common test leads before connecting the live test leads; when removing the test leads, remove the live test leads before removing the common test leads. Preparation and Caution Before Measurement Observe the rules of Warnings and Cautions.
CAUTION
When connecting the test leads to the DUT (Device Under Test) connect the common test leads before connecting the live test leads ; when removing the test leads, remove the live test leads before removing the common test leads.
Measuring Voltage
Dial the switch to select the measuring function. In LoZ mode, the meter displays the measurement result at AC or DC value, depending on whichever is greater. Do not use the LoZ mode to measure voltages in circuits that could be damaged by this mode’s low impedance.

Dial the switch to select the measuring function.
LoZ mode : Display measurement result at AC or DC value, it depends on whichever is greater.
CAUTION
Do not use the LoZ mode to measure voltages in circuits that could be damaged by this mode’s low impedance.
Measuring PV Voltage
To measure PV voltage, dial the switch and press the Function button to select AC/DC mode. This function is only available with the dedicated PV test probe (APPA ATL-PV). Always select the correct DC/AC mode to perform high voltage measurement. This meter will flash a symbol and the correct mode symbol (AC/DC) if the input voltage is different and dangerous. Dial the switch and press the Function button to select AC/DC mode.

CAUTION
This function is only available with the dedicated PV test probe (APPA ATL-PV). Always select correct DC / AC mode to perform high voltage measurement. This meter will flash symbol and the correct mode symbol (AC / DC) if the input voltage is different and dangerous.
Measuring Current
To measure current, dial the switch and press the Function button to select the measuring function. Note that the torch will be on when the jaw is opened. The meter is equipped with safety features including tactile barriers for hand guard and an alert system for potentially hazardous voltage. When measuring current, ensure that the meter is held with respect to earth for the jaw and do not hold the meter across the barrier. Dial the switch and press the Function button to select the measuring function.

Note : Torch will be on when jaw is opened.
Maintenance
Do not attempt to repair this meter. It contains no user-serviceable parts. Repair or servicing should only be performed by qualified personnel. Periodically wipe the case with a dry cloth and detergent. Do not use abrasives or solvents. Do not attempt to repair this Meter. It contains no user serviceable parts. Repair or servicing should only be performed by qualified personnel.
Cleaning
Periodically wipe the case with a dry cloth and detergent. Do not use abrasives or solvents.
Safety Information
Understand and follow operating instructions carefully. Use the meter only as.
WARNING
- If the equipment is used in a manner not specified by the manufacturer, the protection provided by the equipment may be impaired.
- Always use proper terminals, switch position, and range for measurements.
- To reduce the risk of fire or electric shock, do not use this product around explosive gas or in damp locations.
- Verify the Meter operation by measuring a known voltage. If in doubt, have the Meter serviced.
- Do not apply more than the rated voltage, as marked on Meter, between terminals or between any terminal and earth ground.
- To avoid false readings that can lead to electric shock and injury, replace the battery as soon as low battery indicator blinks.
- Avoid working alone so assistance can be rendered.
- Do not use the Tester if the Tester is not operating properly or if it is wet.
- Individual protective device must be used if hazardous live parts in the installation where the measurement is to be carried out could be accessible.
- Disconnect the test leads from the test points before changing the position of the function rotary switch.
- Never connect a source of voltage when the function rotary switch is not in voltage position.
- When using test leads or probes, keep your fingers behind the finger guards.
- Use caution with voltages above 30 Vac rms, 42 Vac peak, or 60 Vdc. These voltages pose a shock hazard.
- Remove test lead from Meter before opening the battery door or Meter case.
- DO NOT USE the test leads when the internal white insulation layer is exposed.
- DO NOT USE the test leads above maximum ratings of CAT. environment, voltage and current, that are indicated on the probe and the probe tip guard cap.
- DO NOT USE the test leads without the probe tip guard cap in CAT III and CAT IV environments.
- Probe assemblies to be used for MAINS measurements shall be RATED as appropriate for MEASUREMENT CATEGORY III or IV according to IEC 61010-031 and shall have a voltage RATING of at least the voltage of the circuit to be measured.
- Disconnect circuit power and discharge all high-voltage capacitors before testing resistance, continuity, diodes, or capacitance.
- De-energize the installation under test or wear suitable protective clothing during fitting and removal of the Flexible Current Probe.
- Do not apply around or remove from UNINSULATED HAZARDOUS LIVE conductors, which may render electric shock, electric burn, or arc flash.
- Do not apply a current with frequency that is higher than the frequency response range specified in the Electrical specification section to APPA 172 .
Symbols as marked on the Meter and Instruction card

Unsafe Voltage
To alert you to the presence of a potentially hazardous voltage, when the Tester detects a voltage ≥ 30 V or a voltage overload (OL) in V, mV, LoZ, PV. The displayed.
Introduction
- JAW
- Volt seek Light.
- Push-buttons.
- Trigger.
- Rotary switch for turn the Power On / Off and select the function.
- 6,000 count digital display.
- Input Terminal for Multi-function.
- Common (Ground reference) Input Terminal.

Capacitance

Measuring Resistance/Continuity/Capacitance/Diode

Dial the switch and press the Function button to select the measuring function
Measuring Temperature °C / °F
Dial the switch and press the Function button to select °C / °F mode.

Measuring μA
Dial the switch and press the Function button to select AC/DC mode.

Measuring Current with Flex Clamp Meter
Keep the range of Flex Clamp meter (APPA sFlex-T) at 3000A/3V output ratio.

Using the Function

Press the Function button to change the function on the same switch position.
Measuring Frequency

Backlight

Press Function button for over 2 sec. to turn Backlight on / off.
MIN/MAX

The MAX/MIN mode records the min and max input values. When the input goes below the recorded min value or above the recorded max value, the meter records the new value. Press Hold button to pause the recording.
Volt Seek

Press MIN/MAX button for over 2 sec. to enter / exit Volt Seek mode. Press MIN/MAX button to switch high/low sensitivity.
WARNING
The Volt Seek LED indicates the electric field. If the Volt Seek LED is not on, voltage could still be present.
Smart Hold

The meter will beep continuously and the display will flash if the measured signal is larger than the display reading by 50 counts. (However, it can not detect across the AC and DC Voltage / Current).
DCA ZERO
Remove the jaw from the conductor before performing DCA ZERO. Press HOLD button for over 2sec. to compensate the residual magnetism.

High Frequency Rejection (HFR)
The High Frequency Rejection mode equip a low pass filter in the AC measurements. The cut-off frequency (-3dB point) of low pass filter is 800Hz.
WARNING
The hazardous voltage may be present even if the LCD reading is very low in HFR mode. Verify the voltage again without HFR mode.
INRUSH
In inrush current mode, select the suitable measurement range by pressing HFR/INRUSH button before triggering the inrush current measurement.

Auto Power Off

Wake up the meter by dialing the switch or pressing any button.
Time Setting of Auto Power Off

Press the function button and turn the meter on. Then press the function button to select the time. The time can be 5 minutes, 10 minutes, 20 minutes, and disabled (OFF).
Testing LCD Monitor

To turn on the meter after keeping HOLD button down.
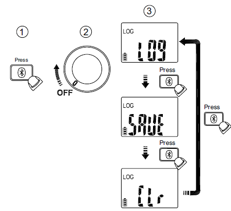
Function of LOG Button

Pressing Bluetooth button while powering-up to select the –Logger mode, Manual Saving mode and Clear memory.
Data Logger
The meter can store up to 4000 data in memory. Press Bluetooth button for more than 2 seconds to activate Data logger mode. The meter will enter Time interval setting mode. Press Bluetooth button again to select time interval. The interval can be 1 second, 5 seconds, 10 seconds, 30 seconds, 60 seconds.

CAUTION
All stored data will be cleared next startup. Download the stored data by App first if needed.
Manual Saving Mode

CAUTION
All stored data are saved until switching to data logger mode or executing the clear function.
Bluetooth
The meter uses Bluetooth low energy (BLE) V4.0 wireless technology to transfer the real-time reading and the stored data. The open-air communication range is up to 10m. Download “APPA Connect” App via the following QR Code. Turn on Bluetooth function of the meter and open “APPA Connect” to connect the DMM. The Bluetooth icon of the meter will freeze on LCD after the connection establishes successfully.

QR CODE

Default Temperature Units Setting
Turn on the meter after keeping MIN/MAX button down


Remove test leads from Meter before opening the battery cover or Meter case.
Specifications
General Specifications
- Display : 6000 counts.
- Overrange Indication : ”OL” or “-OL”
- Measure : Samples 3 times per second .
- Max Conductor Size of JAW : 37mm diameter for 172/173 42mm diameter for 179
- Dimensions (W x H x D) : 62mm x 240mm x 41mm for 172/173 62mm x 254mm x 41mm for 179
- Weight :approx. 430g (including battery) for 172/173 approx. 480g (including battery) for 179
- Low Batteries Indication : Voltage drops below operating voltage will flash. Power Requirement :
- AA Size Battery x 2 (R6, LR6, 15D, 15A)
- Battery Life : 200 hours ALKALINE Battery for 173/179 300 hours ALKALINE Battery for 172 (without Backlight)
- Operating Temperature :
- -10 ~10°C
- 10°C ~ 30°C ( ≤ 80% RH),
- 30°C ~ 40°C ( ≤ 75% RH),
- 40°C ~ 50°C ( ≤ 45%RH)
CAT Application Field II The circuits directly connected to Low-voltage installation. III The building installation. IV The source of the Low-voltage installation.
- Storage Temperature :
-20°C to 60°C , 0 to 80% R.H. (batteries not fitted) Altitude : 6561.7 ft (2000m) - Safety : EN 61010-1, EN 61010-2-032, EN 61010-2-033 for CAT III 1000V, CAT IV 600V, EN 61326-1
- Drop Protection : 4 feet drop to hardwood on concrete floor Vibration : Random Vibration per MIL-PRF-28800F Class 2
Pollution degree : 2
Indoor Use
Electrical Specifications
Accuracy is given as ± (% of reading + counts of least significant digit) at 23°C ± 5°C, with relative humidity Less than 80% R.H., and is specified for 1 year after calibration.
Temperature coefficient
0.2 x (Specified accuracy) / °C, < 18°C, > 28°C
AC Function
ACV and ACA specifications are ac coupled, true R. M.S.The crest factor may be up to 3.0 as 4000 counts. Accuracy is unspecified of Square Wave. For non-sinusoidal waveforms, Additional Accuracy by Crest Factor (C.F.) :
- Add 3.0% for C.F. 1.0 ~ 2.0.
- Add 5.0% for C.F. 2.0 ~ 2.5.
- Add 7.0% for C.F. 2.5 ~ 3.0.
- Max. Crest Factor of Input Signal:
- 3.0 @ 3000 counts
- 2.0 @ 4500 counts
- 1.5 @ 6000 counts
Frequency Response is specified for sine waveform. LCD displays 0 counts when the reading < 20 counts.
DC mV
| Range | OL Reading | Resolution | Accuracy |
| 600.0mV | 660.0mV | 0.1mV | ± (0.7% + 5D) |
Input Impedance : 10MΩ Overload Protection : AC/DC 1000V
DC Voltage
| Range | OL Reading | Resolution | Accuracy |
| 600.0mV | 660.0mV | 0.1mV | ±(0.7% + 2D) |
| 1000V | 1100V | 1V |
- Input Impedance : 10MΩ
- Overload Protection : AC/DC 1000V
AC Voltage
| Range | OL Reading | Resolution | Accuracy |
| 600.0V | 660.0V | 0.1V | ±(1.0% + 5D) |
| 1000V | 1100V | 1V |
- Input Impedance : 10MΩ // less than 100pF
- Frequency Response : 45 ~ 400Hz (Sine Wave)
- Overload Protection : AC/DC 1000V
LoZ AC/DC Voltage
| Range | OL Reading | Resolution | Accuracy |
| 600.0V | 660.0V | 0.1V | ±(2.0% + 5D) |
| 1000V | 1100V | 1V |
- Input Impedance : less than 3kΩ
- Frequency Response : 45 ~ 400Hz (Sine Wave)
- Overload Protection : AC/DC 1000V
PV DC Voltage
| Range | OL Reading | Resolution | Accuracy |
| 600.0V | 660.0V | 0.1V | ±(2.0% + 5D) |
| 2000V | 2200V | 1V |
- Input Impedance : 10MΩ
- Overload Protection : AC/DC 1000V
PV AC Voltage
| Range | OL Reading | Resolution | Accuracy |
| 600.0V | 660.0V | 0.1V | ±(2.0% + 5D) |
| 1500V | 1600V | 1V |
- Frequency Response : 45 ~ 400Hz (Sine Wave)
- Input Impedance : 10MΩ // less than 100pF
- Overload Protection : AC/DC 1000V
AC/DC μA
| Range | OL Reading | Resolution | Accuracy |
| 400.0μA | 440.0μA | 0.1μA | ±(1.0% + 3D) |
| 4000μA | 4400μA | 1μA |
- Input Impedance : Approx. 3kΩ
- Frequency Response : 45 ~ 400Hz (Sine Wave)
- Overload Protection : AC/DC 1000V
DC Current
| Range | OL Reading | Resolution | Accuracy |
| 60.00A | 66.00A | 0.01A |
±(2.0% + 5D) |
| 600.0A | 660.0A | 0.1A | |
| 1500A | 1550A | 1A |
The measured value <5.0A, add 10 dgt to the accuracy. The measured value >1000A, add 0.5% to the accuracy. Overload Protection : AC/DC 600A/1500A
AC Current
| Range | OL Reading | Resolution | Accuracy |
| 60.00A | 66.00A | 0.01A |
±(2.0% + 5D) |
| 600.0A | 660.0A | 0.1A | |
| 1500A | 1550A | 1A |
- Add 10 dgt to the accuracy when < 5.0A.
- Add 0.5% to the accuracy when >1000A.
- Add 1% to the accuracy when >100Hz.
Frequency Response :
(Sine Wave) 45 ~ 400Hz for ≤ 1000A 45 ~ 65Hz for >1000A
Overload Protection : AC/DC 600A/1500A
Flexible Current Probe
| Range | OL Reading | Resolution | Accuracy |
| 300.0A | 330.0A | 0.1V | ±(1.5% + 5D) |
| 3000A | 3300A | 1V |
- Frequency Response : 45Hz to 400Hz
- Accuracy does not include accuracy of the Flexible Current Probe.
- Overload Protection : AC/DC 1000V
Frequency
| Range | OL Reading | Resolution | Accuracy |
| 100.00Hz | 100.00Hz | 0.01Hz |
±(0.3% + 3D) |
| 1000.0Hz | 1000.0Hz | 0.1Hz | |
| 10.000kHz | 10.000kHz | 0.001kHz |
- Minimum Sensitivity : > 5V (for ACV 1Hz ~ 10kHz) > 8A (for ACA 1Hz ~ 1kHz)
- Minimum Frequency : 1Hz
- Overload Protection : AC/DC 1000V and 600A/1500A
HFR (High Frequency Rejection)
- Available for ACV, ACA and, Flexible Current Probe.
- Add ± 4% to specified accuracy of each function and each range for 45Hz to 200Hz.
- Accuracy is unspecified for > 200Hz.
- Cut-off Frequency (-3dB) : 800Hz
Inrush Current
Available for ACA and Flexible Current Probe.
Trigger level : ≥ 50d.
Add ± 3% to specified accuracy of each function and each range
Resistance
| Range | OL Reading | Resolution | Accuracy |
| 600.0Ω | 660.0Ω | 0.1Ω | ±(0.9% + 5D) |
| 6.000kΩ | 6.600kΩ | 0.001kΩ |
±(0.9% + 2D) |
| 60.00kΩ | 66.00kΩ | 0.00kΩ | |
| 600.0kΩ | 660.0kΩ | 0.1kΩ |
To get more accuracy result, short the test probes to obtain the offset. The accuracy specification is specified for the result that the offset is subtracted.
Overload Protection : AC/DC 1000V
Continuity
Built-in buzzer sounds when measured resistance is less than 20Ω and sounds off when measured resistance is more than 200Ω, Between 20Ω to 200Ω the buzzer maybe sound or off either
- Continuity Indicator : 2.7K Tone Buzzer
- Response Time of Buzzer : < 100msec.
- Overload Protection : AC/DC 1000V
Diode
| Range | OL Reading | Resolution | Accuracy |
| 1.500V | 1.550V | 0.001V | ±(0.9% + 2D) |
- Open Circuit Voltage : Approx. 1.8V
- Overload Protection : AC/DC 1000V.
Capacitance
| Range | OL Reading | Resolution | Accuracy |
| 100.0μF | 110.0μF | 0.1μF | ±(1.9% + 2D) |
| 1000μF | 1100μF | 1μF |
Overload Protection : AC/DC 1000V
VoltSeek
- Voltage Range of High Sensitivity : 80V ~ 1000V (At the top edge of the jaw)
- Voltage Range of Low Sensitivity : 160V ~ 1000V (At the top edge of the jaw)
Temperature
| Range | OL Reading | Resolution | Accuracy |
| -40.0°C – 400.0°C | 440.0°C | 0.1°C | ±(1% + 20D) |
| -40.0°F – 752.0°F | 824.0°F | 0.1°F | ±(1% + 36D) |
The accuracy does not include the accuracy of the thermocouple probe. Accuracy specification assumes surrounding temperature stable to ±1°C. For surrounding temperature changes of ± 2°C, rated accuracy applies after 2 hours. Overload Protection : AC/DC 1000V
Limited Warranty
This Meter is warranted to the original purchaser against defects in material and workmanship for 3 year from the date of purchase. During this warranty period, manufacturer will, at its option, replace or repair the defective unit, subject to verification of the defect or malfunction. This warranty does not cover fuses, disposable batteries, or damage from abuse, neglect, accident, unauthorized repair, alteration, contamination, or abnormal conditions of operation or handling. Any implied warranties arising out of the sale of this product, including but not limited to implied warranties of merchantability and fitness for a particular purpose, are limited to the above. The manufacturer shall not be liable for loss of use of the instrument or other incidental or consequential damages, expenses, or economic loss, or for any claim or claims for such damage, expense or economic loss. Some states or countries laws vary, so the above limitations or exclusions may not apply to you.
Flat 4-1, 4/F, No. 35, 700020053 JULY 2021 V1 © 2021 MGL International Group Limited. All rights reserved. Specifications are subject to change without notification.Section 3 Minquan East Road, Taipei, Taiwan Tel: +886 2-2508-0877



















