UNI-T UT219E-M-DS Professional Clamp Meter

Preface
Dear Customers:
Thank you for purchasing this brand new Uni-Trend instrument, for the purpose of using the instrument properly, we ask you to read this instruction manual carefully and thoroughly before putting this instrument into service, especially the sections related with “Safety Precautions”. After you have read this instruction manual thoroughly, we suggest you place this instruction manual at a convenient location for future reference.
Limited Warranty Liability
Uni-Trend Technology (China) Limited will guarantee this product is free from any defect in material and process within one year from the date of purchase. This warranty is not applicable to fuse, disposable batteries, or any damage resulted from any accident, negligence, misuse, retrofitting, contamination, misoperation or handling. The dealer shall not be entitled to give any other warranty in the name of Uni-Trend. If warranty service is required within warranty period, please contact your nearest service center authorized by Uni-Trend to obtain authorized information on return of the product; then send the product together with the description of problems to that service center. This warranty is the only compensation that you can obtain. Otherwise, Uni-Trend will not provide any expressed or implied guarantee, such as the implied guarantee to certain specific item. Meanwhile, Uni-Trend will not be responsible for any special incidental or indirect damage or loss that is caused by any reason or speculation. As some areas or countries do not allow to implied guarantees and collateral or limit incidental or subsequent damage, above limitation of liability and stipulation may not applicable to you.
Overview
UT219 professional clamp meter series is three-proofing digital clamp meters specially designed for professional industrial users. The industrial design of this series is rugged and durable, and capable of withstanding the impact from 2 meters’ fall-down. The water proof rating is up to IP54; therefore, it can be used in environment with water splashing or much more dust. The whole series is configured with LoZ (Low impedance input) AC voltage tap position, which is capable of testing the false voltage; auto backlight function can be used continuously under the circumstance of emergency power outage. UT219M and UT219DS are also provided with MOTOR test function, allowing to directly test the phase sequence of three phase AC motor by means of the probe. UT219 series is much more in compliance with the CAT IV 600V safety level, and certified by the German GS institution.
This Instruction Manual contains relevant safety information and warnings, read relevant contents carefully and strictly follow all warnings and precautions.
Unpacking Inspection
Take out the meter after unpacking, please inspect whether following accessories are missed or damaged or not, if any missing or damage is found, contact your supplier without any delay.
- Instruction Manual: 1 copy
- Probe: 1 pair
(nickel-chromiumnickel-silicon) thermocouple one (UT219M UT219DS)
Safe Operation Rules
- Safety certification
- CE, TUV/GS certification: EN 61010-1: 2010 EN 61010-031: 2015 EN 61010-2-032: 2012 EN 61010 -2-033: 2012 “Safety requirements for electrical equipment measurement, control laboratory use”;
- EN 61326-1:2013, EN 61326-2-2:2013″ “Electrical equipment for measurement, control and laboratory use-EMC requirements”
- CAT IV 600V, safety standard of pollution grade II and double insulation.
- Prior to operation, read thoroughly the section “Safety operation rule”, for the purpose of preventing electric shock or personal injury, carry out operation by following the guide below:
- Cany out operation in accordance with the instructions in this manual, otherwise the protective measures for the meter may become invalid.
- Do not use any damaged meter. Before using the meter, check the case of the meter for any crack or missed plastic part, special attention should be paid to the insulation around the joint.
- Before putting the meter into operation, confirm that the battery cover has been closed and clamped. Before opening the battery cover, remove the test leads from the meter.
- lnspect whether the insulation of the test leads is damaged or there is any exposed metal or not. Check whether the test leads are conductive or not. In case any damage with the conductor, use the meter only after replacement.
- Do not measure any voltage or current which is higher than the allowable input value, when it is impossible to determine the range of the value to be measured, the function range switch should be set to maximum position. Before carrying out the on-line test for resistance, Diode or circuit on/off, all power supplies in the circuit should be turned off in advance, and all capacitors should b e discharged, otherwise the inaccurate measuring result may be caused.
- In case the cover is removed or the cover is opened, do not use the meter.
- Liquid crystal display shows
symbol {UT219M) or
symbol (UT219E, UT219DS), replace the batteries timely to guarantee the measurement accuracy. Type 1.5 V AAA batteries should be used for supplying power for the meter, and care should be taken to install the batteries correctly. - The range switch should be set to a correct measuring position.
- It is strictly forbidden to change the position of the range switch during the measuring to prevent the meter from being damaged.
- When carrying out measuring, keep in mind not to extend your fingers over the hand-stopping location of the probes, do not touch any exposed conductor, connector, unused input terminal or the circuit under measuring to prevent electric shock.
- After completion of each measuring operation, disconnect the probes from the tested circuit.
- Replace the probes with same grade of CATlll1000V /CATIV600V or more probes.
- If the voltage to be measured is DC 30 V or AC 30 Vrms, due care should be taken to avoid electric shock!
- Do not use the low pass filter option to verify whether there is any hazardous voltage or not, as there is a possibility that the voltage may exceed the indicated value. First, measure the voltage under the circumstance that the filter is not connected to detect whether there is hazardous voltage or not. Then, select the filter
function. - Do not use LoZ mode to measure the voltage in the circuit that may be damaged by the low impedance (300 kO) of this mode.
- Do not use in high-temperature and high-humid environment, especially do not store the meter in moisture environment, as the performance of moistened meter may become degraded.
- Do not modify the internal wiring of the meter randomly so as not to damage the meter and jeopardize the safety!
- When carrying out maintenance, please use wet cloth and gentle cleanser to clean the case of the meter, do not use lapping compound or solvent!
Features
- Fully enclosed, IP54 ingress protection,
- Capable of withstanding fall-down from 2 meters’ height,
- Large LCD dual mode reading display, 6,000 counted dual slope analog-to-digital converter (UT219E/UT219M conversion rate of 3 times/second, UT219DS conversion rate of 5 times/second),
- Full function misoperation prevention, enabling to sustain lightning impulse voltage of BkV and more.
- True Root Mean Square (TRMS) AC voltage and current can measure the non-linear signal precisely.
- AC+DC measurement mode (AC is combined with DC) is defined as (UT219DS).
- Available to measure alternating current up to 600A (full series) and direct current (only UT219DS), frequency response is 40 Hz to 400 Hz.
- LOW PASS FILITER guarantees to precisely measure the voltage and the current (UT219DS) of the variable speed driver (VSD).
- MOTOR TEST three phase rotation test can identify the phases of the power supply (UT219M UT219DS).
- LoZ voltage measurement, which provides low impedance along the conductor circuit to solve the problem of false voltage measuring.
- The measurement range of capacitance for motor start capacitance or elements is 60.00 mF.
- There is a special function measuring as MAX, MIN, relative value, data holding and etc.
- Manual and auto selection range allows maximum flexibility.
- Auto backlight function turns on and off the backlight adjustment automatically according to the intensity.
- It is possible to simultaneously measure the voltage and current so as to monitor the voltage while in current mode. (Only for UT219DS)
- Surge current measurement enables to simultaneously measure the starting current of the motor and the stable operating current after starting up (only for UT219DS).
- Celsius and Fahrenheit measurement (UT219M, UT219DS).
Electrical Symbols


Comprehensive Specifications
- The overload protection voltage between various input terminals and grounding is 600 V.
- Maximum display: 6000 bits, UT219E/UT219M upgrades 3 times per second, UT219DS upgrades 5 times per second. Over-range display “OL”.
- Range: MANUAL/AUTO
- Polarity: Automatic positive and negative polarity display
- Operating temperature and humidity: 0″C -30″C (no more than 80% RH) , 30″C-40″C (no more than 75% RH), 40″C- 50″C (no more than 45% RH)
- Storage temperature and humidity: -20″C~+60″C (no more than 80% RH)
- Operating altitude: 0-2,000 m
- Batteries in the unit 3 type 1.5V AAA alkaline batteries
- If low batteries: LC D display
symbol (UT219M) or
symbol (UT219E/UT219DS) - Overall dimensions: 235x83x47 mm
- Weight: 338 g (including batteries)
- Electromagnetic compatibility: Under 1V/m radio-frequency field: Total accuracy = specified accuracy + 5% of range, the indicator is not specified for the radio-frequency field of 1V/m and more.
- Appraisal: CE, GS, TUV
Overall Configuration

- Jaw
It is the sensing device for measuring direct current, enabling to convert current to voltage. - Clamp body
It is a safe design to prevent the hand of the user from getting contact with the dangerous area. - Rotary switch
It is used to select the function stall for measuring. - Function key
It is used to select basic features - LCD display area
It displays the measured data and function symbol. - Measurement input terminals
It is used for the input of the measured signal. - Jaw trigger
Press the trigger to open the jaws; release the trigger to close the jaws automatically.
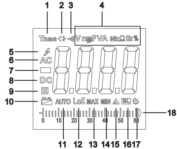
LCD Display
UT219E

- True root mean square prompt
- Diode prompt
- Circuit On/Off measuring prompt
- Units prompt
- High voltage alarm
- AC signal prompt
- Negative pole prompt
- DC signal prompt
- Holding symbol prompt
- Low voltage prompt
- AUTO range prompt
- Low impedance measuring prompt
- MAX measuring promptMIN measuring prompt
- Relative Measurement prompt
- Automatic backlight function prompt
- Auto power off prompt
- Analogue bar prompt
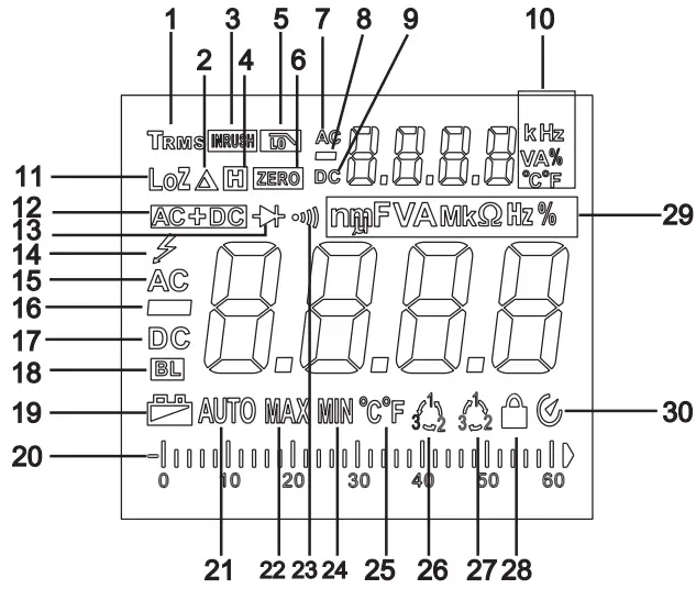
UT219M

- True root mean square prompt
- Diode prompt
- Circuit On/Off measuring prompt
- Units prompt
- Low impedance measuring prompt
- High voltage alarm
- AC signal prompt
- Negative pole prompt
- DC signal prompt
- Auto power off prompt
- Holding symbol prompt
- Low voltage prompt
- AUTO range prompt
- MAX measuring prompt
- MIN measuring prompt
- Relative Measurement prompt
- Motor reverse phase prompt
- Motor positive sequence prompt
- Phase sequence measuring lockout prompt
- Automatic backlight function prompt
UT219D5

- True root mean square prompt
- Relative Measurement prompt
- Surge current measurement prompt
- Holding symbol prompt
- Low pass measurement prompt
- DC current resetting symbol
- Secondary display AC prompt
- Secondary display negative pole prompt
- Secondary display DC signal prompt
- Secondary display units prompt
- Low impedance measuring prompt
- AC+DC measuring prompt
- Diode prompt
- High voltage alarm
- Main display AC signal prompt
- Main display negative pole prompt
- Main display DC signal prompt
- Automatic backlight function prompt
- Low voltage prompt
- Analogue bar prompt
- AUTO range prompt
- MAX measuring prompt
- Circuit On/Off measuring prompt
- MIN measuring prompt
- Temperature prompt
- Motor reverse phase prompt
- Motor positive sequence prompt
- Phase sequence measuring lockout prompt
- Main display units prompt
- Auto power off prompt
Knobs
UT219E knob picture

- Low impedance AC voltage position
- Meter OFF position
- AC current position
- AC voltage position
- DC voltage position
- Resistance position, continuity test position (Shortly press SELECT key for selection)
- Capacitance position
- Diode position
- Frequency position and duty ratio position (Shortly press Hz% key for selection)
UT219M knob diagram

- Low impedance AC voltage position
- Meter OFF position
- AC current position
- AC/DC voltage position (Shortly press SELECT key for selection) and motor phase sequence measuring position (Press down and hold SELECT key for selection)
- Resistance position continuity test position (Shortly press SELECT key for selection)
- Capacitance position
- Celsius and Fahrenheit position (Shortly press SELECT key for selection)
- AC/DC microampere position (Shortly press SELECT key for selection)
- Frequency position
UT219DS knob diagram

- Low impedance AC voltage position
- Meter OFF position
- AC current, DC current position and AC+DC current position (Shortly press SELECT key for selection)
- AC voltage position and low pass filter (LPF) position (Shortly press SELECT key for selection) and motor phase sequence measuring position (Press down and hold SELECT key for selection in AC voltage mode)
- DC voltage position and AC+DC voltage position (Shortly press SELECT key for selection)
- Resistance position, capacitance position and continuity test position (Shortly press SELECT key for selection)
- Celsius and Fahrenheit position
- AC/DC microampere position (Shortly press SELECT key for selection)
- Frequency position and duty ratio position
- RANGE
Press RANGE button once to enter MANUAL measurement mode and change the range. Press RANGE button for 2 seconds and more to change from Manual range to Auto range. This is only valid for AC/DC voltage, AC/DC current, resistance, capacitance (excluding UT219E) and frequency measurement. - MAX/MIN
Press MAX/MIN button once, LCD will display “MAX” symbol, enter the MAX measurement mode and display the maximum value, if press it again, the LCD will display “MIN” symbol, enter the MIN measurement mode and display the minimum value. Repeat in this order. Press this button for at least 2 seconds to exit the MAX/MIN measurement. This is only valid for AC/DC voltage, AC/DC current, resistance, temperature, capacitance measurement on main display. - REUZERO
- Press REL button once to enter MANUAL range mode, LCD will display
symbol and take the existing displayed values as reference, then it displays the difference between the measured value and the referential values. This is only valid for measurement of AC/DC voltage, AC/DC current, resistance, capacitance (excluding UT219E) and frequency. - In DC range measuring, AC+DC current measuring and DC V+A mode, quickly press once to enter reset mode, the LCD will display “ZERO” symbol, pressing it again exits the reset mode. (UT219DS)
- Press REL button once to enter MANUAL range mode, LCD will display
- HOLD button: (suitable to full range)
Press this button once, the displayed values will be locked and held, LCD will display
prompt, if press it again, the locking is released and enters normal measurement mode. This is suitable for full range. - A-OFF
It turns off the auto backlight function, if restart is required, rotate the function switch to OFF position to turn it on again. - V+A/INRUSH (only for UT219DS)
- In DC current DCA mode, pressing “V+A” button turns on the double display mode: Main display: DCA, secondary display: DCV, RANGE button and MAX/MIN button become invalid in this mode, pressing it again exits “V+A” mode.
- In AC current ACA mode, pressing “V+A” button turns on the double display mode: Main display: ACA, secondary display: ACV, RANGE button and MAX/MIN button become invalid in this mode, pressing it again exits “V+A” mode.
- In AC current ACA mode, press down and hold the “INRUSH” button to enter the inrush current measurement double display mode: Main display indicates inrush current value, secondary display indicates stable operating current value, pressing and holding the “INRUSH” button again exits the inrush current measurement mode.
- Hz% (Only for UT219E)
- In AC voltage/AC current measurement mode, press “Hz%” button once to enter frequency measurement mode, press “Hz%” button again to enter Duty Ratio mode.
- In Frequency/Duty Ratio measurement mode, press “Hz%” button once to enter Duty Ratio measurement mode, press “Hz%” button again to enter frequency mode.
- Hz (Only for UT219M)
Press “Hz” once to enter frequency measurement mode, press “Hz” button again to exit frequency measurement mod. The AC current measuring is valid only in AC voltage mode. - SELECT
- Press SELECT button once to select combined function of the position.
- In ACV mode, press down and hold SELECT button (at least 2 seconds) to start the Motor phase sequence measuring function, the main display indicates the rotation direction of the motor, the secondary display indicates the operating frequency; in case of resetting the Motor measurement function, press SELECT button once to start phase sequence measuring; press down and hold SELECT button (at least 2 seconds) to exit Motor function. (UT219DS)
- In ACV mode, press down and hold SELECT button (at least 2 seconds) to start the Motor phase sequence measuring function; press down and hold SELECT button (at least 2 seconds) to exit Motor function. (UT219M)
- Pressing and holding SELECT button while turning the unit on cancels Auto-OFF function.
Operating Instruction for Double Display Function
- AC+DC function (UT219DS)
- Shortly pressing SELECT button in DCV mode can start AC+DC mode:The main display indicates AC +DC values; the secondary display will automatically switchover to indicate ACV value or DCV value with an interval of 2s.
- Shortly pressing SELECT button in DCA mode can start AC+DC mode:The main display indicates AC +DC values; the secondary display will automatically switchover to indicate ACA value or DCA value with an interval of 2s.
- Voltage low pass filter measurement function
In ACV mode, the main display indicates ACV value, the secondary display indicates default frequency; shortly press “SELECT” button to enter Low Pass Filter function, the main display indicates voltage value, the secondary display indicates the frequency. - Rotation direction of motor
- In ACV mode, press down and hold SELECT button at least 2 seconds to start the Motor rotation direction function, the main display indicates the voltage value at that moment, the secondary display indicates the operating frequency; in case of resetting the Motor measurement function, shortly press SELECT button once to restart phase sequence measuring (for UT219M, it is necessary to exit the Motor function and reenter to start the testing); press down and hold SELECT button (at least 2 seconds) to exit Motor function.
- Operating procedure: (Test condition: the frequency is 40 Hz – 80 Hz in case of AC 80V and more, it will keep on waiting if this range is exceeded)
- In ACV mode, pressing down and holding SELECT button for at least 2 seconds automatically jumps to 600.0V range and wait for input signal, it will keep on waiting if there is no input.
- After the first phase sequence is measured and locked, insert the other probes within 5 seconds, if the LCD displays 1—>2—>3, it indicates positive sequence; if the LCD displays 3—>2—>1, it indicates reverse sequence. If any signal is not input without moving the probe, it will time out in 5 seconds.
- Press SELECT button for at least 2 seconds to exit Motor function.
- INRUSH current measurement
In ACA mode, pressing down and holding “INRUSH” button enters inrush current measurement mode, when clamping the jaws into the conductor to be tested in the motor, the display is in waiting mode if there is no signal, after the motor starts, the main display will indicates the inrush current value, the secondary display will indicate the stable operating current after inrush. - Current and voltage simultaneous measuring
- In DC current DCA mode, pressing “V+A” button turns on the double display mode: Main display: DCA; secondary display: DCV, when pressing it again, exit current and voltage simultaneous measuring.
- In AC current (ACA) mode, press “V+A” button to start double display mode: Main display: ACA, secondary display: ACV; pressing ii again exits current and voltage simultaneous measurement mode.
Operating Instruction for Measuring
First, inspect 3 type 1.5V AAA batteries in the unit, if the instrument is turned on with low batteries, the screen will display
symbol (UT219M) or
symbol {UT219DS), it can be used only after the batteries are replaced. Attention should also be paid to the symbol
beside the probe sockets, this is to warn you of not exceeding the indicated number for the voltage to be tested so as to guarantee the safety of testing!
- Direct-current measurement

- Set the switch to “A~”(UT219E,UT219M) or “A~.,, {UT219DS) function position, press down and hold the trigger to open the jaws, clamp jaws on the conductor to be tested, then release the trigger slowly till the jaws are fully closed, please confirm whether the conductor to be tested is centrally clamped between the jaws, Otherwise, additional error will be caused, only an individual current conductor can be measured once for the clamp meter, the measured readings will be erroneous if two or more current conductor are measured simultaneously.
- Read the True Root Mean Square (RMS) and frequency values of AC current directly from the display (UT219DS), for UT219E, it becomes necessary to press “HZ%” button to read the frequency and duty ratio, for UT219M, “HZ” button has to be pressed to read frequency value.
- Press RANGE button to select 60A or 600A range, pressing down and holding “INRUSH” button enters inrush current measurement mode, when clamping the jaws into the conductor to be tested in the motor, the display is in waiting mode if there is no signal, after the motor starts, the main display will indicates the inrush current value, the secondary display will indicate the stable operating current after inrush (UT219DS).
The inrush current value is the first 100 mS current true root mean square from the trigger point, as shown in the picture below,
the trigger value for inrush current at 60A range is 6A, BOA as the maximum. the trigger value for inrush current at 600A range is 60A, 800A as the maximum. - Pressing -V+A” button enters current and voltage simultaneous measurement mode, the main display indicates AC current, and the secondary display indicates AC voltage. Pressing it again to exits Current and voltage simultaneous measurement mode (UT219DS) .
Notes:- The current measurement function should only be operated 1rom 0°C to 40°C, h case cl positive raadhg, the direction of current is from up to down {panel is up while bottom cover is down). Press down and hold the trigger without releasing it suddenly, as the Hall elements is a kind of sensitive devices, besides it is sensitive to magnetic, it also has different sensitivity to thermal and mechanical stresses, collision can results in reading change in short time.
- To guarantee the measured data to be accurate, the conductor to be tested should be located at the center of the jaws, otherwise an additional error of :1:1.0% reading will be caused.
- Direct-current measurement (only for UT219DS)
- Set the switch to
position, press SELECT button to select DC current range, when the LCD display is not zero, press REL to carry out zero clearing. After measuring in large current range, as the residual magnetism on the jaws will not disappear quickly, the LCD displays a background. - Press down and hold the trigger to open the jaws, clamp jaws on the conductor to be tested, then release the trigger slowly till the jaws are fully closed, please confirm whether the conductor to be tested is centrally clamped between the jaws, otherwise an additional error will be caused, only an individual current conductor can be measured once for the clamp meter, the measured readings will be erroneous if two or more current conductor are measured simultaneously.

- Read the value of DC current to be measured directly from the display.
- Press -V+A” button to enter current and voltage simutlaneous measurement mode, the main display indicates DC current, and the secondary display indicates DC voltage. Press it again to exit current and voltage simultaneous measurement mode.
- In DC current mode, press “SELECT’ button to selectAC+DC function, the main display on the screen indicates AC+DC values; the secondary display will automatically switch over to indicate ACA value or DCA value with an interval of 2s.
Notes:- The current measurement function should only be operated from O”C to 40″C, in case of positive reading, the direction of current is from up to down (panel is up while bottom cover is down). Press down and hold the trigger without releasing it suddenly, as the Hall elements is a kind of sensitive devices, besides it is sensitive to magnetic, it also has different sensitivity to thermal and mechanical stresses, collision can results in reading change in short time.
- To guarantee the measured data to be accurate, the conductor to be tested should be located at the center of the jaws, otherwise an additional error of ±1.0% reading will be caused.
- Set the switch to
- Direct-voltage measurement

- Insert the red probe into ‘V’ socket; insert the black probe into “COM” socket.
- Set the functional range switch to (UT219E) or (UT219M) or (UT219DS), select the measuring range of AC voltage, and parallelly connect the probes to the power supply or load 1a be measured.
- Read the True Root Mean Square (RMS) and frequency values of AC voltage from the display (UT219DS), for UT219E, it becomes necessary 1a press “HZ%” button to read the frequency and duty ratio, for UT219M, “HZ” button has to be pressed to read frequency value.
- Press “SELECT’ button to select Low Pass Filter function (UT219DS), this filter will measure and catch the voltage of 1 KHz or more, as shown in the picture below, low pass filter can measure the combined sine wave signal generated by the inverter and variable frequency motor.

- Set the functional range switch to position, select low impedance AC voltage measurement, its resistance is about 300 kn, which can prevent the impact of the virtual voltage.
























