EOSS EWS1 Wireless Weather Station
Introduction
Thank you for purchasing the EOSS EWS1 Wireless Weather Station. Please ensure that you have read the product manual and instructions in full, prior to installation and use. Failure to do so may result in product failure/damage or incorrect operation and therefore impact the product performance.
Product Overview
The EWS1 Wireless Weather Station is an indoor/outdoor device that uses a wireless sensor to monitor parameters such as temperature, barometric pressure and humidity. The weather station displays both the current weather data and weather forecast.
Product Features
- Wireless RF connection to sensor
- Calendar
- Indoor/Outdoor temperature & humidity
- Barometer
- Weather forecast
- Alarm clock
- Temperature trend
- High temperature alert
- Touch keys
- USB to DC jack power lead
- Monitor Size: 191.6 x127 x16 mm
- Sensor Size: 100 x 62 x15mm
- Screen Power: 3 x AAA batteries (not included)
- Sensor Power: 2 x AAA batteries (not included)
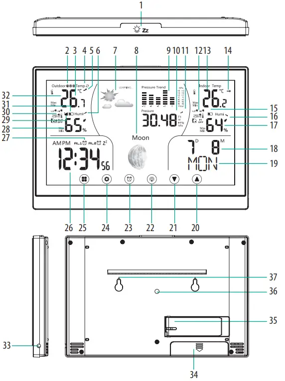
Monitor Information 
Monitor Information cont.
- Snooze/light button
- Sensor no. 1/2/3
- Data from outdoor sensor
- Cycling through data from connected sensors
- Outdoor temperature trend
- Outdoor humidity trend
- Weather forecast
- Moon phase
- Pressure history
- Pressure value
- Pressure trend
- Indoor temperature alert
- Indoor temperature
- Indoor temperature trend
- Station batteries low
- Indoor humidity trend
- Indoor humidity
- Date
- Day of the week
- UP button Step forward in settings, memory of max/min temperature and humidity
- DOWN button Step back in settings
- CHANNEL button Searching for sensor signal/switching through information from connected sensors
- ALARM button Alarm activation/deactivation
- SET button °C/°F unit of temperature setting, function settings
- MODE button Display mode switching
- Time
- Alarm no. 1/no. 2
- Outdoor humidity
- Signal reception from sensor
- Outdoor temperature alert
- Sensor batteries low
- Outdoor temperature
- DC jack power input
- Battery compartment
- Stand
- Alarm speaker
- Holes for hanging on a wall
- Opening for hanging on a wall
- Stand
- Pairing button
- Switching sensor channel no. 1/2/3
- Battery compartment

Getting Started
- Insert batteries into the weather station monitor. (3 x 1.5 V AAA not included)
- Insert batteries into the wireless sensor. (2 x 1.5 V AAA not included)
- When inserting the batteries make sure the polarity is correct to avoid damaging the weather station or sensor. Only use alkaline batteries of the same type; do not use rechargeable batteries.
- Place the two units next to each other. The weather station will automatically detect the sensor signal within 3 minutes. If signal from the sensor is not detected, long-press the button on the weather station to repeat the search. Refer to page.8 for more info.
- We recommend placing the sensor on the north side of the house. The range of the sensor may decrease substantially in areas with a large number of obstacles.
- The sensor is resistant to water mist; however, it should not be exposed to sustained rain.
- Do not place the sensor onto metal objects as this will reduce its transmission range.
- f the low battery icon is displayed, replace batteries in the sensor or weather station.
Manual Setting
All changes in values are made using buttons and . After setting the desired value and not pressing any other buttons, the set values will automatically save and the display will switch to the main screen.
Switching Channel and Connecting Additional Sensors
- Press and hold the channel button until you hear a beep sound. The signal reception symbol will appear and start pulsing, searching to pair with the wireless sensor.
- Unscrew the cover of the battery compartment on the rear of the wireless sensor and set the sensor switch to the desired sensor channel number (1, 2, 3), then insert batteries (2×1.5 V AAA).
- The monitor should automatically display the wireless sensor data after a short while.
- If it does not pair with the wireless sensor then you can press the pairing button on the back of the sensor to automatically pair.
- Once pairing is successful long-press the button to exit searching mode and the button will stop pulsing.
Displaying Data from Multiple Sensors
Press the button repeatedly to display data from all connected wireless sensors on the weather station, one by one. You can also activate cycling through data from all connected wireless sensors:
- Turning on cycling Repeatedly press the button until the display shows the icon. Data from all 3 wireless sensors will be shown automatically and repeatedly one after another.
- Turning off cycling Repeatedly press the button until the icon disappears.
Setting Time, Date and Time Zone
- Short press the button
- Press the button for 3 seconds and use the and buttons to set the following values: Year, Date format, Month, Day, 12/24 H Time format, Hour, Minute, Second.
- Confirm the set value by pressing the button; holding the arrow keys speeds up settings.
Alarm Settings
2 Alarms can be set on the weather station.
- Short-press the button twice
- Press the button for 3 seconds and use the arrows to set the alarm hour and minutes.
- Confirm the set value by pressing ; holding the arrow keys speeds up settings.
Alarm Activation/Deactivation/Snooze
Repeatedly pressing the button activates alarm 1 (AL1); alarm 2 (AL2); or both alarms at the same time (AL1, AL2); or deactivates the alarms. You can postpone (snooze) the alarm by 5 minutes by pressing the button. After pressing, the icons will start flashing. Turn off the alarm by pressing button. After pressing, the icons will stop flashing and will remain on the screen. The alarm will activate again the next day.
Setting Altitude and Atmospheric Pressure
The station shows atmospheric pressure in hPa or in Hg and keeps a history of pressure readings for the last 12 hours. To achieve a more accurate calculation of pressure values, it is advised to manually set the altitude for the place where the weather station is being used.
- Short-press the button three times
- Press the button for 3 seconds and use the arrows to set altitude between -90 m to +1,990 m (10m increments).
- Pressing the button switches between M/hpa and Ft/in Hg units.
- Short-press the button to quit settings.
Setting Temperature Limits for Max/Min Temps
Temperature limits can be set independently for up to 3 outdoor temperature wireless sensors. When minimum or maximum temperature limit is activated, the (min) or (max) icon will appear on the screen and disappear after deactivation.
Temperature limit ranges
| Outdoor | Indoor | |
| Minimum | -50 °C to +10 °C | 0 °C–23 °C |
| Maximum | 28 °C to +70 °C | 26 °C–50 °C |
| Resolution | 0.5 °C | 0.5 °C |
Setting Temperature Limits for Max/Min Temps cont…
While on the main screen, repeatedly press the button to switch to sensor 1, 2 or 3 and proceed for each sensor as follows.
- Short press the button four times.
- Press the button for 3 seconds and set the minimum outdoor temperature.
- Short press the button and activate (ON)/deactivate (OFF) the outdoor minimum temperature alert.
- Short press the button and set the maximum outdoor temperature.
- Short press the button and activate (ON)/deactivate (OFF) the outdoor maximum temperature alert.
- Short press the button and set the minimum indoor temperature.
- Short press the button and activate (ON)/deactivate (OFF) the indoor minimum temperature alert.
- Short press the button and set the maximum indoor temperature.
- Short press the button and activate (ON)/deactivate (OFF) the indoor maximum temperature alert.
When the set temperature limit is exceeded, an audio alarm will sound for 1 minute and the value will begin flashing. Pressing any button on the screen cancels the alert sound, but the symbol of an active alert will continue flashing. Once temperature drops below the set limit, the symbol on the screen will stop flashing.
Temperature, Humidity and Pressure Trends
- Falling
- Constant
- Rising
Moon Phases
- New moon;
- Waxing crescent;
- First quarter;
- Waxing gibbous;
- Full moon;
- Waning gibbous;
- Last quarter;
- Waning crescent
Note: In the period between 18:00 and 06:00, the moon icon will be surrounded by stars.
Displaying Max/Min Readings of Temp and Humidity
Press the button to cycle between the current, minimum and maximum temperature and humidity values measured. The memory of measured values is automatically erased every day at 00:00. Or long press the button to erase the memory automatically.
Station Display Backlight
When powered only by 3× 1.5 V AAA batteries: Display backlighting is off. Pressing the Snooze/Light button will turn the display backlight on for 5 seconds, then it turns off again. When the station is only powered by batteries, permanent backlighting of the display cannot be activated!
Note: The inserted batteries serve as backup for the measured/set data. If batteries are not inserted and you unplug the USB cable, all data will be erased.
When powered via USB to DC jack cable:
Permanent backlighting is set automatically. Repeatedly pressing the Snooze/Light button will allow you to set 4 different levels of permanent backlighting (off, maximum, medium, low).
Weather Forecast
The station forecasts weather on the basis of changes in atmospheric pressure for the next 1224 hours for an area within the range of 1520 km. The accuracy of weather forecast is 7075 %. The forecast icon is displayed in field no. 7. As the weather forecast may not always be 100 % accurate, neither the manufacturer nor the seller can be held responsible for any loss caused by an incorrect forecast. After first setting or after resetting the weather station, a learning mode will be activated, indicated by LEARNING… appearing on the screen The station will evaluate measured data and continuously increase the accuracy of forecast. This mode continues for 14 days, then the LEARNING… icon automatically disappears.
Weather Forecast Icons:
- Sunny;
- Cloudy;
- Overcast;
- Raining/snowing;
- Heavy rain/heavy snow
Safety Information & Warnings
- Read the manual carefully before using this product.
- Do not expose the product to direct sunlight, extreme cold and moisture, and sudden changes in temperature as these may compromise detection accuracy.
- Do not place the product in locations prone to vibration and shocks; these may cause damage.
- Do not expose the product to excessive pressure,impacts, dust, high temperatures or humidity as these may cause malfunction, shorter battery life, damage to batteries and deformation of plastic parts.
- Do not expose the product to rain or moisture, it should be in an under cover area and shouldnt be exposed directly to the elements.
- Do not place any open flame sources on the product, e.g. a lit candle, etc.
- Do not place the product in places with inadequate air flow.
- Do not tamper with the internal electric circuits of the product. Doing so might damage it and automatically void the warranty.
- The product should only be repaired by a qualified professional.
- To clean the product, use a slightly moistened soft cloth. Do not use solvents or cleaning agents; they could scratch the plastic parts and cause corrosion of the electric circuits.
- Do not immerse the product in water or other liquids.
- In the event of damage or defect on the product, do not perform any repairs by yourself. Have it repaired in the shop where you bought it.
- Place the product out of reach of children; it is not a toy.
- Remove flat batteries; they could leak and damage the product.
- Use only new batteries of the recommended type and make sure polarity is correct when replacing them
- Do not throw batteries into a fire and do not disassemble or short-circuit them.
- This device is not intended for use by persons (including children) whose physical, sensory or mental disability or lack of experience and expertise prevents them from safely using the device, unless they are supervised or instructed in the use of the device by a person responsible for their safety.
- Children should be supervised to ensure they do not play with the device.
- After use, the device and batteries become hazardous waste – do not throw them into unsorted municipal waste, but return them to a collection point – e.g. the shop where you purchased the product.
- Do not dispose with domestic waste.
- Use special collection points for sorted waste. Contact local authorities for information about collection points.
Technical Specifications
- Clock controlled by EWS1 radio signal
- Time format: 12/24 H
- Displayed units of temperature: °C/°F
- Barometric pressure measurement range: 800 hPa to 1,100 hPa
- Unit of pressure: hPa/in Hg · Radio signal range: up to 100m in open area
- Number of sensors which can be connected: Max. 3
- Wireless sensor: transmission frequency 433 MHz, 3 mW e.r.p. (Max).
- Station power supply: 3× 1.5 V AAA batteries (not included)
- Adapter AC 230 V/DC 5 V, 300 mA (not included)
- Sensor power supply: 2× 1.5 V AAA batteries (not included)
- Station dimensions and weight: 17 × 192 × 127 mm, 364 g
- Sensor dimensions and weight: 15 × 62 × 100 mm, 54 g
Technical Assistance
If you need assistance setting up or using your EOSS product now or in the future, call EOSS Support. Australia TEL: 03 8587 8898
FAX: 03 8587 8866
Mon-Fri 9am 5pm AEST
This manual is considered correct at time of printing but is subject to change.
Copyright © 2022 by TDJ Australia All rights reserved. No part of this publication may be reproduced, distributed, or transmitted in any form or by any means, including photocopying, recording, copying or other electronic or mechanical methods, without the prior written permission of the author.





















