
PROFESSIONAL MEDICAL PRODUCTS
INTERCHANGEABLE CELL AIR MATTRESS
All serious accidents concerning the medical device supplied by us must be reported to the manufacturer and competent authority of the member state where your registered office is located.
| 28567 | SOLO MATERASSO MATTRESS ONLY | |
| 28568 | SOLO COMPRESSORE PUMP ONLY | |
| 28569 | MATERASSO + COMPRESSORE MATTRESS + PUMP |
| Gima S.p.A. Via Marconi, 1 – 20060 Gessate (MI) Italy [email protected] – [email protected] www.gimaitaly.com Made in China |
![]()

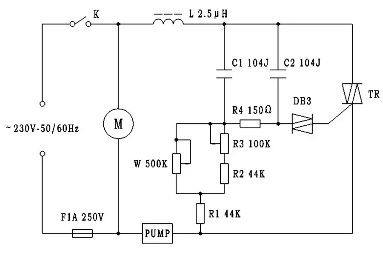
Circuit diagram

Brief
The Alternating Pressure Mattress consists of two parts: the mattress and the pump. The pump utilizes a small compressor to remain quiet and energy-efficient. The control panel is simple and very user-friendly. The mattress relieves pressure by sequentially deflating and inflating alternate air cells at approximately 12 minutes timed intervals. It is widely recognized that constant pressure to a bony prominence is the leading cause of skin breakdown. The continuous movement supplied by the unit lessens the areas of constant pressure and enhances circulation.
Operation
- Place the mattress on the bed frame with the hose end at the foot section of the bed frame.
- Using the integrated hooks, securely hang the pump on the bed end at the foot end or place it on a smooth flat surface.
- Connect the air hoses from the mattress to the pump.
- Plug the pump into a wall outlet. Be sure the power cord is safely away from possible hazards.
- Turn on the power switch on the control panel of the pump. The pump will begin to inflate the attress.
- After inflation, adjust the mattress using the dial on the pump.
Caution
- Do not smoke on or near the pump.
- Keep the pump away from heated surfaces.
- Explosion risk if used in the presence of flammable anesthetics.
- Replace fuse as marked: T1A 250V. Power Input:AC 230V 50/60Hz; 0.1A
Product Specifications
| DIMENSIONS | |
| MATTRESS (Length x Width x Height) | 200cmx86cmx9.5cm |
| PUMP (Length x Width x Height) | 26cmx 13cmx 10cm |
| WEIGHT OF PRODUCT | |
| MATTRESS WEIGHT | 4.5kg |
| PUMP WEIGHT | 1.4 kg |
| WEIGHT CAPACITY | |
| MAXIMUM PATIENT WEIGHT | 135 kg |
| ELECTRICAL | |
| OPERATING POWER | AC230V50/60Hz,0.1AMAX |
| FUSES | T1A 250V |
| ENVIRONMENTAL CONDITIONS | |
| OPERATING CONDITIONS | |
| Ambient Temperature | 10°C to 40°C (50°F to 104°F) |
| Relative Humidity | 10% to 75% |
| STORAGE AND SHIPPING CONDITIONS | |
| Ambient Temperature | -18°C to +43°C (0°F – 110°F) |
| Relative Humidity | 10% to 95% |
CLEANING INSTRUCTION
Mattress
Clean the mattress regularly with neutral detergent or alcohol. Heating or steam sterilization is not available.
Pump
Clean the pump regularly with neutral detergent or alcohol. Do not open the pump housing – the risk of electric shock. Do not get the pump wet or submerge it in any liquid.
| Keep in a cool, dry place | Keep away from sunlight | ||
| WEEE disposal | Manufacturer | ||
| Follow instructions for use | Type BF applied part | ||
| Product code | Lot number | ||
| Caution: read instructions (warnings) carefully | Medical Device compliant with Regulation (EU) 2017/745 | ||
| Class II applied | Medical Device |
Disposal: The product must not be disposed of along with other domestic waste. The users must dispose of this equipment by bringing it to a specific recycling point for electric and electronic equipment.
GIMA WARRANTY TERMS
The Gima 12-month standard B2B warranty applies.Si applica la garanzia B2B standard Gima di 12 mesi.


















