
RPS/RPL 12/24 PWM
RemotePro®
Remote Power System
- Wireless Base Stations and Client Devices
- Surveillance Cameras
- Remote Sensors
- Remote Lighting
- Off-Grid Electronics
Congratulations! on your purchase of the RemotePro™ off-grid remote power system. Please take a moment to review this wiki Install Guide before assembly or battery installation. Other instructions come with other components of this kit. Be sure to review all instructions.
DANGER! Avoid Powerlines!
You Can Be Killed!
When following the instructions in this guide take extreme care to avoid contact with overhead power lines, lights, and power circuits. Contact with power lines, lights or power circuits may be fatal. We recommend installing no closer than 20 feet to any power lines.
Safety: For your own protection, follow these safety rules.
- Perform as many functions as possible on the ground
- Do not attempt to install on a rainy, windy or snowy day or if there is ice or snow accumulation at the install site or if the site is wet.
- Make sure there are no people, pets, etc. below when you are working on a roof or ladder.
Recommended Tools: Phillips Screwdriver, 13mm and 10mm wrench, 5/16” nut driver, Flat Blade Screwdriver
Please help preserve the environment and return used batteries to an authorized depot. Most auto parts stores will pay you for old batteries.
Qwik Install
STEP 1: Assemble the solar panel mount and set the correct tilt angle based on your Latitude. There is a useful tool to calculate the optimum angle at https://calculators.tyconsystems.com. If you will be using a fixed angle all year we recommend using the optimum angle for winter sun. You can also calculate winter tilt using: Your_Latitude*0.9+30. Mount the solar panel mount to the pole using hose clamps provided. Solar panels should face south if you are in the north- ern hemisphere. Be sure to mount high enough so the door of the enclosure clears the solar panel mount when opened. You can also mount the panel to a wall using lag bolts.
STEP 2: Attach the solar panel to the solar panel mount so that the wire junction box is towards the top or side. Connect the solar panel MC -4 connectors in a series configuration for 24V or parallel for 12V.
TIP: We strongly recommend installing the batteries and other equipment in the enclosure after mounting the enclosure to the
pole or wall.
STEP 3: Attach top and bottom brackets to the enclosure.
STEP 4: Mount the enclosure to a pole using U-Bolts and/or 4 hose clamps. The enclosure can also be wall-mounted using appropriate lag bolts (supplied by the customer).
STEP 5: Attach the included DIN Rail to the door using the hardware provided.
STEP 6: Install 4 cable feed-throughs to the bottom of the enclosure.
TIP: There are multiple cable gland feedthrough in the bottom of the enclosure. If you are not using any of the feedthrough you can cut a short piece of wire, put it through the cable gland and tighten the cable gland on the wire to seal it.
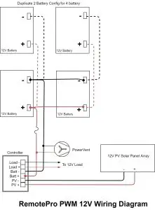
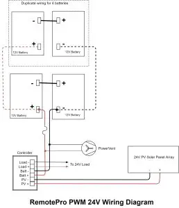
STEP 7: Remove the fuse from the battery cable(s) and connect wires to the batteries, then install the batteries. provided. The extra parts aren’t used. Connect the battery wires and the wires from the PowerVent™ fan to the controller battery input. Be sure to observe proper polarity. (RED=+).
CAUTION: Reverse polarity connections will damage the equipment.
STEP 9: Connect the included solar panel cable to the controller PV inputs (Red to PV+). Don’t connect the solar cable to solar panel connectors until the controller is connected to the batteries.
STEP 10: Connect your load to the PWM controller load output. When the controller is energized with full battery voltage the load will turn on automatically.
STEP 11: Mount the PWM controller to the DIN rail mounted on the enclosure door.
STEP 12: Double-check wiring and then re-install the battery cable fuse to energize the system. The PWM controller will power up and automatically detect the battery configuration. Once the controller is energized, connect the solar panel connectors to
the solar cable coming from the PWM controller.
CAUTION: Reverse polarity connections will cause damage.
STEP 13: Make sure the lid gasket is clean and free from any particles, then carefully close the cover, making sure that wires are clear of the seam and hinge area. Use your own lock to secure the door. 
MC-4 Connectorized Panels Wiring Configurations using MPPT Controllers
Two Panel Configuration for 12V Battery Configuration
Two Panel Configuration for 24V Battery Configuration 
CAUTION: Be sure to connect the battery to the controller first and disconnect it last. Connecting solar panels to the controller without the battery connected could damage the controller. 

TECH CORNER
Additional Information you may find useful
- CONTROLLER: The PWM controller turns off power to the load at 11V and reconnects when the battery reaches 12.5V. In a 24V configuration, it turns off the power at 22V and reconnects at 24.5V. This protects the battery from over-discharge and increases battery life and performance.
- Fuse: There is a fuse in the battery cable (30A). The fuse is in-line with battery power If the fuse is blown there was some sort of short in the battery connection and the controller will appear dead. Replace with a 30A fuse.
- CAPACITY: The RemotePre is rated at 17W to 37W continuous power output with 6 hours of peak sun per day. (Depending on the configuration).
- VENTING: The enclosure is vented thru the PowerVentm. The fan is thermostatically controlled and will turn on when the temperature inside the enclosure exceeds 45°
- BATTERY MAINTENANCE: The batteries used in the RemotePro€3 systems don’t require any They should last up to 5 years in normal use.
NOTE: Never store batteries for a long time In a discharged state or It will kill the battery. Especially In cold temperatures. - Remote Monitoring: You can use a TPDIN-Monitor-WEB series of remote monitors to monitor and control the BATTERY OVERDISCHARGE: We highly recommend hooking all equipment loads to the controller load This output will disconnect the load if the battery voltage drops below 11V (12V battery) or 22V (24V battery) and this will protect the battery from over-discharge. If batteries get completely discharged (<10y) because the equipment was connected directly to the battery, you will reduce the battery life and you will most likely need to recondition them with a good quality 10A automotive battery charger. Avoid charging for longer than 24hrs to avoid battery damage. Once they are back to a normal operating range, the integrated charge controller will maintain the charge.
- TROUBLESHOOTING:
A. There Is the no-load output from the controller —If battery voltage is too low the charge controller will turn off the load On a 12V battery system the load will turn off if the battery is <11V. On a 24V battery system the load will turn off at <22V. See controller user guide for more detail.
B. Why Is my solar panel voltage so high?- Open circuit voltage on a 12V panel is around 23V, and about 47V on a 24V
C. My system turns off at night and comes back on in the morning?. This is a sure sign that the solar panels and/or battery ca-
opacity can’t support the You should measure your actual load and recalculate to make sure you have adequate capacity.
D. Can I charge my batteries from AC power? Tycon offers AC/DC battery chargers that can be used in parallel with the solar controller to charge batteries from AC.
SPECIFICATIONS
| 12V | 24V | |
| Battery Capacity (12V) | 100Ah or | |
| Reserve Power @ Rated Load | >24 hours | |
| Load Output TP-SC24-20 Ctrl | 12V 20A— Unregulated | 24V 20A — Unregulated |
| Load Output TP-SCPOE Ctrl | 12V 1.5A + 30W PoE | 24V 1.5A + 30W PoE |
| Battery Voltage (DC) | 12V | 24V |
| Battery Type | Valve Regulated Sealed Lead Acid AGM | |
| Battery Life | 5 Years | |
| Controller Type | PWM | |
| Over-Voltage Protection | 16V | 32V |
| Bulk Charge | 14.4V | 28.8V |
| Float Charge | 13.8V | 27.6V |
| Over-discharge protection | 11.1V | 22.2V |
| Over-discharge recovery voltage | 12.6V | 25.2V |
| Controller Self Consumption | <0.5W | |
| Enclosure Type | Powder Coat Aluminum | |
| Wind Survivability | 90MPH | |
| Operating Temperature | -30°C to +60°C | |
Limited Warranty
The RemotePro®products are supplied with a limited 36-month warranty which covers material and workmanship defects. This warranty does not cover the following: ▫ Parts requiring replacement due to improper installation, misuse, poor site conditions, faulty power, etc.
- Lightning or weather damage.
- Physical damage to the external & internal parts.
- Products that have been opened, altered, or defaced.
- Water damage for units that were not mounted according to the user manual.
- Usage is other than in accordance with instructions and the normal intended use.
Tycon Systems
14641 S 800 W
Bluffdale, UT 84065
[email protected]
PH: 801-432-0003

















