Installation Instructions for KIT16582, KIT16583, KIT16584, and
18-CH66D1-5A-EN
KIT16582 Draft Inducer Kit
WARNING: HAZARDOUS VOLTAGE – DISCONNECT POWER BEFORE SERVICING ALL phases of this installation must comply with NATIONAL, STATE AND LOCAL CODES
IMPORTANT — This Document is customer property and is to remain with this unit. Please return to service information pack upon completion of work.
Applications
Kits are used to upgrade from the ECM inducer (BLW00732) to the 3-phase inducer (BLW00879) and IFC with integral variable speed motor control (CNT07720 or CNT07991). These kits take the place of the BLW00732 replacement part, which is no longer available.
KIT16582 is used to upgrade model families *UY-R-V0, V1, V2, V3, W0, W1, W2, and W3.
KIT16583 is used to upgrade model families *DY-R-V0, V1, V2, V3, W0, W1, W2, and W3.
KIT16584 is used to upgrade model families *UX-R-V0, V1, V2, V3, W0, W1, W2, and W3.
KIT16585 is used to upgrade model families *DX-R-V0, V1, V2, V3, W0, W1, W2, and W3.
* May be “A” or “T”
Safety Section
Safety signal words are used to designate a degree or level of seriousness associated with a particular hazard. The signal words for safety markings are WARNING, and CAUTION.
a. WARNING indicates a potentially hazardous situation which, if not avoided, could result in death or serious personal injury.
b. CAUTION indicates a potentially hazardous situation which, if not avoided, may result in minor or moderate injury. It is also used to alert against unsafe practices and hazards involving only property damage.
WARNING
SAFETY HAZARD
THIS INFORMATION IS INTENDED FOR USE BY INDIVIDUALS POSSESSING ADEQUATE BACKGROUNDS OF ELECTRICAL AND MECHANICAL EXPERIENCE. ANY ATTEMPT TO REPAIR A CENTRAL AIR CONDITIONING PRODUCT MAY RESULT IN PERSONAL INJURY AND OR PROPERTY
DAMAGE. THE MANUFACTURER OR SELLER CANNOT BE RESPONSIBLE FOR THE INTERPRETATION OF THIS INFORMATION, NOR CAN IT SSUME ANY LIABILITY IN CONNECTION WITH ITS USE.
WARNING
FIRE OR EXPLOSION HAZARD FAILURE TO FOLLOW THE SAFETY WARNINGS EXACTLY COULD RESULT IN SERIOUS INJURY, DEATH OR PROPERTY DAMAGE. IMPROPER SERVICING COULD RESULT IN DANGEROUS OPERATION, SERIOUS INJURY, DEATH, OR PROPERTY DAMAGE.
WARNING
This product can expose you to chemicals including lead, which are known to the State of California to case cancer and birth defects or other reproductive harm. For more information go to www.P65Warn-ings.ca.gov
WARNING
THE CABINET MUST HAVE AN UNINTERRUPTED OR UNBROKEN GROUND ACCORDING TO NATIONAL ELECTRICAL CODE, ANSI/ NFPA 70 – “LATEST EDITION” AND CANADIAN ELECTRICAL CODE C22.1 OR LOCAL CODES TO MINIMIZE PERSONAL INJURY IF AN ELECTRICAL FAULT SHOULD OCCUR. FAILURE TO FOLLOW THIS WARNING COULD RESULT IN SERIOUS PERSONAL INJURY, PROPERTY DAMAGE, OR DEATH.
WARNING
ELECTRIC SHOCK HAZARD
DISCONNECT POWER TO THE UNIT BEFORE REMOVING THE BLOWER DOOR. ALLOW A MINIMUM OF 10 SECONDS FOR IFC POWER SUPPLY TO DISCHARGE TO 0 VOLTS. FAILURE TO FOLLOW THIS WARNING COULD RESULT IN PROPERTY DAMAGE, PERSONAL INJURY OR DEATH.
WARNING
SAFETY HAZARD
BODILY INJURY CAN RESULT FROM HIGH VOLTAGE ELECTRICAL COMPONENTS, FAST MOVING FANS, AND COMBUSTIBLE GAS. FOR PROTECTION FROM THESE INHERENT HAZARDS DURING INSTALLATION AND SERVICING, THE ELECTRICAL SUPPLY MUST BE DISCONNECTED AND THE MAIN GAS VALVE MUST BE TURNED OFF. IF OPERATING CHECKS MUST BE PERFORMED WITH THE UNIT OPERATING, IT IS THE TECHNICIANS RESPONSIBILITY TO RECOGNIZE THESE HAZARDS AND PROCEED SAFELY.
CAUTION Sharp Edge Hazard. Be careful of sharp edges on equipment or any cuts made on sheet metal while installing or servicing. Personal injury may result.
CAUTION
The IFC is polarity sensitive. The hot leg of the 115 VAC power must be connected to the BLACK field lead.
Upflow models: (*UY/*UX)
Components for KIT16582 (*UY)
Drawing
| No. | Qty | Drawing Number | Description |
| 1 | 1 | D342097P01 | Inducer |
| 2 | 1 | D343687P03 | Integrated Furnace Control |
| 3 | 1 | D343255P01 | IFC MOB Bracket |
| 4 | 1 | B342017P01 | Inducer – Limit |
| 5 | 1 | D342127P10 | Wire Harness |
| 6 | 1 | D156805P01 | Igniter SiNi |
| 7 | 1 | A341948P02 | Bracket, SiNi Igniter |
| 8 | 3 | N156P1506B | Screw, 8-18 AB HWH 3/8 |
| 9 | 1 | B342140P02 | Junction Box Wires |
| 10 | 1 | B341899P01 | Transformer Wire – Black |
| 11 | 1 | B341899P02 | Transformer Wire – Neutral |
| 12 | 1 | B341899P06 | Door switch to IFC Wire |
| 13 | 1 | B341899P05 | Furnace Junction Box Ground Wire |
| 14 | 1 | A341575P01 | Inducer Limit Insulation |
| 15 | 3 | N154P1616B | Inducer to mounting bracket screws |
| 16 | 2 | N193P1306B | Inducer limit to inducer screws |
| 17 | 4 | D343256P01 | Plastic Stand Off |
| 18 | 6 | C107736P07 | Wire Tie |
| 19 | 1 | D344303P04 | Wiring Diagram |
| 20 | 1 | 18-CH66D1-5A-EN Installation Instr | 18-CH66D1-5A-EN Installation Instructions |
| 21 | 1 | D343215P05 | Conversion Label |
| 22 | 1 | A340597P01 | Flue stack clamp |
| 23 | 4 | A138030P01 | Wire Tie |
Components for KIT16584 (*UX)
| No. | Qty | Drawing Number | Description |
| 1 | 1 | D342097P01 | Inducer |
| 2 | 1 | D343686P03 | Integrated Furnace Control |
| 3 | 1 | D343255P01 | IFC MOB Bracket |
| 4 | 1 | B342017P01 | Inducer – Limit |
| 5 | 1 | D342127P10 | Wire Harness |
| 6 | 1 | D156805P01 | Igniter SiNi |
| 7 | 1 | A341948P02 | Bracket, SiNi Igniter |
| 8 | 3 | N156P1506B | Screw, 8-18 AB HWH 3/8 |
| 9 | 1 | D342140P02 | Junction Box Wires |
| 10 | 1 | B341899P01 | Transformer Wire – Black |
| 11 | 1 | B341899P02 | Transformer Wire – Neutral |
| 12 | 1 | B341899P06 | Door switch to IFC Wire |
| 13 | 1 | B341899P05 | Furnace Junction Box Ground Wire |
| 14 | 1 | A341575P01 | Inducer Limit Insulation |
| 15 | 3 | N154P1616B | Inducer to mounting bracket screws |
| 16 | 2 | N193P1306B | Inducer limit to inducer screws |
| 17 | 4 | D343256P01 | Plastic Stand Off |
| 18 | 6 | C107736P07 | Wire Tie |
| 19 | 1 | D344563P03 | Wiring Diagram |
| 20 | 1 | 18-CH66D1-5A-EN | Installation Instructions |
| 21 | 1 | D343215P07 | Conversion Label |
| 22 | 1 | A340597P01 | Flue stack clamp |
| 23 | 4 | A138030P01 | Wire Tie |
Upflow models: (*UY/*UX)
WARNING
ELECTRIC SHOCK HAZARD
DISCONNECT POWER TO THE UNIT BEFORE REMOVING THE BLOWER DOOR. ALLOW A MINIMUM OF 10 SECONDS FOR IFC POWER SUPPLY TO DISCHARGE TO 0 VOLTS. FAILURE TO FOLLOW THIS WARNING COULD RESULT IN PROPERTY DAMAGE, PERSONAL INJURY OR DEATH.
Removing the existing inducer
- Remove power from the furnace before beginning work.
- Remove the front furnace panels.
- Remove the blower door latching plate if present. See Figure 4.

- Cut and remove all wire ties.
- Disconnect the 12-pin wire harness connector at the inducer motor and the 2-pin wire connector to the inducer limit switch.
- Remove the condensate outlet from the existing inducer.
- Remove the inducer from the furnace by loosening the clamp on the connection to the flue pipe and removing the three screws holding the inducer to the inducer ounting bracket.
- Remove the clamp from the inducer and save. Discard the inducer.
- Remove any remaining RTV from the inducer transition.
Install the new inducer
- Attach the new inducer limit switch to the inducer capturing the gasket. Use the Phillips head screws provided. See Figure 16.
- Run a bead of high temperature RTV around the channel on the back of the inducer housing, where the inducer will seal to the secondary heat exchanger outlet. See Figure 5.

- Install the clamp removed from the outlet of the old inducer on the outlet of the new inducer.
- Install the inducer being careful to not disturb the RTV. The outlet of the inducer fits over the flue pipe.
- Assure that the channel in the back of the inducer fits securely on the plastic transition from the secondary heat exchanger.
- Connect the inducer to the inducer mounting bracket with three screws provided.
- Tighten up the clamp on the outlet of the inducer.
- Attach condensate drain hose to the inducer.
Remove the existing IFC and Wiring
- Disconnect all wires and connectors from the IFC.
- Disconnect wiring to door switch.
- Disconnect the thermostat connections to the low voltage terminal board on the IFC. It may be helpful to label these wires to allow easy re-assembly to the new IFC.
- Disconnect the low voltage and high voltage wires to the transformer.
- Remove the IFC and IFC mounting bracket from the IFC platform by removing the 2 screws at the top of the IFC platform. See Figure 20. Discard the IFC and IFC
mounting bracket. - Remove burner cover, cut the wire ties on manifold pipe, disconnect wiring to ignitor, and flame sensor. Remove the grounding wire on burner support. Save the screw.
- Remove the igniter and the igniter bracket.
- Remove wiring to flame rollout switch, primary limit, both pressure switches. Remove grounding screw from pressure switch mounting plate. Save the screw. Disconnect
wire harness connector on gas valve. - Remove junction box cover and disconnect line and neutral wiring. Remove wire strain relief. Remove the wiring from the grommet in the combustion chamber. Remove wiring grommet in blower deck. Remove wiring through blower deck. See Figure 7.
- Save the grommet and strain relief.
Install the new IFC and Wiring
- Attach the new IFC to the IFC mounting plate and the mounting plate to the IFC platform using the supplied plastic standoffs.
- Locate new line voltage wiring bundle B342140P02. Route all four wires (two black and two white) through blower deck opening into line voltage junction box. Connect line, neutral, and ground wires to incoming power in junction box. Connect black wire with 90 degree connector on door switch. Connect white wire labeled 1 to LINE-N on new IFC. Connect black wire labeled HUM3 to HUM terminal on new IFC. Connect black wire labeled EAC2 to EAC terminal on new IFC.
- Locate and connect single black wire labeled 1 to open terminal on door switch and LINE terminal on new IFC.
- Connect black wire labeled 4 from line voltage side of transformer to terminal XFMR-H on new IFC and to transformer 115V.
- Connect white wire labeled 4 from line voltage side of transformer to terminal XFMR-N on new IFC and to transformer 1/4” C terminal.
- (On *UY models) If line choke is present, connect the black lead with 1/4” flag on the choke to CIR-H terminal of the new IFC. Connect the white wire from the 5-pin connector of the variable speed indoor blower to the CIR-N terminal of the new IFC. If choke is not present, on the 5-pin connector of variable speed indoor blower
motor, connect the black lead to CIR-H and the white lead to CIR-N. Route the green ground lead from the 5-pin connector through the blower deck to the pressure switch grounding screw. Connect the 16-pin harness to the new IFC. (On *UX models) Connect the 4 speed tap wires from the indoor blower motor to the COOL, HI HEAT, LO HEAT, and PARK terminals on the new IFC. Connect the white wire from the blower motor to the CIR-N terminal of the new IFC. - Locate low voltage wiring bundle. Route bundle with twelve pin connector through blower deck into blower compartment. Connect twelve pin connector to new IFC, connect red and blue wires from bundle to low voltage transformer 3/16” terminals 24 and C. Connect four pin connector from inducer motor to new IFC, connect two pin connector from ignitor to new IFC, connect white wire from flame sensor to FP terminal on new IFC. Connect 12-pin connector to the new IFC.
- Note: PS2 has the highest negative ressure label. Connect 4 pin wire connector plug to inducer motor, connect yellow wire labeled 6 with 90 degree double connector to PS2 terminal, from the double terminal connect other yellow wire labeled 7 to PS1, connect brown wire to PS2, connect orange wire to PS1, connect yellow wires labeled 1 and 4 to inducer housing imit switch, connect green wire to other green wire on pressure switch grounding plate. See Figure 9.

- Connect three pin wire connector plug to gas valve, connect two 0 degree yellow wires labeled 4 and 2 to rollout switch,
- Connect two yellow wires, one labeled 2 and yellow wire with no label to the primary limit terminal. See figure 0.
- Install the new igniter to the igniter bracket using the screw provided in the kit.
- Install the igniter assembly to the burner bracket using the screws rovided in the kit.
- Route four wire bundle with two wire connector plug, ignitor flame sensor wire, and ground from the wiring harness behind the junction box and hrough the burner compartment grommet. Connect two pin wire connector plug to the ignitor. Connect white wire to flame sensor. Connect ground wire to the grounding screw on the burner support. See Figure 11.
- Secure wires to the manifold pipe using wire ties provided.
- Reinstall burner box cover with screws emoved earlier.
- Reinstall junction box cover with screws removed earlier.
- Snap wire bundle retainer clip on wire harness into the hole located on the junction box over.
- Insert wiring harness grommet into blower deck.
- Reattach blower door latching plate if present.
- Reconnect thermostat wiring to low voltage terminals n IFC.
- Using the included wiring diagram, verify that wiring is correct.
- Go to the IFC Setup section to finish the setup procedure.
Downflow models: (*DY/*DX)
Components for KIT16583 (*DY)
| No. | Qty | Drawing Number | Description |
| 1 | 1 | D342097P01 | Inducer |
| 2 | 1 | D343686P03 | Integrated Furnace Control |
| 3 | 1 | D343255P01 | IFC MOB Bracket |
| 4 | 1 | B342017P01 | Inducer – Limit |
| 5 | 1 | D342127P10 | Wire Harness |
| 6 | 1 | D156805P01 | Igniter SiNi |
| 7 | 1 | A341948P02 | Bracket, SiNi Igniter |
| 8 | 3 | N156P1506B | Screw, 8-18 AB HWH 3/8 |
| 9 | 1 | D342140P02 | Junction Box Wires |
| 10 | 1 | B341899P01 | Transformer Wire – Black |
| 11 | 1 | B341899P02 | Transformer Wire – Neutral |
| 12 | 1 | B341899P06 | Door switch to IFC Wire |
| 13 | 1 | B341899P05 | Furnace Junction Box Ground Wire |
| 14 | 1 | A341575P01 | Inducer Limit Insulation |
| 15 | 3 | N154P1616B | Inducer to mounting bracket screws |
| 16 | 2 | N193P1306B | Inducer limit to inducer screws |
| 17 | 4 | D343256P01 | Plastic Stand Off |
| 18 | 6 | C107736P07 | Wire Tie |
| 19 | 1 | D344563P03 | Wiring Diagram |
| 20 | 1 | 18-CH66D1-5A-EN | Installation Instructions |
| 21 | 1 | D343215P07 | Conversion Label |
| 22 | 1 | A340597P01 | Flue stack clamp |
| 23 | 4 | A138030P01 | Wire Tie |

Components for KIT16585 (*DX)
| No. | Qty | Drawing Number | Description |
| 1 | 1 | D342097P01 | Inducer |
| 2 | 1 | D343686P03 | Integrated Furnace Control |
| 3 | 1 | D343255P01 | IFC MOB Bracket |
| 4 | 1 | B342017P01 | Inducer – Limit |
| 5 | 1 | D342127P10 | Wire Harness |
| 6 | 1 | D156805P01 | Igniter SiNi |
| 7 | 1 | A341948P02 | Bracket, SiNi Igniter |
| 8 | 3 | N156P1506B | Screw, 8-18 AB HWH 3/8 |
| 9 | 1 | D342140P02 | Junction Box Wires |
| 10 | 1 | B341899P01 | Transformer Wire – Black |
| 11 | 1 | B341899P02 | Transformer Wire – Neutral |
| 12 | 1 | B341899P06 | Door switch to IFC Wire |
| 13 | 1 | B341899P05 | Furnace Junction Box Ground Wire |
| 14 | 1 | A341575P01 | Inducer Limit Insulation |
| 15 | 3 | N154P1616B | Inducer to mounting bracket screws |
| 16 | 2 | N193P1306B | Inducer limit to inducer screws |
| 17 | 4 | D343256P01 | Plastic Stand Off |
| 18 | 6 | C107736P07 | Wire Tie |
| 19 | 1 | D344563P03 | Wiring Diagram |
| 20 | 1 | 18-CH66D1-5A-EN | Installation Instructions |
| 21 | 1 | D343215P07 | Conversion Label |
| 22 | 1 | A340597P01 | Flue stack clamp |
| 23 | 4 | A138030P01 | Wire Tie |

Downflow models: (*DY/*DX)
WARNING
ELECTRIC SHOCK HAZARD
DISCONNECT POWER TO THE UNIT BEFORE REMOVING THE BLOWER DOOR. ALLOW A MINIMUM OF 10 SECONDS FOR IFC POWER SUPPLY TO DISCHARGE TO 0 VOLTS. FAILURE TO FOLLOW THIS ARNING COULD RESULT IN PROPERTY DAMAGE, PERSONAL INJURY OR DEATH.
Removing the existing inducer
- Remove power from the furnace before beginning work.
- Remove the front furnace panels.
- Cut and remove all wire ties.
- Disconnect 12 pin harness from the inducer motor and 2 pin connector to inducer housing limit switch.
- Loosen hose clamp between inducer housing and transition pipe.
- Remove inducer condensate hose from inducer housing.
- Remove 3 inducer housing mounting screws.
- Remove the inducer assembly by rotating inducer clockwise and pulling out. Save the hose clamp and mounting screws.
- Remove any remaining RTV from the inducer transition.
Install the new inducer
- Attach the new inducer limit to the new inducer housing with the two Phillips head screws with the gasket between inducer housing and limit switch. See Figure 16.

- Run a bead of high temperature RTV silicone in the channel of the inlet air side of the inducer housing. (The channel is approximately 2.5” in diameter) See Figure 17.
- Install hose clamp on outlet of new inducer.
- Install new inducer on the receptacle and install the three mounting screws.
- Tighten hose clamp and re-attach inducer condensate hose to the new inducer housing. See Figure 14.

Removing the IFC, Igniter, and Wiring
- Remove burner box cover. See Figure 18.

- Cut the wire ties on the manifold pipe.
- Disconnect ignitor wires, flame sensor wire and ground terminal on the burner support. Remove these wires from the burner box grommet.
- Remove the igniter and the igniter bracket.
- Disconnect the gas valve wires.
- Disconnect #1 labeled yellow wire from primary limit switch and #3 yellow wire from the roll-out switch.
- Remove furnace junction box cover and remove the HUM and EAC wires from the junction box.
- Remove the blower deck wire grommet and pull the disconnected wires through the blower deck. See Figure 19.
- Remove all high and low voltage wires from the existing IFC.
- Remove wires from the transformer.
- Remove all wires from both pressure switches.
- Remove the IFC and IFC mounting plate by removing two screws located at the top of the mounting plate. See Figure 20. Discard the IFC and mounting plate. Retain the screws.
- Remove the screws from the top panel that hold the IFC platform. Remove the platform and retain for later use.
- Remove inlet air pipe & exhaust vent pipe from furnace.
- Remove inner blower door. See Figure 21.

- Remove yellow #5 and yellow #3 wires from reverse flow switch. See Figure 22.
- (For *DY models only) Remove the 16 pin and 5 pin wire harnesses from the variable speed blower motor and discard.
NOTE: The *DX models use existing indoor motor leads for speeds and neutral. - (For *DY models with line choke) Locate the line choke in the control compartment (Figure 21). Cut the black lead at the bell cap of the line choke which is rotated to the Variable Speed indoor blower motor.
Installing the new IFC, Igniter, and Wiring
- Locate wiring harness B341900P06 (2 yellow wires with ¼” terminals on one end & 2 pin female connector on the other). Connect the ¼” terminals to the reverse flow switch. Thread the 2 pin connector back into the IFC compartment.
- (*DY models) Install (B341734P02) 16 pin connector and 5 pin wire harness (B341728P05) to the variable speed indoor blower motor and thread through the grommet in the inner blower door. (*DX models) Thread the four speed taps and white neutral leads of the inner blower motor through the grommet in the inner blower door.
- Replace inner blower door.
- Replace inlet & vent pipes.
- Install the IFC with adapter plate and four plastic standoffs to the control platform. Reinstall the IFC platform.
- Attach 17” black wire with ¼” connectors on both ends to the primary side of transformer and to the XFMR-H terminal of the IFC.
- Attach 17” white wire with ¼” connectors on both ends to the primary side of transformer and to the XFMR-N terminal of the IFC.

- Using wiring harness labeled “D342127P11 DY-DX-R Long”. Thread the end with this label from the combustion area through the blower deck into the control compartment.
- Attach the 12–pin low voltage connector, 4-pin (red, black & white wire) inducer motor connector and 2-pin (black & white wire) ignitor connector to the IFC.
- Attach the single white wire with ¼” connector taped to with the 2-pin ignitor & 4-pin inducer connector to the FP (flame probe) terminal on the IFC.
- (*DY models with line chokes) On the black lead from the 5-pin high voltage lead to the indoor blower motor, cut the single motor connection off. Wire nut this lead to the black lead of the line choke.

- Connect the 3/16” connectors of the red & blue leads from the 12-pin low voltage connector to the 24 volt side of the transformer.
- From the inner blower door connect black 115v wire labeled one to the LINE terminal on the IFC.
- Connect the white lead from the furnace junction box 115 Volt power neutral to the LINE-IN terminal on the IFC.
- (*DY models) Connect the black 115v. lead marked “8” from the 5-pin connector of the ECM indoor blower motor or line choke to the CIR-H terminal of the IFC. Connect the neutral lead from the 5 pin connector of the indoor blower motor to the CIR-N terminal of the IFC. Connect the 16 pin ECM indoor motor leads to the IFC.
- (*DX models) Connect the neutral lead from the PSC motor to the CIR-N terminal of the IFC. Connect the black lead to Cool, Blue to Heat, Yellow and Red to the park terminals of the IFC.

- Connect the male & female 2-pin connectors with yellow wires together. (reverse flow switch leads)
- Connect yellow #6 wire with 90 degree ¼” terminal to one side of pressure switch # 1 (low fire) switch terminals.
- Connect yellow # 7 wire from pressure switch # 1 to one side of pressure switch # 2 (high fire) switch terminals.
- Connect orange wire with 90 degree ¼” terminal to the other switch terminal of pressure switch # 1 (low fire)
- Connect brown wire with 90 degree ¼” terminal to the other switch terminal of pressure switch # 2 (high fire).

- In the burner compartment, connect the 4-pin inducer connectors together.
- Attach the green grounding lead of the 4-pin inducer connector to the grounding terminal.
- Connect yellow #1 & #4 with the straight ¼” connector to the inducer limit switch terminal. See Figure 37.

- Connect yellow #4 & #5 connected to the 90 degree connector to the limit on the burner box (roll-out switch). See Figure 38.

- Connect yellow # 8 with ¼” connector to the terminal of the high – limit switch.
- Connect the 3-pin (brown, red & blue wires) gas valve connector to the gas valve terminals. See Figure 39.
- Route the remaining four wires (single white flame sensor wire, 2-pin black & white ignitor wires and green grounding wire) through the burner box wire grommet. See figure 40.
- Install the new igniter to the igniter bracket using the screw provided in the kit.
- Install the igniter assembly to the burner bracket using the screws provided in the kit.
- Connect the flame sensor ¼”wire connector to the flame sensor. Connect the ignitor connectors together. Fasten the grounding eye-ring under the ¼” head screw.
- Wire tie the wires to the manifold pipe.
- Install the burner box cover.
- Route the 115v. black and neutral white wire with strain relief into the junction box and reconnect to power leads.
- Install junction box cover and snap strain relief wire tie to the cover.
- Install wire grommet into the blower deck.
- (*DY models) Go to the IFC Setup section to set up the dip switches and finish the setup procedure.
- Restore power and check out the furnace operation.
IFC Setup
Heating: The Integrated Furnace Control (IFC) controls the Variable Speed Indoor Blower. The blower “on” time is fixed at 45 seconds after ignition. The FAN-OFF period is field selectable by dip switches #1 and #2 located on the Integrated Furnace Control between the 5-pin and 9-pin wire connectors. The delay may be set at 60, 100, 140, or
180 seconds. The factory setting is 100 seconds (See unit wiring diagram).
W1-W2 stage delay (jumpered together) is field selectable by dip switch SW-1, #1 and #2 at .5, 5, 10 or 15 minutes. The factory setting is 10 minutes. (See wiring diagram).
Cooling: The fan delay-off period is set by dip switches on the Integrated Furnace Control. The options for cooling delay off is field selectable by dip switches #5 and
#6. The following table and graph explain the delay-off settings: This unit is equipped with a blower door switch which cuts power to the blower and Gas Valve causing shutdown when the door is removed. Reapply power and check for proper furnace operation.
| SWITCH SETTINGS | SELECTION | NOMINALAIRFLOW | |
| 5 – OFF | 6 – OFF | NONE | SAME |
| 5 – ON | 6 – OFF | 1.5 MINUTES | 100%’ |
| 5 – OFF | 6 – ON | 3 MINUTES | 50% |
| 5 – ON | 6 – ON | Enhanced Mode” | 50 – 100% |
* – This setting is equivalent to BAY24X045 relay benefit.
** – This selection provides ENHANCED MODE, which is a ramping up and ramping down of the blower speed to provide improved comfort, quietness, and potential energy savings. See Wir- ing Diagram notes on the unit or in the Service
Facts for complete wiring setup for ENHANCED MODE. The graph which follows, shows the ramping process.
See Wiring Diagram on the unit or in the Service Facts for complete wiring setup for Enhanced Mode.
Airflow Dipswitch Settings
| INDOOR MOTOR AIRFLOW SELECTION CHART | ||||||
| OUTDOOR UNIT (SIZE IN TONS) | COOLING AIRFLOW SETTINGS | |||||
| SWITCH SETTING | •UY/DY060 | •UY/DY080 | •.1Y/DY100 | •UY/DYI20 | 3-ON 4-OFF (HIGH) | 450 CFM/TON |
| I-OFF 2-OFF•• | 3 | 3.5 SEE NOTE 7 | 4 | 5 | 3-OFF 4-OFF•• (NORMAL) | 400 CFM/TON |
| I-ON 2-OFF | 3. | 3 | 4. | 4 | 3-OFF 4-ON (LOW) | 350 CFM/TON |
| I-OFF 2-ON | 2 | 3. | 3 | 4. | NOTES: I. GREEN LIGHT FLASHES ONCE PER 100 CFM AS PER DIP SWITCH SETTINGS. 2.FOR COOLING SYSTEM, Y MUST BE CONNECTED TO THE LOW VOLTAGE TERMINAL BOARD (LVTB1. -HEAT PUMP SYSTEMS, Y AND 0 MUST BE CONNECTED TO THE LVTB. -2 SPEED SYSTEMS, USE YLO FOR LOW AND Y FOR HIGH SPEED CONNECTIONS TO LVTB. 3.IF A HUMIDSTAT IS USED: -111Y/DY: CUT JUMPER ABOVE BK b R AND CONNECT BETWEEN BK R TERMINALS. -COOLING-ONLY/NON-HEAT PUMP SYSTEMS. JUMPER Y TO 0 FOR HUMIDSTAT OPERATIONS. 1. SEE SERVICE FACTS FOR COMFORT-R TIME DELAY SETTINGS. S. POWER MUST BE OFF WHEN DIP SWITCHES ARE SET OR RESET. 6.RED INDICATOR LIGHTS 1Y, BK, AND 61 WILL COME ON WHEN ENERGIZED THRU THE CONTROL SYSTEM. 7.•UY080 ONLY •PREFIX MAYBE “T” OR “A’ / se FACTORY SETTING DWG. NO. B341811PO4 | |
| I-ON 2-ON | 2. | 2 | 3. | |||
| HEATING AIRFLOW SETTING – CFM (1st STAGE / 2nd STAGE) | ||||||
| 7-OFF 8-OFF (HIGH) | 860/1290 | 1150/1400 | 1350/1900 | 1550/2150 | ||
| 7-ON 8-OFF (NORMAL) | 750/1125 | 1000/1400 | 1150/1600 | 1350/1950 | ||
| 7-OFF 8-014••(MED-LOW) | 675/1012 | 900/1250 | 1000/1450 | 1200/1850 | ||
| 1-ON 8-ON (LOW) | 600/900 | 800/1100 | 900/1300 | 1050/1650 | ||
| COOLING OFF DELAY OPTIONS | ||||||
| SELECTION | NORMAL SELECTION | |||||
| 5-OFF 6-OFF | NONE | SAME | ||||
| 5-ON 6-OFF•• | 90 SEC | 100% (BAY241(045 EQUIVALENT) | ||||
| 5-OFF 6-ON | 180 SEC | 50% | ||||
| 5-ON 6-ON | COMFORT-R | 50%-100% | ||||
Fault Codes
| INTEGRATED FURNACE CONTROL RED LED “ERROR” FLASH CODES | |
| 2 Flashes — | System Lockout (Retries or Recycles exceeded) |
| 3 Flashes — | Draft Pressure Error – Possible problems: a)Venting problem b)Pressure switch problem c)Inducer problem |
| 4 Flashes — | Open Temperature Limit Switch |
| 5 Flashes — | Flame sensed when no flame should be present |
| 6 Flashes — | 115 volt AC power reversed, ignitor (Triac) fault, poor grounding or system voltage too low |
| 7 Flashes — | Gas valve circuit error |
| 8 Flashes — | Low flame sense |
| 9 Flashes — | Open Inducer Limit switch |
| 10 Flashes — | Inducer communication error |
| Solid — | Internal GV error or Low TH voltage |
| Solid Red w/Solid Green “STATUS” LED | Continuous Reset caused by a blown fuse or internal error. |
Fault Code Recovery
On power up, last 4 faults, if any, will be flashed on the red LED. The newest fault detected will flash first and the oldest last. There will be a 2 second delay between fault ode flashes. Solid red LED error codes will not be displayed. The Green LED will be on solid during last fault recovery. At any other time the control is powered, the Green LED indicator light will operate as shown in Table 14 and the red LED will flash LitePort data (one flash) every 20 seconds.
Table 25
INTEGRATED FURNACE CONTROL GREEN “STATUS” LED FLASH CODES
| Flashing Slow — | Normal – No call for Heat |
| Flashing Fast — | Normal – Call for Heat |
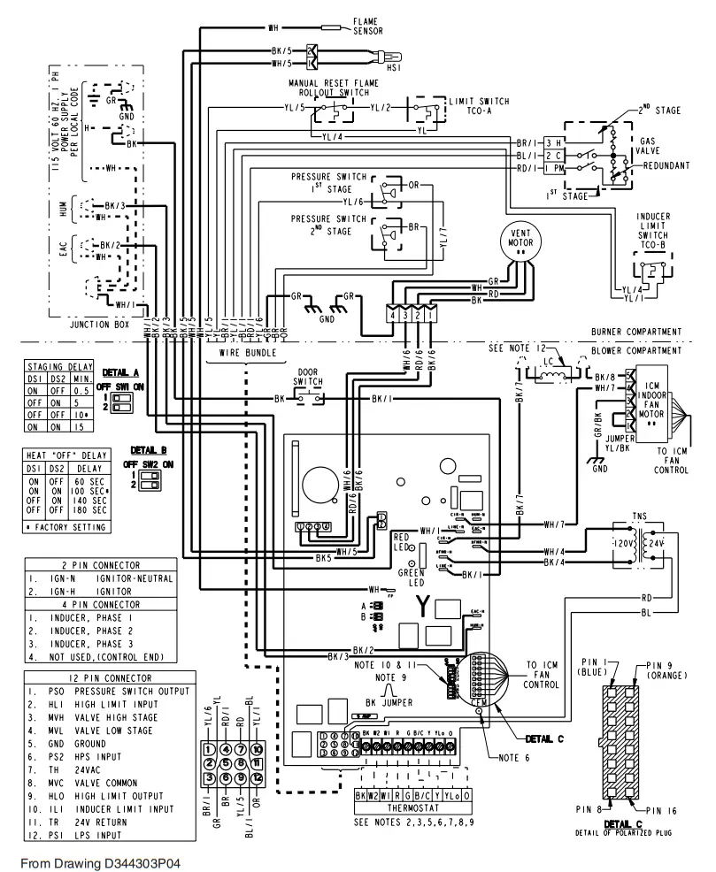
KIT16582 Wiring diagram
IMPROTENT: INTEGRATED CONTROL IS POLARITY SENSITIVE. HOT LEG OF 120V POWER SUPPLY MUST BE CONNECTED TO THE BLACK POWER LEAD AS INDICATED ON WIRING DIAGRAM.

KIT16582 Schematic

INTEGRATED FURNACE CONTROL
REPLACE WITH PART CNT06017 OR EQUIVALENT ELECTRICAL RATING INPUT: 25 VAC, 60 HZ. XFMR SEC. CURRENT: 450 MA. MV LOAD MV OUTPUT: 1.5 A 0 24 VAC IND OUTPUT: 3 PHASE OUTPUT ION OUTPUT: 2.0 A 0120 VAC CIRC. BLOWER OUTPUT: 14.5 FLA, 25 LRA 0 120 VAC HUMIDIFER 8 AIR CLEANER MAX. LOAD: 1.0 A @ 120 VAC TIMINGS PREPURGE: 0 SEC.; INTERPURGE: 60 SEC. POST PURGE: 5 SEC. IGN WARMUP: 20 SEC. IAP: 2; TFI: 5 SEC. RETRIES: 2 RECYCLES: 10 HEAT ON DELAY: 45 SEC. COOL ON DELAY: 0 SEC. AUTO RESTART: 60 MIN. AUTO RESTART PURGE: 60 SEC.
NOTES:
- IF ANY OF THE ORIGINAL WIRING AS SUPPLIED WITH THIS FURNACE MUST BE REPLACED, IT MUST BE WITH WIRE HAVING A TEMPERATURE RATING OF AT LEAST 105’C.
- THERMOSTAT HEAT ANTICIPATOR SETTING: FIRST STAGE .38 AMPS, SECOND STAGE .13 AMPS. IF SETTING IS NOT FIXED ON THERMOSTAT, FOR SINGLE STAGE HEATING THERMOSTAT SET AT .51 AMPS.
- FOR PROPER OPERATION OF COOLING SPEED, ‘Y’ TERMINAL MUST BE CONNECTED TO THE ROOM THERMOSTAT.
- THESE LEADS PROVIDE 120V POWER CONNECTIONS FOR ELECTRONIC AIR CLEANER (EAC) AND HUMIDIFIER (HUM). MAX. LOAD: 1.0 AMPS EACH.
- JUMPER WI AND W2 FOR SINGLE STAGE HEATING THERMOSTAT, SECOND STAGE WILL BE ENERGIZED, DELAYED PER STAGING DELAY SETTING.
- GREEN LIGHT (CFM) FLASHES ONCE PER 100 CFM COMMAND.
- FOR HEAT PUMP SYSTEMS Y AND 0 MUST BE CONNECTED TO THE LOW-VOLTAGE TERMINAL BOARD.
- FOR TWO COMPRESSOR SYSTEMS, USE ‘YLO’ FOR LOW SPEED AND “Y” FOR HIGH SPEED CONNECTION TO THE LOW-VOLTAGE TERMINAL BOARD.
- OPTIONAL HUMIDSTAT IS TO BE CONNECTED BETWEEN THE “R” AND “BK”. FACTORY INSTALLED JUMPER “R” TO “BK” (BK JUMPER) ON THE CIRCUIT BOARD MUST BE CUT IF OPTIONAL HUMIDSTAT IS USED. THE JUMPER MUST ALSO BE CUT WHEN APPLYING AN AIRFLOW COMMAND SIGNAL TO THE ‘BK” INPUT SUCH AS WITH THE VARIABLE SPEED SINGLE-ZONE AND MULTI-ZONE SYSTEM CONTROLLERS. ON SINGLE SPEED COOLING ONLY / NON-HEAT PUMP SYSTEMS, JUMPER “Y” TO “0” FOR PROPER OPERATION OF THE DELAY PROFILES AND THE HUMIDSTAT. FOR TWO COMPRESSOR OR TWO SPEED SYSTEMS, JUMPER “YLO’ TO “0”.
- SEE INDOOR MOTOR AIRFLOW SELECTION CHART, LOCATED IN THE FURNACE FOR DIP SWITCH SETTINGS TO SET AIRFLOW AND COOLING OFF DELAYS.
- POWER MUST BE OFF WHEN DIP SWITCHES ARE SET.
- USED FOR 1111(213080A9V4VI* *UH2C100A9V4Vs• sUH2C100A9V5Ves 8 •UH2D120A9V5Ves.
- ON POWER-UP, LAST FOUR FAULTS, IF ANY, WILL BE FLASHED ON RED LED. GREEN LED WILL BE SOLID ON DURING LAST FAULT RECOVERY.
DIAGNOSTIC CODES
RED LED – LifePorf7H DATA –
- FLASH EVERY 20 SEC.
- FLASHES: RETRIES OR RECYCLES EXCEEDED
- FLASHES: INDUCER OR PRESSURE SWITCH ERROR
- FLASHES: OPEN LIMIT OR ROLLOUT SWITCH
- FLASHES: FLAME SENSED WHEN NO FLAME SHOULD BE PRESENT
- FLASHES: LINE REVERSE
- FLASHES: GAS VALVE CIRCUIT ERROR
- FLASHES: WEAK FLAME
- FLASHES: OPEN INDUCER LIMIT ERROR
GREEN LED – STATUS SLOW FLASH: NORMAL, NO CALL FOR HEAT FAST FLASH: NORMAL, CALL FOR HEAT PRESENT
GREEN AND RED LEDs ON CONTINUOUS: FUSE OPEN OR INTERNAL CONTROL FAILURE
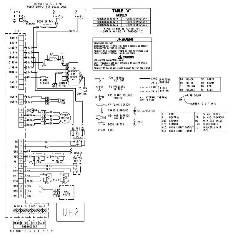
KIT16584 Wiring diagram
IMPORTANT: INTEGRATED CONTROL IS POLARITY SENSITIVE. HOT LEG OF 120V POWER SUPPLY MUST BE CONNECTED TO THE BLACK POWER LEAD AS INDICATED ON WIRING DIAGRAM.

From Drawing D344563P03
KIT16584 Schematic
| PIAGNOS11C CODES (SEE NOTE 8) | |
| RED LED – LifePort fm Dofo – I Flash every 20 seconds | |
| 2 FLASHES – SYSTEM LOCKOUT RETRIES OR RECYCLES EXCEEDED | 6 FLASHES – 115 VOLT AC POWER REVERSED |
| 3 FLASHES – INDUCER OR PRESSURE SWITCH FAULT | 7 FLASHES – GAS VALVE CIRCUIT ERROR |
| 8 FLASHES – LOW FLAME SENSE SIGNAL | |
| 4 FLASHES – OPEN LIMIT SWITCH | 9 FLASHES – OPEN INDUCER LIMIT |
| 5 FLASHES – FLAME SENSED WHEN NO FLAME SHOULD BE PRESENT | 10 FLASHES – INDUCER COMMUNICATION FAULT |
| CONTINUOUS ON – INTERNAL CONTROL FAILURE | |
| GREEN LED – STATUS | |
| SLOW FLASH – NORMAL, NO CALL FOR HEAT | |
| FAST FLASH – NORMAL, CALL FOR HEAT PRESENT | |
| GREEN AND RED LED’S ON CONTINUOUS – FUSE OPEN OR INTERNAL CONTROL FAILURE | |
| WARNING | CAUTION |
| HAZARDOUS VOLTAGE | USE COPPER CONDUCTORS ONLY! |
| DISCONNECT ALL ELECTRICAL POWER | UNIT TERMINALS ARE NOT DESIGNED |
| INCLUDING REMOTE DISCONNECTS | TO ACCEPT OTHER TYPES OF CONDUCTORS. |
| BEFORE SERVICING. | |
| FAILURE TO DO SO MAY CAUSE DAMAGE | |
| FAILURE TO DISCONNECT POWER BEFORE | TO THE EOUIPMENT. |
| SERVICING CAN CAUSE SEVERE PERSONAL | |
| INJURY OR DEATH. | |

NOTE
- IF ANY OF THE ORIGINAL WIRING AS SUPPLIED WITH THIS FURNACE MUST BE REPLACED, IT MUST BE WITH WIRE HAVING A TEMPERATURE RATING OF AT LEAST 105 C.
- THERMOSTAT HEAT ANTICIPATOR SETTING: FIRST STAGE.38 AMPS, SECOND STAGE .13 AMPS. IF SETTING IS NOT FIXED ON THERMOSTAT, FOR SINGLE STAGE HEATING THERMOSTAT SET AT .51 AMPS.
- FOR PROPER OPERATION OF COOLING SPEED, “Y” TERMINAL MUST BE CONNECTED TO THE ROOM THERMOSTAT.
- THESE LEADS PROVIDE 120V POWER CONNECTIONS FOR ELECTRONIC AIR CLEANER (EAC) AND HUMIDIFIER (HUM/. MAX. LOAD: 1.0 AMPS EACH.
- JUMPER WI AND W2 FOR SINGLE STAGE HEATING THERMOSTAT, SECOND STAGE WILL BE ENERGIZED, DELAYED PER STAGING DELAY SETTING.
- POWER MUST BE OFF WHEN DIP SWITCHES ARE SET.
- WHEN TWINNING TWO FURNACES, BOTH UNITS MUST BE CONNECTED TO THE SAME 115 VAC PHASE. CONNECT THE TWO UNITS ‘TWIN’ TERMINALS WITH 14 TO 22 AWG WIRE.
- ON POWER•UP, LAST FOUR FAULTS, IF ANY, WILL BE FLASHED ON RED LED. GREEN LED WILL BE SOLID ON DURING LAST FAULT RECOVERY.
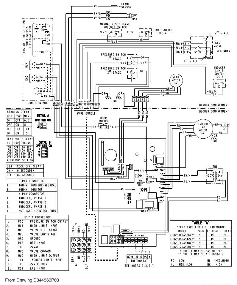
KIT16583 Wiring diagram

KIT16583 Schematic

| TABLE “A” | |
| MODELS | |
| +DH213060A9V3V++ | IDH2C100A9V4VII |
| +DH2B080A9V3V+. | IDH2D120A9V5V+1 |
| eDH2B080A9V4Ves | |
| I PREFIX MAY BE “A” OR “T” I SUFFIX MAY BE “A” THROUGH “Z” | |
WARNING
HAZARDOUS VOLTAGE: DISCONNECT ALL ELECTRICAL POWER INCLUDING REMOTE DISCONNECTS BEFORE SERVICING. FAILURE TO DISCONNECT POWER BEFORE SERVICING CAN CAUSE SEVERE PERSONAL INJURY OR DEATH.
CAUTION
USE COPPER CONDUCTORS ONLY! UNIT TERMINALS ARE NOT DESIGNED TO ACCEPT OTHER TYPES OF CONDUCTORS. FAILURE TO DO SO MAY CAUSE DAMAGE TO THE EQUIPMENT.
INTEGRATED FURNACE CONTROL
REPLACE WITH PART CNT06017 OR EOUIVALENT ELECTRICAL RATING INPUT: 25 VAC, 60 HZ. XFMR SEC. CURRENT: 450 MA. + MV LOAD MV OUTPUT: 1.5 A @ 24 VAC IND OUTPUT: 3 PHASE OUTPUT IGN OUTPUT: 2.0 A 0120 VAC CIRC. BLOWER OUTPUT: 14.5 FLA, 25 LRA @ 120 VAC HUMIDIFER 8 AIR CLEANER MAX. LOAD: 1.0 A @ 120 VAC TIMINGS PREPURGE: 0 SEC.; INTERPURGE: 60 SEC.
POST PURGE: 5 SEC. IGN WARMUP: 20 SEC. IAP: 2; TF1: 5 SEC.
RETRIES: 2 RECYCLES: 10 HEAT ON DELAY: 45 SEC. COOL ON DELAY: 0 SEC. AUTO RESTART: 60 MIN. AUTO RESTART PURGE: 60 SEC.
NOTE
- IF ANY OF THE ORIGINAL WIRING AS SUPPLIED WITH THIS FURNACE MUST BE REPLACED, IT MUST BE WITH WIRE HAVING A TEMPERATURE RATING OF AT LEAST 105’C.
- THERMOSTAT HEAT ANTICIPATOR SETTING: FIRST STAGE .38 AMPS, SECOND STAGE .13 AMPS. IF SETTING IS NOT FIXED ON THERMOSTAT, FOR SINGLE STAGE HEATING THERMOSTAT SET AT .51 AMPS.
- FOR PROPER OPERATION OF COOLING SPEED, “Y” TERMINAL MUST BE CONNECTED TO THE ROOM THERMOSTAT.
- THESE LEADS PROVIDE 120V POWER CONNECTIONS FOR ELECTRONIC AIR CLEANER (EAC) AND HUMIDIFIER (HUM). MAX. LOAD: 1.0 AMPS EACH.
- JUMPER WI AND W2 FOR SINGLE STAGE HEATING THERMOSTAT. SECOND STAGE WILL BE ENERGIZED, DELAYED PER STAGING DELAY SETTING.
- GREEN LIGHT (CFM) FLASHES ONCE PER 100 CFM COMMAND.
- FOR HEAT PUMP SYSTEMS Y AND 0 MUST BE CONNECTED TO THE LOW-VOLTAGE TERMINAL BOARD.
- FOR TWO COMPRESSOR SYSTEMS, USE “YLO’ FOR LOW SPEED AND “Y” FOR HIGH SPEED CONNECTION TO THE LOW-VOLTAGE TERMINAL BOARD.
- OPTIONAL HUMIDSTAT IS TO BE CONNECTED BETWEEN THE ‘R’ AND ‘BK’. FACTORY INSTALLED JUMPER ‘R’ TO ’13K” (BK JUMPER) ON THE CIRCUIT BOARD MUST BE CUT IF OPTIONAL HUMIDSTAT IS USED. THE JUMPER MUST ALSO BE CUT WHEN APPLYING AN AIRFLOW COMMAND SIGNAL TO THE ‘BC INPUT SUCH AS WITH THE VARIABLE SPEED SINGLE-ZONE AND MULTI-ZONE SYSTEM CONTROLLERS. ON SINGLE SPEED COOLING ONLY / NON-HEAT PUMP SYSTEMS, JUMPER ‘Y’ TO ‘0″ FOR PROPER OPERATION OF THE DELAY PROFILES AND THE HUMIDSTAT. FOR TWO COMPRESSOR OR TWO SPEED SYSTEMS. JUMPER “YLO’ TO ‘0’.
- SEE INDOOR MOTOR AIRFLOW SELECTION CHART, LOCATED IN THE FURNACE FOR DIP SWITCH SETTINGS TO SET AIRFLOW AND COOLING OFF DELAYS.
- POWER MUST BE OFF WHEN DIP SWITCHES ARE SET.
- USED FOR •DH213080A9V4Voll, •DH2C100A9V4V., A •H2D120A9V5voti. 1
- ON POWER-UP, LAST FOUR FAULTS. IF ANY. WILL BE FLASHED ON RED LED. GREEN LED WILL BE SOLID ON DURING LAST FAULT RECOVERY.
DIAGNOSDF CODES RED LED
- Port m DATA – I FLASH EVERY 20 SEC.
- FLASHES: RETRIES OR RECYCLES EXCEEDED
- FLASHES: INDUCER OR PRESSURE SWITCH ERROR
- FLASHES: OPEN LIMIT OR ROLLOUT SWITCH
- FLASHES: FLAME SENSED WHEN NO FLAME SHOULD BE PRESENT
- FLASHES: LINE REVERSE
- FLASHES: GAS VALVE CIRCUIT ERROR
- FLASHES: WEAK FLAME
- FLASHES: OPEN INDUCER LIMIT ERROR
GREEN LED – STATUS SLOW FLASH: NORMAL, NO CALL FOR HEAT FAST FLASH: NORMAL, CALL FOR HEAT PRESENT
GREEN AND RED LEDs ON CONTINUOUS: FUSE OPEN OR INTERNAL CONTROL FAILURE
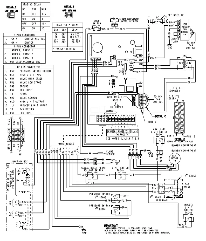
KIT16585 Wiring diagram

KIT16585 Schematic

| DIAGNOSTIC MIZZ (SEE NOTE 8) | |
| RED LED – LoIePor1 Im Data – I Flash every 20 seconds | |
| 2 FLASHES – SYSTEM LOCKOUT RETRIES OR RECYCLES EXCEEDED | 6 FLASHES – 115 VOLT AC POWER REVERSED |
| 3 FLASHES -INDUCER OR PRESSURE SWITCH FAULT | 7 FLASHES – GAS VALVE CIRCUIT ERROR |
| 8 FLASHES – LOW FLAME SENSE SIGNAL | |
| I FLASHES – OPEN LIMIT SWITCH | 9 FLASHES • OPEN INDUCER LIMIT |
| 5 FLASHES – FLAME SENSED WHEN NO FLAME SHOULD BE PRESENT | 10 FLASHES – INDUCER COMMUNICATION FAULT |
| CONTINUOUS ON – INTERNAL CONTROL FAILURE | |
| WARNNG | CAUTION |
| HAZARDOUS VOLTAGE | USE COPPER CONDUCTORS ONLY! |
| DISCONNECT ALL ELECTRICAL POWER | UNIT TERMINALS ARE NOT DESIGNED |
| INCLUDING REMOTE DISCONNECTS | TO ACCEPT OTHER TYPES OF CONDUCTORS. |
| BEFORE SERVICING. | |
| FAILURE TO DO SO MAY CAUSE DAMAGE | |
| FAILURE TO DISCONNECT POWER BEFORE | TO THE EQUIPMENT. |
| SERVICING CAN CAUSE SEVERE PERSONAL | |
| INJURY OR DEATH. |
REPLACE WITH PART CNT 06584 OR EQUIVALENT ELECTRICAL RATING INPUT: 25 V.A.C., 60 HZ. XFMR SEC. CURRENT: 450 MA. • MV LOAD MV OUTPUT: 1.5 A 0 24 V.A.C. IND OUTPUT: 3 PHASE OUTPUT IGN OUTPUT: 2.0 A 0 120V.A.C. CIRC. BLOWER OUTPUT: 14.5 FLA, 25 LRA 0 120 VAC HUMIDIFER S AIR CLEANER MAX. LOAD: 1.0 A 0 120 VAC
TIMINGS PREPURGE: 0 SEC.; INTERPURGE: 60 SEC. POST PURGE: 5 SECONDS IGNITOR WARMUP: 20 SECONDS IAP: 3; TFI: 5 SECONDS RETRIES: 2; RECYCLES: 10 HEAT ON DELAY: 45 SECONDS COOL ON DELAY: 0 SECONDS AUTO RESTART: 60 MINUTES AUTO RESTART PURGE: 15 SECONDS
NOTES:
- IF ANY OF THE ORIGINAL WIRING AS SUPPLIED WITH THIS FURNACE MUST BE REPLACED, IT ,MUST BE WITH WIRE HAVING A TEMPERATURE RATING OF AT LEAST 105 C.
- THERMOSTAT HEAT ANTICIPATOR SETTING: FIRST STAGE.38 AMPS, SECOND STAGE .13 AMPS. IF SETTING IS NOT FIXED ON THERMOSTAT, FOR SINGLE STAGE HEATING THERMOSTAT SET AT .51 AMPS.
- FOR PROPER OPERATION OF COOLING SPEED, “Y’ TERMINAL MUST BE CONNECTED TO THE ROOM THERMOSTAT.
- THESE LEADS PROVIDE 120V POWER CONNECTIONS FOR ELECTRONIC AIR CLEANER (EAC) AND HUMIDIFIER (HUM). MAX. LOAD: 1.0 AMPS EACH.
- JUMPER WI AND W2 FOR SINGLE STAGE HEATING THERMOSTAT, SECOND STAGE WILL BE ENERGIZED, DELAYED PER STAGING DELAY SETTING.
- POWER MUST BE OFF WHEN DIP SWITCHES ARE SET.
- WHEN TWINNING TWO FURNACES, BOTH UNITS MUST BE CONNECTED TO THE SAME 115 VAC PHASE. CONNECT THE TWO UNITS ‘TWIN’ TERMINALS WITH 14 TO 22 AWG WIRE.
- ON POWER-UP. LAST FOUR FAULTS. IF ANY, WILL BE FLASHED ON RED LED. GREEN LED WILL BE SOLID ON DURING LAST FAULT RECOVERY.
About Trane and American Standard Heating and Air Conditioning
Trane and American Standard create comfortable, energy efficient indoor environments for residential applications.
For more information, please visit www.trane.com or www.americanstandardair.com
The manufacturer has a policy of continuous data improvement and it reserves the right to change design and specifications without notice. We are committed to using environmentally conscious print practices.
© 2022 18-CH66D1-5A-EN 19 Aug 2022
Supersedes 18-CH66D1-5-EN (March 2020)
Components for KIT16584 (*UX)
Upflow models: (*UY/*UX)































