AVANTCO 177CAG15TG Commercial Countertop Griddles Charbroilers & Ranges User Manual
WARNING
Improper installation, adjustment, alteration, service, or maintenance can cause property damage, injury, or death. Read the installation, operating, and maintenance instructions thoroughly before installing or servicing this equipment.
FOR YOUR SAFETY
DO NOT STORE OR USE GASOLINE OR OTHER FLAMMABLE VAPORS OR LIQUIDS IN THE VICINITY OF THIS OR ANY OTHER APPLIANCE.
NOTE: Save these instructions for future reference
IMPORTANT SAFETY INFORMATION
- Please observe all local and national codes and ordinances.
- Installation must conform with local codes, or in the absence of local codes, the National Fuel Gas Code, ANSI Z223.1 (latest edition). In Canada, installation should conform to installation codes for gas burning appliances and equipment standard CAN/CGA-8149.1 or the propane installation code, CAN/CGA-8149.2, as applicable.
- Installation must be performed according to the manufacturer’s instructions and by qualified and authorized persons.
- For repairs, contact an authorized service technician only and request original replacement parts;
- Before operating the product and whenever there is any doubt about its operation, the user has the duty to read and understand this manual in detail.
- Install the equipment in a place where there is sufficient physical space for perfect handling of the equipment.
- Never use your equipment without first installing it correctly.
- If any abnormalities in operation are observed when using the equipment, discontinue use, close the manual gas shut-off valve, and call an authorized service technician to correct the problem.
- Any unauthorized alterations and / or tampering is DANGEROUS and will void all warranties.
- Close the gas valve that powers the equipment and check that the knobs are in the closed position when: not in use, before servicing and cleaning the product.
- Fully assemble all components before turning on the product.
- Use three or more people or a load lifting device to move and install.
- Do not soil, remove, or obstruct the identification labels.
- For proper operation of the appliance, do not obstruct the flow of gas and ventilation.
- When your product is in use, accessible parts can become hot, and children should be kept away.
- Ensure that children do not play with the equipment.
- Always check that the gas connections are correctly installed, and have no malfunctions and no gas leaks.
- Carefully keep this manual for future reference.
- Failure to follow the instructions in the consumer manual for product installation conditions will void your warranty.
- Never use the equipment if it is damaged or not working properly.
- Water or oil may make the floor slippery and dangerous. To avoid accidents, the floor must be dry and clean.
- Do not repair or replace any part of the equipment unless specifically recommended in the manual.
- Clean the product daily after use using neutral detergent. Use abrasive materials only for work surface cleaning.
- Do not use the product to heat the environment.
- Do not use loose hanging garments, towels, or large cloths when using near the product as they may ignite.
- Prevent water, dirt or dust from coming into contact with the equipment’s mechanical and gas components;
- Use only kitchen utensils suitable for the product.
- Always use certified hoses and pressure regulators.
- The manufacturer reserves the right to modify, at any time and without prior notice, the contents of this manual.
IMPORTANT
INTENDED FOR INDUSTRIAL/PROFESSIONAL USE ONLY.
WARNING
This device is not intended for use by persons (including children) with reduced physical, sensory or mental capacities, or people with lack of experience and knowledge, unless they have received instructions regarding the use of the device or are under the supervision of a person responsible for their safety.
Periodically check that the hose and gas regulator are within their expiration date; If you constantly smell gas, turn off the product quickly and check if your product gas connections are leaking. If the problem persists, contact your nearest authorized dealer
Installation
Upon receipt of the equipment, make sure that the product is not defective. For assembly, verify first if the accessory kit has the following items: a gas pressure regulator, an instruction manual, the gas conversion, the gas conversion injectors and a lighter (wick).
Position the product carefully and adjust the foot level.
The gas pressure regulator supplied with the equipment must be installed when the appliance is connected to the gas supply. Installation must comply with local codes or, in the absence of local codes, with the national combustible gas code.
Gas product supply piping must be at least 3/4″ in diameter.
Adequate space must be left in front of the device for proper maintenance and operation. Provisions should be incorporated into the kitchen design to ensure an adequate supply of fresh air and adequate clearance for combustion chamber overhead operations, for proper combustion and ventilation.
IMPORTANT
Conversion, gas line connection, thermostat calibration, burners, manometer gas
pressure adjustment, etc. are all part of the normal installation and will not be covered under warranty. If a warranty technician is called and the unit is installed incorrectly, the end user may be charged.
Proper installation of this gas appliance is the sole responsibility of the end user. It
is the buyer’s responsibility to determine if the installer is qualified in the installation procedures.
Clearances
The appliance area must be kept free and clear of all combustibles.
| MODEL | COMBUSTIBLE | NON-COMBUSTIBLE | ||
| REAR | SIDES | REAR | SIDES | |
| Countertop Thermostatic Gas Griddles | 8″ | 6” | 0” | 0” |
| Countertop Manual Gas Griddles | 8″ | 6” | 0” | 0” |
| Countertop Radiant Gas Charbroilers | 8″ | 6” | 0” | 0” |
| Countertop Gas Hot Plates | 8″ | 6” | 0” | 0” |
Rating Plate
Information on this plate includes the model, serial number, BTU/hour input of the burners, operating gas pressure in inches WC, and whether the appliance is orificed for natural or propane gas. When communicating with factory about a unit or requesting special parts or information, rating plate data is essential for proper identification.
Recommendations Before Installation
Before installing the gas supply system, observe the pipes and fittings, check the components for dirt, clean internally with compressed air to eliminate possible particles, and prevent burners and valves from becoming clogged.
After cleaning, use thread sealant to connect the equipment to the gas network. For correct application, avoid concentrating the compound on the first two threads of the pipe, otherwise it may generate particles that will clog the system injectors.
Gas Standards & Codes
IMPORTANT
FAILURE TO INSTALL THE PRESSURE REGULATOR WILL VOID YOUR WARRANTY.
Installation of this appliance must be in accordance with local installation codes, including:
- The appliance and its individual shutoff valve must be disconnected from the gas supply piping system during any system pressure testing when this teste pressure exceeds 1/2 PSI (3.45 kPa).
- The appliance shall be isolated from the gas supply piping system by closing the manual shut-off valve during any pressure test of the gas supply piping system at test pressures equal to or less than 1/2 PSI (3.45 kPa).
GAS CONNECTION
The gas inlet line size of this appliance is 3/4” NPT. For proper operation, the gas supply line must be the same size or larger. Gas line size should not be reduced at any point along the supply line.
MANUAL SHUTOFF VALVE
A gas pressure regulator and a shut-off valve supplied by the technician shall be installed in the gas service line before the appliance – in a physical location where it can be reached quickly in an emergency.
Gas Pressure Regulator
The gas pressure regulator (which accompanies the product) is of utmost importance for its operation and is indispensable. The pressure regulator must be installed in the product supply gas line (failure to install the pressure regulator will void the equipment warranty).
Regulators are supplied with 3/4” NPT connection ranges. The regulator is factory set by 102mmH2O (4” WC) water column gas pressure at connector (natural gas) and gas pressure at 254mmH2O (10” WC) connector for LPG gas operation.
Before connecting the regulator, check the supply line pressure in the product. This may not exceed the maximum pressure of 3.45kPa (1/2 PSI). If the gas supply line pressure is higher than indicated, use a pressure reducing regulator.
At the bottom of the regulator body there is a gas direction arrow to minimize installation error. This arrow should point to the device’s direction of entry into the product.
The blue air vent cap on the top of the regulator is part of the regulator and should not be removed.

IMPORTANT
Visually check all inlet pipes supplied by the installer and/ or blow them out using
compressed air to clean out any dirt or debris (threads or other foreign matter) before installing a service line. These particles will clog the gas holes when gas pressure is applied. Compounds used in appliance pipe threaded joints shall be resistant to the action of GN and LPG gas and shall provide a gas tight seal to prevent leakage.
When installing the pressure regulator remember that it can support 1/2 PSI (3.45kPa).
When installing LPG, you have high source pressures ranging from 20 PSI (127.89kPa) to 100 PSI (689.48 kPa). If the LPG tank’s high pressure gas line is directly connected to a unit without the proper reduction regulator, it will rupture the diaphragm in the valve, making it useless.
Any adjustment to the regulator should be done only by qualified and licensed
personnel with the appropriate calibrated test equipment.
Connections must be made my a licensed and qualified contractor.
Gas Conversion Instructions
The products are produced for the use of natural gas (NG). Then check if the gas used in your region is compatible with the type of gas for which the product was manufactured. Otherwise, the product must be converted to be used in propane gas (LPG).
IMPORTANT
TO PERFORM GAS CONVERSION, A LICENSED AND QUALIFIED TECHNICIAN IS REQUIRED.
After converting the product gas, the pressure regulator must be converted by inverting the fitting under the regulator cover. This will require a reasonable amount of force. Do not remove the spring. When replacing the cover, make sure the insert of the socket is facing upwards in the middle of the spring. As shown in the image on the side.
Then re-attach the pressure regulator to the gas inlet of the product and apply the “Warning” sticker for the gas to be used on the front of the unit for future reference.

COUNTERTOP THERMOSTATIC GAS GRIDDLE
For conversion the following guidelines should be followed:
- Close the manual gas valve and disconnect the product from the gas network, making sure that there is no leakage.
Then remove the pressure regulator from the gas inlet on the product to make work easier. - Remove the manual gas griddle assembly (1) with the help of two or more people. For this, extreme care must be taken, as physical injuries or serious damage can occur.
- Carefully pull the wire from the thermostat bulb that is fixed inside a support welded on the bottom of the plate until it is loose.
- Remove the screws that secure the burners(3) to the rear support and pilot
burner support (6) with the aid of the double screwdriver. Afterwards, remove the burners from the product. - Remove the burners injectors (4) with a 1/2″ wrench.

- In place of the removed gas injectors (4), place the new injectors that are included with the kit shipped with the product. But first apply some pipe sealant to the valve thread and then screw-in the new injectors to the correct gas type.
- Remove the pilot burner nut (7) to change the injector orifice that is inside the nut. The orifice for the exchange is included in the accessory kit.
- After changing the gas injectors, reassemble your product. Return the burners to their original configuration, however, now with the new injectors.
- After repositioning the thermostat bulb inside the welded support at the bottom of the plate, fit the plate assembly back into the product. Replace the panel and secure it with the screws that were removed earlier.
- The following image serves to help identify the components mentioned above.

COUNTERTOP MANUAL GAS GRIDDLE
For conversion the following guidelines should be followed:
- Close the manual gas valve and disconnect the product from the gas network, making sure that there is no leakage.
Then remove the pressure regulator from the gas inlet on the product to make work easier. - Remove the manual gas griddle assembly (1) with the help of two or more people. For this, extreme care must be taken, as physical injuries or serious damage can occur.
- Remove the screws that secure the burners (2) to the rear support with the aid of the double screwdriver. Afterwards, remove the burners from the product.
- Remove the injectors (3) with a 1/2” wrench.
- In place of the removed gas injectors (3), place the new injectors that are included with 4 the kit shipped with the product. But first apply some pipe sealant to the valve thread and then screw-in the new injectors to the correct gas type.
- Once the gas injectors (3) are changed, reassemble your product (4).

COUNTERTOP RADIANT GAS CHARBROILER
For conversion the following guidelines should be followed:
- Close the manual gas valve and disconnect the product from the gas network, making sure that there is no leakage. Then remove the pressure regulator from the gas inlet on the product to make work easier.
- Remove the waste drawer (1), knobs (2) from the product and then remove the panel (3) by removing the two screws located at the bottom of the panel with the aid of a double screwdriver and detaching the upper panel fittings on the product.
- Remove the removable grilles (9), the deflectors (8) and the welded structure set (7).For this, extreme care must be taken, as physical injuries or serious damage can occur.
- To remove the distributor tube assembly, remove the screws that secure the distributor tube assembly(4) to the front support with the aid of a double screwdriver.
- Remove the injectors (5) with a 1/2” wrench.
- In place of the removed gas injectors (3), place the new injectors that are included with the kit shipped with the product. But first apply some pipe sealant to the valve thread and then screw-in the new injectors to the correct gas type.
- Once the gas injectors are changed, reassemble your product (6)

COUNTERTOP GAS HOT PLATE
For conversion the following guidelines should be followed:
- Close the manual gas valve and disconnect the product from the gas network, making sure that there is no leakage.
Then remove the pressure regulator from the gas inlet on the product to make work easier. - Remove grills (1) and burners (2).
- Remove the injectors (3) with a 1/2” wrench.
- In place of the removed gas injectors (3), place the new injectors that are included with the kit shipped with the product. But first apply some pipe sealant to the valve thread and then screw-in the new injectors to the correct gas type.
- Once the gas injectors (3) are changed, reassemble your product (4).

LGP Gas Installation at Low Pressure
To use the product with LPG gas at low pressure, it is necessary that the product is checked with the injector for use of LPG gas, if it is not with the appropriate injector, the gas conversion should be performed following the steps described in item 2.5 of this manual.
The installation of low pressure LPG gas must be carried out in a gas station distant from the equipment used.
A first stage (first) regulating valve with an inlet of 7 kgf/cm2 and an outlet pressure of 1.2 kgf/cm2 is installed on site, placing copper or carbon steel piping as a gas conductor to the equipment seamless. Install at the end, next to the equipment a second 2° (second) stage valve with inlet pressure of 1.2 kgf /cm2 and outlet pressure of 2.8 kPa or 280mmc.a.H2O.
Using a certified hose, connect the valve directly to the pressure regulator at the gas inlet at the rear of the product, securing both ends with clamps to both the 2nd stage valve and the equipment.
Note: If in doubt consult the legislation in force in your state/ municipality.
IMPORTANT
Keep cylinders always upright (standing) and never horizontal (lying down).
Gas Leak Check
Before lighting the equipment and putting it into operation, check all gaskets on the gas supply line for leaks. For this, do not use any type of wrench to check for leaks, use a sudsy soap and water solution.
Follow the steps below for the correct procedure to power on:
- Turn pilot valves to OFF position by turning adjusting screws clockwise.
- Turn on the manual gas valve on the inlet side of the gas supply line.
- Check for gas leaks at the flexible coupling or gas connector connection using a soap solution.
- In moderation, spray or scrub the solution with soap on gas connections – active bubbling indicates thelocation of the gas leak.
- If a gas leak is detected, turn off the manual gas valve at the inlet side of the gas line. Call your certified and licensed service technician.
- If the equipment has no gas leak, continue with the equipment operating instruction.
First-Time Use
Against shock damage or rocking from transportation, the sides and waste tray have a protective PVC film. Remove any plastics, straps, or protective film from the product before operating the equipment.
COUNTERTOP GAS GRIDDLE, THERMOSTATIC & MANUAL
To protect the equipment against possible moisture damage between fabrication and installation on site, the flat-tops are coated with a layer of vegetable shortening and brown paper.
In addition, you should remove grease and brown paper, cleaning should be performed with the aid of a sponge, mild soap and water in small amount.
After this procedure, turn the burners on and leave them on for about 15 minutes, this will cause all flat-top grill residue to be burned and eliminated. Only then will the equipment be ready for use.
COUNTERTOP GAS RADIANT CHAR BROILER
To protect the equipment against possible moisture damage between manufacture and installation on site, the grills and baffle rails are coated with a layer of vegetable oil.
In addition, you should perform a cleaning with the help of a sponge, neutral soap and water in small amounts. After this procedure, turn the burners on and leave them on for about 15 minutes, this will cause all gas charbroiler residue to be burned and eliminated.
Only then will the equipment be ready for use.
COUNTERTOP GAS RANGE
You should perform a cleaning with the help of a sponge, neutral soap and water in small amounts.
Only then will the equipment be ready for use.
Product Ignition
If you need to adjust the pilot valves (one pilot valve corresponds to two burners) do the following:
- Turn the pilot adjusting screw counterclockwise, then light the pilot with the aid of the igniter (wick) accompanying the product and adjust the flame to a height of approximately 0.5 cm;
- Turn on the gas valve by turning the knob counterclockwise to light the main burners;
- To shut down completely, close the gas valves by turning the knob clockwise and turn the pilot adjusting screw clockwise to close the gas for the pilots.
Pilot Screw Adjustment
COUNTERTOP GAS GRIDDLE, THERMOSTATIC
- Open the manual gas supply valve (which will release gas into the product);
- Immerse in alcohol the lighter (wick) that accompanies the product and light it; Note: Make sure that the container where the alcohol is located is away from the product and wick after immersing.
- Press lightly and rotate the handle to the pilot position.
- Keep it pressed and take the igniter (wick) passing between the pilot flame ignition hole in the product panel until it comes into contact with the pilot and ignites the flame;
- Keep the knob pressed for 10 seconds after the pilot flame is lit and turn the knob counterclockwise until the wished temperature (use the knob to adjust the temperature);
- Make sure the burner is lit. If the burner does not light, repeat the procedure;

COUNTERTOP GAS GRIDDLE, MANUAL
- Open the manual gas supply valve (which will release gas into the product).
- Immerse in alcohol the lighter (wick) that accompanies the product and light it; Note: Make sure that the container where the alcohol is located is away from the product and wick after immersing;
- Take the igniter (bypass) past the ignition hole in the flame of the pilot on the product panel until contact with the pilot burner and until the flame ignites, repeat this procedure on all pilots (see following image); Note: The ignition order does not interfere with the use of the equipment;
- Turn the knob corresponding to the burner you wish to operate counterclockwise (adjust the flame through the knob);
- Make sure the burner is lit. If the burner does not light, repeat the procedure;
- After lighting all burners, you can turn off the burners and turn them back on simply by turning the corresponding knobs; Note: The pilot burner flame is factory set according to the gas for which the product was originally manufactured. Always check through the hole identified on the panel as PILOT, if the pilot burner flame is lit. If it is not, perform the procedures described above again.

COUNTERTOP RADIANT GAS CHARBROILER
- Open the manual gas supply valve (which will release gas into the product);
- Immerse in alcohol the lighter (wick) that accompanies the product and light it; Note: Make sure that the container where the alcohol is located is away from the product and wick after immersing;
- Bring the igniter (wick) through the pilot flame ignition hole in the product panel until contact with the pilot burner and until the flame ignites, repeat this procedure on all pilots (seethe following image);
- Rotate the knob corresponding to the burner you wish to operate, rotate 90° counterclockwise;
- Make sure the burner is lit. If the burner does not light, repeat the procedure;
- After lighting all burners, you can turn off the burners and turn them back on simply by turning the corresponding knobs; Note: The pilot burner flame is factory set according to the gas for which the product was originally manufactured. Always check to see if the flame on the pilot burner can be seen through the panel hole. If it is not lit, perform the procedures described above again.

COUNTER TOP GAS HOT PLATE
- Open the manual gas supply valve (which will release gas into the product);
- Immerse in alcohol the lighter (wick) that accompanies the product and light it; Note: Make sure that the container where the alcohol is located is away from the product and wick after immersing.
- Bring the igniter (wick) until contact with the pilot burner until the flame ignites, repeat on all others. (see image); Note: The ignition order does not interfere with the use of the equipment;
- Turn the knob (BUTTON) corresponding to the burner you wish to operate counterclockwise (adjust the flame through the knob);
- Make sure the burner is lit. If the burner does not light, repeat the procedure;
Note: The pilot burner flame is factory set according to the gas for which the product was originally manufactured. Always check that the pilot burner flame is lit. If it is not, perform the procedures described above again.
Cleaning
IMPORTANT
Do not use toxic or high chemical cleaning materials. See all instructions given by the cleaning product manufacturer.
After using the product and with the equipment not working or hot, clean it to remove food residue.
Remove the waste drawer for debris removal and cleaning.
- Use a non-abrasive sponge with mild detergent and water to clean the equipment.
- Never use sharp or abrasive materials (with corrosive elements in the formula) on stainless steel components, but on range and charbroiler grills it is possible. On the Manual Griddle and
Thermostatic Griddle flat-top it is recommended to use a kitchen spatula to facilitate the cleaning of residues. - Keep in mind that constant and correct cleaning is critical to the proper functioning of the equipment.
- NEVER attempt to move or slide the product when it is hot. ALWAYS let the unit cool down and empty the waste drawer before attempting to relocate or move the unit.
- DO NOT FLOOD A HOT GRIDDLE WITH COLD WATER. This could cause warping and the griddle plate to crack.
- After the end of the working day, clean the Gas Range, Charbroiler, and burners and turn them on to remove moisture. On the Manual Griddle and Thermostatic Griddle clean the equipment and grease the flat-top with vegetable oil. This practice is recommended between one working day and another, thus avoiding its oxidation.
Cleaning the Outside of the Product
The product has stainless steel external coating and for its correct cleaning it is necessary to follow the following guidelines:
- First, let the product cool. Normal daily dirt can be removed with a mild detergent or soap solution applied with a damp cloth. Wash and dry thoroughly.
- To remove deposited grease, apply a cleanser in the direction of the polished lines on the metal.
NEVER rub in a circular motion.
Cleaning the Inside of the Product
Let the inside of the product cool completely. Use a non-alkaline cleaning agent following the manufacturer’s recommendations:
- Do not use abrasive products.
- Rinse well with water at room temperature, clean and dry thoroughly.
Maintenance
Maintenance is one of the precautions to be taken for a good equipment life. Proper cleaning, installation, checking and product life all contribute to reduced maintenance. Before any maintenance, verify that the gas connections, regulators or check valves must be completely closed and disconnected from the product.
IMPORTANT
The maintenance of the equipment should only be performed by a technician authorized by the manufacturer.
The operator should be familiar with how to connect and disconnect the restrictions/ removable parts. If the restriction is removed for maintenance or cleaning, it must be reconnected before using the equipment again
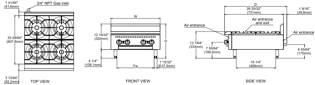
Technical Specifications
COUNTERTOP GAS GRIDDLE, THERMOSTATIC

| MODEL # | Exterior Product Dimensions & Weight | Shipping Crate Dimensions & Weight | ||||||||
| WIDTH | DEPTH | HEIGHT | FW | WEIGHT | WIDTH | DEPTH | HEIGHT | WEIGHT | ||
| 177CAG15TG | 15″ | 301∕2″ | 167∕8″ | 95∕64″ | 110 lb. | 199∕64″ | 349∕64″ | 181∕2″ | 150 lb. | |
| 177CAG24TG | 24″ | 301∕2″ | 167∕8″ | 183∕32″ | 165 lb. | 281∕16″ | 349∕64″ | 181∕2″ | 212 lb. | |
| 177CAG36TG | 36″ | 301∕2″ | 167∕8″ | 319∕32″ | 238 lb. | 401∕32″ | 349∕64″ | 181∕2″ | 300 lb. | |
| 177CAG48TG | 48″ | 301∕2″ | 167∕8″ | 439∕32″ | 313 lb. | 521∕16″ | 349∕64″ | 181∕2″ | 386 lb. | |
| 177CAG60TG | 60″ | 301∕2″ | 167∕8″ | (x2) 265∕16″ | 384 lb. | 641∕16″ | 349∕64″ | 181∕2″ | 459 lb. | |
COUNTERTOP GAS GRIDDLE, MANUAL

| MODEL # | Exterior Product Dimensions & Weight | Shipping Crate Dimensions & Weight | ||||||||
| WIDTH | DEPTH | HEIGHT | FW | WEIGHT | WIDTH | DEPTH | HEIGHT | WEIGHT | ||
| 177CAG15MG | 15″ | 301∕2″ | 167∕8″ | 95∕64″ | 110 lb. | 199∕64″ | 349∕64″ | 181∕2″ | 148 lb. | |
| 177CAG24MG | 24″ | 301∕2″ | 167∕8″ | 183∕32″ | 165 lb. | 281∕16″ | 359∕64″ | 181∕2″ | 210 lb. | |
| 177CAG36MG | 36″ | 301∕2″ | 167∕8″ | 319∕32″ | 240 lb. | 401∕32″ | 369∕64″ | 181∕2″ | 298 lb. | |
| 177CAG48MG | 48″ | 301∕2″ | 167∕8″ | 439∕32″ | 315 lb. | 521∕16″ | 379∕64″ | 181∕2″ | 381 lb. | |
| 177CAG60MG | 60″ | 301∕2″ | 167∕8″ | (x2) 265∕16″ | 390 lb. | 641∕16″ | 389∕64″ | 181∕2″ | 452 lb. | |
COUNTERTOP RADIANT GAS CHARBROILER

| Exterior Product Dimensions & Weight | Shipping Crate Dimensions & Weight | ||||||||
| MODEL # | WIDTH | DEPTH | HEIGHT | FW | WEIGHT | WIDTH | DEPTH | HEIGHT | WEIGHT |
| 177CAG24RC | 24″ | 301 ∕2 “ | 167∕8 “ | 18″ | 99 lb. | 281 ∕8 “ | 341 ∕8 “ | 181 ∕2″ | 143 lb. |
| 177CAG36RC | 36″ | 301 ∕2 “ | 167∕8 “ | 31″ | 172 lb. | 401 ∕8 “ | 341 ∕8 “ | 181 ∕2″ | 220 lb. |
| 177CAG48RC | 48″ | 301 ∕2 “ | 167∕8 “ | 43″ | 245 lb. | 521 ∕8 “ | 341 ∕8 “ | 181 ∕2″ | 286 lb. |
COUNTERTOP GAS HOT PLATE

| Exterior Product Dimensions & Weight | Shipping Crate Dimensions & Weight | ||||||||
| MODEL # | WIDTH | DEPTH | HEIGHT | FW | WEIGHT | WIDTH | DEPTH | HEIGHT | WEIGHT |
| 177CAGR212 | 12″ | 301∕2 “ | 167∕8″ | 9 “ | 70 lb. | 161∕8 “ | 34″ | 181∕2″ | 110 lb. |
| 177CAGR424 | 24″ | 301∕2 “ | 167∕8″ | 18″ | 121 lb. | 281∕8 “ | 34″ | 181∕2″ | 167 lb. |
| 177CAGR636 | 36″ | 301∕2 “ | 167∕8″ | 431∕5 “ | 174 lb. | 401∕8 “ | 34″ | 181∕2″ | 238 lb. |
Technical Data
COUNTERTOP GAS GRIDDLE, THERMOSTATIC
| MODEL # | GasSupply | Manifold Pressure | ||||
| BURNERS | GAS TYPE | NOZZLE | BTU/HR | KCAL/HR | TUBE PRESSURE (in. W.C.) | |
| 177CAG15TG | 1 | NAT. GAS | #43 | 35,000 | 8,820 | 4 |
| L.P. GAS | #54 | 35,000 | 8,820 | 10 | ||
| 177CAG24TG | 2 | NAT. GAS | #43 | 70,000 | 17,640 | 4 |
| L.P. GAS | #54 | 70,000 | 17,640 | 10 | ||
| 177CAG36TG | 3 | NAT. GAS | #43 | 105,000 | 26,460 | 4 |
| L.P. GAS | #54 | 105,000 | 26,460 | 10 | ||
| 177CAG48TG | 4 | NAT. GAS | #43 | 140,000 | 35,280 | 4 |
| L.P. GAS | #54 | 140,000 | 35,280 | 10 | ||
| 177CAG60TG | 5 | NAT. GAS | #43 | 175,000 | 44,100 | 4 |
| L.P. GAS | #54 | 175,000 | 44,100 | 10 | ||
COUNTERTOP GAS GRIDDLE, MANUAL
| MODEL # | Gas Supply | Manifold Pressure | ||||
| BURNERS | GAS TYPE | NOZZLE | BTU/HR | KCAL/HR | TUBE PRESSURE (in. W.C.) | |
| 177CAG15MG | 1 | NAT. GAS | #44 | 30,000 | 7,560 | 4 |
| L.P. GAS | #54 | 30,000 | 7,560 | 10 | ||
| 177CAG24MG | 2 | NAT. GAS | #44 | 60,000 | 15,121 | 4 |
| L.P. GAS | #54 | 60,000 | 15,121 | 10 | ||
| 177CAG36MG | 3 | NAT. GAS | #44 | 90,000 | 22,680 | 4 |
| L.P. GAS | #54 | 90,000 | 22,680 | 10 | ||
| 177CAG48MG | 4 | NAT. GAS | #44 | 120,000 | 30,240 | 4 |
| L.P. GAS | #54 | 120,000 | 30,240 | 10 | ||
| 177CAG60MG | 5 | NAT. GAS | #44 | 150,000 | 37,800 | 4 |
| L.P. GAS | #54 | 150,000 | 37,800 | 10 |
COUNTERTOP RADIANT GAS CHARBROILER
| MODEL # | GasSupply | Manifold Pressure | ||||
| BURNERS | GAS TYPE | NOZZLE | BTU/HR | KCAL/HR | TUBE PRESSURE (in. W.C.) | |
| 177CAG24RC | 2 | NAT. GAS | #40 | 60,000 | 15,129 | 4 |
| L.P. GAS | #52 | 60,000 | 15,129 | 10 | ||
| 177CAG36RC | 3 | NAT. GAS | #40 | 90,000 | 22,694 | 4 |
| L.P. GAS | #52 | 90,000 | 22,694 | 10 | ||
| 177CAG48RC | 4 | NAT. GAS | #40 | 120,000 | 30,259 | 4 |
| L.P. GAS | #52 | 120,000 | 30,259 | 10 | ||
COUNTERTOP GAS RANGE
| MODEL # | Gas Supply | Manifold Pressure | ||||
| BURNERS | GAS TYPE | NOZZLE | BTU/HR | KCAL/HR | TUBE PRESSURE (in. W.C.) | |
| 177CAGR212 | 2 | NAT. GAS | #40 | 50,000 | 12,600 | 4 |
| L.P. GAS | #53 | 50,000 | 12,600 | 10 | ||
| 177CAGR424 | 4 | NAT. GAS | #40 | 100,000 | 25,200 | 4 |
| L.P. GAS | #53 | 100,000 | 25,200 | 10 | ||
| 177CAGR636 | 6 | NAT. GAS | #40 | 150,000 | 50,400 | 4 |
| L.P. GAS | #53 | 150,000 | 50,400 | 10 |
PARTS DIAGRAM
COUNTERTOP GAS GRIDDLE, THERMOSTATIC

PARTS LIST
COUNTERTOP GAS GRIDDLE, THERMOSTATIC
| # | PART # | DESCRIPTION | 15″ | 24″ | 36″ | 48″ | 60″ |
| 1 | 8.09.03.00000400 | LEG ASSEMBLY | 4 | 4 | 4 | 4 | 6 |
| 2 | 8.01.53.00002000 | GAS VALVE ASSEMBLY | 1 | 2 | 3 | 4 | 5 |
| 3 | 8.01.53.00001900 | KNOB ASSEMBLY | 1 | 2 | 3 | 4 | 5 |
| 4 | 8.01.53.00000060 | KNOB BEZEL | 1 | 2 | 3 | 4 | 5 |
| 5 | — | GREASE TRAP | 1 | 1 | 1 | 1 | 2 |
| 6 | 8.01.53.00000045 | FRONT PANEL | 1 | 1 | 1 | 1 | 1 |
| 7 | 8.01.53.00002300 | GAS DISTRIBUTION TUBE ASSEMBLY | 1 | 1 | 1 | 1 | 1 |
| 8 | 8.20.55.42425362 | STAINLESS STEEL FLEX TUBE 3/16″ | 1 | 2 | 3 | 4 | 5 |
| 9 | — | THERMOCOUPLE | 1 | 2 | 3 | 4 | 5 |
| 10 | — | PILOT | 1 | 2 | 3 | 4 | 5 |
| 11 | 8.01.53.00002600 | INTERNAL FRAME ASSEMBLY | 1 | 1 | 1 | 1 | 1 |
| 12 | 8.01.52.00000788 | EXTERNAL SIDE PANEL | 2 | 2 | 2 | 2 | 2 |
| 13 | 8.01.53.00000046 | ORIFICE ASSEMBLY SUPPORT BRACKET | 1 | 2 | 3 | 4 | 5 |
| 14 | 8.01.52.00000785 | BURNER DEFLECTOR | 1 | 2 | 3 | 4 | 5 |
| 15 | 8.01.53.00002100 | BURNER ASSEMBLY | 1 | 2 | 3 | 4 | 5 |
| 16 | 8.01.53.00002500 | GRIDDLE PLATE ASSEMBLY | 1 | 1 | 1 | 1 | 1 |
| 17 | 8.01.52.00000632 | GAS TUBE BACK BRACKET | 1 | 1 | 1 | 1 | 1 |
| 18 | 8.01.52.00000786 | EXTERNAL BACK PANEL | 1 | 1 | 1 | 1 | 1 |
| 19 | 8.01.52.00000787 | INTERNAL BACK PANEL | 1 | 1 | 1 | 1 | 1 |
GREASE TRAP CODES
- Model 15″ 8.01.53.00000078
- Model 24″ 8.01.52.00000781
- Model 36″ 8.01.53.00000080
- Model 48″ 8.01.53.00000094
- Model 60″ 8.01.52.00000781 and 8.01.53.0000008
PARTS DIAGRAM
COUNTERTOP RADIANT GAS CHARBROILER

PARTS LIST
| # | PART # | DESCRIPTION | 15″ | 24″ | 36″ | 48″ | 60″ |
| 1 | 8.01.53.00009500 | BURNER ASSEMBLY | 1 | 2 | 3 | 4 | 5 |
| 2 | 8.01.52.00072100 | GRIDDLE PLATE ASSEMBLY | 1 | 1 | 1 | 1 | 1 |
| 3 | 8.01.52.00000785 | BURNER DEFLECTOR | 1 | 2 | 3 | 4 | 4 |
| 4 | 8.01.53.00000042 | GAS TUBE BACK BRACKET | 1 | 1 | 1 | 1 | 1 |
| 5 | 8.01.52.00000786 | EXTERNAL BACK PANEL | 1 | 1 | 1 | 1 | 1 |
| 6 | 8.01.52.00000787 | INTERNAL BACK PANEL | 1 | 1 | 1 | 1 | 1 |
| 7 | — | STAINLESS STEEL 4.5 X 10 NT OPEN RPX RIVET | 3 | 7 | 11 | 13 | 10 |
| 8 | — | STAINLESS STEEL SCREW 4.2 X 13 NT | 27 | 32 | 35 | 35 | 45 |
| 9 | 8.01.52.00000788 | EXTERNAL SIDE PANEL | 2 | 2 | 2 | 2 | 2 |
| 10 | 8.09.03.00000400 | LEG ASSEMBLY | 4 | 4 | 4 | 4 | 6 |
| 11 | — | RED FS UNC 1.4-2OF X 1.2 ZB SCREW | 2 | 2 | 2 | 2 | 2 |
| 12 | — | INTERNAL FRAME ASSEMBLY | 1 | 1 | 1 | 1 | 1 |
| 13 | 8.01.52.00072600 | GAS DISTRIBUTION TUBE ASSEMBLY | 1 | 1 | 1 | 1 | 1 |
| 14 | 8.01.52.00000780 | FRONT PANEL | 1 | 1 | 1 | 1 | 1 |
| 15 | 8.01.53.00001900 | KNOB ASSEMBLY | 1 | 2 | 3 | 4 | 5 |
| 16 | — | GREASE TRAP | 1 | 1 | 1 | 1 | 2 |
| 17 | 8.01.52.00072500 | PILOT TUBE ASSEMBLY | — | 1 | 1 | 2 | 2 |
| 18 | — | THREDEAD RIVET | 2 | 2 | 2 | 2 | 2 |
GREASE TRAP CODES
- Model 15″ 8.01.53.00000078
- Model 24″ 8.01.52.00000781
- Model 36″ 8.01.53.00000080
- Model 48″ 8.01.53.00000094
- Model 60″ 8.01.52.00000781 and 8.01.53.00000080
PARTS DIAGRAM
COUNTERTOP RADIANT GAS CHARBROILER

PARTS LIST
COUNTERTOP RADIANT GAS CHARBROILER

CRUMB/DRIP PAN CODES
- Model 12″ 8.01.53.00000014
- Model 24″ 8.01.53.00000019
- Model 36″ 8.01.53.00000026
Equipment Limited Warranty
Avantco warrants its equipment to be free from defects in material and workmanship for a period of 1 year. This is the sole and exclusive warranty made by Avantco covering your Avantco brand equipment. A claim under this warranty must be made within 1 year from the date of delivery of the equipment. Only the equipment’s original purchaser may make a claim under this warranty. Avantco reserves the right to approve or deny the repair or replacement of any part or repair request. The warranty is not transferable. Avantco Equipment installed in/on a food truck or trailer will be limited to a period of 30 days from the original date of delivery
To Make a Warranty Claim:
For Warranty Inquiries contact the location where you purchased the product:
- WebstaurantStore.com: Contact [email protected]. Please have your order number ready.
- The Restaurant Store: If you purchased this unit from your local store, please contact your store directly.
- The RestaurantStore.com: Online purchases, call 717-392-7261. Please have your order number ready
Failure to contact the designated location prior to obtaining equipment service may void your warranty.
Avantco makes no other warranties, express or implied, statutory or otherwise, and HEREBY DISCLAIMS ALL IMPLIED WARRANTIES, INCLUDING THE IMPLIED WARRANTIES OF MERCHANTABILITY AND OF FITNESS FOR A PARTICULAR PURPOSE.
This Limited Warranty does not cover:
- Equipment sold or used outside the Continental United States
- Use of unfiltered water (if applicable)
- Avantco has the sole discretion on wearable parts not covered under warranty
- Equipment not purchased directly from an authorized dealer
- Equipment used for residential or other non-commercial purposes
- Equipment that has been altered, modified, or repaired by anyone other than an authorized service agency
- Equipment where the serial number plate has been removed or altered.
- Damage or failure due to improper installation, improper utility connection or supply, and issues resulting from improper ventilation or airflow.
- Defects and damage due to improper maintenance, wear and tear, misuse, abuse, vandalism, or Act of God.
Any action for breach of this warranty must be commenced within 1 year of the date on which the breach occurred.
No modification of this warranty, or waiver of its terms, shall be effective unless approved in a writing signed by the parties. The laws of the Commonwealth of Pennsylvania shall govern this warranty and the parties’ rights and duties under it. Avantco shall not under any circumstances be liable for incidental or consequential damages of any kind, including but not limited to loss of profits.




























