177EG16N 16 Inch Electric Countertop Griddle
User Manual
Electric Griddles
Models: 177EGi6N,
Please read and keep these instructions. Indoor use only. www.AvantcoEquipment.com
Specifications
All units come with a 6 ft. commercial cord except 177EG36N and 177EG48N which must be hardwired
| Model | Voltage | Power | Dimensions (LxWxH) | Temp. Range | Net Wt. | Shipping Wt. | Plug Type |
| 177EG16N | 120V AC | 1750W | 16″ x 19.75″ x 13″-15″ | 120°F – 570°F | 52 lbs. | 62 lbs. | NEMA 5-15P |
| 177EG24N | 208V/240V | 2675/3560W | 24″ x 19.75″ x 13″-15″ | 120°F – 570°F | 80 lbs. | 90 lbs. | NEMA 6-20P |
| 177EG30N | 208V/240V | 3375/4500W | 30″ x 19.75″ x 13″-15″ | 120°F – 570°F | 87 lbs. | 110 lbs. | NEMA 6-20P |
| 177EG36N | 208V/240V | 7488/10080W | 36″ x 19.75″ x 13″-15″ | 120°F – 570°F | 201 lbs. | 218 lbs. | HARD WIRED |
| 177EG48N | 208V/240V | 10482/14000W* | 48″ x 19.75″ x 13″-15″ | 120°F – 570°F | 364Ibs. | 518Ibs. | HARD WIRED |
Model 177EG48N requires two separate electrical connections and services.
“Wattage Split: circuit 1: 5241/7000W; circuit 2: 5241/7000W
Safety
- Ensure that the power supply you are using is adequate for continual grilddle use and the voltage is correct.
- This equipment MUST HAVE at least 12″ of space clearance from combustible construction on the sides, back, top and front.
- Unplug the unit when not in use and before cleaning.
- Do not immerse unit, cord, or plug in liquid at any time.
- Do not operate unattended.
- Do not use this unit for anything other than its intended use.
- Do not use outdoors.
- Always use on a firm, dry, and level surface.
- Do not use if unit has a damaged cord or plug, in the event the appliance malfunctions, or has been damaged in any manner.
- Any incorrect installation, alterations, adjustments, and/or improper maintenance can lead to property loss and injury. All repairs should be done by authorized professionals.
Exhaust Canopy
Griddles inherently create a good deal of heat and smoke and should be installed under an efficient exhaust hood with flame proof filters. A vertical distance of not less than 48″ shall be provided between the top of the appliance and filters or any other combustible material. Exhaust installation must conform to local codes.
Connecting Power Supply
For hardwired models, an electrician will need access to the bottom of the units. Additionally, a 50 Amp breaker is needed per junction box if installing separate connections; or one 80 Amp breaker if both are wired into the same breaker. A professional electrician is needed to install hard-wired units. See wiring diagrams and model voltage below. Please check the product page for installation guidelines.
Instructions for First Time Use
There is a thin layer of wax paper on top of the grill plate that must be removed prior to using the griddle. In order to protect the plates of your new grill during transportation, a layer of food-safe oil was coated on the surface prior to shipment. This oil is harmless, but must be removed before you begin to use. To remove, preheat the grill until the oil liquifies.
Next, carefully wipe away the melted oil with a clean, soft cloth and rinse with a mixture of 1/4 cup vinegar to 1 qt. water. To season, spread unsalted solid shortening or liquid frying compound evenly over the entire griddle surface. Turn all griddle burners to medium and wait until the shortening begins to smoke, then turn the burners OFF. Rub the now melted shortening into the griddle surface with burlap, moving in the direction of the surface’s polish marks and covering the entire surface. Allow the griddle to cool. When the griddle is cool after the second seasoning, wipe it with a thin film of shortening or cooking oil.
Adjustable feet installation
Ensure that all feet are installed correctly before the operation of this griddle. Your griddle includes four adjustable feet, that are packaged unattached. Each foot has a screw protruding from the top for assembly. Locate the four screw holes at each corner of the bottom housing of the griddle. Insert the screw and turn the foot clockwise until snug. Repeat for all four feet. The height of the feet can be adjusted by rotating the bottom of the foot. Ensure that all four feet are adjusted to the same height to make a level cooking surface.
Operation
- Plug the power cord into the appropriate outlet. The red “Power” light will illuminate.
- Set the desired temperature by turning the rotary temperature knob clockwise. The heating element will begin to heat up and the green “Heating’ light will illuminate.
- When the temperature reaches the desired setting, the green “Heating” light will cycle on and off with the heating element to maintain the set temperature.
- For best results, allow the unit to preheat for 15 minutes before placing food on cooking surface.
- Turn temperature knob to the “Off” position to turn the green “Heating” light and heating element off. You must unplug the unit for the red “Power light” to turn off.
Transportation And Maintenance
During transportation, the machine should be handled with care.
Cleaning
- After each use, scrape the griddle with a scraper or flexible spatula to remove excess grease and food. A grease tray is provided for the drippings. If there is an accumulation of burned-on grease and food, the griddle should be thoroughly scoured and re-seasoned. Please follow Noble Chemical Griddle Kleen instructions below: Evenly pour a thin layer of GRIDDLE KLEEN over the hot griddle surface (300° – 350°F). Immediately spread the liquid with a compatible high heat sponge over the entire cooking area and gently scrub heavily soiled spots as needed. Allow a thin layer of GRIDDLE KLEEN to remain in contact with the warm grill surface for a few minutes. Then, wipe or squeegee into the grease tray. Turn off the griddle. Rinse the surface and wipe clean with a thick damp cloth. Apply a thin coating of liquid shortening to prevent the surface from rusting.
- Daily, use a clean cloth and a good non-abrasive cleaner to clean the stainless steel body of the griddle. Wipe the polished front with a soft cloth.
- At least once a day, remove the waste drawer and wash in the same way as an ordinary cooking utensil. The drawers are removed by pulling forward until they are released from their track.

Everything you need to clean and sanitize your griddle can be found in this handy griddle gear cleaning kit.
Keep your grill clean and free of grease and other buildup with this Noble Chemical Griddle Kleen liquid grill / griddle cleaner!
| Parts Diagram # | Part Name | Replacement Part Item # |
| 1 | Power Cord | 177COPCORD (EG16N), 177COPCORD2 (EG24N & EG3ON) |
| 2 | Power Cord Clip | |
| 3 | Body | |
| 4 | Terminal | 177EGTERMNL1 (EG16N), 177EGTERMNL2 (EG24N, EG3ON, EG36N) |
| 5 | Heating Element | 177EGELEM16 ( EG16N), 177EGELEM24 (EG24N), 177EGELEM30 (EG3ON), 177EGELEM36 (EG36N) |
| 6 | Insulation | |
| 7 | Heating Element Holder | |
| 8 | Insulation Board | |
| 9 | Bottom Plate | |
| 10 | Foot | 177EGLEG |
| 11 | Bottom Plate Screws | |
| 12 | Thermostat | 177EGTHERM2 |
| 13 | Thermostat Screws | |
| 14 | Thermostat Knob | 177EGKNOB |
| 15A | Red Power Light | 177COPLIGHT |
| 156 | Green Working Light | 177COWLIGHT |
| 16 | _ Grease Tray | _ 177EGTRAYc |

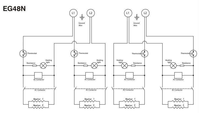
Circuit Diagams



Limited Warranty
Avantco Equipment warrants its equipment to be free from defects in material and workmanship for the prescribed time listed below, when purchased from an authorized dealer and appropriately installed in the United States. This is the sole and exclusive warranty made by Avantco covering your Avantco brand equipment. A claim under this warranty must be made within the prescribed time from the original date of delivery of the equipment. Claims under this warranty may only be made by the original purchaser. Avantco reserves the right to approve or deny the repair or replacement of any part or repair request. The warranty is not transferable. Coverage is determined at the time of sale and cannot be modified for previously purchased products.
- Year Replacement Warranty
This warranty applies to all Avantco Equipment products not specified below. - Year Replacement Warranty
This warranty applies only to the following item numbers:
Countertop Mixers: 177MIX8 Series
Excluded Products
The following items are not covered by this warranty.
See Parts & Labor Warranty document attached to these products.
- Floor Mixers: 177MX Series (30 quarts and larger)
- Automatic Meat Slicers: 177SL Series
- Meat Saw: 177EMBS94SS
- Gas Donut Fryers: 177FBF Series
- Gas Floor Fryers: 177FF Series
- Electric Floor Fryers: 177EF40 Series
Food Truck, Mobile, and Outdoor Commercial Use Warranty
Outdoor, mobile, and food truck customers shall receive 30 days of replacement warranty coverage for all equipment named above, regardless of the prescribed coverage period. To make a warranty claim, contact your authorized dealer.
Outside the Contiguous United States Warranty Information
Products sold into Alaska, Hawaii, other US territories outside of the Contiguous United States, and Canada shall be backed by replacement coverage on items that can ship via normal parcel shipping, excluding the cost of shipping and any applicable duties, taxes, and fees. Items that must ship LTL/common carrier will be provided replacement parts, excluding labor costs, or reimbursed in the form of store credit for the value of the item only, excluding all applicable shipping costs, duties, taxes, and fees, at the place of purchase following appropriate troubleshooting steps.
Coverage Limitations
This warranty applies to all Avantco Equipment products not specified below.
This limited warranty does not cover:
- Equipment used for residential or non-commercial purposes.
- Equipment not purchased directly from an authorized dealer.
- Equipment where the serial number plate has been removed or altered.
- Equipment that has been altered, modified, or repaired by anyone other than an authorized service agency.
- Equipment that was not professionally installed, where applicable. Equipment requiring professional installation shall be named in its documentation and includes but is not limited to any equipment requiring a gas or plumbing connection. Proof of installation may be required to make a warranty claim.
- Damage or failure due to improper installation, improper utility connection or supply, use of unfiltered water (if applicable), and issues resulting from improper ventilation or airflow.
- Incidental or consequential damage of any kind.
- Defects and damage due to improper maintenance (such as rust), wear and tear, abuse, vandalism, or Act of God.
- Excessive use or use outside of the intended design of the equipment, such as use other than with foodstuffs or in excess of the manufacturer’s recommendations as stated in the manual.
- Damage caused by improper electrical connection or voltage fluctuations.
- Avantco has the sole discretion on wearable parts not covered under warranty.
Warranty Inquiries and to Make a Claim
For all equipment covered by this replacement warranty, please contact your authorized dealer.
Have your model number, serial number, and proof of purchase information ready. www.WebstaurantStore.com
Please use the online chat feature or email [email protected].
You will need your order number to make an inquiry or claim.
The Restaurant Store
Please contact your local store directly. www.TheRestaurantStore.com
Please use the online chat feature or email [email protected].
You will need your order number to make an inquiry or claim.
Clark Food Service Equipment, PRO Marketplace, Hometown Provisions
Please contact your account manager directly. If you do not know your account manager,
please call 717-392-7363 for CFSE and Pro Marketplace or 717-464-4165 for Hometown Provisions.



















