CH15
HYDRAULIC CHIPPING HAMMER
USER MANUAL
Safety, Operation, and Maintenance
CE DECLARATION OF CONFORMITY
DECLARATION OF CONFORMITY
I, the undersigned: Nuerenberg, David
Surname and First names hereby declare that the equipment specified hereunder:
- Category: Chipping Hammer, Hydraulic
- Make: STANLEY
- Type: CH1513101, CH1513101D, CH1533101, (CH1553101 – For Underwater Use Only)
- Serial number of equipment: All
- Mass: 8 kg
Has been manufactured in conformity withDirective/Standards No. Approved body EN ISO
EN ISO
EN ISO
Noise Directive
EN ISO
EN ISO
EN ISO
Machinery Directive4413:2010
12100:2010
11148-4:2012
2000/14/EC:2005
3744:2010
28927-10:2011
13732-1:2008
2006/42/EC:2006Self
Self
Self
AkustikNet (Notified body ID 1585) Bagsvard Hovedgade 141, 2880 Bagsvard, Denmark Certificate #863/2011/006 (Verification 2015-08-04) Valid: 12-31-2018
Self
Self
Self - Special Provisions: None
- Measurements: Measured Sound Power Level 104 LwA
Guaranteed Sound Power Level 105 LwA
Measured in accordance with Directive 2000/14/EC - Representative in the Union: Patrick Vervier, Stanley Dubuis 17-19, rue Jules Berthonneau-BP 3406 41034 Blois Cedex, France.
Done at Fatto a STANLEY Infrastructure, Portland, Oregon USA Date 4-27-2018
Signature
Position
UKCA DECLARATION OF CONFORMITY
DECLARATION OF CONFORMITY
I, the undersigned: Vervier, Patrick
Surname and First names
hereby declare that the equipment specified hereunder:
- Category: Chipping Hammer, Hydraulic
- Make: STANLEY
- Type: CH1513101, CH1513101D, CH1533101
- Serial number of equipment: All
- Mass: 8 kg
Has been manufactured in conformity withDirective/Standards No. Approved body EN ISO
EN ISO
EN ISO
Noise Emission in the Environment by Equipment for Use Outdoors Regulations 2001
EN ISO
EN ISO
EN ISO
Supply of Machinery (Safety) Regulations 20084413:2010
12100:2010
28927-10:2011
S.I. 2001/1701
3744:2010
11148-4:2012
13732-1:2008
S.I. 2008/1597Self
Self
Self
TUV Rheinland (Notified body ID 0197) Tillystraße 2, 90431 Nürnberg, Germany Certificate #JO601591840001 (Verificatio09/11/2021) Valid: 8/11/2026
Self
Self
Self - Special Provisions: None
- Measurements: Measured Sound Power Level 103 LwA
Guaranteed Sound Power Level 105 LwA
Measured in accordance with Directive 2000/14/EC,
Annex III, Part B, No 10, 15 kg<m< 30 kg - Representative in the Union: Patrick Vervier, STANLEY Dubuis 17-19, rue Jules Berthonneau- CS 73406 41034 Blois CEDEX, France.
Done at STANLEY Infrastructure, Milwaukie, Oregon USA Date 01/10/2022
Signature
Position: Engineering Manager
To fill out a product warranty validation form, and for information on your warranty, visit www.stanleyinfrastructure.com and select the Company tab > Warranty.
Note: The warranty validation record must be submitted to validate the warranty.
SERVICING: This manual contains safety, operation, and routine maintenance instructions. STANLEY Infrastructure recommends that servicing of hydraulic tools, other than routine maintenance, must be performed by an authorized and certified dealer. Please read the following warning.
SERIOUS INJURY OR DEATH COULD RESULT FROM THE IMPROPER REPAIR OR SERVICE OF THIS TOOL.
REPAIRS AND / OR SERVICES TO THIS TOOL MUST ONLY BE DONE BY AN AUTHORIZED AND CERTIFIED DEALER.
For the nearest certified dealer, call STANLEY Infrastructure at (503) 659-5660 and ask for a Customer Service Representative.
SAFE SYMBOLS
Safety symbols and signal words, as shown below, are used to emphasize all operator, maintenance, and repair actions which, if not strictly followed, could result in a life-threatening situation, bodily injury, or damage to equipment.
This is the safety alert symbol. It is used to alert you to potential personal injury hazards. Obey all safety messages that follow this symbol to avoid possible injury or death.
This safety alert and signal word indicate an imminently hazardous situation that, if not avoided, will result in death or serious injury.
This safety alert and signal word indicate a potentially hazardous situation that, if not avoided, could result in death or serious injury.
This safety alert and signal word indicate a potentially hazardous situation that, if not avoided, could result in death or serious injury.
This signal word indicates a potentially hazardous situation that, if not avoided, may result in property damage.
This signal word indicates a situation that, if not avoided, will result in damage to the equipment.
This signal word indicates a situation that, if not avoided, may result in damage to the equipment.
Always observe safety symbols. They are included for your safety and for the protection of the tool.
LOCAL SAFETY REGULATIONS
Enter any local safety regulations here. Keep these instructions in an area accessible to the operator and maintenance personnel.
……………………………………..
……………………………………..
……………………………………..
SAFETY PRECAUTIONS
Tool operators and maintenance personnel must comply with the safety precautions in this manual and on stickers and tags attached to the tool and hose.
These precautions are given for your safety. Review them carefully before operating the tool or performing general maintenance.
Supervising personnel should develop additional precautions relating to the specific work area and local safety regulations. Place these precautions in the space provided.
The CH15 Hydraulic Chipping Hammer will provide safe and dependable service if operated in accordance with the instructions given in this manual. Read and understand this manual and any stickers and tags attached to the tool and hoses before operation. Failure to do so could result in personal injury or equipment damage.
![]()
- Ensure the workpiece is securely fixed. Be aware that failure of the workpiece or accessories may generate high-velocity projectiles.
- The operator must start in a work area without bystanders and must assess the risk to bystanders.
- The operator must be familiar with all prohibited work areas, such as excessive slopes and dangerous terrain conditions.
- Operators and maintenance personnel shall be able to physically handle the bulk, weight, and power of the tool.
- Establish a training program for all operators to ensure safe operation.
- Do not operate the tool unless thoroughly trained or under the supervision of an instructor.
- Always wear safety equipment such as goggles, gloves, ear protection, head protection, breathing protection, and safety shoes at all times.
- Do not inspect, carry, clean or change the tool bit if the hydraulic power source is connected. Accidental engagement of the tool can cause serious injury.
- Hoses must have a minimum working pressure rating of 2500 psi/175 bar. Do not exceed rated working pressure. Excess pressure may cause a leak or burst.
- Be sure all hose connections are tight.
- The hydraulic circuit control must be set to “OFF” when coupling or uncoupling the tool. Wipe all couplers clean before connecting. Use lint-free clothes. Failure to do so
must comply carefully before operating the tool or performing general may damage the couplers and cause overheating. - Do not operate the tool at oil temperatures above 140 °F/60 °C. Operation at high oil temperatures can cause operator discomfort and damage the tool. Never touch the tool bit, which can get hot.
- When using a non-rotary percussive tool to perform work-related activities, the operator can experience discomfort in the hands, arms, shoulders, neck, or other parts of the body.
- If you experience numbness, tingling, pain, or whitening of the skin in your fingers or hands, stop using the tool. Tell your employer and consult a physician.
- Do not operate a damaged, improperly adjusted, or incompletely assembled tool.
- Do not weld, cut with an acetylene torch, or hard-face the tool bit.
- All tool repair, maintenance, and service must be performed by authorized and properly trained personnel.
- Do not exceed the rated limits of the tool or use the tool for applications beyond its design capacity.
- Inspect the tool before each use and ensure all decals are legible. Contact STANLEY if replacements are needed.
- Replace parts with parts recommended by STANLEY.
- Check fastener tightness often and before each use.
- Do not operate the tool if you are uncertain about the presence of underground utilities.
- Do not wear loose-fitting clothing during operation.
- Keep all body parts away from the working tool.
- Be observant of hydraulic hoses lying about the work area. They can be a tripping hazard.
- Never use the tool in an explosive atmosphere. Sparks could ignite explosive gas.
- Never operate the tool if you cannot be sure that underground utilities are not present, such as electrical cables, gas pipes, etc. These can cause a hazard if damaged with the tool.
- The tool is not insulated against coming into contact with electric power.
- Use proper lifting techniques when handling the tool. Get help and do not over-reach.
- Use proper protection from falling or flying debris.
- Failure to use hydraulic hoses labeled and certified as non-conductive when using hydraulic tools on or near electric lines may result in death or serious injury.
- Handle hose carefully to avoid kinking, abrasions, Cutting, or contact with high-temperature surfaces. Do not use a hose to pull or lift the tool.
- Check the entire hose for damage. If damaged, replace the hose immediately. Never use tape or any device to attempt to mend the hose.
- Do not use the conductive hose on or near electric lines. This hose is not labeled or certified as non-conductive. Using this hose on or near electrical lines may result in death or serious injury.
- WARNING: Some dust created by power sanding, sawing, grinding, drilling, and other construction activities contains chemicals known to the State of California to cause cancer, birth defects, or other reproductive harm. Some examples of these chemicals are:
- Lead from lead-based paints,
- crystalline silica from bricks and cement and other masonry products, and
- arsenic and chromium from chemically treated lumber.
Your risk from these exposures varies, depending on how often you do this type of work. To reduce your exposure to these chemicals: work in a well-ventilated area, and work with approved safety equipment, such as those dust masks that are specially designed to filter out microscopic particles.
Protect yourself and those around you. Research and understand the materials you are cutting. Follow correct safety procedures and comply with all applicable national, state, or provisional health and safety regulations relating to them, including if appropriate arranging for the safe disposal of the materials by a qualified person.
Warning: Hydraulic fluid under pressure could cause skin injection injury. If you are injured by hydraulic fluid, get medical attention immediately.

The safety tag (P/N 15875) at the right is attached to the tool when shipped from the factory. Read and understand the safety instructions listed on this tag before removal. We suggest you retain this tag and attach it to the tool when not in use.
DANGER
- FAILURE TO USE HYDRAULIC HOSES LABELED AND CERTIFIED AS NON-CONDUCTIVE WHEN USING HYDRAULIC TOOLS ON OR NEAR ELECTRICAL LINES MAY RESULT IN DEATH OR SERIOUS INJURY. BEFORE USING A HOSE LABELED AND CERTIFIED AS NONCONDUCTIVE ON OR NEAR ELECTRIC LINES BE SURE THE HOSE IS MAINTAINED AS NON-CONDUCTIVE. THE HOSE SHOULD BE REGULARLY TESTED FOR ELECTRIC CURRENT LEAKAGE IN ACCORDANCE WITH YOUR SAFETY DEPARTMENT INSTRUCTIONS.
- A HYDRAULIC LEAK OR BURST MAY CAUSE OIL INJECTION INTO THE BODY OR CAUSE OTHER SEVERE PERSONAL INJURY. A. DO NOT EXCEED SPECIFIED FLOW AND PRESSURE FOR THIS TOOL. EXCESS FLOW OR PRESSURE MAY CAUSE
A. LEAK OR BURST.
B. DO NOT EXCEED THE RATED WORKING PRESSURE OF THE HYDRAULIC HOSE USED WITH THIS TOOL. EXCESS PRESSURE MAY CAUSE A LEAK OR BURST.
C. CHECK TOOL HOSE COUPLERS AND CONNECTORS DAILY FOR LEAKS. DO NOT FEEL FOR LEAKS WITH YOUR HANDS. CONTACT WITH A LEAK MAY RESULT IN SEVERE PERSONAL INJURY.
D. DO NOT LIFT OR CARRY TOOLS BY THE HOSES. DO NOT ABUSE HOSE. DO NOT USE KINKED, TORN, OR DAMAGED HOSE. - MAKE SURE HYDRAULIC HOSES ARE PROPERLY CONNECTED TO THE TOOL BEFORE PRESSURING THE SYSTEM. SYSTEM PRESSURE HOSE MUST ALWAYS BE CONNECTED TO THE TOOL “IN” PORT. THE SYSTEM RETURN HOSE MUST ALWAYS BE CONNECTED TO THE TOOL “OUT” PORT. REVERSING CONNECTIONS MAY CAUSE REVERSE TOOL OPERATION WHICH CAN RESULT IN SEVERE PERSONAL INJURY.
- DO NOT CONNECT OPEN-CENTER TOOLS TO CLOSED-CENTER HYDRAULIC SYSTEMS. THIS MAY RESULT IN LOSS OF OTHER HYDRAULIC FUNCTIONS POWERED BY THE SAME SYSTEM AND/OR SEVERE PERSONAL INJURY.
- BYSTANDERS MAY BE INJURED IN YOUR WORK AREA. KEEP BYSTANDERS CLEAR OF YOUR WORK AREA.
- WEAR HEARING, EYE, FOOT, HAND, AND HEAD PROTECTION.
- TO AVOID PERSONAL INJURY OR EQUIPMENT DAMAGE, ALL TOOL REPAIR MAINTENANCE AND SERVICE MUST ONLY BE PERFORMED BY AUTHORIZED AND PROPERLY TRAINED PERSONNEL.
IMPORTANT
READ OPERATION MANUAL AND SAFETY INSTRUCTIONS FOR THIS TOOL BEFORE USING IT.
USE ONLY PARTS AND REPAIR PROCEDURES APPROVED BY STANLEY AND DESCRIBED IN THE OPERATION MANUAL.
TAG TO BE REMOVED ONLY BY TOOL OPERATOR.
SEE OTHER SIDE
SAFETY TAG P/N 15875 (Shown smaller than actual size)
HOSE TYPES
The rated working pressure of the hydraulic hose must be equal to or higher than the relief valve setting on the hydraulic system. There are three types of hydraulic hoses that meet this requirement and are authorized for use with STANLEY hydraulic tools. They are:
Certified non-conductive — constructed of thermoplastic or synthetic rubber inner tube, synthetic fiber braid reinforcement, and weather-resistant thermoplastic or synthetic rubber cover. A hose labeled certifi ed nonconductive is the only hose authorized for use near electrical conductors.
Wire-braided (conductive) — constructed of synthetic rubber inner tube, single or double wire braid reinforcement, and weather-resistant synthetic rubber cover. This hose is conductive and must never be used near electrical conductors.
Fabric-braided (not certified or labeled non-conductive) — constructed of thermoplastic or synthetic rubber inner tube, synthetic fiber braid reinforcement, and weather-resistant thermoplastic or synthetic rubber cover. This hose is not certifi ed non-conductive and must never be used near electrical conductors.
HOSE SAFETY TAGS
To help ensure your safety, the following DANGER tags are attached to all hoses purchased from STANLEY. DO NOT REMOVE THESE TAGS.
If the information on a tag is illegible because of wear or damage, replace the tag immediately. A new tag may be obtained from your STANLEY Distributor.
THE TAG SHOWN BELOW IS ATTACHED TO THE “CERTIFIED NON-CONDUCTIVE” HOSE
DO NOT REMOVE THIS TAG
DANGER
- FAILURE TO USE HYDRAULIC HOSES LABELED AND CERTIFIED AS NON-CONDUCTIVE WHEN USING HYDRAULIC TOOLS ON OR NEAR ELECTRIC LINES MAY RESULT IN DEATH OR SERIOUS INJURY.
FOR PROPER AND SAFE OPERATION MAKE SURE THAT YOU HAVE BEEN PROPERLY TRAINED IN THE CORRECT PROCEDURES REQUIRED FOR WORK ON OR AROUND ELECTRIC LINES. - BEFORE USING HYDRAULIC HOSE LABELED AND CERTIFIED AS NON-CONDUCTIVE ON OR NEAR ELECTRIC LINES. WIPE THE ENTIRE LENGTH OF THE HOSE AND FIT WITH A CLEAN DRY ABSORBENT CLOTH TO REMOVE DIRT AND MOISTURE AND TEST THE HOSE FOR MAXIMUM ALLOWABLE CURRENT LEAKAGE IN ACCORDANCE WITH SAFETY DEPARTMENT INSTRUCTIONS.
- DO NOT EXCEED THE HOSE WORKING PRESSURE OR ABUSE THE HOSE. IMPROPER USE OR HANDLING OF THE HOSE COULD RESULT IN A BURST OR OTHER HOSE FAILURE. KEEP HOSE AS FAR AWAY AS POSSIBLE FROM BODY AND DO NOT PERMIT DIRECT CONTACT DURING USE. CONTACT AT THE BURST CAN CAUSE BODILY INJECTION AND SEVERE PERSONAL INJURY.
- HANDLE AND ROUTE HOSE CAREFULLY TO AVOID KINKING, ABRASION, CUTTING, OR CONTACT WITH HIGH-TEMPERATURE SURFACES. DO NOT USE IF KINKED. DO NOT USE A HOSE TO PULL OR LIFT TOOLS, POWER UNITS, ETC.
- CHECK THE ENTIRE HOSE FOR CUTS CRACKS LEAKS ABRASIONS, BULGES, OR DAMAGE TO COUPLINGS IF ANY OF THESE CONDITIONS EXIST, REPLACE THE HOSE IMMEDIATELY. NEVER USE TAPE OR ANY DEVICE TO ATTEMPT TO MEND THE HOSE.
- AFTER EACH USE STORE IN A CLEAN DRY AREA.
(Shown smaller than actual size)
HOSE RECOMMENDATIONS
Tool to Hydraulic Circuit Hose Recommendations
The chart to the right shows recommended minimum hose diameters for various hose lengths based on gallons per minute (GPM)/liters per minute (LPM). These recommendations are intended to keep return line pressure (back pressure) to a minimum acceptable level to ensure maximum tool performance.
This chart is intended to be used for hydraulic tool applications only based on STANLEY tool operating requirements and should not be used for any other applications.
All hydraulic hoses must have at least a rated minimum working pressure equal to the maximum hydraulic system relief valve setting.
All hydraulic hoses must meet or exceed specifications as set forth by SAE J517.
Oil Flow | Hose Lengths | Inside Diameter | USE (Press/Return) | Min Working Pressure | ||||
GPM | LPM | FEET | METERS | INCH | MM | PSI | BAR | |
Certified Non-Conductive Hose – Fiber Braid – for Utility Bucket Trucks | ||||||||
| 4-9 | 15-34 | up to 10 | up to 3 | 3/8 | 10 | Both | 2250 | 155 |
Conductive Hose – Wire Braid or Fiber Braid -DO NOT USE NEAR ELECTRICAL CONDUCTORS | ||||||||
| 4-6 | 15-23 | up to 25 | up to 7.5 | 3/8 | 10 | Both | 2500175 | |
| 4-6 | 15-23 | 26-100 | 7/5/30 | 1/2 | 13 | Both | 2500175 | |
| 5-10.5 | 19-40 | up to 50 | up to 15 | 1/2 | 13 | Both | 2500 | 175 |
| 5-10.5 | 19-40 | 51-100 | 15-30 | 5/8 | 16 | Both | 2500 | 175 |
| 5-10.5 | 19-40 | 100-300 | 30-90 | 5/8 | 16 | Pressure | 2500 | 175 |
| 3/4 | 19 | Return | 2500 | 175 | ||||
| 10-13 | 38-49 | up to 50 | up to 15 | 5/8 | 16 | Both | 2500 | 175 |
| 10-13 | 38-49 | 51-100 | 15-30 | 5/8 | 16 | Pressure | 2500 | 175 |
| 3/4 | 19 | Return | 2500 | 175 | ||||
| 10-13 | 38-49 | 100-200 | 30-60 | 3/4 | 19 | Pressure | 2500 | 175 |
| 1 | 25. | Return | 2500 | 175 | ||||
| 13-16 | 49-60 | up to 25 | up to 8 | 5/8 | 16 | Pressure | 2500 | 175 |
| 3/4 | 19 | Return | 2500 | 175 | ||||
| 13-16 | 49-60 | 26-100 | 3/4 | 19 | 8-30 Pressure | 2500 | 175 | |
| 1 | 25. | Return | 2500 | 175 | ||||
Figure 1. Typical Hose Connections
HTMA / EHTMA REQUIREMENTS
HTMA / EHTMA REQUIREMENTS
TOOL TYPE
| HTML HYDRAULIC SYSTEM REQUIREMENTS | TYPE I | TYPE II | TYPE RR | TYPE III |
| Flow range Nominal operating pressure (At the power supply outlet) | 4-6 GPM (15-23 LPM) 1500 psi (103 bar) | 7-9 GPM (26-34 LPM) 1500 psi (103 bar) | 9-10.5 GPM (34-40 LPM) 1500 psi (103 bar) | 11-13 GPM (42-49 LPM) 1500 psi (103 bar) |
| System relief valve setting (At the power supply outlet) | 2100-2250 psi (145-155 bar) | 2100-2250 psi (145-155 bar) | 2200-2300 psi (152-159 bar) | 2100-2250 psi (145-155 bar) |
| Maximum back pressure (At tool end of the return hose) Measured at a max fluid viscosity of: (At minimum operating temperature) | 250 psi (17 bar) 400 ssu* (82 centistokes) | 250 psi (17 bar) 400 ssu* (82 centistokes) | 250 psi (17 bar) 400 ssu* (82 centistokes) | 250 psi (17 bar) 400 ssu* (82 centistokes) |
| Temperature: Sufficient heat rejection capacity to limit maximum fluid temperature to: (At maximum expected ambient temperature) Minimum cooling capacity at a temperature difference between ambient and fluid temps | 140° F (60° C) 3 hp (2.24 kW) 40° F (22° C) | 140° F (60° C) 5 hp (3.73 kW) 40° F (22° C) | 140° F (60° C) 6 hp (5.22 kW) 40° F (22° C) | 140° F (60° C) 7 hp (4.47 kW) 40° F (22° C) |
| Note: Do not operate the tool at oil temperatures above 140° F (60° C). Operation at higher temperatures can cause operator discomfort with the tool. | ||||
| Filter minimum full-flow filtration Sized for the flow of at least: (For cold temp startup and maximum dirt-holding capacity) Hydraulic fluid, petroleum-based (premium grade, anti-wear, non-conductive) Viscosity (at a minimum and maximum operating temps) | 25 microns 30 GPM (114 LPM) 100-400 ssu (20-82 centistokes) | 25 microns 30 GPM (114 LPM) 100-400 ssu (20-82 centistokes) | 25 microns 30 GPM (114 LPM) 100-400 ssu (20-82 centistokes) | 25 microns 30 GPM (114 LPM) 100-400 ssu (20-82 centistokes) |
| Note: When choosing a hydraulic fluid, the expected oil temperature extremes that will be experienced in service determine the most suitable temperature viscosity characteristics. Hydraulic fluids with a viscosity index over 140 will meet the requirements over a wide range of operating temperatures. *SSU = Saybolt Seconds Universal | ||||
CLASSIFICATION
| EHTMA HYDRAULIC SYSTEM REQUIREMENTS | |||||
| Flow range | 3.5-4.3 GPM (13.5-16.5 LPM) | 4.7-5.8 GPM (18-22 LPM) | 7.1-8.7 GPM (27-33 LPM) | 9.5-11.6 GPM (36-44 LPM) | 11.8-14.5 GPM (45-55 LPM) |
| Nominal operating pressure (At the power supply outlet) | 1870 psi (129 bar) | 1500 psi (103 bar) | 1500 psi (103 bar) | 1500 psi (103 bar) | 1500 psi (103 bar) |
| System relief valve setting (At the power supply outlet) | 2495 psi (172 bar) | 2000 psi (138 bar) | 2000 psi (138 bar) | 2000 psi (138 bar) | 2000 psi (138 bar) |
Note: These are general hydraulic system requirements. See the tool specification page for tool-specific requirements.
OPERATION
PREPARATION PROCEDURES
The tool, as shipped, has no special unpacking or assembly requirements prior to usage. The inspection tool was not damaged in shipping and does not contain packing debris is all that is required.
CHECK HYDRAULIC POWER SOURCE
- Using a calibrated flowmeter and pressure gauge, check that the hydraulic power source develops 7–9 GPM/26–34 LPM at 1000–2000 psi/70–140 bar for the 8 GPM models. Proper flow and pressure proper tool speed.
- Make certain the hydraulic power source is equipped with a relief valve set to open at 2100–2250 bar minimum.
- Check that the hydraulic circuit matches the tool for open-center (OC) operation.
CHECK TOOL
- Make sure all tool accessories are correctly installed. Failure to install tool accessories properly damages the tool or personal injury.
- There should be no signs of leaks.
- The tool should be clean, with all fittings and fasteners tight.
CHECK TRIGGER MECHANISM
- Check that the trigger operates smoothly and is free to travel between the “ON” and “OFF” positions.
INSTALL TOOL BIT – FIG. 2
- Remove the solid retainer. a. Grasp the loop of the retainer spring and pull it from the retainer.
b. Slip the solid retainer off the chuck end. - Insert the tool bit into the solid retainer. The hex shank must be toward the chuck end. Align the oval collar with the oval slot in the chuck end of the solid retainer.
- Insert the tool hex shank into the chuck end to engage the hex liner. Index the shank in the hex liner to get the desired bit orientation to the chipper.

- Slide the solid retainer on the chuck end, aligning the retainer spring slot with the groove.
- Install the retainer spring.
Note: Never use the tool if the bit is not locked in the tool retainer. - Connect the hoses to the tool and the hydraulic power source.
Note: The pressure increase in uncoupled hoses left in the sun may result in making them difficult to connect. When possible, connect the free ends of operating hoses together.|
OPERATING PROCEDURES – FIG. 3
- Observe all safety precautions.
- Move the hydraulic circuit control valve to the “ON” position.
- Place the tool bit firmly on the surface to be broken, at a 90° angle. Apply down pressure.
- Squeeze the trigger to start the chipping hammer. Adequate down pressure is very important. Hold the tool correctly and be ready to counteract normal or sudden movements. Have both hands available.
Note: Partially depressing the trigger allows the tool to operate at a slow speed, making it easy to start the tool bit into the surface to be broken.
COLD WEATHER OPERATION
If the tool is to be used during cold weather, preheat the hydraulic fluid at low engine speed. When using the normally recommended fluids, the fluid temperature should be at or above 50 °F/10 °C (400 ssu/82 centistokes) before use.
STORAGE
- Disconnect the tool from the hydraulic power source.
- Remove the tool bit and spray the chuck area with WD40 inside and out.
- Wipe clean and store in a clean, dry place.

UNDERWATER MODEL PREVENTATIVE MAINTENANCE
After each use, the movable portions of the tool that were exposed to water should be flushed with water displacing oil such as WD40. Remove any remaining water and debris as follows:
- Turn the tool upside down (without the tool bit) and spray oil through the inside of the chuck and retainer including down inside the retainer spring, also spray any of the exposed piston areas to displace any remaining water.
- Spray oil into the On/Off valve trigger slot area.
- Dip or spray the entire tool.
- Cycle the tool hydraulically several times before storing away.
TOOL PROTECTION & CARE
In addition to the Safety Precautions found in this manual, observe the following for equipment protection and care.
• Make sure all couplers are wiped clean before connection.
• The hydraulic circuit control valve must be in the “OFF” position when coupling or uncoupling hydraulic tools. Failure to do so may result in damage to the quick couplers and cause overheating of the hydraulic system.
• Always store the tool in a clean dry space, safe from damage or pilferage.
• Make sure the circuit PRESSURE hose (with male quick disconnect) is connected to the “IN” port. The circuit RETURN hose (with female quick disconnect) is connected to the opposite port. Do not reverse circuit flow. This can cause damage to internal seals.
• Always replace hoses, couplings, and other parts with replacement parts recommended by STANLEY. Supply hoses must have a minimum working pressure rating of 2500 psi/172 bar.
• Do not exceed the rated flow and pressure. Refer to “SPECIFICATIONS” on page 17 for correct flow and pressure rate. Rapid failure of the internal seals may result.
• Always keep critical tool markings, such as warning stickers and tags, legible.
• Do not force a small tool to do the job of a large tool.
• Keep tool bits sharp for maximum breaker performance. Make sure that tool bits are not chipped or rounded on the striking end.
• Never operate a chipper without a tool bit or without holding it against the work surface. This puts excessive strain on the retainer.
• Tool repair should be performed by experienced personnel only.
• Make certain that the recommended relief valves are installed on the pressure side of the system.
• Do not use the tool for applications for which it was not intended.
TROUBLESHOOTING
If symptoms of poor performance develop, the following chart can be used as a guide to correct the problem. When diagnosing faults in the operation of the tool, always make sure the hydraulic power source is supplying the correct hydraulic flow and pressure as listed in the table. Use a flowmeter known to be accurate. Check the flow with the hydraulic fluid temperature of at least 80 °F/27 °C.
PROBLEM | CAUSE | SOLUTION |
| The tool does not run. | The power unit not functioning. | Check power unit for proper flow and pressure 7–9 GPM/26–34 LPM, 2000 psi/140 bar for 8 GPM model. Proper flow and pressure maintain proper tool speed. |
| Couplers or hoses are blocked. | Remove restriction. | |
| Pressure and return line hoses reversed at ports. | Be sure hoses are connected to their proper ports. | |
| Mechanical failure of piston or shuttle valve. | Have inspected and repaired by an authorized dealer. | |
| The tool does not hit effectively. | The power unit not functioning. | Check power unit for proper flow and pressure 7–9 GPM/26–34 LPM, 2000 psi/140 bar for 8 GPM model. |
| Couplers or hose blocked. | Remove restriction. | |
| Fluid too hot | Provide a cooler to maintain proper fluid temperature. (Above 140 °F / 60 °C). | |
| Incorrect tool bit. | Ensure tool bit meets specifications. | |
| The tool operates slowly. | Low oil flow from the power unit. | Check power source for proper flow. |
| High back-pressure. | Check hydraulic system for excessive back-pressure and correct as required. | |
| The power unit not functioning. | Check power unit for proper flow and pressure 7–9 GPM/26–34 LPM, 2000 psi/140 bar for 8 GPM model. Proper flow and pressure maintain proper tool speed. |
SPECIFICATIONS
Oil Flow Range
CH1513101, CH1533101, 8-GPM Model …………………………………………………………………….4-9 GPM/15-34 LPM
Pressure Range………………………………………………………………………………………………….. 1000-2000 psi/69-140 Bar
Nominal Flow ……………………………………………………………………………………………………………………. 8 GPM/30 LPM
Length…………………………………………………………………………………………………………………………………… 17 in./43 cm
Weight ………………………………………………………………………………………………………………………………… 16 lb./7.25 kg
Tool Bit Models CH1513101, CH1533101 ………………………………………………………….580 in. Hex Shank Oval Collar
Porting …………………………………………………………………………………………………………………………………-8 SAE O-ring
Couplers ……………………………………………………………………………..HTMA/EHTMA Flush Face Type Male & Female
Connect Size and Type ………………………………………………………………………………………… 3/8 in. Male Pipe Adapter
Hose Whips ……………………………………………………………………………………………………………………………………….. Yes
Maximum Back Pressure………………………………………………………………………………………………………. 250 psi/17 bar
Maximum Fluid Temperature …………………………………………………………………………………………………… 140 °F/60 °C
HTMA/EHTMA Category ………………………………………………………………………………………………………… Type 1 and 2
Nominal Pressure …………………………………………………………………………………………………………….. 1500 psi/103 bar
Max Pressure ………………………………………………………………………………………………………………….. 2500 psi/172 bar
Max Relief Pressure …………………………………………………………………………………………………………. 2150 psi/148 bar
CH15 SOUND AND VIBRATION DECLARATION:
Test conducted on CH15 operated at 30 LPM input
Measured A-weighted sound power level, Lwa (ref. 1pW) in decibels …………………………………………………. 104 dBA
Uncertainty, Kwa, in decibels ………………………………………………………………………………………………………….. 1.9 dBA
Guaranteed sound power level………………………………………………………………………………………………………. 105 dBA
Measured A-weighted sound pressure level, LPA (ref. 20 µPa) at operator’s position, in decibels …………….. 92 dBA
Uncertainty, Kpa, in decibels …………………………………………………………………………………………………………….. 3 dBA
Values are determined according to the noise test code given in ISO 15744, using the basic standard ISO3744. Test conducted by an independent notified body to comply with 2000/14/EC:2005 requirements.
Note: The sum of a measured noise emission value and its associated uncertainty represents an upper boundary of the range of values that is likely to occur in measurements.
Measured vibration emission value: 3-Axis (Trigger Handle) …………………………………………………………. 19.4 m/sec²
Measured vibration emission value: 3-Axis (Lower Grip) ………………………………………………………………. 14.3 m/sec²
Uncertainty: K …………………………………………………………………………………………………………………………… 3.4 m/sec²
Values determined according to EN ISO 28927-10
ACCESSORIES
Description____________________________________________________________ Part No.
Parker Bruning Flush Face Coupler Set, 3/8 NPT …………………………………………………………………………………03971
Parker Bruning Flush Face Coupler Set, 1/2 NPT …………………………………………………………………………………03974
Hose, 50 ft. × 1/2 in. ID, wire braid, dual, with couplers …………………………………………………………………………31848
Hose, 25 ft. × 1/2 in. ID, wire braid, dual, with couplers …………………………………………………………………………31972
Seal Kit …………………………………………………………………………………………………………………………………………..35979
Point, 9 in., Oval, .580 Hex ………………………………………………………………………………………………………………..66256
Narrow Chisel, 9 in., Oval, .580 Hex …………………………………………………………………………………………………..66257
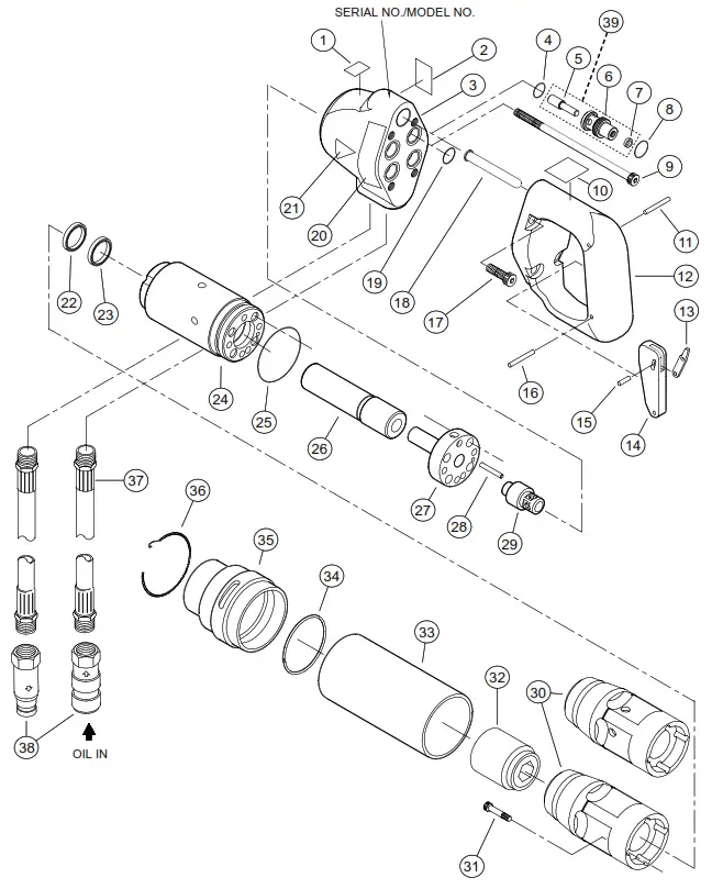
CH15 PARTS ILLUSTRATION
Note: If you have a 5-GPM CH15 tool, the 3 parts that are required to make it a 5-GPM tool are no longer available as of July 2015. If you need to replace any one of items 29, 31, or 32 you must purchase all 3 items to convert the tool to an 8-GPM tool, the tool will still work at 5-GPM if needed.

| ITEM | P/N | QTY | DESCRIPTION |
| 1 | 28323 | 1 | CE STICKER |
| 2 | 66654 | 1 | SOUND PWR LEVEL STICKER |
| 3 | 73310 | 1 | BODY |
| 4 | 16 | 1 | O-RING *△ |
| 5 | 81110 | 1 | VALVE SPOOL |
| 6 | 81111 | 1 | VALVE SLEEVE |
| 7 | 81109 | 1 | CUP SEAL A |
| 8 | 01211 | 1 | O-RING *△ |
| 9 | 24871 | 4 | CAPSCREW 5/16-18UNC x 3 |
| 10 | 28409 | 1 | COMPOSITE STICKER |
| 11 | 07492 | 1 | SPIRAL PIN |
| 12 | 62209 | 1 | HANDLE |
| 13 | 62197 | 1 | TRIGGER ROD |
| 14 | 62198 | 1 | TRIGGER |
| 15 | 00878 | 1 | DOWEL PIN, 3/16 x 1/2 SS |
| 16 | 31602 | 1 | SPIROL PIN 5/32 x 1.2 |
| 17 | 13815 | 4 | CAPSCREW 5/16-18UNC x 1 |
| 18 | 31582 | 1 | TRIGGER PIN |
| 19 | 01211 | 4 | O-RING *△ |
| 20 | 36112 | 1 | NAME TAG |
| 21 | 11207 | 1 | CIRCUIT “D” DECAL |
| 22 | 31607 | 1 | SCRAPER *△ |
| 23 | 31606 | 1 | CUP SEAL* △ |
| 24 | 36111 | 1 | CYLINDER |
| 25 | 07572 | 1 | O-RING *△ |
| 26 | 33520 | 1 | PISTON |
| 27 | 33521 | 1 | TUBE |
| 28 | 35546 | 1 | DOWEL PIN, 5/32 x 1.500 |
| 29 | 31592 | 1 | SHUTTLE VALVE |
| 30 | 65835 | 1 | CHUCK END |
| 66258 | 1 | CHUCK END (CH1533101 U/W ONLY) | |
| 31 | 35976 | 4 | CAPSCREW 1/4 x 1.500 |
| 32 | 03210 | 1 | RETAINING NOSE LINER |
| 33 | 33294 | 1 | FOAM GRIP |
| 34 | 38597 | 1 | RETAINING RING-U/WMODELONLY |
| 35 | 65836 | 1 | SOLID RETAINER |
| 36 | 65837 | 1 | RETAINER SPRING |
| 37 | 01412 | 2 | PIGTAIL HOSE ASSY 12 |
| 38 | 03971 | 1 | FLUSH FACE COUPLER SET |
| 39 | 81112 | 1 | VALVE ASSEMBLY (PURCHASE ASSEMBLY TO REPLACE ANY VALVE COMPONENTS ON MODELS PRIOR TO S/N 110917173) |
| SK1 | 35979 | 1 | * SEAL KIT (MODELS PRIOR TO S/N 110917173) |
| SK2 | 81139 | 1 | △ SEAL KIT (MODELS AFTER S/N 110917173) |
| MODEL DESIGNATIONS | |
| CH1513101 | 8 GPM MODEL |
| CH1533101 | 8 GPM MODEL, UNDERWATER |
UNDERWATER TOOLS DEPTH GUIDELINE
UNDERWATER MODELS ONLY
Do not use hydraulic tools underwater that is not designated as an “underwater” model, or this will result in damage to the tool.
For underwater hydraulic tools, the applications are broken down into four quadrants depending on the type of tool and method of operation.
The types of tools are percussive and rotational, each with different characteristics allowing for different depth operations. With percussive tools, the nitrogen accumulator PSI must counter the increase in ambient pressure found at lower depths. Since there is a maximum PSI for percussive tools they are limited to certain depths. Rotational tools do not have accumulators and thus are capable of deeper depths.
The methods are broken into the diver-operated or remote-operated vehicle (ROV). ROVs can reach lower depths and with an onboard hydraulic power source that is depth compensated, can operate hydraulic tools at depths of thousands of feet. ROV operation is still limited to the tool, for example, a percussive tool has the same depth limitation whether ROV or diver operated.

OPERATION OVERVIEW
| PERCUSSIVE | ROTATIONAL | |
| DIVER | Tools: Breakers, Hammer Drills and Chipping Hammers Max Depth: 500’ – limitations due to accumulator PSI max (increase 40 PSI for every 100’) | Tools: Grinders, Saws, Chain Saws Max Depth: 1000’ – Reference hose sizing guide below |
| ROB | Tools: Breakers, Hammer Drills and Chipping Hammers Max Depth: 500’ – limitations due to accumulator PSI max (increase 40 PSI for every 100’) | Tools: Grinders, Saws, Chain Saws Max Depth: 1000’ – Reference hose sizing guide below |
RECOMMENDED HOSE DIAMETERS
| DEPTH (FT) | 8 GPM | 12 GPM |
| 100 | 5/8” | 5/8” |
| 300 | 3/4” | 1” |
| 600 | 1” | 1” |
| 1000 | 1” | 1-1/4” |
![]()
STANLEY Infrastructure
6430 SE Lake Road
Portland, Oregon 97222 USA
(503) 659-5660 / Fax (503) 652-1780
www.stanleyinfrastructure.com
© 2014 STANLEY Black & Decker, Inc.
New Britain, CT 06053
The U.S.A.
36098 7/2022 Ver. 25
![]()


b. Slip the solid retainer off the chuck end.


















