
OMCAN FS-US-0246 Fish Scaler Instruction Manual

Model FS-US-0246
STOP
DO NOT RETURN
THIS PRODUCT TO THE STORE
For questions or assistance with this
product call OMCAN Toll Free:
1 800 465 0234
Customer Service
or
visit the Support section of
www.omcan.com
Toll Free: 1-800-465-0234
Fax: 905-607-0234
Email: [email protected]
www.omcan.com

General Information
Omcan Manufacturing and Distributing Company Inc., Food Machinery of America, Inc. dba Omcan and Omcan Inc. are not responsible for any harm or injury caused due to any person’s improper or negligent use of this equipment. The product shall only be operated by someone over the age of 18, of sound mind, and not under the influence of any drugs or alcohol, who has been trained in the correct operation of this machine, and is wearing authorized, proper safety clothing. Any modification to the machine voids any warranty, and may cause harm to individuals using the machine or in the vicinity of the machine while in operation.
CHECK PACKAGE UPON ARRIVAL
Upon receipt of an Omcan shipment please inspect for external damage. If no damage is evident on the external packaging, open carton to ensure all ordered items are within the box, and there is no concealed damage to the machine. If the package has suffered rough handling, bumps or damage (visible or concealed), please note it on the bill of lading before accepting the delivery and contact Omcan within 24 hours, so we may initiate a claim with the carrier. A detailed report on the extent of the damage caused to the machine must be filled out within three days, from the delivery date shown in the shipping documents. Omcan has no recourse for damaged products that were shipped collect or third party.
Before operating any equipment, always read and familiarize yourself with all operation and safety instructions.
Omcan would like to thank you for purchasing this machine. It’s of the utmost importance to save these instructions for future reference. Also save the original box and packaging for shipping the equipment if servicing or returning of the machine is required.
Safety and Warranty
WARNING
When using fish scalers as with any electric tool basic safety precautions should always be followed to reduce the risk of fire, electric shock, and personal injury.
READ ALL INSTRUCTIONS
GROUNDING INSTRUCTIONS
This tool should be grounded while in use to protect the operator from electric shock. The tool is equipped with a three conductor cord and three prong grounding type plug to fit the proper grounding type receptacle. The green conductor in the cord is the grounding wire. Never connect the green wire to a live terminal.
GENERAL SAFETY PROCEDURES
- Keep work area clean. Cluttered areas invite injury.
- Keep children away. Do not let visitors contact tool or extension cord. All visitors should be kept away from work area.
- Do not use the tool for any purpose for which it is not intended.
- Dress properly, do not wear loose clothing or jewelry as they can get caught in moving parts.
- Wear safety glasses to protect against flying debris.
- Don’t overreach, keep proper footing and balance at all times.
- Disconnect power cord when not in use, before servicing and when changing flexible shafts, handpieces, and tools.
- Avoid unintentional starting. Be sure switch is off (handpiece holder down) before plugging tool in.
- Stay alert, be aware of what you are doing and others around you. Do not operate the tool when you are tired.
- Check for damaged parts before use of the tool. Any part damaged such as a guard should be repaired or replaced by an authorized service center. Do not use tool if switch does not turn it on and off.
RESIDENTIAL USERS: Vendor assumes no liability for parts or labor coverage for component failure or other damages resulting from installation in non-commercial or residential applications. The right is reserved to deny shipment for residential usage; if this occurs, you will be notified as soon as possible.
1 YEAR PARTS AND LABOUR BENCH WARRANTY
Within the warranty period, contact Omcan Inc. at 1-800-465-0234 to schedule a drop off to either an Omcan authorized service depot in the area, or to an Omcan Service warehouse to repair the equipment.
Unauthorized maintenance will void the warranty. Warranty covers electrical and part failures, not improper use.
Please see https://omcan.com/disclaimer for complete info.
WARNING:
The packaging components are classified as normal solid urban waste and can therefore be disposed of without difficulty.
In any case, for suitable recycling, we suggest disposing of the products separately (differentiated
waste) according to the current norms.
DO NOT DISCARD ANY PACKAGING MATERIALS IN THE ENVIRONMENT!
Technical Specifications

Installation
ASSEMBLY INSTRUCTIONS
BE SURE UNIT IS UNPLUGGED AND SWITCH IS IN THE OFF POSITION BEFORE PROCEEDING.
- Align and insert flexible core into motor core adapter.
- Insert outer casing into motor casing adapter until the shoulder on the coupling bottoms out.
- Tighten both socket cap screws using a 3/16” hex key.
- Insert the flexible core into the adapter on the hand piece, and then thread hand piece onto flexible shaft.
- Hang unit from a secure mounting at a height that allows the shaft to have a gradual arc while the operator is using the tool.
- The scaler is now ready for use.
Operation
Hold the hand piece securely by the knurled anti slip handle. Keep hands away from the cutter head. Lift the yellow hand piece holder to start the motor. Beginning with the tail end of the fish, slowly move the cutter head toward the head of the fish. Repeat this motion until all the scales have been removed. When you are finished scaling turn the power off by pulling the hanger down, and replacing the hand piece on the holder after it has stopped spinning.
Maintenance
The motor and the hand piece use sealed bearings which require no maintenance over their life span. The life expectancy of the flexible shaft can be increased by lubricating the inner core after every one hundred hours of use. To lubricate the inner core remove the shaft from the motor and then slide the inner flexible shaft our of the rubber housing. Wipe the old grease off and then reinstall the core applying approximately 1/16” of Omcan food grade lubricant (Item: 31212) along the whole length.
Parts Breakdown
Model FS-US-0246 45357
Hand Piece

Model FS-US-0246 45357
Shaft Assembly

Cutters and Guards

Model FS-US-0246 45357
Power Unit Assembly

Model FS-US-0246 45357
Hand Piece


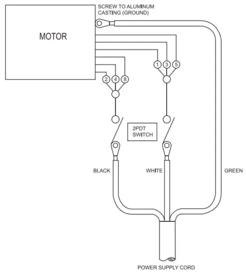
Electrical Schematics
Model FS-US-0246 45357

Warranty Registration
Thank you for purchasing an Omcan product. To register your warranty for this product, complete the information below, tear off the card at the perforation and then send to the address specified below. You can also register online by visiting:
For mailing in Canada
OMCAN
PRODUCT WARRANTY REGISTRATION
3115 Pepper Mill Court,
Mississauga, Ontario
Canada, L5L 4X5
For mailing in the US
OMCAN
PRODUCT WARRANTY REGISTRATION
4450 Witmer Industrial Estates, Unit 4,
Niagara Falls, New York
USA, 14305

Thank you for choosing Omcan.

Since 1951 Omcan has grown to become a leading distributor of equipment and supplies to the North American food service industry. Our success over these many years can be attributed to our commitment to strengthen and develop new and existing relationships with our valued customers and manufacturers. Today with partners in North America, Europe, Asia and South America, we continually work to improve and grow the company. We strive to offer customers exceptional value through our qualified local sales and service representatives who provide convenient access to over 5,000 globally sourced products.

Read More About This Manual & Download PDF:

















