HTP Quick Spot II Part #60501
Owner’s Manual
Transgun
Squeeze Type
Resistance Welder
HTP America, Inc.
180 Joey Drive
Elk Grove Village, IL 60007
1-800-USA-WELD
847-357-0700
FAX: 847-357-0744
www.usaweld.com
Introduction
Congratulations on your purchase of an HTP Quick Spot II
Squeeze-Type Resistance Spot Welder. Squeeze-Type
Resistance Spot Welding (S-TRSW) is one of the most widely used welding processes in the metal fabricating industry today.
Your Quick Spot has been designed specifically for automotive repair applications such as welding steel and HSLA steel body panels up to a maximum thickness of .078″ (14ga).
To get the most from your HTP Quick Spot, read the following manual carefully.
Electrical Connection
Your Quick Spot will only operate when PROPERLY connected to 220-volt single-phase power wired for a minimum of 30 amps. All electrical connections should be done by a qualified electrician in accordance with the National Electrical Code and local codes and ordinances. When connecting your Quick Spot, the yellow-green wire MUST BE CONNECTED TO GROUND, OR SERIOUS INJURY MAY RESULT.
Electrical Specifications
| Input Voltage | 220 Volts 50/60 Hz |
| Input Amperage | 30 Amps |
| Output Amperage | 6300 Amps |
| KVA @ 50% | 2.5 |
| Maximum KVA | 14 |
Safety Suggestions
- Squeeze Type Resistance Spot Welding (STRSW) produces very strong magnetic fields. People wearing pacemakers should not operate, nor be in the vicinity of a STRSW welder in use.
- The strong magnetic fields produced by the Quick Spot II may attract magnetic materials that are in the vicinity of the welder. Do not operate the machine in the vicinity of any magnetic materials.
- The strong magnetic fields produced by the Quick Spot II may damage watches and computers.
- Connect the machine to an electrical supply according to local electrical codes. Be sure the machine is properly grounded.
- Disconnect the machine from the power source during installation, inspection, and maintenance operations.
- Disconnect the machine from the power supply and air supply when servicing or replacing Tongs or Electrodes.
- Do not operate the machine in wet conditions! Do not operate the machine while standing on a wet floor. Electric Shock can KILL!
- Always wear eye protection when operating your Quick Spot II.
- To avoid fire, do not weld on wood, plastic tile, or carpeted floors. Concrete or masonry floors are safest.
- Do not weld on drums, barrels, tanks, or other containers until they have been cleared as described in AWS Standard A6.01.
- Provide adequate ventilation in the welding area at all times. Do not weld on galvanized zinc, Cadmium, or lead beryllium materials unless POSITIVE sufficient ventilation is provided. These materials produce toxic fumes.
- Exposed, electrically hot conductors or other bare metal in the welding circuit, or ungrounded electrically hot equipment can fatally shock a person whose body becomes a conductor. Do not stand, sit, lie, lean on, or touch a wet surface when welding.
- Frequently inspect cables for wear, cracks, damage, and loose connections. Replace those with excessively worn insulation to avoid a possible lethal shock from bared cable.
For more information, refer to the following standards and comply as applicable.
- ANSI Standard Z49.1 SAFETY IN WELDING AND CUTTING, obtainable from the American Welding Society, 2051 NW 7th St., Miami, FL 33125.
- ANSI Standard Z87.1 SAFE PRACTICE FOR OCCUPATION AND EDUCATIONAL EYE AND FACE PROTECTION, obtainable from American National Standards Institute, 1430 Broadway, New York, NY 10018.
- America Welding Society Standard A6.0 WELDING AND CUTTING CONTAINERS WHICH HAVE HELD COMBUSTIBLES, obtainable same as item 1.
- NFPA STANDARD 51. OXYGEN-FUEL GAS SYSTEMS FOR WELDING AND CUTTING, obtainable from the National Fire Protection Assoc., 470 Atlantic Avenue, Boston, MA 02210.
- NFPA Standard 51B. CUTTING AND WELDING PROCESSES, obtainable same as item 4.
- CGA PAMPHLET P-1. SAFE HANDLING OF COMPRESSED GASES IN CYLINDERS, obtainable from the Compressed Gas Association, 500 Fifth Avenue, New York, NY 10036.
- OSHA Standard 29 CFR, Part 1910, Subpart Q WELDING, CUTTING, AND BRAZING.
Installing The Spot Welding Arms
Select the spot welding arms that you want to use for your spot welding application. In this instance, we will be installing the standard arms (#673151) which came with your quick spot.

Using a 5 mm Allen wrench, remove the two M6 x 15 fallen bolts from the brass sleeve which retains the arms (See Fig 1). Put a light coating of a high-pressure grease or anti-seize compound on the threads and under the heads of these bolts and re-install them in the brass sleeve, but do not tighten.
Included in the box with your Quick Spot was a package that has the #673151 arms, a 5mm Allen wrench, a 6mm Allen wrench, an M6 locking bolt, and a handle. The handle can be installed in three different positions, right, left, and top. Install the handle on the pneumatic clamp in the best position for the specific job.
Once again, put a light coating of high-pressure grease or anti-seize compound on the threads and under the heads of the two M6 X 20mm Allen bolts which hold the electrodes into the spot welding arms. Slide the electrodes into the spot welding arms and tighten slightly. Install the arms in your quick spot and tighten slightly. (See Fig. 2).

Make sure the electrodes are aligned in both the horizontal direction as shown in Fig. 2 and the vertical direction as shown in Fig. 3. Manually close the electrodes to be sure they come together squarely. It is possible to lock the arms closed by screwing an M6 bolt into the case as shown in Figure 4 to make it easier to adjust the spot welding arms. Be sure to remove the locking bolt to release the arms prior to operation.

Tighten the 2 Allen screws in the brass sleeves securely, but DO NOT OVERTIGHTEN! Tighten the Allen screws which hold the electrodes in the spot welding arms as tight as possible. We recommend you use a 3/8” drive 5mm Allen socket for this purpose.

Using a paint marker, mark the electrodes where they mate with the arms (see Figure 5). This way, if the electrodes happen to slip into the arms, it will be obvious. If slippage occurs, eventually there will not be enough clamping pressure because the arms will not close completely. When this happens, the machine will arc between the electrodes and the panels and blow a hole in the panels. Should you notice the electrodes slipping, realign the arms and tighten the Allen bolts securely. Install all arms in the same manner.
To make it easier to reinstall the arms, it is recommended to mark the arms with a paint marker where they are inserted into the quick spot. See Figure 6.
Main Components and Adjustments

- Moveable Welding Arm – this is the spot welding arm that moves
- Lifting Eye Hole – an M8 lifting eye can be inserted in this hole should it be desired to suspend your Quick Spot from a counterweight.
- Welding Lever – depressing the welding lever lowers the moveable welding arm and brings it in contact with the panel, depressing the microswitch (5), which activates the welding power.
- Electrode Pressure Adjusting Screw
Use a 6mm Allen to adjust the electrode pressure. The pressure can be adjusted from 85 lbs to 265 lbs - Micro Switch – when the welding lever (3) contacts the Micro Switch, the welding current starts.
- Input Power Cable – make sure the input power cord is connected to the correct power supply.
- Fixed Welding Arm – This is the spot welding arm that is fixed. Usually, you will position the fixed arm against the panel to be welded, and then bring the moveable arm in contact with the other side of the panel to make a weld.
- Right/left/center adjustable handgrip – the handgrip can be positioned on the right, left, or center depending on the job requirements. It can not be positioned in the entrance if the lifting eye is in use.
Control Panel

- Welding Mode – depressing this button will allow you to select between:
a) Pulse Welding – the pulse welding mode is recommended for HSLA steel, galvanized steel, and panels that have a weld thru primer between them. For unibody collision repair, you should select the pulse welding mode. When the Quick Spot is in the pulse welding mode, the welding current will be a series of pulses of current instead of one continuous burst.
b) Continuous Welding – the continuous welding mode is good for clean sheet metal. It can also be used for the restoration of older vehicles.
If lights a and b flash alternately, the duty cycle of your Quick Spot II has been exceeded. Once the duty cycle has been exceeded, the machine will not weld until it has cooled down. You can expect to make 3 welds per minute when the machine is set for a thickness of 1mm + 1mm in the continuous welding mode. - Panel Thickness Selector – the correct panel thickness must be selected!! When spot welding 3 or more panels together, set the thickness to the combined thickness of the panels.
a) each panel measures 0.6mm (.024″ or 24 ga) thick for a combined thickness of 1.2mm (.048″)
b) each panel measures 0.8mm (.030″ or 22 ga) thick for a combined thickness of 1.6mm (.060″)
c) each panel measures 1.0mm (.040″) thick for a combined thickness of 2.0mm (.080″)
d) each panel measures 1.2mm (.048″ or 18 ga) thick for a combined thickness of 2.4mm (.096″)
e) each panel measures 1.5mm (.060″ or 16 ga) thick for a combined thickness of 3.0mm (.120″)
f) each panel measures 2.0mm (.078″ or 14 ga) thick for a combined thickness of 4.0mm (.156″) - Spot welding time – allows you to “fine-tune” the spot welding time. Based on the appearance of the weld it is possible to increase or decrease the weld time from the default setting.
Adjusting the Spot Welding Pressure
The spot welding pressure can be adjusted to different values by using the following chart for different length spot welding arms. The pressure is adjusted by turning the pressure adjusting screw
(Fig 7, #4) using a 6mm Allen wrench.
| Arm Length | Pressure in Pounds | ||||
| 4 ¾” | 265 | 220 | 175 | 135 | 85 |
| 10″ | 170 | 120 | 95 | 70 | 50 |
| 13 ¾” | 100 | 85 | 70 | 50 | |
| 20″ | 60 | 55 | 40 | ||
Operating Your Quick Spot II
You are now ready to use the machine to spot weld. Keep in mind the unit must pass an electric current through the panels to operate. Paint tends to be an insulating material. When you are preparing the panel and vehicle, it is important to keep this in mind. Proper preparation of the panel/vehicle is essential for maximum strength of the welds.
Plug the unit into the correct power source. Using the welding mode switch, select either Pulse Welding (A) or Continuous Welding (B). Pulse Welding is preferred for unibody repairs.
From the vehicle manufacturer, or using a micrometer, determine the thickness of the panel you will be welding. Using the Panel Thickness Selector, set the machine to the correct thickness of the panel. If you are welding more than two panels, set the machine to the combined thickness of all the panels you will be welding. For example, if you were welding 3 panels that were .024″ thick, (combined thickness = 3 x .024″ or .072″) the machine would be set to 1.0 + 1.0 because the maximum combined thickness of that setting is .078″. (See Table 1)
| Machine Setting | Thickness in Inches per panel for 2 panels | Thickness in Millimeters per panel for 2 panels | Closest Gauge | Maximum Combined Thickness (in) | Maximum Combined Thickness (mm) |
| 0.6 + 0.6 | 0.024 | 0.6 | 24 | 0.048 | 1.2 |
| 0.8 + 0.8 | 0.03 | 0.8 | 22 | 0.06 | 1.6 |
| 1.0 + 1.0 | 0.039 | 1 | 20 | 0.078 | 2 |
| 1.2 + 1.2 | 0.047 | 1.2 | 18 | 0.094 | 2.4 |
| 1.5 + 1.5 | 0.059 | 1.5 | 16 | 0.118 | 3 |
| 2.0 + 2.0 | 0.078 | 2 | 14 | 0.156 | 4 |
Table 1
Setting the machine for a thicker panel than you are actually welding will result in more heat input into the panel. Setting the machine for a thinner panel than you are actually welding will not produce a weld with optimum strength. SET THE MACHINE FOR THE CORRECT THICKNESS!
When fitting the panel on the vehicle, there can be no gaps. If there is a gap between the panels, the spot welder will blow a hole in the two panels. Use vise grips to make sure the panel fit is correct.

Fig 13 shows a typical rear quarter panel, with 5 main areas for spot welding. As mentioned above, paint is an electrical insulator. Each main spot weld area has one spot weld circled. It is necessary to have FOUR CLEAN SIDES OF METAL in each circled area. The first spot weld in each area should be where you have four clean sides of metal. Once that spot weld is in place, it is only necessary to remove paint from the panel/vehicle in the area where the electrodes will contact. Paint or weld through primer can be present on the mating surfaces of the panel/vehicle since the welder will now establish a ground through the first spot weld, which was made through the four clean sides of metal. However, for optimum results, it is strongly advised to remove any paint, undercoating, or sealant from between the two panels. These contaminants could affect the quality of the weld nugget. A good tool for paint removal is a fibertex abrasive pad.
The second spot weld should be placed next to the first as opposed to the other end of the panel. This way, the electricity has to flow a shorter distance to the first weld which is
providing the ground. The third spot weld should be placed close to the second, and so on. However, the welds should not be placed closer than 3/4” together.
In the “REST” Position, the welding lever is fully up, and the spot welding arms are completely open. As you compress the welding lever, the jaws begin to close. When the electrodes touch, the compression cycle begins, however, the welding current has not yet started. Further compression of the welding lever will force the end of the welding lever to contact the microswitch and start the welding current. You will hear the transformer hum and feel your Quick-Spot vibrate as the welding current is activated. The timer will automatically stop the welding process. Maintain pressure on the Welding lever for 1 to 2 seconds more to allow the welding nugget to solidify.
In order to operate properly, your Quick Spot must transfer the welding current from the bottom spot welding tong, into the bottom side of the lower panel, through the lower panel, into the top of the lower panel, into the bottom of the upper panel, through the upper panel, into the top of the upper panel, and finally into the top spot welding tong, completing the electrical circuit. What this means is BOTH SIDES OF BOTH PANELS MUST BE CLEAN TO ALLOW THE WELDING CURRENT TO PASS THROUGH THEM. If they are not clean, then your Quick Spot will not work correctly.
We always advise you make sample spot welds to test the strength of the spot weld. When pulling the two spot welds apart, one should always tear a hole in one of the panels if the spot weld is good and strong.
Testing the Welds
We recommend testing the spot welds with either scrap panels from the vehicle which you are working on, or using test panels that HTP has available. The test panels are 1″ wide x 3″ long 18-gauge steel and are available 25 pieces at a time.
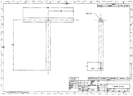
Fabricate a weld tester from the drawing below. Mount one of the panels in a vice, and bend the other panel, so the weld tester can be rolled around the panel like a sardine can. When rolled, a hole must be pulled in one of the panels.

Maintenance
Your Quick Spot II needs very little maintenance. As far as the power source goes, simply blow dry compressed air into the arms and across the cooling fins to remove any dust which may have accumulated in the unit.
The spot welding tongs and electrodes must be kept clean and sharpened. This should be performed any time the electrodes become contaminated, flattened, or out of shape.
Sharpening Electrode
Additionally, any oxidation which forms on the tongs where they are inserted in the pneumatic clamp, or on the electrodes where they are inserted in the tongs, should be removed with a wire wheel.
Troubleshooting
Spot welder is blowing holes or making poor-quality welds
- The gap between the panels – Clamp panels together with vise grips
- Electrodes not sharpened – Sharpen electrodes
- Contamination between the panels – Clean between panels
- Not keeping electrodes perpendicular to the panel – hold the clamp so the electrodes are perpendicular to the panel
- Inadequate Clamping pressure – adjust the clamping pressure
Chart of Weld Defects and Possible Causes
* If Weld Force is too low, excess heating of the material surface may cause excess indentation.
Optional Spot Welding Arms

| Illus # | Part # | Description |
| 1 | 673159 | Internal Pinch Weld Arms |
| 690052 | Electrode (90 Deg) | |
| 690046 | Electrode (8 ½”) | |
| 2 | 673152 | Straight Arms (Offset Electrode 10”) |
| 690047 | Electrode (5”) | |
| 690050 | Electrode (2”) | |
| 3 | 673156 | Long Arms (20”) |
| 690048 | Electrode (7 ¾”) | |
| 690050 | Electrode (2”) | |
| 4 | 673158 | External Pinch Weld Arms |
| 690046 | Electrode (8 ½”) | |
| 690052 | Electrode (90 Deg) | |
| 5 | 673153 | Straight Arms (Center Electrode 13 ¾”) |
| 690049 | Electrode (4”) | |
| 6 | 673155 | Arms (4 ¾”) |
| 690051 | Electrode (Curved) | |
| 7 | 673150 | Straight Arms (Center Electrode 4 ¾”) |
| 690049 | Electrode (4”) | |
| 8 | 673151 | Straight Arms (Offset Electrode 4 ¾”) |
| 690047 | Electrode (5”) | |
| 690050 | Electrode (2”) | |
| 9 | 673154 | Arms (13 ¾”) |
| 690050 | Electrode (2”) |
Parts Breakdown

| Part # | Illus # | Description |
| 113585 | 1 | SCR |
| 114070 | 2 | Control PCB |
| 114085 | 3 | Power PCB |
| 122393 | 4 | Microswitch |
| 169034 | 6 | Transformer |
| 690049 | 8 | Electrode L=100MM D.12MM |
| 690050 | 9 | Electrode L=50MM D.12MM |
| 990046 | 10 | Kit Cable Bushing + Ring Nut |
| 482887 | 11 | Pin |
| 322512 | 12 | Handle Cover |
| 212163 | 13 | Screw |
| 322518 | 14 | Bush |
| 522020 | 15 | Upper Arm Clamp |
| 522023 | 16 | Lower Arm Clamp |
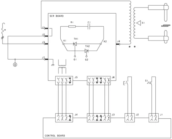
Wiring Diagram


















