MODULES
VMA03
MANUAL HVMA03’1
Motor & Power shield Arduino


Power shield that can drive: relays, solenoids, DC and stepper motors
Features
- For use with Arduino Due™, Arduino Uno™, Arduino Mega™
- Based on L298P dual full-bridge driver IC
- Outputs: up to 2 DC motors or 1 bipolar stepper motor
- Power supply: external power or power from Arduino board
Specifications
- Power supply: 7..46VDC
- Max current: 2A
- Dimensions: 68 x 53mm / 2.67 x 2.08”
Connection diagram

http://forum.velleman.eu/viewforum.php?f=39&sid=2d465455ca210fc119eae167afcdd6b0
DOWNLOAD SAMPLE CODE FROM KA03 PAGE ON WWW.VELLEMAN.BE
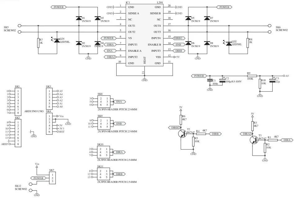
Schematic diagram

The new Velleman Projects catalog is now available.
Download your copy here: www.vellemanprojects.eu
Modifications and typographical errors reserved
– © Velleman nv. HVMA03 Velleman NV, Legen Heirweg 33 – 9890 Gavere.
















