
P62 Console Installation Guide
Cables and Connections
WARNING Before you connect any cables to the console, make sure that the equipment is not connected to any external power source or plugged into the wall.

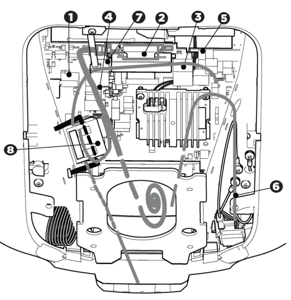
| Connector Location | Cable | Connector Type |
| 1 | Safety key (TRMs only) | Six-contact strip, keyed |
| 2 | TV, when installed | F-type coaxial with isolator |
| 3 | Ethernet (LAN) | Eight-contact modular on round black cable |
| 4 | Data from base unit | Eight-contact modular on flat gray cable |
| 5 | Power | Two-contact plug, polarized and latched |
| 6 | Heart rate sensor | Four-contact strip, keyed |
| 7 | microSD card slot | Eight-contact strip |
| 8 | Ferrite mount | N/A |
NOTE For instructions to set up and configure a media adapter, see the Media Adapter Guide in the console product page on www.precor.com.
Attach and Wire the Console
- Set the console on the rectangular hook at the bottom of the console mount and hold it in place.
- When installing a coaxial cable, remove the isolator extender 2 that connects the TV coaxial cable and then reattach it to the console.
- Connect the power cable 5, after passing it through and wrapping it around the ferrite mount.
- Verify the microSD card is securely mounted (see 7 above).


- Connect the cables 1,2 , 3, 4 as shown below ( is 6 lower board) by routing cables through the larger hole in the mount bracket.
- Tilt the console back onto the mounting bracket and secure it with the mounting bolts, making sure to fully tighten the bolts.
- Follow the checklist and set of instructions on the next page to test that the console and equipment are working.
- Attach the fasteners to reinstall the console rear cover after tests are completed.


Connect to a Network
- Go to Settings > System Settings > Connectivity.
- Touch Network Type > Wired (or Wi-Fi) > OK.
- Touch Configure. Select the network from the list and enter your credentials to access that network.
- Touch the Back button to return to the Connectivity screen. Your settings will be automatically saved.
Test Console and Equipment
Use this checklist of procedures for testing and follow each step in order.
| □ | Checklist items |
| □ | Install the console based on the information on the other side of this sheet. |
| □ | Verify that the Ethernet patch cables from the floor or wall cannot become caught on the equipment’s moving components (Not applicable for wireless connections). |
| □ | Verify these motion control operations work: • Elevation and speed • Resistance (Bikes, EFX, AMT) |
| □ | When using the internal TV tuner scan TV channels, then: 1. Verify that available channels match the channel list. 2. Rename the channels if necessary. 3. Set the default channel, if applicable. To install the set-top-box receiver, see the Media Adapter Guide. |
| □ | Touch GO, then verify these operations: • Channel up/down controls • Volume up/down controls • Channel changes on the channel list • USB connection (only for charging a personal media player and updating Preva software) • Headphone jack • STOP button and emergency stop lanyard (TRM only) |
| □ | Verify that the heart rate display works: 1. Begin exercising on the equipment and grasp both touch-sensitive handlebars. The heart icon flashes while the heart rate is read. You must maintain contact with both metal plates on each handlebar to ensure an accurate reading. Within ten seconds, your heart rate number appears in the HEART RATE (HR) display. 2. Perform the following checks if a number does not appear: 1. Verify that the HR cable is properly connected. 2. Repeat the test with a different person. In rare instances, it may not work properly for a few individuals. 3. Repeat this test using a chest strap or a wireless pulse simulator. You’ll get better results than if you grasp the touch-sensitive handlebars. DO NOT hold onto the handlebars during the reading or you’ll override the HR results. |
| □ | Verify the microSD card is securely inserted. |
| □ | When a TV coaxial cable is connected to the internal TV tuner ensure that the coaxial cable is securely installed by using a 7/16 open wrench to fully tighten the cable to the console. |
| □ | Verify IP connectivity. Go to System Settings > Connectivity. The IP address field should be populated (10.15.80.90, for example). Then, to register the equipment, make sure you have this information: • Location code • Precor technician account name and password • Serial number from the base • Friendly name assigned to the equipment by the facility (Example: Equipment Type-Floor-Row-Number) To complete registration for Preva-networked facilities: 1. Enter the Preva® server name (na.preva.com for all sites). 2. Enter the assigned account name and password. 3. Follow the onscreen instructions to register the product. |
| □ | Ask the facility’s Preva administrator to log on to Preva Business Suite and confirm that all P62-based equipment appears there. |
©2021 Precor Incorporated | PN 304148-101 Rev. C ENU | 22 October 2021


















