
G-BOM505-DC-110521-INS
Instructions
G-BOM505-DC Blackout Module
2021 Ford F-150
Contact InterMotive for additional vehicle applications
System Overview
The G-BOM505 module has the ability to eliminate all exterior lighting (except DRL’s if activated) to aid in covert operations. When activated, it will eliminate the parking lamps, reverse lights, and the Service Brake lights.
Installation Instructions
Disconnect vehicle battery before proceeding with installation.
WARNING Disconnect the battery to prevent setting a check engine light.
IMPORTANT — READ BEFORE INSTALLATION
It is the installer’s responsibility to route and secure all wiring harnesses where they cannot be damaged by sharp objects, mechanical moving parts and high heat sources. Failure to do so could result in damage to the system or vehicle and create possible safety concerns for the operator and passengers. Avoid placing the module where it could encounter strong magnetic fields from high current cabling connected to motors, solenoids, etc. Avoid radio frequency energy from antennas or inverters next to the module. Avoid high voltage spikes in vehicle wiring by always using diode clamped relays and solenoids when installing upfitter circuits.
CAUTION
All electronic products are susceptible to damage from Electrostatic Discharge or ESD. Ground yourself before handling or working with the module and harnessing by first touching chassis ground, such as the barrel of the cigarette lighter.
G-BOM505 Module
Remove the lower dash panel below the steering column area and find a suitable location to mount the GBOM505 module. Locate the module in an area away from any external heat sources (engine heat, heater ducts, etc.). Do not actually mount the module until all wire harnesses are routed and secure. The last step will be to mount the module.
G-BOM505 Module Mounting
Ensure all harnesses are properly connected and routed, and are not hanging below the dash area. Mount the G-BOM505 module using screws or double sided tape. Reinstall the lower dash panel.
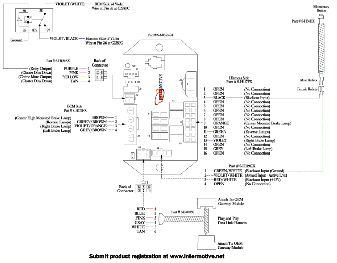
Gateway Plug and Play Harness (6-pin connector)
- Remove the upper centerstack bezel using a plastic trim tool. There are 8 clips securing it to the dash.

- Remove the instrument center trim panel using a plastic trim tool. There are 14 clips security it to the dash.

- Grasp the lower trim panel below the steering column and pull down. Unscrew the 2, 7mm screws and remove them. Remove the remainder of the lower steering column panel using a plastic trim removal tool. There are 7 clips securing it to the dash.

- Remove the 7 mm screw from the instrument panel lower trim panel.

- Remove the (3) pin-type retainers from the fabric trim panel located below the glovebox and remove the trim panel.

- Remove the instrument panel lower trim panel using a plastic trim removal tool. There are 6 clips securing it to the dash.

- Remove the left and right lower centerstack trim panels. They each have 5 clips securing it to the dash.

- Remove the (4) 7 mm screws from the lower centerstack trim panel.

- Remove the (2) 10 mm screws from the left and the right sides of the centerstack trim panel.

- Grab the centerstack trim panel and set it on the floor. There is no reason to disconnect any of the connectors.

- Locate the module below the radio and remove the connectors from the module.

- Remove the (3) 8 mm screws from the module located below the radio.
- Locate the 26-pin connector and disconnect it from the Gateway Module. Plug the 26-pin connector into the mating connector on the Intermotive harness. Plug the Male connector from the Intermotive harness into the mating connector at the OEM Gateway module.

- Reverse the instructions to reassemble the vehicle.
- Plug the free end of the Data Link harness into the mating 6-pin connector on the G-BOM505 module.
16-Pin BOM Relay Connector
The 16 Pin Molex connector (S-H117FX) will be used to connect the harness side of the rear light circuits.
Pin #3 – Black, connect female bullet to male bullet from the included momentary push button.
Pin #9 – Orange, connect to harness side of Center High Mounted Brake Lamp Circuit (page 12).
Pin #11 – Green, connect to harness side of Reverse Lamp Circuit (page 11).
Pin #13 – Violet, connect to harness side of Right Rear Brake Lamp Circuit (page 12).
Pin #15 – Gray, connect to harness side of Left Rear Brake Lamp Circuit (page 13). 
4-Pin BOM Relay Connector Pin-Out Definition
Connector J8 contains the 4 BOM fused relay output pins. These 4 fused output pins are connected to 4 relay outputs. Each relay output is capable of 10A maximum.
The 4 fused relay output pins on connector J8 are defined as follows:
- Pin #1 – Brown, connect to BCM side of Center High Mounted Brake Lamp Circuit (page 12).
- Pin #2 – Green/Brown, connect to BCM side of Reverse Lamp Circuit (page 11).
- Pin #3 – Violet/Orange, connect to BCM side of Right Rear Brake Lamp Circuit (page 12).
- Pin #4 – Gray/Brown, connect to BCM side of Left Rear Brake Lamp Circuit (page 13).

4-Pin BOM LCO Connector Pin-Out Definition
Connector J5 contains the G-BOM505 (LCO) pins. Each output is rated at 1A.
The 4 LCO pins on connector J5 are defined as follows:
- Pin #1 – LCO 1, Purple Wire, Cargo Lamp Circuit (page 11).
- Pin #2 – LCO 2, Pink Wire, Cluster Dimmer Down (page 16).
- Pin #3 – LCO 3, Yellow Wire, Chime Mute Output (page 16).
- Pin #4 – LCO 4, Tan Wire, Cluster Dimmer Up (page 18).
Connect the outputs to the vehicle equipment as indicated.
4-Pin BOM Input Connector Definition
Connector J4 (S-H119GX) contains the BOM’s 4 discrete wire inputs. Two of these are active low (1 and 2), The active low inputs have their own internal pull up resistors so they can be left floating when not used or not active.
The 4 input pins on connector J4 are defined as follows:
- Pin #1 – Blackout Input, Active low, Green/White Wire, Momentary low to activate Blackout Mode, connect the female bullet to the male bullet from the included momentary push button (photo below).
- Pin #2 – Armed Input Active low, Violet/White Wire, Momentary low to activate DarkCar. Connect this wire to a momentary switch that will ground the input.
- Pin #3 – Blackout Input, Active High, Red/White Wire, Momentary +12V to activate Blackout Mode.

Momentary Push Button
Drill a 16mm (0.630”) hole in the desired mounting location. Route the momentary push button harness through the hole and mount the button in the hole. Connect the bullets to the mating bullets from the BOM505-DC module.
BCM Connections
- Locate the BCM near the passenger compartment. Locate the connector C2280C plugged into the BCM and disconnect it. Note the Pin Numbers on the connector. The supplied white 4-pin pigtails will be tapping into several of these wires.
• The supplied male pigtail has Brown and Green/Brown wires. The female pigtail has Orange and Green wires.
Note: Performing one step at a time, attach the correct wire to the appropriate 4-pin pigtail wire. These connections must be made using solder and the supplied heat shrink tubing. Cut the tubing to 1” lengths for this purpose.
Reverse Lamp Circuit
- Locate Pin #11 Green/Brown wires of Connector C2280C.
- Verify with a DVM that there is 12V on the Green/Brown wires when the vehicle is in Reverse and 0V when the vehicle is in any gear other than Reverse.
- Cut the Green/Brown wires, pin #11 about 3 inches from the connector.
- Attach the BCM side of the Green/Brown wires, pin 11 to the male 4-pin connector Pin #2, Green/Brown wire.
- Attach the harness side of the Green/Brown wires, pin 13 to the female 16-pin connector pin #11, Green wire.
- Plug connector back into the BCM.

Cargo Lamps Circuit
- Locate Pin #26 White/Green wire of connector C2280C.
- Cut the White/Green wire and attach the BCM side of the wire to pin 30 of the relay.
- Attach the connector side of the White/Green wire to pin 87A of the relay.
- Locate the Purple wire, pin 1 (4 pin connector) on the BOM module and attach to pin 86 of the relay.
- Attach a ground to pin 85 of the relay.

BCM Connections (cont.)
- Locate connector C2280E plugged into the BCM and disconnect it. Note the Pin Numbers on the connector. The supplied white 4-pin pigtails will be tapping into several of these wires.
• The supplied male pigtail has Gray/Brown and Violet/Orange wires. The female pigtail has Gray and Violet wires.
Note: Performing one step at a time, attach the correct wire to the appropriate 4-pin pigtail wire. These connections must be made using solder and the supplied heat shrink tubing. Cut the tubing to 1” lengths for this purpose.
Right Rear Brake Lamp Circuit
- Locate Pin #52 Green/Brown wire on connector C2280E.
- Verify with a DVM that there is 12V on the Green/ Brown wire when the Service Brake is depressed and 0V when the Service Brake is not depressed.
- Cut the Green/Brown wire, pin #52 about 3 inches from the connector.
- Attach the BCM side of the Green/Brown wire, pin #52 to the male 4-pin connector Pin #3, Violet/Orange wire.
- Attach the harness side of the Green/Brown wire, pin #52 to the female 16-pin connector pin #13, Violet wire.

Center High Mounted Brake Lamp Circuit
- Locate Pin #13 Yellow/Gray wire of Connector C2280E. It will be a 22 gauge wire.
- Verify with a DVM that there is 12V on the Yellow/Gray wire when the Service Brake is depressed and 0V when the Service Brake is not depressed.
- Cut the Yellow/Gray wire, pin #13 about 3 inches from the connector.
- Attach the BCM side of the Yellow/Gray wire, pin 13 to the male 4-pin connector Pin #1, Brown wire.
- Attach the harness side of the Yellow/Gray wire, pin 13 to the female 16-pin connector pin #9, Orange wire.
BCM Connections (cont.)
Left Rear Brake Lamp Circuit
- Locate Pin #26 Gray/Orange wire on connector C2280E.
- Verify with a DVM that there is 12V on the Gray/Orange wire when the Service Brake is depressed and 0V when the Service Brake is not depressed.
- Cut the Gray/Orange wire, pin #26 about 3 inches from the connector.
- Attach the BCM side of the Gray/Orange wire, pin 26 to the male 4-pin connector Pin #4, Gray/Brown wire.
- Attach the harness side of the Gray/Orange wire, pin 26 to the female 16-pin connector pin #15, Gray wire.
Plug in the 4-pin pigtails into the respective G-BOM505 harness connectors.
Plug the G-BOM505 4-pin connector into the mating 4-pin connector.
Secondary Brake Lamps (If Equipped)
Skip this step if not equipped.
The secondary brake lights circuits are is located on the passenger side compartment. Locate the connector C2280E plugged into the BCM and disconnect it. This part of the installation will require 2 additional relays.
Left Brake Circuit
- Locate Pin #24 White/Green wire of connector C2280E.
- Verify with DVM there is 12 volts when brake lamps are on and 0V when brake lamps are off.
- Cut the White/Green wire about 3 inches from the connector .
- Attach the Connector side of the White/Green wire to pin 30 of relay 1.
- Attach the harness side of the White/Green wire to pin 87A of relay 1.
- Locate the Purple wire, pin 1 (4 pin connector) on the BOM module and attach to pin 86 of relay 1.
- Attach a ground to pin 85 of relay 1.
- Securely mount relay 1.
Right Brake Circuit
- Locate Pin #23 Gray/Violet wire of connector C2280E
- Verify with DVM there is 12 volts when brake lamps are on and 0V when brake lamps are off.
- Cut the Gray/Violet wire about 3 inches from the connector
- Attach the Connector side of the Gray/Violet wire to pin 30 of relay 2.
- Attach the harness side of the Gray/Violet wire to pin 87A of relay 2.
- Locate the Purple wire, pin 1 (4 pin connector) on the BOM module and attach to pin 86 of relay 2.
- Attach a ground to pin 85 of relay 2.
- Securely mount relay.


Cluster Control Installation Instructions
When in Blackout mode the module will turn the cluster backlighting off. The following two connections must be made for this feature to function correctly.
Remove Headlamp switch from panel to get to connector C205. 
Dim Down Circuit
- Locate Pin #3 (Brown wire) on C205.
- Strip some of the insulator and connect the circuit to the Pink Wire pin 2 of the 4 pin Molex connector.
Dim Up Circuit
- Locate Pin #6 (Yellow wire) on C205.
- Strip some of the insulator and connect the circuit to the Tan Wire pin 4 of the 4 pin Molex connector.
Note: If the cluster backlighting does not turn off when in Blackout mode, then the Dark Car feature on the vehicle must be turned on. First put the module in diagnostic mode and verify LED2 is on. If LED2 is OFF go through Dark Car Control steps. If LED2 is ON momentarily ground the Red/White wire. This will enable Dark Car on the vehicle which will allow the cluster backlighting to turn off.
Toggle Dark Car Control (Default = Disabled)
- Put the Key in the RUN position.
- Place the transmission in PARK.
- Press the test button on the module to enter diagnostics mode. Verify the Status LED illuminates.
- Apply the Parking Brake.
- Cycle High Beams On/Off 3 times within 5 seconds.
- All LED’s will flash once for confirmation.
Post Installation / Check List
The following checks must be made after installation of the system, to ensure correct and safe operation. If any of the checks do not pass, do not deliver the vehicle. Recheck all connections per the nstallation instructions.
- Turn ignition key on (to “Run”).
- Apply the Parking Brake and Turn Off all lights (High Beams, Low Beams, and Parking Lights).
- Apply the Black Out Input (Green/White wire or Red/White wire).
- Verify Instrument Cluster turns OFF.
- Hold Service Brake and verify the Brake lights are disabled.
- Turn on Low Beams, this will disable Blackout.
- Hold Service Brake and verify the Brake Lights are on.
- Verify Instrument Cluster backlighting comes on.
- Turn Off all lights (High Beams, Low Beams, and Parking Lights).
- Apply the Black Out Input.
- Place transmission in Reverse and verify the reverse lights are not on.
- Turn on Low Beams.
- Verify that the Reverse Lights are On.
DO NOT PUT VEHICLE IN SERVICE IF IT DOES NOT PASS ALL OF THE ABOVE TESTS
Contact InterMotive at 530-823-1048 for technical assistance
Diagnostics
Diagnostic mode is entered by pressing the test button on the module. The module provides diagnostic LEDs which lluminate according to the following table. There are multiple pages of diagnostics and the page can be determined by the Status LED. Pressing the test button will cycle through the different pages.
| STATUS LED | 1-Jan | 2-Feb | 3-Mar |
| LED 1 | Chimes Enabled | Black Out Active | High Beams |
| LED 2 | Dark Car Control | Armed Enabled | Speed override |
| LED 3 | Not Used | VSS < Max speed | Internal Use |
| LED 4 | Not Used | Headlamp Switch | Internal Use |

Chime Mute Installation Instructions
Yellow Wire Connection
The G-BOM505 kit provides a harness which consists of a white 4 pin connector with a Yellow wire. Connect the yellow wire to the vehicle as follows: Locate the BCM near the passenger compartment. Locate the blue connector C2280E plugged into the BCM and disconnect it. Note the Pin Numbers on the connector.
- Locate Pin #33 Brown Wire. It will be a 26 gauge wire.
- Verify with a DVM that there is Ground signal on the Brown wire when the Driver Door is closed.
- Verify Ground signal goes away when Driver Door is open.
- Strip a small amount of wire insulation from the Brown wire (do not cut wire) and attach the Yellow wire using solder and tape.

Chimes Mute Post Installation Test
With vehicle in Park, Park Brake applied:
- Turn Key to Run (do not start engine) and plug the 6 pin Data Link connector into the G-BOM505 module. This allows the G-BOM505 to read the vehicles VIN to verify which vehicle it is plugged into.
- Verify that the LED’s on the module are not scrolling (meaning it has successfully acquired and recognizes the VIN).
- Verify the following chimes no longer sound:
• Door Ajar Warning Chime – Key in Run (engine on or off), Trans in Park, Door ajar
• Key-in-Ignition Warning Chime – Key in ignition (Off or ACC), door ajar
• Headlamps On Warning Chime – Key removed, Headlights on, door ajar
• Safety Belt Warning Chime – Key switched to Run, driver seatbelt unbuckled. Note: this last chime may sound occasionally due to the electrical architecture of the vehicle. This is normal behavior and cannot be avoided.
Blackout Operating Instructions
System Operation
The G-BOM505 module has the ability to eliminate all exterior lighting (except DRL’s if activated) to aid in covert operations. When activated, it will eliminate the parking lamps, reverse lights, and the Service Brake lights.
ARMED Input
The ARMED Input is used only if the vehicle has Dark Car disabled. These are not ideal conditions for the vehicle to be “Blacked Out” so the ARMED Input will enable Dark Car. If the Input is not “Armed”, the module will not enter Blackout Mode.
Note: The input is not used if vehicle has Dark Car enabled.
Black Out Preconditions:
- Parking lights must be OFF.
- Headlights must be OFF.
- Vehicle speed must be less than exit speed (configurable).
- Vehicle Armed input enabled (if used).
- Momentarily apply Black Out input. (Pin 1 Green/White)
Once in Black Out mode, the stop lamps and reverse lamps are inactive. The module will also dim the instrument panel cluster to its lowest level.
To disable Black Out, apply one of the following:
- Momentarily apply Black Out input.
- Turn ON parking lights.
- Turn ON Headlights.
- Vehicle speed goes over exit speed.
To bypass the “exit speed”, hold the Black Out input while driving and the module will keep the tail lights inactive.
Speed Override
The configurable Exit Speed is used for safety purposes and the speed can be set between 5-20 MPH. To bypass the Exit Speed, enter Black Out Mode by momentarily applying the Black Out Input. Once entered, hold the Black Out input and the module will keep the lights disabled at any speed as long as the input is continuously pressed.
G-BOM505-DC-110521-INSPage 20 of 20

If the G-BOM505-DC fails any step in the Post Installation Check List, review the installation instructions and check all connections.
If necessary, call InterMotive Technical Support at (530) 823-1048.
InterMotive Vehicle Controls
12840 Earhart Ave. Auburn, CA 95602
530-823-1048
[email protected]
www.InterMotive.net
































