INTERMOTIVE BOM560-CC Black Out Module

Introduction
The BOM560-CC module has the ability to eliminate all exterior lighting (except DRL’s if activated) to aid in
covert operations. When activated, with the headlights turned off, The BOM560-CC will eliminate the reverse lights and the Service Brake lights.
Options
C—Deactivates seat belt chime, key in ignition chime, & headlamps on chime.
Installation Instructions
Disconnect vehicle battery before proceeding with installation.
IMPORTANT – READ BEFORE INSTALLATION
It is the installer’s responsibility to route and secure all wiring harnesses where they cannot be damaged
by sharp objects, mechanical moving parts and high heat sources. Failure to do so could result in damage to the system or vehicle and create possible safety concerns for the operator and passengers.
It is important to avoid placing the module where it could encounter strong magnetic fields from high
current cabling connected to motors, solenoids, etc. Also avoid radio frequency energy from antenna’s or
inverters next to the module. Finally, avoid high voltage spikes in vehicle wiring by always using diode clamped relays when installing upfitter circuits.
BOM560-CC Module
Remove the lower dash panel below the steering column area and find a suitable location to mount the BOM560-CC module. Locate the module in an area away from any external heat sources (engine heat, heater ducts, etc.). Do not actually mount the module until all wire harnesses are routed and secure. The last step will be to mount the module.
BOM560-CC Module Mounting
Ensure all harnesses are properly connected and routed, and are not hanging below the dash area. Mount the BOM560-CC module using screws or double sided tape. Reinstall the lower dash panel.
Gateway Plug and Play Harness (6-pin connector)

- Locate the vehicles Gateway Module (C2431). It will be mounted below the lower left dash panel behind the BCM.
- Remove the harness behind the Gateway module by pressing the locking tab and pulling outward.
- Plug the Female side of the InterMotive Gateway Harness into the back of the Gateway module. Ensure the connection is fully seated and secured by the locking tab.
- Plug the Male side of the InterMotive Data Link Harness into the Gateway harness.
- Secure the BOM560-CC Gateway harness so that it does not hang below the lower dash panel.

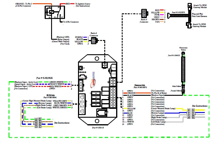
4-Pin BOM LCO Connector Pin-Out Definition
Connector J5 contains the BOM560-CC (LCO) pins. Each output is rated at 1A. The 4 LCO pins on connector J5 are defined as follows:
- Pin #1 – LCO 1, Purple Wire, Blackout LED.
- Pin #2 – LCO 2, Black Wire, Relay Output.
- Pin #3 – LCO 3, Yellow Wire, Chime Mute Output.
- Pin #4 – N/C.
4-Pin BOM Relay Connector Pin-Out Definition
Connector J8 contains the 4 BOM fused relay output pins. These 4 fused output pins are connected to 4 relay outputs. Each relay output is capable of 10A maximum.
The 4 fused relay output pins on connector J8 are defined as follows:

- Pin #1 – Yellow/Grey, connect to BCM side of Center High Mounted Brake Lamp Circuit.
- Pin #2 – Blue/White, connect to BCM side of Reverse Lamp Circuit.
- Pin #3 – Grey/Brown, connect to BCM side of Right Rear Brake Lamp Circuit.
- Pin #4 – White/Green, connect to BCM side of Left Rear Brake Lamp Circuit.
Connect the outputs to the vehicle equipment as indicated in the following pages.
16-Pin BOM Relay Connector
The 16 Pin Molex connector will be used to connect the harness side of the rear light circuits.
- Pin #2 – Orange, connected to Pin 86 of included relay.
- Pin #3 – Black, connect female bullet to male bullet from the included momentary push button (photo below). Pin #9 – Yellow, connect to harness side of Center High Mounted Brake Lamp Circuit.
- Pin #11 – Blue, connect to harness side of Reverse Lamp Circuit.
- Pin #13 – Grey, connect to harness side of Right Rear Brake Lamp Circuit.
- Pin #15 – White, connect to harness side of Left Rear Brake Lamp Circuit.
4-Pin BOM Input Connector Definition
Connector J4 contains the BOM’s 4 discrete wire inputs. Two of these are active low (1 and 2), The active
low inputs have their own internal pull up resistors so they can be left floating when not used or not active. The 4 input pins on connector J4 are defined as follows:
- Pin #1 – Blackout Input, Active low, Green/White Wire, Momentary low to activate Blackout Mode, connect the female bullet to the male bullet from the included momentary push button (photo below).
- Pin #2 – Armed Input Active low, Violet/White Wire, Momentary low to activate DarkCar. Connect this wire to a momentary switch that will ground the input.
- Pin #3 – Blackout Input, Active High, Red/White Wire, Momentary +12V to activate Blackout Mode.

Momentary Push Button
Drill a 16mm (0.630”) hole in the desired mounting location. Route the momentary push button harness
through the hole and mount the button in the hole. Connect the bullets to the mating bullets from the BOM560-CC module.
BCM Connections
- Locate the BCM near the passenger compartment. Locate the connector C2280C plugged into the BCM and disconnect it. Refer to page 7. Note the Pin Numbers on the connector. The supplied white 4-pin pigtails will be tapping into several of these wires.
- The supplied male pigtail has Yellow/Grey and Blue/White wires. The female pigtail has Yellow and Blue wires.
Note: Performing one step at a time, attach the correct wire to the appropriate 4-pin pigtail wire. These connections must be made using solder and the supplied heat shrink tubing. Cut the tubing to 1” lengths for this purpose.
Reverse Lamp Circuit
- Locate Pin #11 Green/Brown wire.
- Verify with a DVM that there is 12V on the Green/Brown wire when the vehicle is in Reverse and 0V when the vehicle is in any gear other than Reverse.
- Cut the Green/Brown wire, pin #11 about 3 inches from the connector.
- Attach the BCM side of the Green/Brown wire, pin 11 to the male 4-pin connector Pin #2, Blue/White wire.
- Attach the harness side of the Green/Brown wire, pin 13 to the female 16-pin connector pin #11, Blue wire.
- Plug connector back into the BCM.
Locate the Blue connector C2280E plugged into the BCM and disconnect it.
Center High Mounted Brake Lamp Circuit

- Locate Pin #13 Yellow/Grey wire on connector C2280E.
- Verify with a DVM that there is 12V on the Yellow/Grey wire when the Service Brake is depressed and 0V when the Service Brake is not depressed.
- Cut the Yellow/Grey wire, pin #13 about 3 inches from the connector.
- Attach the BCM side of the Yellow/Grey wire, pin 13 to the male 4-pin connector Pin #1, Yellow/ Grey wire.
- Attach the harness side of the Yellow/Grey wire, pin 13 to the female 16-pin connector pin #9, Yellow wire.
BCM Connections (cont.)
- Locate the BCM near the passenger compartment. Locate connector C2280E plugged into the BCM and disconnect it. Refer to page 7. Note the Pin Numbers on the connector. The supplied white single row 4- pin pigtails will be tapping into several of these wires.
- The supplied male pigtail has Grey/Brown and White/Green wires. The female pigtail has Grey and White wires.
Note: Performing one step at a time, attach the correct wire to the appropriate 4-pin pigtail wire. These connections must be made using solder and the supplied heat shrink tubing. Cut the tubing to 1” lengths for this purpose.
Right Rear Brake Lamp Circuit
- Locate Pin #23 Grey/Brown wire on connector C2280E
- Verify with a DVM that there is 12V on the Grey/Brown wire when the Service Brake is depressed and 0V when the Service Brake is not depressed.
- Cut the Grey/Brown wire, pin #23 about 3 inches from the connector.
- Attach the BCM side of the Grey/Brown wire, pin 23 to the male 4-pin connector Pin #3, Grey/Brown wire.
- Attach the harness side of the Grey/Violet wire, pin 23 to the female 16-pin connector pin #13, Grey wire.
Left Rear Brake Lamp Circuit
- Locate Pin #24 White/Green wire.
- Verify with a DVM that there is 12V on the White/Green wire when the Service Brake is depressed and 0V when the Service Brake is not depressed.
- Cut the White/Green wire, pin #24 about 3 inches from the connector.
- Attach the BCM side of the White/Green , pin 24 to the male 4-pin connector Pin #4, White/Green wire.
- Attach the harness side of the White/Green , pin 24 to the female 16-pin connector pin #15, White wire.
Plug in the 4-pin pigtails into the respective BOM560-CC harness connectors. Plug the BOM560-CC 4-pin connector into the mating 4-pin connector.
Dim Instrument Cluster
When in Blackout mode the module will not turn the cluster backlighting off. It will be necessary to manually dim the instrument cluster by repeatedly pressing the dim button (see photo).
Relay Definition
The included relay harness (840-00075) has a Red wire that must be connected to a +12 volt source that is hot on ignition for the system to work properly. Otherwise the brake lights may be disabled during operation of the vehicle.
Post Installation / Check List
The following checks must be made after installation of the system, to ensure correct and safe operation. If any of the checks do not pass, do not deliver the vehicle. Recheck all connections per the installation instructions.
- Turn ignition key on. (to “Run”)
- Apply the Parking Brake and Turn Off all lights. (High Beams, Low Beams, and Parking Lights)
- Arm vehicle. (if necessary)
- Press the momentary push button, Black Out LED will turn on.
- Manually dim the cluster.
- Hold Service Brake and verify the Brake lights are disabled.
- Turn on Low Beams , this will disable Blackout.
- Hold Service Brake and verify the Brake Lights are lit.
- Turn Off all lights. (High Beams, Low Beams, and Parking Lights)
- Press the momentary push button, Black Out LED turn on.
- Place transmission in Reverse and verify the reverse lights are not lit.
- Turn on Low Beams and Black Out LED will turn off.
- Verify that the Reverse Lights are On.
DO NOT PUT VEHICLE IN SERVICE IF IT DOES NOT PASS ALL OF THE ABOVE TESTS Contact InterMotive at 530-823-1048 for technical assistance
Diagnostics
Diagnostic mode is entered by pressing the test button on the module. The module provides diagnostic LEDs which illuminate according to the following table. There are multiple pages of diagnostics and the page can be determined by the Status LED. Pressing the test button will cycle through the different pages.
Chime Mute Installation Instructions (Optional)
Yellow Wire Connection
The BOM560-CC kit provides a harness which consists of a white 4 pin connector with the 4” long Yellow wire.
- Plug the 4-pin connector into the BOM560-CC module.
- Connect the yellow wire to the vehicle as follows:
To Upfitter Harness under the Dash Center Stack
It’s easiest to connect the BOM560-CC to the upfitter wire provided by Ford near the bottom of the dashboard center stack area. See drawing. Ford provides a 14 pin connector C2238 and a mating upfitter blunt cut harness.
Locate the Green/Violet blunt cut wire coming out of pin 13 (be certain it is the Green/Violet wire in pin 13, as there are multiple Green/Violet wires in this harness). Attach the pin 13 wire to the BOM560-CC Yellow wire using solder and heat shrink.
Chimes Mute Post Installation Test
With vehicle in Park, Park Brake applied, and Key OFF:
- Turn Key to Run (do not start engine) and plug the 6 pin Data Link connector into the BOM560-CC module. This allows the BOM560-CC to read the vehicles VIN to verify which vehicle it is plugged into.
- Verify that the LED’s on the module are not scrolling (meaning it has successfully acquired and recognizes the VIN).
- Verify the following chimes no longer sound:

- Key-in-Ignition Warning Chime – Key in ignition (Off or ACC), door opened.
- Headlamps On Warning Chime – Key removed, Headlights on, door opened.
- Door Ajar Warning Chime – Key in Run (engine on or off), Trans in Park, Door ajar. (Note it will still chime if Transmission is out of Park)
- Safety Belt Warning Chime – Key switched to Run, driver seatbelt unbuckled. Note: this last chime may sound occasionally due to the electrical architecture of the vehicle. This is normal behavior and cannot be avoided.
Blackout Operating Instructions
System Operation
The BOM560-CC module has the ability to eliminate all exterior lighting (except DRL’s if activated) to aid in covert
operations. When activated, with the headlights turned off, The BOM560-CC will eliminate the reverse lights and the Service Brake lights.
ARMED Input
The ARMED Input is used only if the vehicle has Dark Car disabled. These are not ideal conditions for the vehicle to be “Blacked Out” so the ARMED Input will enable Dark Car. If the Input is not “Armed”, the module will not enter Black-Out Mode.
Note: The input is not used if vehicle has Dar Car enabled.
Black Out Preconditions:
- Parking lights must be OFF.
- Headlights must be OFF.
- Vehicle speed must be less than exit speed. (configurable)
- Vehicle Armed input enabled. (if used)
- Press the momentary push button.
Once in Black Out mode, the stop lamps and reverse lamps are inactive. The module will also dim the instrument panel cluster to its lowest level.
To disable Black Out, apply one of the following:
- Momentarily apply Black Out input.
- Turn ON parking lights.
- Turn ON Headlights.
- Vehicle speed goes over exit speed.
To bypass the “exit speed”, hold the Black Out input while driving and the module will keep the tail lights inactive.
Speed Override
The configurable Exit Speed is used for safety purposes and the speed can be set between 5-20 MPH. To bypass the Exit Speed, enter Black Out Mode by momentarily applying the Black Out Input. Once entered, hold the Black Out input and the module will keep the lights disabled at any speed as long as the input is continuously pressed.
Submit product registration at www.intermotive.net
If the BOM560-CC fails any step in the Post Installation Test, review the installation instructions and check all connections. If necessary, call InterMotive Technical Support at (530) 823-1048.




















