UniGuard Ultrasonic Fuel Sensor

Introduction
Ultrasonic fuel sensor uses ultrasound technology to monitor the level height of fuel or liquid without tampering the tanker. It is widely used to connect with GPS tracking device to realize real time fuel consumption monitoring or fuel amount monitoring during transportation.
Sensor Specification
| Specs | Description | Remark |
| Installation | Tank bottom () | Use glue and bracket |
| Working Voltage | DC12-48V | |
| Working Current | ≤ 25mA | |
| Measure Range | 46 to 1000 mm | Default 100cm. Adjustable. |
| Measure Resolution | 0.1mm | |
| Penetration thickness | ≤20 mm | |
| Ex Certification | Exia IICT6 | |
| Working Temperature | -40 to 75 °C | |
| Storage Temperature | -45 to 80 °C | |
| Interface | RS232/RS485/Analog | |
| Interface baud rate | 9600 bit/s | Adjustable. 8M wire. |
| Wire Definition | Black-GND, Red-Power Yellow: 0-5V, connect with GPS speed limiter UT04s Grey wire Yellow-TX/B, RX/B-connect device. Green-RX/A, TX/A connect device | |
| Weight | 0.45KG | |
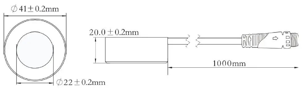
Sensor Size

Features
- No tamper of tanker by using ultrasound
- Attached installation, fast, easy and firm
- Support working voltage at 5V or 9V to 36V
- Support RS232/RS485/0 5V signal output
- Super strong ultrasound penetration to work at tanker thickness below 20mm. Normal tanker thickness is b elow 8mm.
- Builtin interference proof algorithm, smart and efficient
Application
- Fuel consumption remote monitoring for any type of vehicle, truck or car
- Dangerous liquid transpiration monitoring
- Construction vehicle fuel usage monitoring
- Water truck monitoring
- Storage tanker monitoring
Package
- 1x ultrasonic fuel sensor
- 1x 8 meter extension cable
- 1x installation bracket with screws
- 1xabrasive paper
- 5x plastic ribbon for wire fixing
- 1x display for liquid height display (optional)

Before Installation
Please make sure take display and power bank for sensor installation.
Display Usage
Display is connected with sensor head and powered by power bank so as to show current tanker fuel height. If the displayed height is same as current fuel amount height, it means the current installation spot is right.
Before installation
- Park vehicle on flat road
- The height of current fuel amount in tank should be higher than 6cm, for construction vehicle or boat, the height must be higher than 12cm
- The installation spot is advised to be at the middle bottom of tank.
- The installation spot must be smooth, clean and clear.
Installation
Locate installation spot

- Put some couplant in the middle of sensor head
- Couplant is in the circle area
- Check if height display is right ,otherwise make sure the tank is smooth, clean and clear.
S ensor installation

Bracket installation

3.4 Paste waterproof glue
- area among sensor and bracket, paste waterproof glue
- area outside of the bracket, paste AB glue to strength bracket
- Display is always connected during the installation.

Power sensor and connect device
- Sensor Black for GND, Red for Power.
- Yellow: 0 5V is to connect with GPS speed limiter UT04s Grey wire.
Add: 405, Xinhui Business Bld, Xinwei 3rd Industry Area, GuangMing, Shenzhen, China
Email: [email protected]
Web: https://uniguardgps.com
Copyright 2008-2022 UniGuard Technology Limited. All Rights Reserved www.uniguardgps.com

















